- 您的位置:
- 标准下载网 >>
- 标准分类 >>
- 电子行业标准(SJ) >>
- SJ 2682-1986 电子器件详细规范 WH15-K2型低功率电位器 评定水平E
标准号:
SJ 2682-1986
标准名称:
电子器件详细规范 WH15-K2型低功率电位器 评定水平E
标准类别:
电子行业标准(SJ)
标准状态:
现行-
发布日期:
1986-02-18 -
实施日期:
1986-10-01 出版语种:
简体中文下载格式:
.rar.pdf下载大小:
587.50 KB
部分标准内容:
中华人民共和国电子工业部部标准SJ2682—86
电子元器件详细规范
WH15-K2型低功率电位器
评定水平E
1986—02—18发布
1986—10—01实施
中华人民共和国电子工业部
中华人民共和国电子工业部部标准电子元器件详细规范
WH15-K2型低功率电位器
评定水平
中国电子技术标准化研究所
按SJ2786-87
电子元器件
外形图和尺寸:
见附录A
引出端连接法:
引出端连盈法:
评定质量的
SJ2682-86
SJ27.9087
SJ268286
WH15-K2型合成炭膜电位器
带开关、单圈旋转、非线绕、
评定水平:Ewww.bzxz.net
稳定度等级:15%
按本规范鉴定合格的元器件的有效资料在鉴定合格一览表中给出
电子工业部1986-02-18发布
1986-10-01实施
1一般数据
1.1推荐的安装方法
SJ268286
第一章
一般数据
电位器可采用螺钉和螺母安装在电路板上,或以引出端S和S2直接焊接在印制电路板上。
当用螺钉和螺母安装时,板上的开孔尺寸如下:2~425
见附录A
额定值和特性
电阻规律
阻值范围·
在70C的颗定功耗
表1-2
电阻规律
标称阻值允许偏差
电阻规律
优先选用1EC3中的E6系列值。
电阻体极限电压
直流或交流有效值
标称阻值范围
470~47k
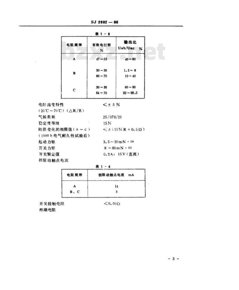
电阳温度特性
电阻规律
(20C~70C)(△R/R)
气候类别
稳定度等级
阻值变化的极限值(a~c)
(1000h电气耐久性试验后)
起动力矩
开关力矩
开关额定值
极限动触点电流
电阻规律
开关接触电阻
终端电阻
SJ2682-86
表1-8
有效电行程
输出比
Uab/Uac
25/070/21
≤±(15%R+0.5Q)
3.5~-30mN.m
0.2A:15V(直流)
极限动融点电流mA
终端电
电阻规律
终端电阻代号
转动噪声
1.3.1降功耗
SJ2682-86
本规范所涉及的电位器应符合下述功耗曲线300
有关文件
SJ2786-86
SJ2789-87
环境温度
“电子设备用电位器:第一部分:总规范”。“电子设备用电位器:第五部分:分规范:单圈旋转低功率电位器”。
标志内容应从下列选择,其相对的重要性按下列排列次序:标称阻值:
标称阻值允许偏差
额定功耗:
电阻规律(直线规律不标注):电位器品种标记,
制造年、月,
制造厂名称和(或)商标:
电位器数量:
包装人员姓名或代号。
SJ2682-86
每个电位器上应清楚地标明a、d、g项。电位器的包装盒或标签上应标出上述列举的全部内容。定货资料
本规范涉及电位器的定单,应用文字或代码至少给出下列内容:a.
标称阻值及其允许偏差:
电阻规律(直线规律不标注):本规范的编号和版本及品种标记:1.7放行批证明记录
附加内容(不作检验用)
无规定。
1,9对总规范和(或)分规范的规定增加或提高的严酷度和要求。无规定。
第二章
2检验要求
2.1程序
检验要求
2.1.1鉴定批准程序应按分规范SJ2789-87的3。2条。2.1,2质量一致性检验的试验一览表(表2)包括有抽样、周期、严酷度和要求。分规范的3.3.1条规定了检验批的组成。质量-致性检验,整个批准范围内的各代表值,在年内都应受到检验(仅对A、B和C组、
对电阻温度特性、耐爆接热和气候顺序试验,在试验前其样品应按SJ2786一87第4.3条中的程序I进行干燥。
注:3除了环境试验的严酷度和输出比或阻值变化的极限值从分镜范中选择有关条款外,试验和性能要求的条款号引自总规范SJ2786-87。
②检查水平1L和合格质盘水平AQL值选自IEC410号标准。?表中:
P=周期(以月为单位)
n=样本大小
C=合格判定数(允许不合格品数)-5-
D=破坏性的
ND=非破坏性的
IL=检查水平
AQL=合格质量水率
条款号和试验
(见注)
A组检验(逐批)
A1分组
外观检查
A2分组
电阻体阻值
A3分组
(量规检验的)
总机械行程
A4分组
终端电阻
转动噪声
开关接触电阻
SJ2682—86
IEC410
试验条件
(见注①)
方法A
(见注②)
性能要求
(见注?)
按4.4.1条的规定
标志清晰并符合本规范1.5条
的规定
符合4.6.3条
按本规范的1.2条
>240°
按本规范的表1-5
条款号和试验
(见注)
B组检验(逐批)
B1分组
起动力矩
开关力矩
B2分组
可焊性
条款号和试验
(见注?)
C组检验(周期)
C1分组
终端止挡力矩
机械耐久性
(电位器的)
SJ2862-86
续表2
试验条件
(见注①)
开关接触电阻测量
之后,在加负荷的
状态下运转5~10
方法2:
烙铁焊法
烙铁头尺寸:B
温度:350±10℃
持续时间:
试验条件
(见注)
外观检查
周数:10000周
(见注②)
样本大小
和合格判定数
(见注③)
速度:10~17周/分
外观检查
电阻体阻值
性能要求
(见注①)
用一外部指示器观测时,开关
功能应正常
3.5~30mN.m
以焊料润湿引出端并能自由流
动来检验镀层是否良好
性能要求
(见注)
止挡应无变形和可见损伤。
应无可见损伤
△R<±(15%R+0.5Q)
条款号和试验
(见注①)
开关机械耐久性
C2A分组
(C2组样本的一部分
样品)
引出端蛋度
附焊接热
C2B分组
(C2组样本的剩余的
样品)
SJ2682-86
续表2
试验条件
(见注①)
起动力矩
转动噪声:方法A
该试验可与4.40条
同时进行
外观检查
开关接触电阻
开关力矩
Ua:拉力
!外观检查
电体融值
方法2:烙铁焊法
烙铁尺寸:A
温度:350°±10℃
持续时间:10±1S
电阻体阻值
终端电阻:Rab和
安装方法见本规范
的1.1条
样本大小
和合格判定数
(见注③)
性能要求
(见注①)
3.5~50mN.m
<100mV
应无可见损伤
大于初始测量值的2倍且小于
应光可见报伤
AR<±(3%R+0.1S)
AR<±(2%R+0.1Q)
符合本规范的表15的规定
条款号和试验
(见注①)
C2分组
(C2A和C2B的的样
品合并起来)
气候顺序
一干热
一循环湿热
试验Db第一周
—寨冷
SJ2682-86
续表2
试验条件
(见注)
加速度:
390m/s2
硅撞次数:4000次
外观检查
电阻体阻值
安装方法见本规范
的1.1条
程序B4
频率范围:10~55Hz
振幅:0.75mm
总持续时间:6h
试验过程中测量电
气连续性
最后测量:
外观检查
电阻体阻值
温度:70
持续时间:16h
外观检查
温度:-25℃
持续时间:2h
起动力矩
开关力矩
样本大小
和合格判定数
(见注③)
性能要求
(见注?)
应无可见损伤
AR<±(3%+0.1Q)
应无大于100μS的电气间断。
应无可见摄伤
AR<±(3%R+0.1Q)
按4.3条程序I
无可见损伤、标志清晰
3.5~150mN.m
<400mN.m:
条款号和试验
(见注①)
一循环湿热试验
Db的剩余周期
一直流负荷
C3分组
70℃电气耐久性
D组检验(周期)
D1分组
稳态湿热
SJ2682-86
续表2
试验条件
见注?)
最后测量:
外观检查
电阻体阻值
开关接触电阻
连续性
起动力矩
持续时间:1000h
一负荷加在引出端
a与c之间:
在48、500和1000
h检查:
外观检查
电阻体阻值
一负荷加在引出端
a与b之间:
样本大小
和合格判定数
(见注③)
在48,500和1000h
时检查
外观检查
a与b之间的阻
全部样品
在1000h时检查:
转动噪声:方法B
按4.39.2.2条
性能要求
(见注)
按4.38.7条
应无可见损伤、标志清晰
△R<±(15%R+0.5Q)
按4.5.1条
3.5~50mN.m
应无可见损伤、标志清晰
AR<±(15%R+0.5Q)
无可见损伤、标志清晰
AR<±(15%R+0.5Q)
条款号和试验
(见注?)
D2分组
D3分组
电阻温度特性
D4分组
尺寸(详细的)
D5分组
55℃电气耐久性
SJ2682-86
续裹2
试验条件
(见注①)
第一组4个样品
第二组4个样品
直流负荷
最后测量:
外观检查
电阻体阻值
起动力矩
转动噪声,方法A
开关接触电阻
(不适用)
-25℃/+20℃
+20℃/70℃
持续时间:1000h
负荷加在a与c
之间:
在48、500和1000h
时检查:
外观检查
电阻体阻值
负荷加在a与b
之间:
在48,500和1000h
时检查:
外观检查
样本大小
和合格判定数
(见注②)
性能要求
(见注①)
按4.39.3条
无可见损伤,标志清晰
△R<±(15%R+0.5Q)
3.5~50mN.m
<100mV
AR/R<±4.5%
△R/R<±5%
按本规范的规定
无可见损伤,标志清晰
AR<±(15%R+0.5Q)
无可见损伤,标志清晰
△R<±(15%R+0.5Q)
小提示:此标准内容仅展示完整标准里的部分截取内容,若需要完整标准请到上方自行免费下载完整标准文档。
电子元器件详细规范
WH15-K2型低功率电位器
评定水平E
1986—02—18发布
1986—10—01实施
中华人民共和国电子工业部
中华人民共和国电子工业部部标准电子元器件详细规范
WH15-K2型低功率电位器
评定水平
中国电子技术标准化研究所
按SJ2786-87
电子元器件
外形图和尺寸:
见附录A
引出端连接法:
引出端连盈法:
评定质量的
SJ2682-86
SJ27.9087
SJ268286
WH15-K2型合成炭膜电位器
带开关、单圈旋转、非线绕、
评定水平:Ewww.bzxz.net
稳定度等级:15%
按本规范鉴定合格的元器件的有效资料在鉴定合格一览表中给出
电子工业部1986-02-18发布
1986-10-01实施
1一般数据
1.1推荐的安装方法
SJ268286
第一章
一般数据
电位器可采用螺钉和螺母安装在电路板上,或以引出端S和S2直接焊接在印制电路板上。
当用螺钉和螺母安装时,板上的开孔尺寸如下:2~425
见附录A
额定值和特性
电阻规律
阻值范围·
在70C的颗定功耗
表1-2
电阻规律
标称阻值允许偏差
电阻规律
优先选用1EC3中的E6系列值。
电阻体极限电压
直流或交流有效值
标称阻值范围
470~47k
电阳温度特性
电阻规律
(20C~70C)(△R/R)
气候类别
稳定度等级
阻值变化的极限值(a~c)
(1000h电气耐久性试验后)
起动力矩
开关力矩
开关额定值
极限动触点电流
电阻规律
开关接触电阻
终端电阻
SJ2682-86
表1-8
有效电行程
输出比
Uab/Uac
25/070/21
≤±(15%R+0.5Q)
3.5~-30mN.m
0.2A:15V(直流)
极限动融点电流mA
终端电
电阻规律
终端电阻代号
转动噪声
1.3.1降功耗
SJ2682-86
本规范所涉及的电位器应符合下述功耗曲线300
有关文件
SJ2786-86
SJ2789-87
环境温度
“电子设备用电位器:第一部分:总规范”。“电子设备用电位器:第五部分:分规范:单圈旋转低功率电位器”。
标志内容应从下列选择,其相对的重要性按下列排列次序:标称阻值:
标称阻值允许偏差
额定功耗:
电阻规律(直线规律不标注):电位器品种标记,
制造年、月,
制造厂名称和(或)商标:
电位器数量:
包装人员姓名或代号。
SJ2682-86
每个电位器上应清楚地标明a、d、g项。电位器的包装盒或标签上应标出上述列举的全部内容。定货资料
本规范涉及电位器的定单,应用文字或代码至少给出下列内容:a.
标称阻值及其允许偏差:
电阻规律(直线规律不标注):本规范的编号和版本及品种标记:1.7放行批证明记录
附加内容(不作检验用)
无规定。
1,9对总规范和(或)分规范的规定增加或提高的严酷度和要求。无规定。
第二章
2检验要求
2.1程序
检验要求
2.1.1鉴定批准程序应按分规范SJ2789-87的3。2条。2.1,2质量一致性检验的试验一览表(表2)包括有抽样、周期、严酷度和要求。分规范的3.3.1条规定了检验批的组成。质量-致性检验,整个批准范围内的各代表值,在年内都应受到检验(仅对A、B和C组、
对电阻温度特性、耐爆接热和气候顺序试验,在试验前其样品应按SJ2786一87第4.3条中的程序I进行干燥。
注:3除了环境试验的严酷度和输出比或阻值变化的极限值从分镜范中选择有关条款外,试验和性能要求的条款号引自总规范SJ2786-87。
②检查水平1L和合格质盘水平AQL值选自IEC410号标准。?表中:
P=周期(以月为单位)
n=样本大小
C=合格判定数(允许不合格品数)-5-
D=破坏性的
ND=非破坏性的
IL=检查水平
AQL=合格质量水率
条款号和试验
(见注)
A组检验(逐批)
A1分组
外观检查
A2分组
电阻体阻值
A3分组
(量规检验的)
总机械行程
A4分组
终端电阻
转动噪声
开关接触电阻
SJ2682—86
IEC410
试验条件
(见注①)
方法A
(见注②)
性能要求
(见注?)
按4.4.1条的规定
标志清晰并符合本规范1.5条
的规定
符合4.6.3条
按本规范的1.2条
>240°
按本规范的表1-5
条款号和试验
(见注)
B组检验(逐批)
B1分组
起动力矩
开关力矩
B2分组
可焊性
条款号和试验
(见注?)
C组检验(周期)
C1分组
终端止挡力矩
机械耐久性
(电位器的)
SJ2862-86
续表2
试验条件
(见注①)
开关接触电阻测量
之后,在加负荷的
状态下运转5~10
方法2:
烙铁焊法
烙铁头尺寸:B
温度:350±10℃
持续时间:
试验条件
(见注)
外观检查
周数:10000周
(见注②)
样本大小
和合格判定数
(见注③)
速度:10~17周/分
外观检查
电阻体阻值
性能要求
(见注①)
用一外部指示器观测时,开关
功能应正常
3.5~30mN.m
以焊料润湿引出端并能自由流
动来检验镀层是否良好
性能要求
(见注)
止挡应无变形和可见损伤。
应无可见损伤
△R<±(15%R+0.5Q)
条款号和试验
(见注①)
开关机械耐久性
C2A分组
(C2组样本的一部分
样品)
引出端蛋度
附焊接热
C2B分组
(C2组样本的剩余的
样品)
SJ2682-86
续表2
试验条件
(见注①)
起动力矩
转动噪声:方法A
该试验可与4.40条
同时进行
外观检查
开关接触电阻
开关力矩
Ua:拉力
!外观检查
电体融值
方法2:烙铁焊法
烙铁尺寸:A
温度:350°±10℃
持续时间:10±1S
电阻体阻值
终端电阻:Rab和
安装方法见本规范
的1.1条
样本大小
和合格判定数
(见注③)
性能要求
(见注①)
3.5~50mN.m
<100mV
应无可见损伤
大于初始测量值的2倍且小于
应光可见报伤
AR<±(3%R+0.1S)
AR<±(2%R+0.1Q)
符合本规范的表15的规定
条款号和试验
(见注①)
C2分组
(C2A和C2B的的样
品合并起来)
气候顺序
一干热
一循环湿热
试验Db第一周
—寨冷
SJ2682-86
续表2
试验条件
(见注)
加速度:
390m/s2
硅撞次数:4000次
外观检查
电阻体阻值
安装方法见本规范
的1.1条
程序B4
频率范围:10~55Hz
振幅:0.75mm
总持续时间:6h
试验过程中测量电
气连续性
最后测量:
外观检查
电阻体阻值
温度:70
持续时间:16h
外观检查
温度:-25℃
持续时间:2h
起动力矩
开关力矩
样本大小
和合格判定数
(见注③)
性能要求
(见注?)
应无可见损伤
AR<±(3%+0.1Q)
应无大于100μS的电气间断。
应无可见摄伤
AR<±(3%R+0.1Q)
按4.3条程序I
无可见损伤、标志清晰
3.5~150mN.m
<400mN.m:
条款号和试验
(见注①)
一循环湿热试验
Db的剩余周期
一直流负荷
C3分组
70℃电气耐久性
D组检验(周期)
D1分组
稳态湿热
SJ2682-86
续表2
试验条件
见注?)
最后测量:
外观检查
电阻体阻值
开关接触电阻
连续性
起动力矩
持续时间:1000h
一负荷加在引出端
a与c之间:
在48、500和1000
h检查:
外观检查
电阻体阻值
一负荷加在引出端
a与b之间:
样本大小
和合格判定数
(见注③)
在48,500和1000h
时检查
外观检查
a与b之间的阻
全部样品
在1000h时检查:
转动噪声:方法B
按4.39.2.2条
性能要求
(见注)
按4.38.7条
应无可见损伤、标志清晰
△R<±(15%R+0.5Q)
按4.5.1条
3.5~50mN.m
应无可见损伤、标志清晰
AR<±(15%R+0.5Q)
无可见损伤、标志清晰
AR<±(15%R+0.5Q)
条款号和试验
(见注?)
D2分组
D3分组
电阻温度特性
D4分组
尺寸(详细的)
D5分组
55℃电气耐久性
SJ2682-86
续裹2
试验条件
(见注①)
第一组4个样品
第二组4个样品
直流负荷
最后测量:
外观检查
电阻体阻值
起动力矩
转动噪声,方法A
开关接触电阻
(不适用)
-25℃/+20℃
+20℃/70℃
持续时间:1000h
负荷加在a与c
之间:
在48、500和1000h
时检查:
外观检查
电阻体阻值
负荷加在a与b
之间:
在48,500和1000h
时检查:
外观检查
样本大小
和合格判定数
(见注②)
性能要求
(见注①)
按4.39.3条
无可见损伤,标志清晰
△R<±(15%R+0.5Q)
3.5~50mN.m
<100mV
AR/R<±4.5%
△R/R<±5%
按本规范的规定
无可见损伤,标志清晰
AR<±(15%R+0.5Q)
无可见损伤,标志清晰
△R<±(15%R+0.5Q)
小提示:此标准内容仅展示完整标准里的部分截取内容,若需要完整标准请到上方自行免费下载完整标准文档。
标准图片预览:





- 热门标准
- 电子行业标准(SJ)
- SJ3166-1988 GZS12-4-3型彩色显像管插座
- SJ2534.10-1986 天线测试方法 功率增益和方向性的测量
- SJ2857.2-1988 温差电致冷材料性能的测试方法 电导率的测试方法
- SJ2879-1988 彩色电视接收机用色纯静会聚磁体组合件总规范
- SJ/T10401-1993 半导体集成音响电路马达稳速电路测试方法的基本原理
- SJ/T11010-1996 电子器件详细规范 半导体电视集成电路CD1124ACP伴音中频放大电路
- SJ/T11088-1996 电子器件详细规范 半导体集成电路CD7680CP图象伴音中频放大电路
- SJ/Z9010.27-1987 电子管电性能的测试 第27部分:发射管中相互调制分量的测试方法
- SJ2253-1982 阴极碳酸盐颗粒度的测定方法
- SJ20599-1996 推拉钨丝规范
- SJ/T9546-1993 无金属化孔单、双面印制板的质量分等标准
- SJ/T10038-1991 电子器件详细规范 半导体集成电路CC4008型CMOS4位二进制超前进位全加器
- SJ/T11332-2006 数字电视接收设备接口规范 第6部分:RGB模拟基色视频信号接口
- SJ/T31441-1994 离心式制冷机组完好要求和检查评定方法
- SJ/T31449-1994 供油管道完好要求和检查评定方法
- 行业新闻
请牢记:“bzxz.net”即是“标准下载”四个汉字汉语拼音首字母与国际顶级域名“.net”的组合。 ©2025 标准下载网 www.bzxz.net 本站邮件:bzxznet@163.com
网站备案号:湘ICP备2025141790号-2
网站备案号:湘ICP备2025141790号-2