- 您的位置:
- 标准下载网 >>
- 标准分类 >>
- 电子行业标准(SJ) >>
- SJ 2687-1986 中心安装的KX06型旋转片式开关(低电负荷) 最多12位、最大直径16毫米
【电子行业标准(SJ)】 中心安装的KX06型旋转片式开关(低电负荷) 最多12位、最大直径16毫米
本网站 发布时间:
2024-07-13 17:09:46
- SJ2687-1986
- 现行
- 点击下载此标准
标准号:
SJ 2687-1986
标准名称:
中心安装的KX06型旋转片式开关(低电负荷) 最多12位、最大直径16毫米
标准类别:
电子行业标准(SJ)
标准状态:
现行-
发布日期:
1986-02-18 -
实施日期:
1986-10-01 出版语种:
简体中文下载格式:
.rar.pdf下载大小:
450.83 KB
点击下载
标准简介:
标准下载解压密码:www.bzxz.net
本标准是对最多为12位、最大直径为16毫米的中心安装的KX06型旋转片式开关(以下简称开关)的技术规定。本标准应与SJ737-1983《旋转片式开关(低电负荷)总技术条件》同时使用。 SJ 2687-1986 中心安装的KX06型旋转片式开关(低电负荷) 最多12位、最大直径16毫米 SJ2687-1986
部分标准内容:
SJ2687-86
中华人民共和国电子工业部部标准中心安装的KX06型旋转片式开关(低电负荷)本标准是对最多为12位,最大直径为16毫来的中心安装的KX06型旋转片式开关(以下简称开关)的技术规定。本标准应与SJ737一83《旋转片式开关(低电负荷)总技术条件》最多12位、最大直径16毫米
开关的气候条件等级为55/100/04,其代号为C。表1
同时使用。
1气候条件等级
2.1开关的额定电负荷见表1
流的组合
2额定电负荷
电压和电
额定电流
值流、阴性急载
3.2开关的转换角度为30°,开关的刀、位数,最多12刀,最多12位。V
额定电压
3.1开关的结构,有散开式和面板密封两种。50
3.3标准的接触件(触点)排列及相应的电路图3.3.1标准的接触件(触点)排列方法由表2规定。号
3结构
刀位案列
表中,R表示动片接线端,S表示定片接线端。R
电子工业部1986-02-18发布
1986-10-01实施
3.3.2标准的电路图
SJ2687-86
标准的电路图是指当动接触件处于逆时所制成的电路图形。标准的电路图如图1所示HWIT
从开关的正面即旋钮安装端看去,2W4D
3.4接触件(触点)分先断后通接触件(非短路接触件或非短路触点)和先通后断接触件(短路接触件或短路触点),以分别用于实现非短路和短路这两种不同的电路转换形式。4尺寸
4.1:外形尺寸如图2和表3所示
脱彩祝购
到款1~4
轴端型式和尺寸见表4
4.3安装尺寸
SJ2687-86
单下面轴端
光滑轴端
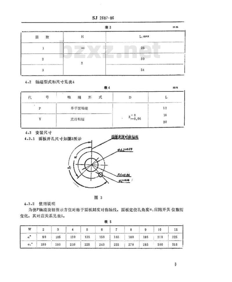
4.3.1面板开孔尺寸如图3所示
4.3.2使用说明
面板刻度对称轴线
B6±o.06.
为使P轴端旋钮指示方位对称于面板刻度对称轴线,面板定位孔角度α,应随开关位数而变化,其对应关系见表5。
5关于结构、尺寸的特殊要求
SJ2687-86
当由第3.2~3.4条规定的开关结构和开关的尺寸(涉及通用互换的尺寸除外)发生变化,而使本标准不能完全适用时,可由有关的技术文件作相应的规定后采用本标准。但这样的规定不适用于必须通用互换的场合。6标记示例
开关在技术文件中的表示方法应符合SJ737~83第2章的规定。示例如下:旋转片式开关KX06C-11W2D-2P12SJ2687--86上例表示KX06型旋转片式开关,散开式结构,气候条件等级代号为C,11位2刀,非短路式,层距为2mm,单平面轴端,出轴长度为12mm。7技术要求、试验方法、检验规则7.1技术要求和试验方法
开关的技术要求列于表7和表8,各项要求的试验方法应符合SJ737一83的规定。7.2检验规则
7.2.1开关应按SJ737--83第5章规定的检验规则进行检验。7.2.2
逐批检查的试验项目和顺序见表6。表6
技术要求和
試颐项目
殿計、结构、尺寸
外观、工艺质量、标志
换力矩
接触电阻
绝缘电阳
密村适用于面板密!)
检测求:
渗水检查
外观、工艺质量
S1737—83
条款号
試酸条件
测就电压100±15V
試验电压流150V
按GB2423.23-82试酸Qf
浸水水1m
相应E毫9.73KPa
时間2小时
0.02~0.1Nm
>1000M2
不漏水
SJ2687-86
7.2.3周期检查采用一次抽样方案。其试验项目和顺序见表7,但试验样品在分组以前按逐批检查项目试验时,不测转换力矩。表7bzxZ.net
组别序号
技术要求和
試验项目
轴换力矩
齿端强度
跳步机构定位
接线端强度
可焊性
耐焊接热
温度冲击
最后检測:
绝缘电阻
外观、工艺质盘
振动(正弦)
接触电阻变化
外观、工艺质量
SJ737--83
条献号
切向拉力2N
弯曲2次
350C烙铁法
B号烙铁
试验电压直流150V
高温+100℃
低温-55℃
测武电压100V
试验电压直流150V
频率:10500Hz
振幅:0.75mm,10g
每一轴线经5次扫频循环
0.02~0.1Nm
在考虑中
1000M2
增值≤10K品
非稳定时間≤10us
组别序号
接触电阻变化
外观、工艺质量
气候試验
高温时绝缘电阻
外观、工艺质蛋
交变湿热
第1次循环
低温接触电阻
低温时转换力矩
外观、工艺质景
低气压
交变湿热
(其余次循环)
最后检测
接触电阻
绝缘电研
外观、工艺质量
SJ2687-86
续表7
SJ737-83
条款号
試条件
加速度25g
每一轴向的总碰撞次数:
4000次
高温:+100℃
时間:16小时
高温+40℃
1次循环
低温,-55°℃
时間,2小时
气压:25KPa
时置,5分钟
武睑电压值流50V
测就电压100V
試验电压道流150V
玲值≤10K2
非稳定时間≤10us
>1000M2
0.02~0.12Nm
组别宇号
技术要求和
試验项
(适用于面板密封)
最后检测:
渗水检查
外观、工艺质鼠
快换力矩
正蜡强度
分布电容
高端并联电阻
恒定湿热
最后检测:
接触电阻
绝缘电阻
外观、工艺质量
SJ2687-86
SJ737-83
条款号
4。20
武条件
按GB2423.23-82中
的试验Qf,
浸水水位1m,
相应压差9.78KP8,
时間2小时。
+40°C时,相对温度932%
时間4天
测试电压100V
武电压直流150V
不漏水
0.02~0.1Nm
在考虑中
在虑考中
组别序号
技术婴求和
武验项目
韩换寿命
最后检測:
接触电阻
挚换力矩
外观、工艺质量
局部放电
标志、包装、运输、贮存
SJ2687-86
续表7
SJ737-83
条款号
試验条件
聘换次数:10000次
直流阻性负载:
电压50V,电流0.1A
武酸电压直流150V
开关应按SJ737一83第6章的规定进行标志、包装、运输、贮存。8
0.02~0.1Nm
在考虑中
小提示:此标准内容仅展示完整标准里的部分截取内容,若需要完整标准请到上方自行免费下载完整标准文档。
中华人民共和国电子工业部部标准中心安装的KX06型旋转片式开关(低电负荷)本标准是对最多为12位,最大直径为16毫来的中心安装的KX06型旋转片式开关(以下简称开关)的技术规定。本标准应与SJ737一83《旋转片式开关(低电负荷)总技术条件》最多12位、最大直径16毫米
开关的气候条件等级为55/100/04,其代号为C。表1
同时使用。
1气候条件等级
2.1开关的额定电负荷见表1
流的组合
2额定电负荷
电压和电
额定电流
值流、阴性急载
3.2开关的转换角度为30°,开关的刀、位数,最多12刀,最多12位。V
额定电压
3.1开关的结构,有散开式和面板密封两种。50
3.3标准的接触件(触点)排列及相应的电路图3.3.1标准的接触件(触点)排列方法由表2规定。号
3结构
刀位案列
表中,R表示动片接线端,S表示定片接线端。R
电子工业部1986-02-18发布
1986-10-01实施
3.3.2标准的电路图
SJ2687-86
标准的电路图是指当动接触件处于逆时所制成的电路图形。标准的电路图如图1所示HWIT
从开关的正面即旋钮安装端看去,2W4D
3.4接触件(触点)分先断后通接触件(非短路接触件或非短路触点)和先通后断接触件(短路接触件或短路触点),以分别用于实现非短路和短路这两种不同的电路转换形式。4尺寸
4.1:外形尺寸如图2和表3所示
脱彩祝购
到款1~4
轴端型式和尺寸见表4
4.3安装尺寸
SJ2687-86
单下面轴端
光滑轴端
4.3.1面板开孔尺寸如图3所示
4.3.2使用说明
面板刻度对称轴线
B6±o.06.
为使P轴端旋钮指示方位对称于面板刻度对称轴线,面板定位孔角度α,应随开关位数而变化,其对应关系见表5。
5关于结构、尺寸的特殊要求
SJ2687-86
当由第3.2~3.4条规定的开关结构和开关的尺寸(涉及通用互换的尺寸除外)发生变化,而使本标准不能完全适用时,可由有关的技术文件作相应的规定后采用本标准。但这样的规定不适用于必须通用互换的场合。6标记示例
开关在技术文件中的表示方法应符合SJ737~83第2章的规定。示例如下:旋转片式开关KX06C-11W2D-2P12SJ2687--86上例表示KX06型旋转片式开关,散开式结构,气候条件等级代号为C,11位2刀,非短路式,层距为2mm,单平面轴端,出轴长度为12mm。7技术要求、试验方法、检验规则7.1技术要求和试验方法
开关的技术要求列于表7和表8,各项要求的试验方法应符合SJ737一83的规定。7.2检验规则
7.2.1开关应按SJ737--83第5章规定的检验规则进行检验。7.2.2
逐批检查的试验项目和顺序见表6。表6
技术要求和
試颐项目
殿計、结构、尺寸
外观、工艺质量、标志
换力矩
接触电阻
绝缘电阳
密村适用于面板密!)
检测求:
渗水检查
外观、工艺质量
S1737—83
条款号
試酸条件
测就电压100±15V
試验电压流150V
按GB2423.23-82试酸Qf
浸水水1m
相应E毫9.73KPa
时間2小时
0.02~0.1Nm
>1000M2
不漏水
SJ2687-86
7.2.3周期检查采用一次抽样方案。其试验项目和顺序见表7,但试验样品在分组以前按逐批检查项目试验时,不测转换力矩。表7bzxZ.net
组别序号
技术要求和
試验项目
轴换力矩
齿端强度
跳步机构定位
接线端强度
可焊性
耐焊接热
温度冲击
最后检測:
绝缘电阻
外观、工艺质盘
振动(正弦)
接触电阻变化
外观、工艺质量
SJ737--83
条献号
切向拉力2N
弯曲2次
350C烙铁法
B号烙铁
试验电压直流150V
高温+100℃
低温-55℃
测武电压100V
试验电压直流150V
频率:10500Hz
振幅:0.75mm,10g
每一轴线经5次扫频循环
0.02~0.1Nm
在考虑中
1000M2
增值≤10K品
非稳定时間≤10us
组别序号
接触电阻变化
外观、工艺质量
气候試验
高温时绝缘电阻
外观、工艺质蛋
交变湿热
第1次循环
低温接触电阻
低温时转换力矩
外观、工艺质景
低气压
交变湿热
(其余次循环)
最后检测
接触电阻
绝缘电研
外观、工艺质量
SJ2687-86
续表7
SJ737-83
条款号
試条件
加速度25g
每一轴向的总碰撞次数:
4000次
高温:+100℃
时間:16小时
高温+40℃
1次循环
低温,-55°℃
时間,2小时
气压:25KPa
时置,5分钟
武睑电压值流50V
测就电压100V
試验电压道流150V
玲值≤10K2
非稳定时間≤10us
>1000M2
0.02~0.12Nm
组别宇号
技术要求和
試验项
(适用于面板密封)
最后检测:
渗水检查
外观、工艺质鼠
快换力矩
正蜡强度
分布电容
高端并联电阻
恒定湿热
最后检测:
接触电阻
绝缘电阻
外观、工艺质量
SJ2687-86
SJ737-83
条款号
4。20
武条件
按GB2423.23-82中
的试验Qf,
浸水水位1m,
相应压差9.78KP8,
时間2小时。
+40°C时,相对温度932%
时間4天
测试电压100V
武电压直流150V
不漏水
0.02~0.1Nm
在考虑中
在虑考中
组别序号
技术婴求和
武验项目
韩换寿命
最后检測:
接触电阻
挚换力矩
外观、工艺质量
局部放电
标志、包装、运输、贮存
SJ2687-86
续表7
SJ737-83
条款号
試验条件
聘换次数:10000次
直流阻性负载:
电压50V,电流0.1A
武酸电压直流150V
开关应按SJ737一83第6章的规定进行标志、包装、运输、贮存。8
0.02~0.1Nm
在考虑中
小提示:此标准内容仅展示完整标准里的部分截取内容,若需要完整标准请到上方自行免费下载完整标准文档。
标准图片预览:





- 热门标准
- 电子行业标准(SJ)
- SJ3166-1988 GZS12-4-3型彩色显像管插座
- SJ2857.2-1988 温差电致冷材料性能的测试方法 电导率的测试方法
- SJ2879-1988 彩色电视接收机用色纯静会聚磁体组合件总规范
- SJ/T31063-1994 TCM-B三氯乙烯清洗机完好要求和检查评定方法
- SJ/T11010-1996 电子器件详细规范 半导体电视集成电路CD1124ACP伴音中频放大电路
- SJ/T11088-1996 电子器件详细规范 半导体集成电路CD7680CP图象伴音中频放大电路
- SJ20599-1996 推拉钨丝规范
- SJ/T9546-1993 无金属化孔单、双面印制板的质量分等标准
- SJ/T10038-1991 电子器件详细规范 半导体集成电路CC4008型CMOS4位二进制超前进位全加器
- SJ/T11332-2006 数字电视接收设备接口规范 第6部分:RGB模拟基色视频信号接口
- SJ/T31168-1994 发射管电性能测试电源完好要求和检查评定方法
- SJ/T31441-1994 离心式制冷机组完好要求和检查评定方法
- SJ/T31449-1994 供油管道完好要求和检查评定方法
- SJ/T10401-1993 半导体集成音响电路马达稳速电路测试方法的基本原理
- SJ/T10669-1995 表面组装器件可焊性试验
- 行业新闻
请牢记:“bzxz.net”即是“标准下载”四个汉字汉语拼音首字母与国际顶级域名“.net”的组合。 ©2025 标准下载网 www.bzxz.net 本站邮件:bzxznet@163.com
网站备案号:湘ICP备2025141790号-2
网站备案号:湘ICP备2025141790号-2