【电子行业标准(SJ)】 中心安装、双孔定位的KX13型旋转片式开关(低电负荷) 最多12位、最大直径42毫米
本网站 发布时间:
2024-07-13 17:05:17
- SJ2691-1986
- 现行
- 点击下载此标准
标准号:
SJ 2691-1986
标准名称:
中心安装、双孔定位的KX13型旋转片式开关(低电负荷) 最多12位、最大直径42毫米
标准类别:
电子行业标准(SJ)
标准状态:
现行-
发布日期:
1986-02-18 -
实施日期:
1986-10-01 出版语种:
简体中文下载格式:
.rar.pdf下载大小:
516.56 KB
点击下载
标准简介:
标准下载解压密码:www.bzxz.net
本标准是对最多为12位,最大直径为42毫米的中心安装的KX13型旋转片式开关(以下简称开关)的技术规定。本标准应与SJ737-1983《旋转片式开关(低电负荷)总技术条件》同时使用。 SJ 2691-1986 中心安装、双孔定位的KX13型旋转片式开关(低电负荷) 最多12位、最大直径42毫米 SJ2691-1986
部分标准内容:
中华人民共和国电子工业部部标准SJ2691-89
中心安装、双孔定位的KX13型旋转片式开关(低电负荷)最多12位、最大直径42毫米
本标准是对最多为12位,最大直径为42毫米的中心安装、双孔定位的KX13型旋转片式开关(以下简称开关)的技术规定。本标准应与SJ737-83《旋转片式开关(低电负荷)总技术条件》同时使用。
在电子设备中,开关作换接直流或交流电路用。气候条件等级
气候条件等级见表1。
2额定电负荷
气候条件
55/100/04
55/85/04*
开关的额定电负荷见表2。
额定电压
350((峰值)
电子工业部1986-02-18发布
的组合
额定电流
04*表示恒定湿热条件:試4天加2小时附加烘干时間。
直流、阻性负载
交流、感性负载
功率因数:0.7~0.8
率:40~60Hz
1986-10-01实施
SJ2961-86
电流接通后,不作换接电路用时,开关的额定电流可增垒2A。3结构
3.1开关的转换角度为30。开关的刀、数最多9力,意多12偿。3.2标准的接触件(触点)排列及相应的电路图。3.2.1标准的接触件(触点)排列方法由表3规定。表3
刀位采列
表中,R表示动片接线端,S表示定片接线端。3.2.2标准的电路图
标准的电路图是指当动接触条件处于顺时针终端位置时,从开关的正面即旋钮安装端看去,所制成的电路图形。
标准的电路图如图1所示。
SJ2691+86
3.3接触件(触点)分先断后通接触件(非短路接触件或非短路触点)和先通后断接触件(短路接触件或短路触点),以分别用于实现非短路和短路这两种不同的电路转换形式。
4尺寸
4.1外形尺寸如图2和表4所示。
面被(~4步枕构支粮M25
L,max(1层)
注:1。表中尺寸8,气候等级代号为C的开关,一般为3.5mm,候等级代号为Z的开类,一般的1.2mm。2,表中尺寸L,max不适用于空心轴端开关。鉴心轴熔开关的尺寸L,maz,本标难不作具体规定。4.2轴端型式和尺寸见表5。
单平面端
光滑轴端
密心懒端
注,表中尺寸d,表示空心轴内径。4.3安装尺寸
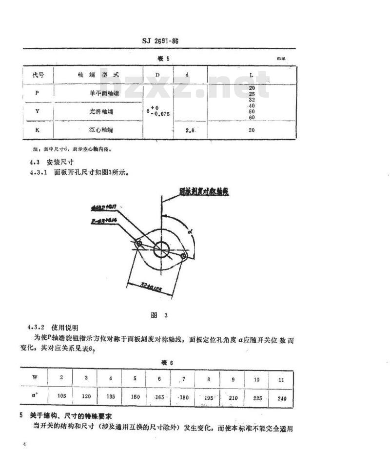
4.3.1面板开孔尺寸如图3所示。2此内容来自标准下载网
4.3.2使用说明
SJ2691-86
面版刻集对教独购
为使P轴端旋钮指示方位对称于面板刻度对称轴线,面板定位孔角度a应随开关位数而变化,其对应关系见表6。
关于结构、尺寸的特殊要求
当开关的结构和尺寸(涉及通用互换的尺寸除外)发生变化,而使本标准不能完全适用SJ2691-86
时,可由有关的技术文件作相应的规定后采用本标准。但这样的规定不适用于必须通用互换的场合。
6标记示例
开关在技术文件中的表示方法应符合SJ737一83第2章的规定。示例如下:旋转片式开关KX13C-11W2D-6P20SJ2691-86上例表示KX13型旋转片式开关,散开式结构,气候条件等级代号为C,11位2刀,非短路式,层距为6mm,单平面轴端,出轴长度为20mm。7技求要求、试验方法、检验规则7.1技术要求和试验方法
开关的技术要求列于表7和表8,各项要求的试验方法应符合SJ737~83的规定(表中“要求”栏中代号C、Z为气候等级代号)7.2检验规则
7.2.1开关应按SJ737-83第5章规定的检验规则进行检验。逐批检查的试验项目和顺序见表7。7.2.2
技术要求和
武验项目
设計、结构、尺寸
外观、工艺质量、标志
换力矩
4接触电阻
绝缘电阻
6耐压
SI737-83
条款号
武条件
测试电压500±50V
武验电压1050V(峰值)
0.150.45Nm
≥1000M
7.2.3周期检查采用一次抽样方案。其试验项目和顺序见表8,但试验样品在分组以前按逐批检查项目试验时,不测转换力矩。5
组别序号
技术要求和
試酸项目
樽换力短
正蹦强度
跳步机构定位
接线端强度
可焊性
耐爆按热
温度冲击
最后检测,
绝缘电阻
外观、工艺质量
振动(正弦)
接触电阳变化
外观、7艺质景
SJ737-83
条款号
允许按SJ737-83的规定果用焊损法,to
SJ2691-86
酸条件
感矩1.7Nm
在考虑中
切向拉力5N
弯曲2次
350℃烙轶法
B号烙
赋验电压1050V(峰值)
高温:+100℃
低湿:-55℃
测試电压500V
融电压1050(峰值)
潮,10~500Hz
振幅,0.35mm,5g
每轴线经5次扫频舒环
0.15~0.45Nm
不适用
1000M2
增值10K2
不适用
非稳定时周≤10us
组别序号
技术要求和
武殿项目
接触电阻变化
外观、工艺质垫
气候试酸
高温时绝缘电阻
外要。工艺质量
交变湿热
(第一次循环)
低温时接触电阻
低温时蟑换力矩
外观、工艺质量
低气压
交少热
(其余次循环)
SJ737-83
条款号
SJ2691-86
续囊8
驗条件
加速度:25g
每一轴向的总碰撞灰效,
4000次
高温:+100℃
:时間,16小时
高温+40℃
1次循环
低温:-55c
时间,2小府
低气压:25KPa
时間:5分时
武验电压310V(峰值)
增值≤10K
非稳定时周≤10uS
不适用
1000M2
0.15~0.6Nm
不适用
不适用
不适用
组别序号
技术要求和
試酸项目
最后检测
接触电阻
绝缘电阻
外观。工艺质量
转换力矩
止端强度
分布电压
高频并联电阻
植定湿热
最后检測
接触电阻
绝缘电阻
外观、工艺质
韩换寿命
SJ737-83
条款号
SJ2691-86
续表8
殿条件
测鼓电压500V
武验电1050V(峰值)
+40C时,相对湿度93±3%
时周:4天
4天加2小时附
加烘干时(+85℃)
测武电压500V
試电压1050V(峰值)
搏换次数:10000次
直流阻性负载:
电30V,电流0.5A
交流感性负载:
频率40~60Hz
功率因数0.7~0.8
电压250V(有效值)
0.15~0.45Nm
在考虑中
在考虑中
不适用
不适用
≥200M2
组别序号
技术要求和
武酸项目
最后检测,
接触电阻
换力矩
外观、工艺质照
局部放电
SJ737-83
条款号
标志、包装、运输、购存
SJ2691-86
续表8
試条件
电流0.05A
武验电压1050V(峰值)
开关应按SJ737-83第6章的规定进行标志、包装、运输、贮存。c
0.15~0.45Nm
在考愿中
小提示:此标准内容仅展示完整标准里的部分截取内容,若需要完整标准请到上方自行免费下载完整标准文档。
中心安装、双孔定位的KX13型旋转片式开关(低电负荷)最多12位、最大直径42毫米
本标准是对最多为12位,最大直径为42毫米的中心安装、双孔定位的KX13型旋转片式开关(以下简称开关)的技术规定。本标准应与SJ737-83《旋转片式开关(低电负荷)总技术条件》同时使用。
在电子设备中,开关作换接直流或交流电路用。气候条件等级
气候条件等级见表1。
2额定电负荷
气候条件
55/100/04
55/85/04*
开关的额定电负荷见表2。
额定电压
350((峰值)
电子工业部1986-02-18发布
的组合
额定电流
04*表示恒定湿热条件:試4天加2小时附加烘干时間。
直流、阻性负载
交流、感性负载
功率因数:0.7~0.8
率:40~60Hz
1986-10-01实施
SJ2961-86
电流接通后,不作换接电路用时,开关的额定电流可增垒2A。3结构
3.1开关的转换角度为30。开关的刀、数最多9力,意多12偿。3.2标准的接触件(触点)排列及相应的电路图。3.2.1标准的接触件(触点)排列方法由表3规定。表3
刀位采列
表中,R表示动片接线端,S表示定片接线端。3.2.2标准的电路图
标准的电路图是指当动接触条件处于顺时针终端位置时,从开关的正面即旋钮安装端看去,所制成的电路图形。
标准的电路图如图1所示。
SJ2691+86
3.3接触件(触点)分先断后通接触件(非短路接触件或非短路触点)和先通后断接触件(短路接触件或短路触点),以分别用于实现非短路和短路这两种不同的电路转换形式。
4尺寸
4.1外形尺寸如图2和表4所示。
面被(~4步枕构支粮M25
L,max(1层)
注:1。表中尺寸8,气候等级代号为C的开关,一般为3.5mm,候等级代号为Z的开类,一般的1.2mm。2,表中尺寸L,max不适用于空心轴端开关。鉴心轴熔开关的尺寸L,maz,本标难不作具体规定。4.2轴端型式和尺寸见表5。
单平面端
光滑轴端
密心懒端
注,表中尺寸d,表示空心轴内径。4.3安装尺寸
4.3.1面板开孔尺寸如图3所示。2此内容来自标准下载网
4.3.2使用说明
SJ2691-86
面版刻集对教独购
为使P轴端旋钮指示方位对称于面板刻度对称轴线,面板定位孔角度a应随开关位数而变化,其对应关系见表6。
关于结构、尺寸的特殊要求
当开关的结构和尺寸(涉及通用互换的尺寸除外)发生变化,而使本标准不能完全适用SJ2691-86
时,可由有关的技术文件作相应的规定后采用本标准。但这样的规定不适用于必须通用互换的场合。
6标记示例
开关在技术文件中的表示方法应符合SJ737一83第2章的规定。示例如下:旋转片式开关KX13C-11W2D-6P20SJ2691-86上例表示KX13型旋转片式开关,散开式结构,气候条件等级代号为C,11位2刀,非短路式,层距为6mm,单平面轴端,出轴长度为20mm。7技求要求、试验方法、检验规则7.1技术要求和试验方法
开关的技术要求列于表7和表8,各项要求的试验方法应符合SJ737~83的规定(表中“要求”栏中代号C、Z为气候等级代号)7.2检验规则
7.2.1开关应按SJ737-83第5章规定的检验规则进行检验。逐批检查的试验项目和顺序见表7。7.2.2
技术要求和
武验项目
设計、结构、尺寸
外观、工艺质量、标志
换力矩
4接触电阻
绝缘电阻
6耐压
SI737-83
条款号
武条件
测试电压500±50V
武验电压1050V(峰值)
0.150.45Nm
≥1000M
7.2.3周期检查采用一次抽样方案。其试验项目和顺序见表8,但试验样品在分组以前按逐批检查项目试验时,不测转换力矩。5
组别序号
技术要求和
試酸项目
樽换力短
正蹦强度
跳步机构定位
接线端强度
可焊性
耐爆按热
温度冲击
最后检测,
绝缘电阻
外观、工艺质量
振动(正弦)
接触电阳变化
外观、7艺质景
SJ737-83
条款号
允许按SJ737-83的规定果用焊损法,to
SJ2691-86
酸条件
感矩1.7Nm
在考虑中
切向拉力5N
弯曲2次
350℃烙轶法
B号烙
赋验电压1050V(峰值)
高温:+100℃
低湿:-55℃
测試电压500V
融电压1050(峰值)
潮,10~500Hz
振幅,0.35mm,5g
每轴线经5次扫频舒环
0.15~0.45Nm
不适用
1000M2
增值10K2
不适用
非稳定时周≤10us
组别序号
技术要求和
武殿项目
接触电阻变化
外观、工艺质垫
气候试酸
高温时绝缘电阻
外要。工艺质量
交变湿热
(第一次循环)
低温时接触电阻
低温时蟑换力矩
外观、工艺质量
低气压
交少热
(其余次循环)
SJ737-83
条款号
SJ2691-86
续囊8
驗条件
加速度:25g
每一轴向的总碰撞灰效,
4000次
高温:+100℃
:时間,16小时
高温+40℃
1次循环
低温:-55c
时间,2小府
低气压:25KPa
时間:5分时
武验电压310V(峰值)
增值≤10K
非稳定时周≤10uS
不适用
1000M2
0.15~0.6Nm
不适用
不适用
不适用
组别序号
技术要求和
試酸项目
最后检测
接触电阻
绝缘电阻
外观。工艺质量
转换力矩
止端强度
分布电压
高频并联电阻
植定湿热
最后检測
接触电阻
绝缘电阻
外观、工艺质
韩换寿命
SJ737-83
条款号
SJ2691-86
续表8
殿条件
测鼓电压500V
武验电1050V(峰值)
+40C时,相对湿度93±3%
时周:4天
4天加2小时附
加烘干时(+85℃)
测武电压500V
試电压1050V(峰值)
搏换次数:10000次
直流阻性负载:
电30V,电流0.5A
交流感性负载:
频率40~60Hz
功率因数0.7~0.8
电压250V(有效值)
0.15~0.45Nm
在考虑中
在考虑中
不适用
不适用
≥200M2
组别序号
技术要求和
武酸项目
最后检测,
接触电阻
换力矩
外观、工艺质照
局部放电
SJ737-83
条款号
标志、包装、运输、购存
SJ2691-86
续表8
試条件
电流0.05A
武验电压1050V(峰值)
开关应按SJ737-83第6章的规定进行标志、包装、运输、贮存。c
0.15~0.45Nm
在考愿中
小提示:此标准内容仅展示完整标准里的部分截取内容,若需要完整标准请到上方自行免费下载完整标准文档。
标准图片预览:





- 热门标准
- 电子行业标准(SJ)
- SJ3166-1988 GZS12-4-3型彩色显像管插座
- SJ2857.2-1988 温差电致冷材料性能的测试方法 电导率的测试方法
- SJ2879-1988 彩色电视接收机用色纯静会聚磁体组合件总规范
- SJ/T11010-1996 电子器件详细规范 半导体电视集成电路CD1124ACP伴音中频放大电路
- SJ/T11088-1996 电子器件详细规范 半导体集成电路CD7680CP图象伴音中频放大电路
- SJ/T9546-1993 无金属化孔单、双面印制板的质量分等标准
- SJ/T11332-2006 数字电视接收设备接口规范 第6部分:RGB模拟基色视频信号接口
- SJ/T31063-1994 TCM-B三氯乙烯清洗机完好要求和检查评定方法
- SJ/T31168-1994 发射管电性能测试电源完好要求和检查评定方法
- SJ/T31441-1994 离心式制冷机组完好要求和检查评定方法
- SJ/T31449-1994 供油管道完好要求和检查评定方法
- SJ/T10401-1993 半导体集成音响电路马达稳速电路测试方法的基本原理
- SJ/T10669-1995 表面组装器件可焊性试验
- SJ/T11157-1998 电视广播接收机测量方法 第2部分:伴音通道的电性能测量,一般测量方法和单声道测量方法
- SJ/Z3206.5-1989 光谱化学分析用感光板和胶片的照相处理方法
- 行业新闻
请牢记:“bzxz.net”即是“标准下载”四个汉字汉语拼音首字母与国际顶级域名“.net”的组合。 ©2025 标准下载网 www.bzxz.net 本站邮件:bzxznet@163.com
网站备案号:湘ICP备2025141790号-2
网站备案号:湘ICP备2025141790号-2