- 您的位置:
- 标准下载网 >>
- 标准分类 >>
- 电子行业标准(SJ) >>
- SJ 2692-1986 中心安装的KX14型旋转片式开关(低电负荷) 最多12位、最大直径30毫米
【电子行业标准(SJ)】 中心安装的KX14型旋转片式开关(低电负荷) 最多12位、最大直径30毫米
本网站 发布时间:
2024-07-13 17:04:21
- SJ2692-1986
- 现行
- 点击下载此标准
标准号:
SJ 2692-1986
标准名称:
中心安装的KX14型旋转片式开关(低电负荷) 最多12位、最大直径30毫米
标准类别:
电子行业标准(SJ)
标准状态:
现行-
发布日期:
1986-02-18 -
实施日期:
1986-10-01 出版语种:
简体中文下载格式:
.rar.pdf下载大小:
431.45 KB
点击下载
标准简介:
标准下载解压密码:www.bzxz.net
本标准是对最多为12位,最大直径为30毫米的中心安装的KX14型旋转片式开关(以下简称开关)的技术规定。本标准应与SJ737-1983《旋转片式开关(低电负荷)总技术条件》同时使用。 SJ 2692-1986 中心安装的KX14型旋转片式开关(低电负荷) 最多12位、最大直径30毫米 SJ2692-1986
部分标准内容:
中华入民共和国电子工业部部标准中心安装的KX14型旋转片式开关(低电负荷)最多12位、最大直径30毫米
SJ2692-86
本标准是对最多为12位、最大直径为30毫米的中心安装的KX14型旋转片式开关.(以下简称开关)的技术规定。本标准应与SJ737—83《旋转片式开关(低电负荷)总技术条件》同时使用。
在电子设备中,开关作换接直流或交流电路用。1气候条件等级
开关的气候条件等级为55/85/04,其代号为Z2额定电负荷
2.1开关的额定电负荷见表1。
电压和电流的组合
额定电压V
175(峰值)
3结构
额定电流A
值流,阻性负载
交流,感性鲁载
功率因数,0.7~0.8
频率,40~60Hz
3.1开关的转换角度为30°开关的刀、位规格,最多8刀,最多12位。3.2标准的接触件(触点)排列及相应的电路图。3.2.1标准的接触件(触点)排列方法由表2规定。3.2.2标准的电路图
标准的电路图是指当动接触件处于逆时针终端位置时,从开关的正面即旋钮安装端看去,所制成的电路图形。
标准的电路图如图1所示。
电子工业部1986-02-18发布
1989-10-01实施
SJ 2692-86
刀位系列
表中,R表示动片接线端,S表示定片接线端。s
3.3接触件(触点)分先断后通接触件(非短路接触件或非短路触点)和先通后断接触件(短路接触件或短路触点),以分别用于实际非短路和短路这两种不同的电路转换形2W4D
4.1外形尺寸如图2和表3所示。
4尺寸
4.2壹轴端型式和尺见表4。
SJ2692-86
邀变机构
图·2
轴端形式
单平面轴端
光滑轴端
表3:安装尺寸
截3,面被开充应寻雄3所示。
4.3,2使用说明
352988
为使P轴端旋钮指示方位对称与面板刻度对称轴线,面板定位孔角度α应随开关位数而变化,其对应关系见表5
关于结构尺寸的特殊要求
SJ2692-86
LR940075
面报刻度对称轴线
中0.2+0.11
当开关的结构和尺寸(涉及通用互换的尺寸除外)发生变化,而使本标准不能完全适用时,可由有关的技术文件作相应的规定后采用本标准。但这样的规定不适用于必须通用互换的场合。
标记示例
开关在技术文件中的表示方法应符合SJ737一83第2章的规定。示例如下,旋转片式开关KX14Z-11W2D-4.5p20SJ2962—86上例表示KX04型开关,散开式结构,气候条件等级代号为Z,11位2刀,非短路式,层距4.5mm,单平面轴端,出轴长度为20mm。技术要求、试验方法、检验规则7
7.1技术要求和试验方法
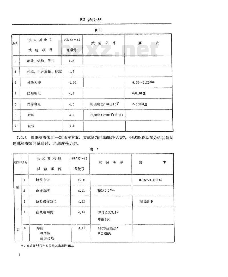
开关的技术要求列于表6和表7,各项要求的试验方法应符合SJ737一83的规定。7.2检验规则
7.2.1开关应按SJ737--83第5章规定的检验规则进行检验。7.2.2逐批检查的试验项目和顺序见表6。4
技术要求
試项目
设计、结构、尺寸
外观、工艺质量、标志
螺换力矩
按触电阻
绝缘电阻
SJ2692-86
SJ737-83
条款号
就验条件
测武电压100±15V
验电店700V(值)
0.05~0.25Nm
≥500Ma
周期检查采用一次抽样方案。其试验项目和顺序见表7,但试验样品在分组以前按逐批检查项目试验时,不测转换力矩。表7
组别号
技术要求和
博换力矩
正端强度
步机构定位
接线端强度
可焊性
耐焊接热
SJ737-83
条款号
*,充许按SJ737-83的规定采用焊槽法。5
武酸条件
棘短0.7Nm
切向拉力3.5N
弯曲2次
350℃烙铁法*
B号烙铁
0.05~0.25Nm
在考虑中
组别序号
技术要求和
温度冲击
最后检测:
绝缘电阻
外观、工艺质量
振动正弦)
接触电阻变化
外观、工艺质量
接电阻变化
外观、工艺质量
气候赋
高温绝缘电阻
外观、工艺质盘
SJ2692-86
续表7
SJ737-83
条款号
武酸条件
試验电压700V(峰值)
高温+85℃
低温-55℃
測戴电压100V
武验电压700V(峰值)
频率:10~500Hz
振幅:0.35mm,5g
每·线经5次扫畅循环
加速度25g
每一性向的总碰撞次数
4000次
高温+85℃
时間,16小时
涮电压100V
≥500M2
增值≤10K2
非稳定时間≤10us
增值≤10K9
非稳定时間≤10us
≥250M2
组别序号
技术要求和
赋项目
低温接触电阻
低温时搏换力矩
外观,工艺质量
低气压
转换力炬
止端强度
分布电容
高频并联电阻
征定热
最后检测,
接触电阻
绝缘电阻
外观、工艺质湿
樽换寿命
SJ2692-86
续表7
SJ737-83
条款号
赋酸条件
低温:-55c
时間,2小时
气压25KPa
时5分钟
武验电压230V(峰值)
+40C时,相对源度93+2%
时間4天
测武电旺100V
試验电压700V(峰值)
换灰数:10000次
直流阻性负载:
电压50V,电流0.3A
交流感性负载:
频率40~60Hz
0.05~0.32Nm
0.05~0.25N.m
在考虑中
在考虑中
组别序号
技术要求和
武癫项
最后检测
接触电阻
博换力矩
外观、工艺质盘
局部放电
标志、包装、运输、购存
SJ2692-86
续表7
SJ737-83免费标准下载网bzxz
条款号
試验条件
功率因数0.70.8
电压125V(有效值)
电流0.05A。
赋验电压700V(蜂值)
开关应按SJ737-83第6章的规定进行标志、包装、运输、贮存。要
0.050,25N.m
在考虑中
小提示:此标准内容仅展示完整标准里的部分截取内容,若需要完整标准请到上方自行免费下载完整标准文档。
SJ2692-86
本标准是对最多为12位、最大直径为30毫米的中心安装的KX14型旋转片式开关.(以下简称开关)的技术规定。本标准应与SJ737—83《旋转片式开关(低电负荷)总技术条件》同时使用。
在电子设备中,开关作换接直流或交流电路用。1气候条件等级
开关的气候条件等级为55/85/04,其代号为Z2额定电负荷
2.1开关的额定电负荷见表1。
电压和电流的组合
额定电压V
175(峰值)
3结构
额定电流A
值流,阻性负载
交流,感性鲁载
功率因数,0.7~0.8
频率,40~60Hz
3.1开关的转换角度为30°开关的刀、位规格,最多8刀,最多12位。3.2标准的接触件(触点)排列及相应的电路图。3.2.1标准的接触件(触点)排列方法由表2规定。3.2.2标准的电路图
标准的电路图是指当动接触件处于逆时针终端位置时,从开关的正面即旋钮安装端看去,所制成的电路图形。
标准的电路图如图1所示。
电子工业部1986-02-18发布
1989-10-01实施
SJ 2692-86
刀位系列
表中,R表示动片接线端,S表示定片接线端。s
3.3接触件(触点)分先断后通接触件(非短路接触件或非短路触点)和先通后断接触件(短路接触件或短路触点),以分别用于实际非短路和短路这两种不同的电路转换形2W4D
4.1外形尺寸如图2和表3所示。
4尺寸
4.2壹轴端型式和尺见表4。
SJ2692-86
邀变机构
图·2
轴端形式
单平面轴端
光滑轴端
表3:安装尺寸
截3,面被开充应寻雄3所示。
4.3,2使用说明
352988
为使P轴端旋钮指示方位对称与面板刻度对称轴线,面板定位孔角度α应随开关位数而变化,其对应关系见表5
关于结构尺寸的特殊要求
SJ2692-86
LR940075
面报刻度对称轴线
中0.2+0.11
当开关的结构和尺寸(涉及通用互换的尺寸除外)发生变化,而使本标准不能完全适用时,可由有关的技术文件作相应的规定后采用本标准。但这样的规定不适用于必须通用互换的场合。
标记示例
开关在技术文件中的表示方法应符合SJ737一83第2章的规定。示例如下,旋转片式开关KX14Z-11W2D-4.5p20SJ2962—86上例表示KX04型开关,散开式结构,气候条件等级代号为Z,11位2刀,非短路式,层距4.5mm,单平面轴端,出轴长度为20mm。技术要求、试验方法、检验规则7
7.1技术要求和试验方法
开关的技术要求列于表6和表7,各项要求的试验方法应符合SJ737一83的规定。7.2检验规则
7.2.1开关应按SJ737--83第5章规定的检验规则进行检验。7.2.2逐批检查的试验项目和顺序见表6。4
技术要求
試项目
设计、结构、尺寸
外观、工艺质量、标志
螺换力矩
按触电阻
绝缘电阻
SJ2692-86
SJ737-83
条款号
就验条件
测武电压100±15V
验电店700V(值)
0.05~0.25Nm
≥500Ma
周期检查采用一次抽样方案。其试验项目和顺序见表7,但试验样品在分组以前按逐批检查项目试验时,不测转换力矩。表7
组别号
技术要求和
博换力矩
正端强度
步机构定位
接线端强度
可焊性
耐焊接热
SJ737-83
条款号
*,充许按SJ737-83的规定采用焊槽法。5
武酸条件
棘短0.7Nm
切向拉力3.5N
弯曲2次
350℃烙铁法*
B号烙铁
0.05~0.25Nm
在考虑中
组别序号
技术要求和
温度冲击
最后检测:
绝缘电阻
外观、工艺质量
振动正弦)
接触电阻变化
外观、工艺质量
接电阻变化
外观、工艺质量
气候赋
高温绝缘电阻
外观、工艺质盘
SJ2692-86
续表7
SJ737-83
条款号
武酸条件
試验电压700V(峰值)
高温+85℃
低温-55℃
測戴电压100V
武验电压700V(峰值)
频率:10~500Hz
振幅:0.35mm,5g
每·线经5次扫畅循环
加速度25g
每一性向的总碰撞次数
4000次
高温+85℃
时間,16小时
涮电压100V
≥500M2
增值≤10K2
非稳定时間≤10us
增值≤10K9
非稳定时間≤10us
≥250M2
组别序号
技术要求和
赋项目
低温接触电阻
低温时搏换力矩
外观,工艺质量
低气压
转换力炬
止端强度
分布电容
高频并联电阻
征定热
最后检测,
接触电阻
绝缘电阻
外观、工艺质湿
樽换寿命
SJ2692-86
续表7
SJ737-83
条款号
赋酸条件
低温:-55c
时間,2小时
气压25KPa
时5分钟
武验电压230V(峰值)
+40C时,相对源度93+2%
时間4天
测武电旺100V
試验电压700V(峰值)
换灰数:10000次
直流阻性负载:
电压50V,电流0.3A
交流感性负载:
频率40~60Hz
0.05~0.32Nm
0.05~0.25N.m
在考虑中
在考虑中
组别序号
技术要求和
武癫项
最后检测
接触电阻
博换力矩
外观、工艺质盘
局部放电
标志、包装、运输、购存
SJ2692-86
续表7
SJ737-83免费标准下载网bzxz
条款号
試验条件
功率因数0.70.8
电压125V(有效值)
电流0.05A。
赋验电压700V(蜂值)
开关应按SJ737-83第6章的规定进行标志、包装、运输、贮存。要
0.050,25N.m
在考虑中
小提示:此标准内容仅展示完整标准里的部分截取内容,若需要完整标准请到上方自行免费下载完整标准文档。
标准图片预览:





- 热门标准
- 电子行业标准(SJ)
- SJ3166-1988 GZS12-4-3型彩色显像管插座
- SJ2857.2-1988 温差电致冷材料性能的测试方法 电导率的测试方法
- SJ2879-1988 彩色电视接收机用色纯静会聚磁体组合件总规范
- SJ/T11010-1996 电子器件详细规范 半导体电视集成电路CD1124ACP伴音中频放大电路
- SJ/T11088-1996 电子器件详细规范 半导体集成电路CD7680CP图象伴音中频放大电路
- SJ/T9546-1993 无金属化孔单、双面印制板的质量分等标准
- SJ/T11332-2006 数字电视接收设备接口规范 第6部分:RGB模拟基色视频信号接口
- SJ/T31063-1994 TCM-B三氯乙烯清洗机完好要求和检查评定方法
- SJ/T31168-1994 发射管电性能测试电源完好要求和检查评定方法
- SJ/T31441-1994 离心式制冷机组完好要求和检查评定方法
- SJ/T31449-1994 供油管道完好要求和检查评定方法
- SJ/T10401-1993 半导体集成音响电路马达稳速电路测试方法的基本原理
- SJ/T10669-1995 表面组装器件可焊性试验
- SJ/T11157-1998 电视广播接收机测量方法 第2部分:伴音通道的电性能测量,一般测量方法和单声道测量方法
- SJ/Z3206.5-1989 光谱化学分析用感光板和胶片的照相处理方法
- 行业新闻
请牢记:“bzxz.net”即是“标准下载”四个汉字汉语拼音首字母与国际顶级域名“.net”的组合。 ©2025 标准下载网 www.bzxz.net 本站邮件:bzxznet@163.com
网站备案号:湘ICP备2025141790号-2
网站备案号:湘ICP备2025141790号-2