- 您的位置:
- 标准下载网 >>
- 标准分类 >>
- 电子行业标准(SJ) >>
- SJ 2684-1986 半导体发光(可见光)器件外形尺寸
标准号:
SJ 2684-1986
标准名称:
半导体发光(可见光)器件外形尺寸
标准类别:
电子行业标准(SJ)
标准状态:
现行-
发布日期:
1986-02-18 -
实施日期:
1986-10-01 出版语种:
简体中文下载格式:
.rar.pdf下载大小:
1.23 MB
点击下载
标准简介:
标准下载解压密码:www.bzxz.net
本标准适用于半导体发光顺件中的发光二极管、双色管、平面显示管、数码管等外形及主要尺寸。 SJ 2684-1986 半导体发光(可见光)器件外形尺寸 SJ2684-1986
部分标准内容:
中华人民共和国电子工业部部标准SJ2684-86
半导体发光(可见光)器件
外形尺寸
Physical Demensions For Light Emitting DeviceOf Semiconductor
1986-02-18发布
1986-10-01实施
中华人民共和国电子工业部批准1适用范围
中华人民共和国电子工业部标准半导体发光(可见光)器件外形尺寸PhYsicai DemensionsForLight EmittingDevice of semiconductor
SJ2684-86
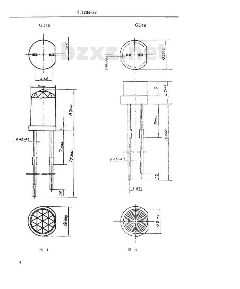
本标准适用于半导体发光器件中的发光二极管、双色管、平面显示器、数码管等外形及主要尺寸。
2尺寸公差的规定
2.1本标准所规定的尺寸除注有公差尺寸或极限尺寸者外,均为公称尺寸2.2以公称尺寸标注的塑料封装外形,其尺寸公差按SJ1372-78《塑料制件尺寸公差》中的8级精度计算。
2.3以公称尺寸标注的金属制件部分,其尺寸公差按GB1804-79《公差与配合未注公差尺寸的极限偏差》中规定的JS14级计算。3关于电极位置的规定
3.1GD63型-GD73型用以下儿种方式标记:31.1用外引出线粗细作为极性标记,其粗引出线包括根部加粗段的较粗引出线为负极。
3.1.2用外引出线长短及色点作为极性标记,其短引出线或带色点的为负极。3,1.3用切角作为极性标记,其靠近切角面的引出道为负极。3.2GD74型的极性为:中间引出线为公共极,二边的引出线,以发光波长而定,长波长为长引出线,短波长为短引出线。3.2GD74型的极性为:中间引出线为负极。3.3GD75-GD90型的极性以图中所示。其引出线与笔划的对应关系比由图中所示。4采用软引出线的外形,若使用方同意,其引出线的长度允许适当增长与缩短。5各外形图中的尺寸均为毫米(mm)。电子工业部1986-02-18发布
1986-10-01实施www.bzxz.net
SJ2684-86
SJ2684-86
SJ2684-86
645~a7
045-07
5在02
SJ2684-86
SJ2684-86
SJ2684-86
10.45~0.7
SJ2684-86
SJ2684-86
负报剂记
1-9o-1
7-62xn
SJ2684-86
SJ2684-86
254254
小提示:此标准内容仅展示完整标准里的部分截取内容,若需要完整标准请到上方自行免费下载完整标准文档。
半导体发光(可见光)器件
外形尺寸
Physical Demensions For Light Emitting DeviceOf Semiconductor
1986-02-18发布
1986-10-01实施
中华人民共和国电子工业部批准1适用范围
中华人民共和国电子工业部标准半导体发光(可见光)器件外形尺寸PhYsicai DemensionsForLight EmittingDevice of semiconductor
SJ2684-86
本标准适用于半导体发光器件中的发光二极管、双色管、平面显示器、数码管等外形及主要尺寸。
2尺寸公差的规定
2.1本标准所规定的尺寸除注有公差尺寸或极限尺寸者外,均为公称尺寸2.2以公称尺寸标注的塑料封装外形,其尺寸公差按SJ1372-78《塑料制件尺寸公差》中的8级精度计算。
2.3以公称尺寸标注的金属制件部分,其尺寸公差按GB1804-79《公差与配合未注公差尺寸的极限偏差》中规定的JS14级计算。3关于电极位置的规定
3.1GD63型-GD73型用以下儿种方式标记:31.1用外引出线粗细作为极性标记,其粗引出线包括根部加粗段的较粗引出线为负极。
3.1.2用外引出线长短及色点作为极性标记,其短引出线或带色点的为负极。3,1.3用切角作为极性标记,其靠近切角面的引出道为负极。3.2GD74型的极性为:中间引出线为公共极,二边的引出线,以发光波长而定,长波长为长引出线,短波长为短引出线。3.2GD74型的极性为:中间引出线为负极。3.3GD75-GD90型的极性以图中所示。其引出线与笔划的对应关系比由图中所示。4采用软引出线的外形,若使用方同意,其引出线的长度允许适当增长与缩短。5各外形图中的尺寸均为毫米(mm)。电子工业部1986-02-18发布
1986-10-01实施www.bzxz.net
SJ2684-86
SJ2684-86
SJ2684-86
645~a7
045-07
5在02
SJ2684-86
SJ2684-86
SJ2684-86
10.45~0.7
SJ2684-86
SJ2684-86
负报剂记
1-9o-1
7-62xn
SJ2684-86
SJ2684-86
254254
小提示:此标准内容仅展示完整标准里的部分截取内容,若需要完整标准请到上方自行免费下载完整标准文档。
标准图片预览:





- 热门标准
- 电子行业标准(SJ)
- SJ3166-1988 GZS12-4-3型彩色显像管插座
- SJ2857.2-1988 温差电致冷材料性能的测试方法 电导率的测试方法
- SJ2879-1988 彩色电视接收机用色纯静会聚磁体组合件总规范
- SJ/T11010-1996 电子器件详细规范 半导体电视集成电路CD1124ACP伴音中频放大电路
- SJ/T11088-1996 电子器件详细规范 半导体集成电路CD7680CP图象伴音中频放大电路
- SJ20599-1996 推拉钨丝规范
- SJ/T9546-1993 无金属化孔单、双面印制板的质量分等标准
- SJ/T11332-2006 数字电视接收设备接口规范 第6部分:RGB模拟基色视频信号接口
- SJ/T31063-1994 TCM-B三氯乙烯清洗机完好要求和检查评定方法
- SJ/T31168-1994 发射管电性能测试电源完好要求和检查评定方法
- SJ/T31441-1994 离心式制冷机组完好要求和检查评定方法
- SJ/T31449-1994 供油管道完好要求和检查评定方法
- SJ/T10401-1993 半导体集成音响电路马达稳速电路测试方法的基本原理
- SJ/T10669-1995 表面组装器件可焊性试验
- SJ/T11157-1998 电视广播接收机测量方法 第2部分:伴音通道的电性能测量,一般测量方法和单声道测量方法
- 行业新闻
请牢记:“bzxz.net”即是“标准下载”四个汉字汉语拼音首字母与国际顶级域名“.net”的组合。 ©2025 标准下载网 www.bzxz.net 本站邮件:bzxznet@163.com
网站备案号:湘ICP备2025141790号-2
网站备案号:湘ICP备2025141790号-2