- 您的位置:
- 标准下载网 >>
- 标准分类 >>
- 电子行业标准(SJ) >>
- SJ 2673.6-1986 电子器件详细规范 3DA316型470MHz管壳额定的低电压双极型功率晶体管
【电子行业标准(SJ)】 电子器件详细规范 3DA316型470MHz管壳额定的低电压双极型功率晶体管
本网站 发布时间:
2024-07-13 17:15:20
- SJ2673.6-1986
- 现行
- 点击下载此标准
标准号:
SJ 2673.6-1986
标准名称:
电子器件详细规范 3DA316型470MHz管壳额定的低电压双极型功率晶体管
标准类别:
电子行业标准(SJ)
标准状态:
现行-
发布日期:
1986-02-17 -
实施日期:
1987-06-01 出版语种:
简体中文下载格式:
.rar.pdf下载大小:
572.90 KB
点击下载
标准简介:
标准下载解压密码:www.bzxz.net
SJ 2673.6-1986 电子器件详细规范 3DA316型470MHz管壳额定的低电压双极型功率晶体管 SJ2673.6-1986
部分标准内容:
中华人民共和国电子工业部部标准电子元器件详细规范
3DA316型
SJ2673.6-86
470MHz管壳额定的低电压双极型功率晶体管中国电子技术标准化研究所
电子元器件质量评定匙根据:
GB4936.1-85
《半导体分立器件总规范》
SJ2673.6-83
3DA316型470MHz管壳额定的低电压双极型功率晶体管。1机械说明:
电子工业部1986-02-17发布
定货资料:见本规范7
2简略说明:
该管系NPN外延平面晶体管,在低压电台中作未前级和未级功率放大。材料:硅NN+外延片
封装:金属陶瓷封装
3质最评定类别
参考数据
fo=470MHz
Poa≥20W
Gp≥5.2dB
1987-06-01实施
4极根值(绝对最大额定值制),条款号
5电特性:
条款号
工作管壳温度
贮存温度
S12673.6-86
使用的极限条件,不作检验用。限
最大集电极一基极连续(直流)电压最大集电极一发射极连续(直流)电压最大发射极一基极(直流)反向电压最大集电极(直流)电流
最大集电极(峰值)电流
最大基极电流(不适用)
耗散功率
最大集电极耗散功率T。。=25℃T.ate>25℃
最高有效结温
222=mW/c
安全工作区(见10.1)
失谐持续时间(不适用)
检验要求(A组和C组),见本规范8特性和条件除非另有规定
Tcase-25℃
共发射极正向电流传输比(直流)的静态值(注①)
VcE=5V
共发射极正向电流传输比(直流)的静态值(注①)
VcE=5V,
hai5(2)
最小值最大值
最小值最大值
条款号
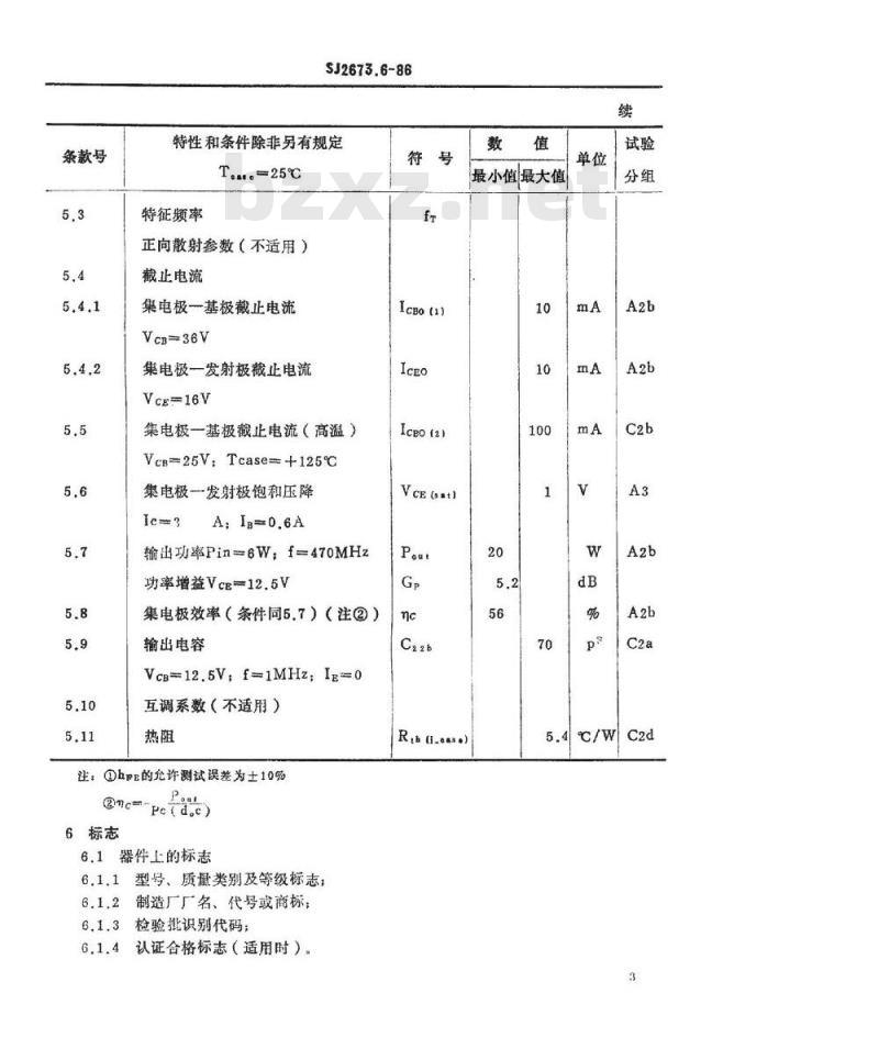
SJ2673.6-86
特性和条件除非另有规定
Ta..=25℃
特征频率
正向散射参数(不适用)
截止电流
集电极一基极截止电流
Vcn=36V
集电极一发射极截止电流
VcE-16V
集电极一基极截止电流(高温)VcB-25V:Tcase=+125℃
集电极一发射极饱和压降
A,IB-0.6A
输出功率Pin=6Wf=470MHz
功率增益VcE=12.5V
集电极效率(条件同5.7)(注②)输出电容
VcB=12.5Vf=1MHz;Ie=0
互调系数(不适用)
注:①he的允许测试误差为士10%@ncpetd.e)
6标志
6.1器件上的标志
6.1.1型号、质量类别及等级标志;6.1.2制造厂厂名、代号或商标;6.1.3检验批识别代码;
认证合格标志(适用时)
Icno (n
Icno(2)
Vce(ant)
Rth li_na.
最小值最大值
6.2包装箱上的标志
6.2.1重复器件上的标志:
SJ2673.6-86
6.2.2按GB191-73《包装储运指示标志》标上“防湿”等标志;6.2.3特殊供货时,标上“协议”编号。7定货资料
7.1型号;
7.2本详细规范号;
7.3其他技术协议号或工程代号(适用时):8试验条件和检验要求
在本章中除非另有规定,引用的条款号对应于GB4936.1-85的条款号,测试方法引自GB4587-84的6.1.1款。
A组———逐批
全部试验都是非破坏性的(见GB4936.1-85的3.6.6)检验
或试验
A1分组
外观检验
A2a分组
不工作器
A2b分组
A3分组
hpe(a)
IcBo(:)
IcBo (t)
hpe(2)
引用标准
-85的5.1.1
条件除非另有规定,
Tcase=25℃
(见GB4936.1-85的4)
Vce=5V
Vcg-36V
Ver-16V
VcE=16V
VeE-5V
Ig—0
Vc=12.5V、f=470WHz
Ve=12.5V.f=470MHz
Pin=gW
Ic=3A、Ig=0.6A
VcE=-5V、Ic-4A
检验要求
最小值最大值
SJ2673.6-86
B组——逐批
只有标明(D)的试验是破坏性的(见GB49361-85的3.6.6)检验
或试验
B1分组
B3分组
引线弯曲
B4分组
可焊性
B5分组
温度快速
继之以
引用标准
-85的5.2
和附录C
GB85的
GB4937-
85的2.2.1
GB4937-
85的3.1.2
GB4937-
85的3.7.4
GB4937-
85的3.7.5
条件除非另有规定,
Tcase=-25℃
(见GB4936.1-85的4)
本试验采用方法1
受试引出端数:2
本试验采用方法b
受试引出端数:2
冷槽温度:-55℃
热槽温度:+126℃
循环次数:5
严格度:2
细检漏采用方法1
粗检漏采用方法3
试验液体:氟油
干燥时间:3±1m1m
方法3的第2步温度:
+125℃
检验要求
极限值
最小值最大值
无损坏
润湿良好
或试验
最后测试
B8分组
电耐久性
最后测试
B9分组
高温贮存
最后测试
CRRL分
IcBO(n)
Ieso (an)
引用标准
GB4938-
GB4937-
SJ2673.6-86
条件除非另有规定,
Tcase=-25℃
(见GB4936.1-85的4)
Vc36V.Iz=0
Vc5V,c-2A
时间:168h
Vce-12.5V、Pc22W
Tc=+75℃
Vc=36V.I-0
Vc5V,Ic-2A
Tstg150℃
时间:168h
同Bs分组
B3、B4、B5、
B8、B9分组的属性资料
续上表
检验要求
最小值最大值
只有标明(D)的试验是破坏性的(见GB4936.1-85的3.6.6)检验
或试验
C1分组
引用标准
-85的5.2
和附录C
条件除非另有规定,
Tcase=25℃
(见GB4936.1-85的4)
检验要求
极限值
最小值最大值
或试验
C2a分组
C2b分组
C2d分组
C3分组
拉力(D)
C4分组
耐焊接热
最后测试
C6分组
IcBo (n)
Rt li-
IcBo()
hFe(i)
引用标准
GB4937-
85的2.1.1
SJ2673.6-86
条件除非另有规定,
Tcase-25℃
(见GB4936.1-85的4)
VcB-12.5V.f=1MHz
VcB25V
Tcase=+125℃
受试引出端数:2
GB4937-
85的2.2.2
GB4937-
本试验采用方法1A
浸润时间:10±1s
恢复时间:30min免费标准bzxz.net
(周期为6个月)
VeB36V
VcE=5V.Ic-2A
本试验采用程序B4
振动方向,X、Y、Z
安装方法:引线和本体同
时固定
频率范围:100~2000Hz
加速度:196m/s2(20g)
时间:3个方向、各进行
4次循环、每次8.5min
续上表
检验要求
极限值
最小值最大值
或试验
继之以
恒定加速
最后测试
C8分组
电耐久性
最后测试
C9分组
高温贮存
最后测试
CRRL分
Icoa)
hFE(n)
Ico (1)
hpE(a)
引用标准
GB4937-
GB4938-
GB4937-
SJ2673.6-86
条件除非另有规定,
Tcase=25℃
(见GB4936.1-85的4)
严格度:196000m/s2
(20000g)
加速度轴和方向:X、Y
方向、Y方向为管脚向内
同C4分组
时间:1000h
Vce-12.5V,Pc-22W
Tc=+75℃
同B8分组
Tstg=+150℃
时间:1000h
同B8分组
极限值
最小值最大值
C3、C6和C9分组的属性资料、C8分组前后的测试数据单位
D组——鉴定批准试验
D组试验每2年至少进行一次,项目为电耐久性试验,试验时间至少为3000h。可以用任一批C8分组的样管,将时间由1000h延长到3000h。本试验不作为验收依据。10附加资料(非检验用)
10.1特性曲线:
制造厂至少应给出下列特性曲线(典型值)8
Pout~Ve曲线:
Put~P曲线:
C226~VcB曲线:
Ie~Ve曲线。
SJ2673.6-86
10.2输出功率Pout的测试电路和要求LB
图中:
C1电容量为2~10pF
C2电容量为2~10pF
C3电容量为2~10pF
C4电容量为315pF;
C5电容量为3000pF
C6电容量为3300pF,
C7电容量为100pF;
C8电容量为30pF,
L1电感量材料为漆包线、线径为1.2mm、外径为8mm、匝数为4;L2电感量材料为漆包线、线径为1.2mm、外径为8mm、匝数为6.5;T3电感量为5nH:
LA、LB、Lc微带介质板衬底材料为聚四氟乙烯、相对介电常数8,=2.55、厚度为5mm;
LA长度为30mm:宽度为8mm:
LB长限为41mm;宽度为20mm;
Lc长度为42mm:宽度为8mm;
3DA311
3DA312
3DA313
3DA314
3DA315
3DA316
SJ2673.6-85
附录A
国内外产品型号对照表
(参考件)
2N5644
2N5645
PT8811
MRF619
附加说明:
本标准电电子工业部标准化研究所提出。本标准由北京电子管厂负责起草。10
无对照国外样管
小提示:此标准内容仅展示完整标准里的部分截取内容,若需要完整标准请到上方自行免费下载完整标准文档。
3DA316型
SJ2673.6-86
470MHz管壳额定的低电压双极型功率晶体管中国电子技术标准化研究所
电子元器件质量评定匙根据:
GB4936.1-85
《半导体分立器件总规范》
SJ2673.6-83
3DA316型470MHz管壳额定的低电压双极型功率晶体管。1机械说明:
电子工业部1986-02-17发布
定货资料:见本规范7
2简略说明:
该管系NPN外延平面晶体管,在低压电台中作未前级和未级功率放大。材料:硅NN+外延片
封装:金属陶瓷封装
3质最评定类别
参考数据
fo=470MHz
Poa≥20W
Gp≥5.2dB
1987-06-01实施
4极根值(绝对最大额定值制),条款号
5电特性:
条款号
工作管壳温度
贮存温度
S12673.6-86
使用的极限条件,不作检验用。限
最大集电极一基极连续(直流)电压最大集电极一发射极连续(直流)电压最大发射极一基极(直流)反向电压最大集电极(直流)电流
最大集电极(峰值)电流
最大基极电流(不适用)
耗散功率
最大集电极耗散功率T。。=25℃T.ate>25℃
最高有效结温
222=mW/c
安全工作区(见10.1)
失谐持续时间(不适用)
检验要求(A组和C组),见本规范8特性和条件除非另有规定
Tcase-25℃
共发射极正向电流传输比(直流)的静态值(注①)
VcE=5V
共发射极正向电流传输比(直流)的静态值(注①)
VcE=5V,
hai5(2)
最小值最大值
最小值最大值
条款号
SJ2673.6-86
特性和条件除非另有规定
Ta..=25℃
特征频率
正向散射参数(不适用)
截止电流
集电极一基极截止电流
Vcn=36V
集电极一发射极截止电流
VcE-16V
集电极一基极截止电流(高温)VcB-25V:Tcase=+125℃
集电极一发射极饱和压降
A,IB-0.6A
输出功率Pin=6Wf=470MHz
功率增益VcE=12.5V
集电极效率(条件同5.7)(注②)输出电容
VcB=12.5Vf=1MHz;Ie=0
互调系数(不适用)
注:①he的允许测试误差为士10%@ncpetd.e)
6标志
6.1器件上的标志
6.1.1型号、质量类别及等级标志;6.1.2制造厂厂名、代号或商标;6.1.3检验批识别代码;
认证合格标志(适用时)
Icno (n
Icno(2)
Vce(ant)
Rth li_na.
最小值最大值
6.2包装箱上的标志
6.2.1重复器件上的标志:
SJ2673.6-86
6.2.2按GB191-73《包装储运指示标志》标上“防湿”等标志;6.2.3特殊供货时,标上“协议”编号。7定货资料
7.1型号;
7.2本详细规范号;
7.3其他技术协议号或工程代号(适用时):8试验条件和检验要求
在本章中除非另有规定,引用的条款号对应于GB4936.1-85的条款号,测试方法引自GB4587-84的6.1.1款。
A组———逐批
全部试验都是非破坏性的(见GB4936.1-85的3.6.6)检验
或试验
A1分组
外观检验
A2a分组
不工作器
A2b分组
A3分组
hpe(a)
IcBo(:)
IcBo (t)
hpe(2)
引用标准
-85的5.1.1
条件除非另有规定,
Tcase=25℃
(见GB4936.1-85的4)
Vce=5V
Vcg-36V
Ver-16V
VcE=16V
VeE-5V
Ig—0
Vc=12.5V、f=470WHz
Ve=12.5V.f=470MHz
Pin=gW
Ic=3A、Ig=0.6A
VcE=-5V、Ic-4A
检验要求
最小值最大值
SJ2673.6-86
B组——逐批
只有标明(D)的试验是破坏性的(见GB49361-85的3.6.6)检验
或试验
B1分组
B3分组
引线弯曲
B4分组
可焊性
B5分组
温度快速
继之以
引用标准
-85的5.2
和附录C
GB85的
GB4937-
85的2.2.1
GB4937-
85的3.1.2
GB4937-
85的3.7.4
GB4937-
85的3.7.5
条件除非另有规定,
Tcase=-25℃
(见GB4936.1-85的4)
本试验采用方法1
受试引出端数:2
本试验采用方法b
受试引出端数:2
冷槽温度:-55℃
热槽温度:+126℃
循环次数:5
严格度:2
细检漏采用方法1
粗检漏采用方法3
试验液体:氟油
干燥时间:3±1m1m
方法3的第2步温度:
+125℃
检验要求
极限值
最小值最大值
无损坏
润湿良好
或试验
最后测试
B8分组
电耐久性
最后测试
B9分组
高温贮存
最后测试
CRRL分
IcBO(n)
Ieso (an)
引用标准
GB4938-
GB4937-
SJ2673.6-86
条件除非另有规定,
Tcase=-25℃
(见GB4936.1-85的4)
Vc36V.Iz=0
Vc5V,c-2A
时间:168h
Vce-12.5V、Pc22W
Tc=+75℃
Vc=36V.I-0
Vc5V,Ic-2A
Tstg150℃
时间:168h
同Bs分组
B3、B4、B5、
B8、B9分组的属性资料
续上表
检验要求
最小值最大值
只有标明(D)的试验是破坏性的(见GB4936.1-85的3.6.6)检验
或试验
C1分组
引用标准
-85的5.2
和附录C
条件除非另有规定,
Tcase=25℃
(见GB4936.1-85的4)
检验要求
极限值
最小值最大值
或试验
C2a分组
C2b分组
C2d分组
C3分组
拉力(D)
C4分组
耐焊接热
最后测试
C6分组
IcBo (n)
Rt li-
IcBo()
hFe(i)
引用标准
GB4937-
85的2.1.1
SJ2673.6-86
条件除非另有规定,
Tcase-25℃
(见GB4936.1-85的4)
VcB-12.5V.f=1MHz
VcB25V
Tcase=+125℃
受试引出端数:2
GB4937-
85的2.2.2
GB4937-
本试验采用方法1A
浸润时间:10±1s
恢复时间:30min免费标准bzxz.net
(周期为6个月)
VeB36V
VcE=5V.Ic-2A
本试验采用程序B4
振动方向,X、Y、Z
安装方法:引线和本体同
时固定
频率范围:100~2000Hz
加速度:196m/s2(20g)
时间:3个方向、各进行
4次循环、每次8.5min
续上表
检验要求
极限值
最小值最大值
或试验
继之以
恒定加速
最后测试
C8分组
电耐久性
最后测试
C9分组
高温贮存
最后测试
CRRL分
Icoa)
hFE(n)
Ico (1)
hpE(a)
引用标准
GB4937-
GB4938-
GB4937-
SJ2673.6-86
条件除非另有规定,
Tcase=25℃
(见GB4936.1-85的4)
严格度:196000m/s2
(20000g)
加速度轴和方向:X、Y
方向、Y方向为管脚向内
同C4分组
时间:1000h
Vce-12.5V,Pc-22W
Tc=+75℃
同B8分组
Tstg=+150℃
时间:1000h
同B8分组
极限值
最小值最大值
C3、C6和C9分组的属性资料、C8分组前后的测试数据单位
D组——鉴定批准试验
D组试验每2年至少进行一次,项目为电耐久性试验,试验时间至少为3000h。可以用任一批C8分组的样管,将时间由1000h延长到3000h。本试验不作为验收依据。10附加资料(非检验用)
10.1特性曲线:
制造厂至少应给出下列特性曲线(典型值)8
Pout~Ve曲线:
Put~P曲线:
C226~VcB曲线:
Ie~Ve曲线。
SJ2673.6-86
10.2输出功率Pout的测试电路和要求LB
图中:
C1电容量为2~10pF
C2电容量为2~10pF
C3电容量为2~10pF
C4电容量为315pF;
C5电容量为3000pF
C6电容量为3300pF,
C7电容量为100pF;
C8电容量为30pF,
L1电感量材料为漆包线、线径为1.2mm、外径为8mm、匝数为4;L2电感量材料为漆包线、线径为1.2mm、外径为8mm、匝数为6.5;T3电感量为5nH:
LA、LB、Lc微带介质板衬底材料为聚四氟乙烯、相对介电常数8,=2.55、厚度为5mm;
LA长度为30mm:宽度为8mm:
LB长限为41mm;宽度为20mm;
Lc长度为42mm:宽度为8mm;
3DA311
3DA312
3DA313
3DA314
3DA315
3DA316
SJ2673.6-85
附录A
国内外产品型号对照表
(参考件)
2N5644
2N5645
PT8811
MRF619
附加说明:
本标准电电子工业部标准化研究所提出。本标准由北京电子管厂负责起草。10
无对照国外样管
小提示:此标准内容仅展示完整标准里的部分截取内容,若需要完整标准请到上方自行免费下载完整标准文档。
标准图片预览:





- 热门标准
- 电子行业标准(SJ)
- SJ3166-1988 GZS12-4-3型彩色显像管插座
- SJ2857.2-1988 温差电致冷材料性能的测试方法 电导率的测试方法
- SJ2879-1988 彩色电视接收机用色纯静会聚磁体组合件总规范
- SJ/T11010-1996 电子器件详细规范 半导体电视集成电路CD1124ACP伴音中频放大电路
- SJ/T11088-1996 电子器件详细规范 半导体集成电路CD7680CP图象伴音中频放大电路
- SJ/T9546-1993 无金属化孔单、双面印制板的质量分等标准
- SJ/T11332-2006 数字电视接收设备接口规范 第6部分:RGB模拟基色视频信号接口
- SJ/T31063-1994 TCM-B三氯乙烯清洗机完好要求和检查评定方法
- SJ/T31168-1994 发射管电性能测试电源完好要求和检查评定方法
- SJ/T31441-1994 离心式制冷机组完好要求和检查评定方法
- SJ/T31449-1994 供油管道完好要求和检查评定方法
- SJ/T10401-1993 半导体集成音响电路马达稳速电路测试方法的基本原理
- SJ/T10669-1995 表面组装器件可焊性试验
- SJ/T11157-1998 电视广播接收机测量方法 第2部分:伴音通道的电性能测量,一般测量方法和单声道测量方法
- SJ/Z3206.5-1989 光谱化学分析用感光板和胶片的照相处理方法
- 行业新闻
请牢记:“bzxz.net”即是“标准下载”四个汉字汉语拼音首字母与国际顶级域名“.net”的组合。 ©2025 标准下载网 www.bzxz.net 本站邮件:bzxznet@163.com
网站备案号:湘ICP备2025141790号-2
网站备案号:湘ICP备2025141790号-2