- 您的位置:
- 标准下载网 >>
- 标准分类 >>
- 电子行业标准(SJ) >>
- SJ 2673.4-1986 电子器件详细规范 3DA314型470MHz管壳额定的低电压双极型功率晶体管

【电子行业标准(SJ)】 电子器件详细规范 3DA314型470MHz管壳额定的低电压双极型功率晶体管
本网站 发布时间:
2024-07-13 17:17:21
- SJ2673.4-1986
- 现行
- 点击下载此标准
标准号:
SJ 2673.4-1986
标准名称:
电子器件详细规范 3DA314型470MHz管壳额定的低电压双极型功率晶体管
标准类别:
电子行业标准(SJ)
标准状态:
现行-
发布日期:
1986-02-17 -
实施日期:
1987-06-01 出版语种:
简体中文下载格式:
.rar.pdf下载大小:
550.26 KB

点击下载
标准简介:
标准下载解压密码:www.bzxz.net
SJ 2673.4-1986 电子器件详细规范 3DA314型470MHz管壳额定的低电压双极型功率晶体管 SJ2673.4-1986

部分标准内容:
中华人民共和国电子工业部部标准电子元器件详细规范
3DA314型
SJ2673.4-86
470MHz管壳额定的低电压双极型功率晶体管中国电子技术标准化研究所
电子元器件质量评定是根据:
GB4936.1-85
《半导体分立器件总规范》
3DA314型470MHz管壳额定的低电压双极型功率晶体管。机械说明:
电子工业部1986-02-07发布
SJ2673.4-86
定货资料:见本规范7
簡略说明
该管系NPN外延平面晶体管,在
低压电台中作末前级和未级
功率放大。
材料:硅NN+外延片
封装:金属陶瓷封装
质盘评定类别
参考数据
f。-470MHz
VcE-12.5V
Pout≥6W
Gp≥6dB
1987-06-01实施
SJ2673.4-86
极限值(绝对最大额定值制),使用的极限值条件,不作检验用。条款号
工作管壳温度
贮存温度
最大集电极一基极连续(直流)电压最大集电极一发射极连续(直流)电压最大发封极一基极(直流)反向电压最大集电极(直流)电流
最大集电极(峰值)电流
最大基极电流(不适用)
耗散功率
最大集电极耗散劝率T。*=25℃
T。..>25℃
最高有效结温
安全工作区(10.1)
85mW/℃
失谐持续时间(不适用)
检验要求(A组和C组),见本规范85电特性:
条款号
特性和条件除非另有规定
Tcase=25℃
共发射极正向电流传输比(直流)的静态值(注)bZxz.net
VcE-5V,Ic=0.6A
共发射极正向电流传输比(直流)的静态值(注①)
VcE-5V:Ic-1A
hzie()
h2tE()
最小值最大值
最小值最大值
条款号
SJ2673.4-86
特性和条件除非另有规定
Taasa-25℃
特征频率
正向散射参数(不适用)
截止电流
集电极基极截止电流
Vc=36V
集电极一发射极截止电流
Vce-16V
集电极一基极截止电流(高温)VcB-25V,T...=+125℃
集电极一发射极饱和压降
Ic=800mA:Ig=160mA
Icpotu)
IcBo (2)
VcE (aat)
输出功率Pin=1.5W:f=470MHz
功率增益Vce-12.5V
集电极效率(条件同5.7)(注②)输出电容
VcB=12.5Vf=1MHz;Ig=0
互调系数(不适用)
注:①hpe的允许测试误差为士10%Pout
@moPe(d.e)
6标志
6.1器件上的标志
6.1.1型号、质量类别及等级标志;6.1.2制造厂厂名、代号或商标:6.1.3检验批识别代码;
认证合格标志(适用时)。
最小值最大值
Rth i-easa)
6.2包装上箱的标志
6.2.1重复器件上的标志:
SJ2673.4-86
6.2.2按GB191-73《包装储运指示标志》标上“防湿”等标志;6.2.3特殊供货时,标上“协议”编号。7定货资料
7.1型号:
7.2本详细规范号:
7.3其他技术协议号或工程代号(适用时)。8试验条件和检验婴求
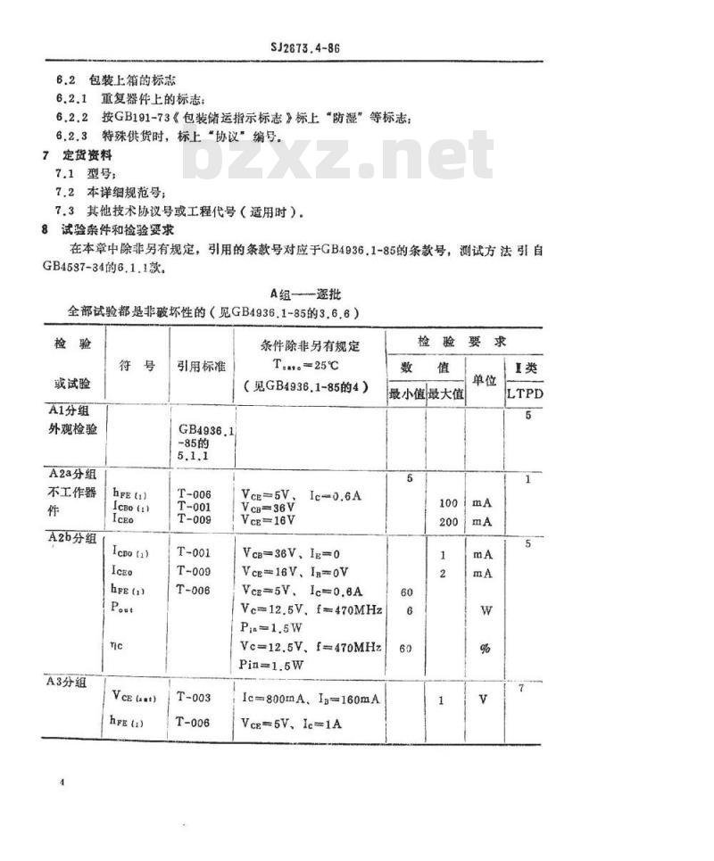
在本章中除非另有规定,引用的条款号对应于GB4936.1-85的条款号,测试方法引自GB4537-34的6.1.1款。
A组—逐批
全部试验都是非破坏性的(见GB4936.1-85的3.6.6)检验
或试验
A1分组
外观检验
A2a分组
不工作器
A2b分组
A3分组
IcBo a)
Ico(a)
VcE(aat)
引用标准
-85的
条件除非另有规定
T。。。25℃
(见GB4936.1-85的4)
Vce-5V, Ic-0.6A
VcB=-36V
Vce16V
VcB-36V,IE=0
Vce-16V、I=0V
Vc-5V.Ic0.6A
Vc=12.5V.f=470MHz
Vc=12.5V、f=470MHz
Ic-800mA.Is-160mA
Vce-5V,Ie1A
检验要求
最小值最大值
SJ2673.4-86
B组—-逐批
只有标明(D)的试验是破坏性的(见GB4936.1-85的3.6.6)检验
或试验
B1分组
\B3分组
引线弯曲
B4分组
可燥性
B5分组
温度快速
继之以
引用标准
-85的5.2
和附录C
GB4987-
条件除非另有规定
Tcase25℃
(见GB4936.1-85的4)
本试验采用方法1:
85的2.1.2受试引出端数:4
GB4937-
85的2.2,1
GB4937-
本试验采用方法b:
受试引出数:4
冷槽温度:-55℃
85的3.1.2
热槽温度:+125℃
循环次数:5次
严格度:2
GB4937-
85的3.7.4
GB4937-
85的3.7.5
细检漏采用方法1
粗检漏采用方法3
试验液体:氟油
干燥时间:3±1min
方法3的第2步温度:
+125℃
检验要
极限值
最小值最大值
无损坏
润湿良好
或试验
最后测试
B8分组
电耐久性
最后测试
B9分组
高温贮存
最后测试
CRRL分
引用标准
GB1933-
GB4937-
SJ2673.4-86
条件除非另有规定,
T.a.。-25℃
(见GB4936.1-85的4)
VcB-36V,I=0
VcE-5V,Ic-0.6A
时间:168h
Vce=12.5V、Pc=-8.5W
Tc=+75℃
VcB=36V,Ie=0
Vce=5V、Ic=0.6A
Tstg=+150℃
时间:168h
同B8分组
B3、B4、B5、B8、B9分组的属性资料C组——周期
续上表
检验要求
最小值最大值
只有标明(D)的试验是破坏性的(见GB4936.1-85的3.6.6)检验
或试验
C1分组
引用标准
-85的5.2
和附录C
条件除非另有规定,
Tcase-25℃
(见GB4936.1-85的4)
极限值
最小值最大值
或试验
C2a分组
C2b分组
C2d分组
C3分组
转矩(D)
C4分组
耐焊接热
最后测试
IcBo (2)
Rth (i-eese)
IcBo(a)
C6分组
引用标准
SJ2673.4-86
条件除非另有规定,
T。。—25℃
(见GB49361-85的4)
Vcn=12.5V.f=1MHz
Tcase=+125℃
GB4937-严格度:1
85的2.1.1
GB4937-
85的2.2.2
GB4937-
本试验采用方法1A
浸润时间:10±1s
恢复时间:30min
(周期为6个月)
VcB-36V
VcE-5V.Ic-0.6A
本试验采用程序B4
振动方向:X、Y、Z
安装方法:引线和本体同
时固定
频率范围:100~2000Hz
加速度:196m/s2(20g)
时间:3个方向、各进行4
次循环、每次8.5min
续上表
检验要求
极限值
最小值最大值
或试验
继之以
恒定加速
最后测试
C8分组
电耐久性
最后测试
C9分组
高温贮存
最后测试
CRRL分
IcBo(a)
hpe(o)
IcBo(a)
引用标准
GB4937-
GB4938-
GB4937-
SJ2873.4-86
条件除非另有规定,
Tcase25℃
(见GB4936.1-85的4)
严格度:196000m/sa
(20000g)
加速度轴和方向:X、Y
方向、Y方向为管脚向内
同c4分组
时间:1000h
续上表
检验要求
最小值最大值
Vce=12.5V.Pc=8.5W
Tc=+75℃
同B8分组
Tstg=+150℃
时间:1000h
同B8分组
C3、C6和C9分组的属性资料、C8分组前后的测试D组鉴定批准试验
D组试验每2年至少进行一次,项目为电耐久性试验,试验时间至少为3000h。可以用任一批C8分组的样管,将时间由1000h延长到3000h,本试验不作为验收依据。10附加资料(非检验用)
10.1特性曲线:
制造厂至少应给出下列特性曲线(典型值)8
Pout~V.曲线;
Pout~Pin曲线:
C22t~VeB曲线:
Te~Vee曲线:
SJ2673.4-86
10.2输出功率P。的测试电路和要求e
图中:
C1电容量为2~10pF
C2电容量为2~10pF
C3电容量为2~10pF
C4电容量为2~10pF,
C5电容量为2200pF
C6电容量为3100pF,
C7电容量为100pF;
C8电容量为33pF
205x66
L1电感量材料为漆包线、线径为1mm、外径为6mm、匝数为5;L2电感量材料为漆包线、线径为1mm、外径为6mm、匝数为7.5;L3电感量为3nH;
LA、LB、Lc微带介质板衬底材料为聚四氟乙烯、相对介电常数ei=2.05、厚度为2mm;
LA长度为20.5mm;宽度为6.6mm
LB长度为40mm;宽度为20mm
Lc长度为35mm;宽度为6.6mm,
附加说明:
本标准由电子工业部标准化研究所提出。本标准由北京电子管厂负资起草。
小提示:此标准内容仅展示完整标准里的部分截取内容,若需要完整标准请到上方自行免费下载完整标准文档。
3DA314型
SJ2673.4-86
470MHz管壳额定的低电压双极型功率晶体管中国电子技术标准化研究所
电子元器件质量评定是根据:
GB4936.1-85
《半导体分立器件总规范》
3DA314型470MHz管壳额定的低电压双极型功率晶体管。机械说明:
电子工业部1986-02-07发布
SJ2673.4-86
定货资料:见本规范7
簡略说明
该管系NPN外延平面晶体管,在
低压电台中作末前级和未级
功率放大。
材料:硅NN+外延片
封装:金属陶瓷封装
质盘评定类别
参考数据
f。-470MHz
VcE-12.5V
Pout≥6W
Gp≥6dB
1987-06-01实施
SJ2673.4-86
极限值(绝对最大额定值制),使用的极限值条件,不作检验用。条款号
工作管壳温度
贮存温度
最大集电极一基极连续(直流)电压最大集电极一发射极连续(直流)电压最大发封极一基极(直流)反向电压最大集电极(直流)电流
最大集电极(峰值)电流
最大基极电流(不适用)
耗散功率
最大集电极耗散劝率T。*=25℃
T。..>25℃
最高有效结温
安全工作区(10.1)
85mW/℃
失谐持续时间(不适用)
检验要求(A组和C组),见本规范85电特性:
条款号
特性和条件除非另有规定
Tcase=25℃
共发射极正向电流传输比(直流)的静态值(注)bZxz.net
VcE-5V,Ic=0.6A
共发射极正向电流传输比(直流)的静态值(注①)
VcE-5V:Ic-1A
hzie()
h2tE()
最小值最大值
最小值最大值
条款号
SJ2673.4-86
特性和条件除非另有规定
Taasa-25℃
特征频率
正向散射参数(不适用)
截止电流
集电极基极截止电流
Vc=36V
集电极一发射极截止电流
Vce-16V
集电极一基极截止电流(高温)VcB-25V,T...=+125℃
集电极一发射极饱和压降
Ic=800mA:Ig=160mA
Icpotu)
IcBo (2)
VcE (aat)
输出功率Pin=1.5W:f=470MHz
功率增益Vce-12.5V
集电极效率(条件同5.7)(注②)输出电容
VcB=12.5Vf=1MHz;Ig=0
互调系数(不适用)
注:①hpe的允许测试误差为士10%Pout
@moPe(d.e)
6标志
6.1器件上的标志
6.1.1型号、质量类别及等级标志;6.1.2制造厂厂名、代号或商标:6.1.3检验批识别代码;
认证合格标志(适用时)。
最小值最大值
Rth i-easa)
6.2包装上箱的标志
6.2.1重复器件上的标志:
SJ2673.4-86
6.2.2按GB191-73《包装储运指示标志》标上“防湿”等标志;6.2.3特殊供货时,标上“协议”编号。7定货资料
7.1型号:
7.2本详细规范号:
7.3其他技术协议号或工程代号(适用时)。8试验条件和检验婴求
在本章中除非另有规定,引用的条款号对应于GB4936.1-85的条款号,测试方法引自GB4537-34的6.1.1款。
A组—逐批
全部试验都是非破坏性的(见GB4936.1-85的3.6.6)检验
或试验
A1分组
外观检验
A2a分组
不工作器
A2b分组
A3分组
IcBo a)
Ico(a)
VcE(aat)
引用标准
-85的
条件除非另有规定
T。。。25℃
(见GB4936.1-85的4)
Vce-5V, Ic-0.6A
VcB=-36V
Vce16V
VcB-36V,IE=0
Vce-16V、I=0V
Vc-5V.Ic0.6A
Vc=12.5V.f=470MHz
Vc=12.5V、f=470MHz
Ic-800mA.Is-160mA
Vce-5V,Ie1A
检验要求
最小值最大值
SJ2673.4-86
B组—-逐批
只有标明(D)的试验是破坏性的(见GB4936.1-85的3.6.6)检验
或试验
B1分组
\B3分组
引线弯曲
B4分组
可燥性
B5分组
温度快速
继之以
引用标准
-85的5.2
和附录C
GB4987-
条件除非另有规定
Tcase25℃
(见GB4936.1-85的4)
本试验采用方法1:
85的2.1.2受试引出端数:4
GB4937-
85的2.2,1
GB4937-
本试验采用方法b:
受试引出数:4
冷槽温度:-55℃
85的3.1.2
热槽温度:+125℃
循环次数:5次
严格度:2
GB4937-
85的3.7.4
GB4937-
85的3.7.5
细检漏采用方法1
粗检漏采用方法3
试验液体:氟油
干燥时间:3±1min
方法3的第2步温度:
+125℃
检验要
极限值
最小值最大值
无损坏
润湿良好
或试验
最后测试
B8分组
电耐久性
最后测试
B9分组
高温贮存
最后测试
CRRL分
引用标准
GB1933-
GB4937-
SJ2673.4-86
条件除非另有规定,
T.a.。-25℃
(见GB4936.1-85的4)
VcB-36V,I=0
VcE-5V,Ic-0.6A
时间:168h
Vce=12.5V、Pc=-8.5W
Tc=+75℃
VcB=36V,Ie=0
Vce=5V、Ic=0.6A
Tstg=+150℃
时间:168h
同B8分组
B3、B4、B5、B8、B9分组的属性资料C组——周期
续上表
检验要求
最小值最大值
只有标明(D)的试验是破坏性的(见GB4936.1-85的3.6.6)检验
或试验
C1分组
引用标准
-85的5.2
和附录C
条件除非另有规定,
Tcase-25℃
(见GB4936.1-85的4)
极限值
最小值最大值
或试验
C2a分组
C2b分组
C2d分组
C3分组
转矩(D)
C4分组
耐焊接热
最后测试
IcBo (2)
Rth (i-eese)
IcBo(a)
C6分组
引用标准
SJ2673.4-86
条件除非另有规定,
T。。—25℃
(见GB49361-85的4)
Vcn=12.5V.f=1MHz
Tcase=+125℃
GB4937-严格度:1
85的2.1.1
GB4937-
85的2.2.2
GB4937-
本试验采用方法1A
浸润时间:10±1s
恢复时间:30min
(周期为6个月)
VcB-36V
VcE-5V.Ic-0.6A
本试验采用程序B4
振动方向:X、Y、Z
安装方法:引线和本体同
时固定
频率范围:100~2000Hz
加速度:196m/s2(20g)
时间:3个方向、各进行4
次循环、每次8.5min
续上表
检验要求
极限值
最小值最大值
或试验
继之以
恒定加速
最后测试
C8分组
电耐久性
最后测试
C9分组
高温贮存
最后测试
CRRL分
IcBo(a)
hpe(o)
IcBo(a)
引用标准
GB4937-
GB4938-
GB4937-
SJ2873.4-86
条件除非另有规定,
Tcase25℃
(见GB4936.1-85的4)
严格度:196000m/sa
(20000g)
加速度轴和方向:X、Y
方向、Y方向为管脚向内
同c4分组
时间:1000h
续上表
检验要求
最小值最大值
Vce=12.5V.Pc=8.5W
Tc=+75℃
同B8分组
Tstg=+150℃
时间:1000h
同B8分组
C3、C6和C9分组的属性资料、C8分组前后的测试D组鉴定批准试验
D组试验每2年至少进行一次,项目为电耐久性试验,试验时间至少为3000h。可以用任一批C8分组的样管,将时间由1000h延长到3000h,本试验不作为验收依据。10附加资料(非检验用)
10.1特性曲线:
制造厂至少应给出下列特性曲线(典型值)8
Pout~V.曲线;
Pout~Pin曲线:
C22t~VeB曲线:
Te~Vee曲线:
SJ2673.4-86
10.2输出功率P。的测试电路和要求e
图中:
C1电容量为2~10pF
C2电容量为2~10pF
C3电容量为2~10pF
C4电容量为2~10pF,
C5电容量为2200pF
C6电容量为3100pF,
C7电容量为100pF;
C8电容量为33pF
205x66
L1电感量材料为漆包线、线径为1mm、外径为6mm、匝数为5;L2电感量材料为漆包线、线径为1mm、外径为6mm、匝数为7.5;L3电感量为3nH;
LA、LB、Lc微带介质板衬底材料为聚四氟乙烯、相对介电常数ei=2.05、厚度为2mm;
LA长度为20.5mm;宽度为6.6mm
LB长度为40mm;宽度为20mm
Lc长度为35mm;宽度为6.6mm,
附加说明:
本标准由电子工业部标准化研究所提出。本标准由北京电子管厂负资起草。
小提示:此标准内容仅展示完整标准里的部分截取内容,若需要完整标准请到上方自行免费下载完整标准文档。

标准图片预览:





- 热门标准
- 电子行业标准(SJ)
- SJ2944-1988 交流数字电压表测试方法
- SJ20811-2002 压阻式加速度传感器总规范
- SJ374-1973 反射速调管负载特性的测试方法
- SJ20883-2003 印制电路组件装焊后的清洗工艺方法
- SJ2588-1985 BSH12~14-1L、BSH12~14-2L型一体化回扫变压器
- SJ50033.61-1995 半导体分立器件 3DK6547型高压功率开关晶体管详细规范
- SJ/T31291-1994 CHJ-S-2型超声波塑料焊接机完好要求和检查评定方法
- SJ1007-75 双动冲床引伸模 上压板
- SJ933-1975 半导体调幅广播收音机用输出输入变压器
- SJ/T31279-1994 WLD-T1型无感式电容器引线自动焊接机完好要求和检查评定方法
- SJ3228.1-1989 电子工业用高纯石英砂技术条件
- SJ/T31254-1994 自动绕片机完好要求和检查评定方法
- SJ/T31264-1994 WSG-4951型流延机完好要求和检查评定方法
- SJ/T31280-1994 隧道式电容器清洗机完好要求和检查评定方法
- SJ/T10980-1996 电子器件详细规范 2CC23、2CC28型硅调谐变容二极管(可供认证用)
- 行业新闻
请牢记:“bzxz.net”即是“标准下载”四个汉字汉语拼音首字母与国际顶级域名“.net”的组合。 ©2009 标准下载网 www.bzxz.net 本站邮件:bzxznet@163.com
网站备案号:湘ICP备2023016450号-1
网站备案号:湘ICP备2023016450号-1