- 您的位置:
- 标准下载网 >>
- 标准分类 >>
- 农业行业标准(NY) >>
- NY 5140-2002 无公害食品 巴氏杀菌乳
标准号:
NY 5140-2002
标准名称:
无公害食品 巴氏杀菌乳
标准类别:
农业行业标准(NY)
标准状态:
已作废-
发布日期:
2002-07-25 -
实施日期:
2002-09-01 -
作废日期:
2005-03-01 出版语种:
简体中文下载格式:
.rar.pdf下载大小:
139.10 KB
替代情况:
被NY 5140-2005代替
点击下载
标准简介:
标准下载解压密码:www.bzxz.net
本标准规定了巴氏杀菌乳的产品分类、技术要求、试验方法、检验规则和标签、包装、运输、贮存要求。本标准适用于以生鲜牛(羊)乳为原料,经巴氏杀菌制成的液体产品。 NY 5140-2002 无公害食品 巴氏杀菌乳 NY5140-2002
部分标准内容:
ICS67.100.10
中华人民共和国农业行业标准
NY5140—2002
无公害食品
2002-07-25发布
巴氏杀菌乳
2002-09-01实施
中华人民共和国农业部发布
NY 5140--2002
本标准中的“4
要求”和“7.1
标签”是强制性条文其他条文是推荐性条文本标准由中华人民共和国农业部提出。本标准起草单位:农业部食品质量监督检验测试中心(上海)。本标准主要起草人:郭本恒、钱莉、刘鸢玲、张春林、谢可杰、般成文、骆志刚、张传毅。160
1范围
无公害食品
巴氏杀菌乳
NY 5140—2002
本标准规定了巴氏杀菌乳的产品的分类、技术要求、试验方法、检验规则和标签、包装、运输、贮存要求。
本标准适用于以生鲜牛(羊)乳为原料,经巴氏杀菌制成的液体产品。2规范性引用文件
下列文件中的条款通过本标准的引用而成为本标准的条款。凡是注明日期的引用文件,其后所有的修改单(不包括勘误的内容)或修订版均不适用于本标准,然而,鼓励根据本标准达成协议的各方研究是否可使用这些文件的最新版本。凡是不注明日期的引用文件,其最新版本适用于本标准。GB191包装储运图示标志
GB 2760
)食品添加剂使用卫生标推
GB4789.2食品卫生微生物学检验菌落总数测定GB4789.3
GB 4789.4
GB 4789.5
GB 4789. 10
GB 4789. 11
GB 4789.18
食品卫生微生物学检验大肠菌群测定食品卫生微生物学检验
沙门氏菌检验
食品卫生微生物学检验:
志贺氏菌检验
食品卫生微生物学检验金黄色葡葡球菌检验食品卫生微生物学检验溶血性链球菌检验食品卫生微生物学检验乳与乳制品检验GB/T 5009.11
GB/T 5009. 12
GB/T 5009.17
GB/T 5009.19
食品中总砷的测定方法
食品中铅的测定方法
食品中总汞的测定方法
食品中六六六、滴滴递残留量的测定方法GB/T 5009.24
食品中黄曲霉毒素M;和 B,的测定方法GB/T5409
牛乳的检验方法
GB/T 5413.1
婴幼儿配方食品和乳粉蛋白质的测定GB/T5413.30
乳与乳粉杂质度的测定
GB/T5413.32
乳粉硝酸盐、亚硝酸盐的测定
食品标签通用标准
GB 7718
食品营养强化剂使用卫生标准
GB14880
GB/T 149621
食品中铬的测定方法
GB/T 17331
食品中有机磷和氨基甲酸酯类农药多种残留的测定JJF1070定量包装商品净含量计量检验规则NY5045无公害食品
生鲜牛乳
NY 5140--2002
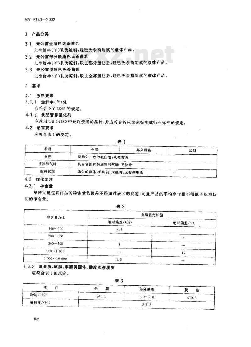
3产品分类
无公害全脂巴氏杀菌乳
以生鲜牛(羊)乳为原料,经巴氏杀菌制成的液体产品。3.2无公害部分脱脂巴氏杀葡乳
以生鲜牛(羊)乳为原料,脱去部分脂肪后,经巴氏杀菌制成的液体产品。3.3无公害脱脂巴氏杀菌乳
以生鲜牛(羊)乳为原料,脱去全部脂肪后,经巴氏杀菌制成的液体产品。4要求
4.1原料要求
4.1.1生鲜牛(羊)乳
应符合NY5045的规定。
4. 1.2食品营养强化剂
应选用GB14880中允许使用的品种,并应符合相应国家标准或行业标准的规定。4.2感宫要求
应符合表1的规定。
滋味和气味
组织状态
4.3理化要求
4.3.1净含量
呈均勾一致的乳白色,或微黄色具有乳固有的滋味和气味,无异味部分脱脂
均匀的液体,无沉淀,无凝块,无黏稠现象脱脂
单件定量包装商品的净含量负偏差不得超过表2的规定;同批产品的平均净含量不得低于标谁标明的净含量。
净含量/mL
100~200
200~300
300~500
500~1000
1 000~10 000
相对偏差/(%)下载标准就来标准下载网
4.3.2强白质、脂肪、非脂乳固体、酸度和杂质度应符合表3的规定。
脂肪/%)
蛋白质/(%)
负偏差允许值
绝对偏差/ml
部分脱脂
非脂乳固体/(%)
酸度/(T)
杂质度/(mg/kg)
卫生要求
应符合表4的规定
汞(以Hg 计)/(mg/kg)
碑(以As 计)/(mg/kg)
铅(以 Pb计)/(rng/kg)
铬(以Cr6+计)/(ng/kg)
硝酸盐(以NaNO,计)/(mg/kg)
亚硝酸盐(以NaNO)2计)/(mg/kg)黄曲霉毒素 M1 /(μg/kg)
六六六/(mg/kg)
滴滴沸/(mg/kg)
甲胺磷/(mg/kg)
倍硫磷/(mg/kg)
久效磷/(mg/kg)
甲拌磷/(mg/kg)
杀扑磷/(mg/kg)
抗生素
注:农药、音药禁用限用,按国家有关规定执行。4.5微生物要求
应符合表5的规定。
菌落总数/(cfu/mL)
大肠菌群/(MPN/100mlL)
致病菌(肠道致病菌和致病性球菌)4.6食品营养强化剂的添加量
应符合GB14880的规定。
表3(续)
部分脱脂
部分脱脂
部分脱脂
≤30.000
NY 5140-2002
不得检出/25mL
NY 5140--2002
5试验方法
5.1感官检验
5.1.1色泽和组织状态:取适量试样于50ml烧杯中,在自然光下观察色泽和组织状态。5.1.2滋味和气味:取适量试样于50mL烧杯中,先闻气味,用温开水漱口后,再品尝样品的滋味。5.2理化检验
5.2.1净含量:按JF1070测定。
5.2.2蛋白质:按GB/T5413.1检验,取样量为10g。5.2.3脂肪:按GB/T5409检验。
5.2.4非脂乳固体:按GB/T5409检验。5.2.5酸度:按GB/T5409检验。
5.2.6杂质度:按GB/T5413.30检验。5. 3卫生检验
5.3.1汞:按GB/T5009.17检验。5.3.2砷:按GB/T5009.11检验。5.3.3铅:按GB/T5009.12检验。5.3.4铬:按GB/T14962检验。
5.3.5硝酸盐、亚硝酸盐:按GB/T5413.32检验。5.3.6黄曲霉毒素M,:按GB/T5009.24检验。5.3.7六六六、滴滴涕:按GB/T5009.19检验。倍硫磷、久效磷、杀扑磷、甲拌磷、甲胺磷:按GB/T17331检验。5.3.8
5.3.9抗生素:按GB/T5409检验。5.4微生物指标
5.4.1菌落总数:按GB4789.2和GB4789.18检验5.4.2大肠菌群:按GB4789.3和GB4789.18检验5.4.3致病菌:按GB4789.4、GB4789.5、GB4789.10、GB4789.11和GB4789.18检验。6检验规则
6.1组批规则
以同一班次,同一生产线的同品种、同规格且包装完好的产品为一组批。6.2型式检验
型式检验是对本标准规定的全部要求进行检验,有下列情形之一者应对产品质量进行型式检验。a)新产品试制鉴定时;
b)正式生产后,如原料、工艺有较大变化,可能影响生产质量时;c)产品长期停产后,恢复生产时;d)交收检验结果与上次型式检验有较大差异时;e)国家质量监督机构提出进行例行检验的要求时。6.3交收检验
产品应经生产企业按本标准检验合格,签发合格证后方可出厂。6.4判定规则
6.4.1—-项指标试验不合格,则该批产品判为不合格。6.4.2对检验结果有争议时,应对留存样进行复检,或在同批产品中重新加倍抽样,对不合格项目进行复检,以复检结果为准。
3感官、净含量及微生物要求不得复检。6.4.3
7标签、包装、运输、存
7.1标签
NY5140--2002
7.1.1产品标签按GB7718的规定标示。还应标明产品的种类(按本标准第3章)和蛋白质、脂肪、非脂乳固体的含量。
7.1.2产品名称也可以标为“×××乳”。7.1.3外包装箱标志应符合GB191的规定。7.2包装
所有包装材料应符合食品卫生要求。7.3运输
运输产品时应使用冷藏车。
7.4购存
产品贮存温度应为2℃~6℃。
小提示:此标准内容仅展示完整标准里的部分截取内容,若需要完整标准请到上方自行免费下载完整标准文档。
中华人民共和国农业行业标准
NY5140—2002
无公害食品
2002-07-25发布
巴氏杀菌乳
2002-09-01实施
中华人民共和国农业部发布
NY 5140--2002
本标准中的“4
要求”和“7.1
标签”是强制性条文其他条文是推荐性条文本标准由中华人民共和国农业部提出。本标准起草单位:农业部食品质量监督检验测试中心(上海)。本标准主要起草人:郭本恒、钱莉、刘鸢玲、张春林、谢可杰、般成文、骆志刚、张传毅。160
1范围
无公害食品
巴氏杀菌乳
NY 5140—2002
本标准规定了巴氏杀菌乳的产品的分类、技术要求、试验方法、检验规则和标签、包装、运输、贮存要求。
本标准适用于以生鲜牛(羊)乳为原料,经巴氏杀菌制成的液体产品。2规范性引用文件
下列文件中的条款通过本标准的引用而成为本标准的条款。凡是注明日期的引用文件,其后所有的修改单(不包括勘误的内容)或修订版均不适用于本标准,然而,鼓励根据本标准达成协议的各方研究是否可使用这些文件的最新版本。凡是不注明日期的引用文件,其最新版本适用于本标准。GB191包装储运图示标志
GB 2760
)食品添加剂使用卫生标推
GB4789.2食品卫生微生物学检验菌落总数测定GB4789.3
GB 4789.4
GB 4789.5
GB 4789. 10
GB 4789. 11
GB 4789.18
食品卫生微生物学检验大肠菌群测定食品卫生微生物学检验
沙门氏菌检验
食品卫生微生物学检验:
志贺氏菌检验
食品卫生微生物学检验金黄色葡葡球菌检验食品卫生微生物学检验溶血性链球菌检验食品卫生微生物学检验乳与乳制品检验GB/T 5009.11
GB/T 5009. 12
GB/T 5009.17
GB/T 5009.19
食品中总砷的测定方法
食品中铅的测定方法
食品中总汞的测定方法
食品中六六六、滴滴递残留量的测定方法GB/T 5009.24
食品中黄曲霉毒素M;和 B,的测定方法GB/T5409
牛乳的检验方法
GB/T 5413.1
婴幼儿配方食品和乳粉蛋白质的测定GB/T5413.30
乳与乳粉杂质度的测定
GB/T5413.32
乳粉硝酸盐、亚硝酸盐的测定
食品标签通用标准
GB 7718
食品营养强化剂使用卫生标准
GB14880
GB/T 149621
食品中铬的测定方法
GB/T 17331
食品中有机磷和氨基甲酸酯类农药多种残留的测定JJF1070定量包装商品净含量计量检验规则NY5045无公害食品
生鲜牛乳
NY 5140--2002
3产品分类
无公害全脂巴氏杀菌乳
以生鲜牛(羊)乳为原料,经巴氏杀菌制成的液体产品。3.2无公害部分脱脂巴氏杀葡乳
以生鲜牛(羊)乳为原料,脱去部分脂肪后,经巴氏杀菌制成的液体产品。3.3无公害脱脂巴氏杀菌乳
以生鲜牛(羊)乳为原料,脱去全部脂肪后,经巴氏杀菌制成的液体产品。4要求
4.1原料要求
4.1.1生鲜牛(羊)乳
应符合NY5045的规定。
4. 1.2食品营养强化剂
应选用GB14880中允许使用的品种,并应符合相应国家标准或行业标准的规定。4.2感宫要求
应符合表1的规定。
滋味和气味
组织状态
4.3理化要求
4.3.1净含量
呈均勾一致的乳白色,或微黄色具有乳固有的滋味和气味,无异味部分脱脂
均匀的液体,无沉淀,无凝块,无黏稠现象脱脂
单件定量包装商品的净含量负偏差不得超过表2的规定;同批产品的平均净含量不得低于标谁标明的净含量。
净含量/mL
100~200
200~300
300~500
500~1000
1 000~10 000
相对偏差/(%)下载标准就来标准下载网
4.3.2强白质、脂肪、非脂乳固体、酸度和杂质度应符合表3的规定。
脂肪/%)
蛋白质/(%)
负偏差允许值
绝对偏差/ml
部分脱脂
非脂乳固体/(%)
酸度/(T)
杂质度/(mg/kg)
卫生要求
应符合表4的规定
汞(以Hg 计)/(mg/kg)
碑(以As 计)/(mg/kg)
铅(以 Pb计)/(rng/kg)
铬(以Cr6+计)/(ng/kg)
硝酸盐(以NaNO,计)/(mg/kg)
亚硝酸盐(以NaNO)2计)/(mg/kg)黄曲霉毒素 M1 /(μg/kg)
六六六/(mg/kg)
滴滴沸/(mg/kg)
甲胺磷/(mg/kg)
倍硫磷/(mg/kg)
久效磷/(mg/kg)
甲拌磷/(mg/kg)
杀扑磷/(mg/kg)
抗生素
注:农药、音药禁用限用,按国家有关规定执行。4.5微生物要求
应符合表5的规定。
菌落总数/(cfu/mL)
大肠菌群/(MPN/100mlL)
致病菌(肠道致病菌和致病性球菌)4.6食品营养强化剂的添加量
应符合GB14880的规定。
表3(续)
部分脱脂
部分脱脂
部分脱脂
≤30.000
NY 5140-2002
不得检出/25mL
NY 5140--2002
5试验方法
5.1感官检验
5.1.1色泽和组织状态:取适量试样于50ml烧杯中,在自然光下观察色泽和组织状态。5.1.2滋味和气味:取适量试样于50mL烧杯中,先闻气味,用温开水漱口后,再品尝样品的滋味。5.2理化检验
5.2.1净含量:按JF1070测定。
5.2.2蛋白质:按GB/T5413.1检验,取样量为10g。5.2.3脂肪:按GB/T5409检验。
5.2.4非脂乳固体:按GB/T5409检验。5.2.5酸度:按GB/T5409检验。
5.2.6杂质度:按GB/T5413.30检验。5. 3卫生检验
5.3.1汞:按GB/T5009.17检验。5.3.2砷:按GB/T5009.11检验。5.3.3铅:按GB/T5009.12检验。5.3.4铬:按GB/T14962检验。
5.3.5硝酸盐、亚硝酸盐:按GB/T5413.32检验。5.3.6黄曲霉毒素M,:按GB/T5009.24检验。5.3.7六六六、滴滴涕:按GB/T5009.19检验。倍硫磷、久效磷、杀扑磷、甲拌磷、甲胺磷:按GB/T17331检验。5.3.8
5.3.9抗生素:按GB/T5409检验。5.4微生物指标
5.4.1菌落总数:按GB4789.2和GB4789.18检验5.4.2大肠菌群:按GB4789.3和GB4789.18检验5.4.3致病菌:按GB4789.4、GB4789.5、GB4789.10、GB4789.11和GB4789.18检验。6检验规则
6.1组批规则
以同一班次,同一生产线的同品种、同规格且包装完好的产品为一组批。6.2型式检验
型式检验是对本标准规定的全部要求进行检验,有下列情形之一者应对产品质量进行型式检验。a)新产品试制鉴定时;
b)正式生产后,如原料、工艺有较大变化,可能影响生产质量时;c)产品长期停产后,恢复生产时;d)交收检验结果与上次型式检验有较大差异时;e)国家质量监督机构提出进行例行检验的要求时。6.3交收检验
产品应经生产企业按本标准检验合格,签发合格证后方可出厂。6.4判定规则
6.4.1—-项指标试验不合格,则该批产品判为不合格。6.4.2对检验结果有争议时,应对留存样进行复检,或在同批产品中重新加倍抽样,对不合格项目进行复检,以复检结果为准。
3感官、净含量及微生物要求不得复检。6.4.3
7标签、包装、运输、存
7.1标签
NY5140--2002
7.1.1产品标签按GB7718的规定标示。还应标明产品的种类(按本标准第3章)和蛋白质、脂肪、非脂乳固体的含量。
7.1.2产品名称也可以标为“×××乳”。7.1.3外包装箱标志应符合GB191的规定。7.2包装
所有包装材料应符合食品卫生要求。7.3运输
运输产品时应使用冷藏车。
7.4购存
产品贮存温度应为2℃~6℃。
小提示:此标准内容仅展示完整标准里的部分截取内容,若需要完整标准请到上方自行免费下载完整标准文档。
标准图片预览:





- 其它标准
- 上一篇: SC/T 3304-2001 鱿鱼丝
- 下一篇: SC/T 3305-2003 烤虾
- 热门标准
- 农业行业标准(NY)
- NY/T2498-2013 植物新品种特异性、一致性和稳定性测试指南 茭白
- NY/T1112-2006 配方肥料
- NY/T5295-2004 无公害食品 产地环境评价准则
- NY/T2572-2014 植物新品种特异性、一致性和稳定性测试指南 薏苡
- NY/T598-2002 食用绿豆
- NY/T1858.2-2010 番茄主要病害抗病性鉴定技术规程 第2部分:番茄抗叶霉病鉴定技术规程
- NY/T1153.4-2013 农药登记用白蚁防治剂药效试验方法及评价 第4部分农药木材处理预防白蚁
- NY/T1052-2014 绿色食品 豆制品
- NY/T2519-2013 植物新品种特异性、一致性和稳定性测试指南 番木瓜
- NY/T2589-2014 植物新品种特异性一致性和稳定性测试指南 柴胡与狭叶柴胡
- NY/T2669-2014 热带作物品种审定规范 木薯
- NY/T456-2001 茉莉花茶
- NY/T5161-2002 无公害食品 虹鳟养殖技术规范
- NY/T423-2000 绿色食品 鲜梨
- NY5187-2002 无公害食品 罐装金针菇
- 行业新闻
请牢记:“bzxz.net”即是“标准下载”四个汉字汉语拼音首字母与国际顶级域名“.net”的组合。 ©2025 标准下载网 www.bzxz.net 本站邮件:bzxznet@163.com
网站备案号:湘ICP备2025141790号-2
网站备案号:湘ICP备2025141790号-2