- 您的位置:
- 标准下载网 >>
- 标准分类 >>
- 机械行业标准(JB) >>
- JB/T 6800-1993 补偿微压计
标准号:
JB/T 6800-1993
标准名称:
补偿微压计
标准类别:
机械行业标准(JB)
英文名称:
Compensated micromanometer标准状态:
现行-
发布日期:
1993-07-09 -
实施日期:
1994-01-01 出版语种:
简体中文下载格式:
.rar.pdf下载大小:
3.08 MB
归口单位:
西安工业自动化仪表研究所发布部门:
西安工业自动化仪表研究所相关标签:
补偿
点击下载
标准简介:
标准下载解压密码:www.bzxz.net
本标准规定了补偿微压计的产品分类、技术要求、试验方法、检验规则及标志、包装、运输和贮存。 本标准适用于测量范围为-1.5~0、0~1.5kPa;-2.5~0、0~2.5kPa的补偿(式)微压计。 JB/T 6800-1993 补偿微压计 JB/T6800-1993
部分标准内容:
中华人民共和国机械行业标准
JB/T6800-93
补偿微压计
1993-07-09发布
199401-01实施
中华人民共和国机械工业部
1主题内容与适用范围
中华人民共和国机械行业标准
补偿微压计
JB/T6800-93
本标准规定了补偿微压计的产品分类、技术要求、试验方法、检验规则及标志、包装、运输和贮存。本标准适用于测量范围为-1.5~0、0~1.5kPa;-2.5~0、0~2.5kPa的补偿(式)微压计(以下简称微压计)。
2引用标准
GB1146水准泡
ZBY002
ZBY003
3产品分类
仪器仪表运输、运输贮存基本环境条件及试验方法仪器仪表包装通用技术条件
3.1型式:直读式
3.2微压计按精确度分为:一等;二等。3.3微压计以毫米为单位标度,压力值由计算确定。3.4微压计测量范围及最小分格间距应符合表1的规定。表1
YJB-1500
YJB-2500
4技术要求
4.1正常工作条件
a,环境温度为10~30℃;
b,相对湿度应不大于80%;
c.工作介质:纯水。
4.2参比工作条件
测量范围
最小分格间距
在下列条件下,微压计的基本误差、零点对准误差、零点回复误差应符合有关条款规定。a.仪表处于正常工作位置;
b.负荷变化均匀;
c.周围环境温度:
机械工业部1993一07-09批准
1994-01-01实施
JB/T6800-93
一等为20±1℃,温度波动不超过±0.5℃;二等20±2℃.温度波动不超过±1℃。d.相对湿度不大于80%;
e.工作台不应有振动。
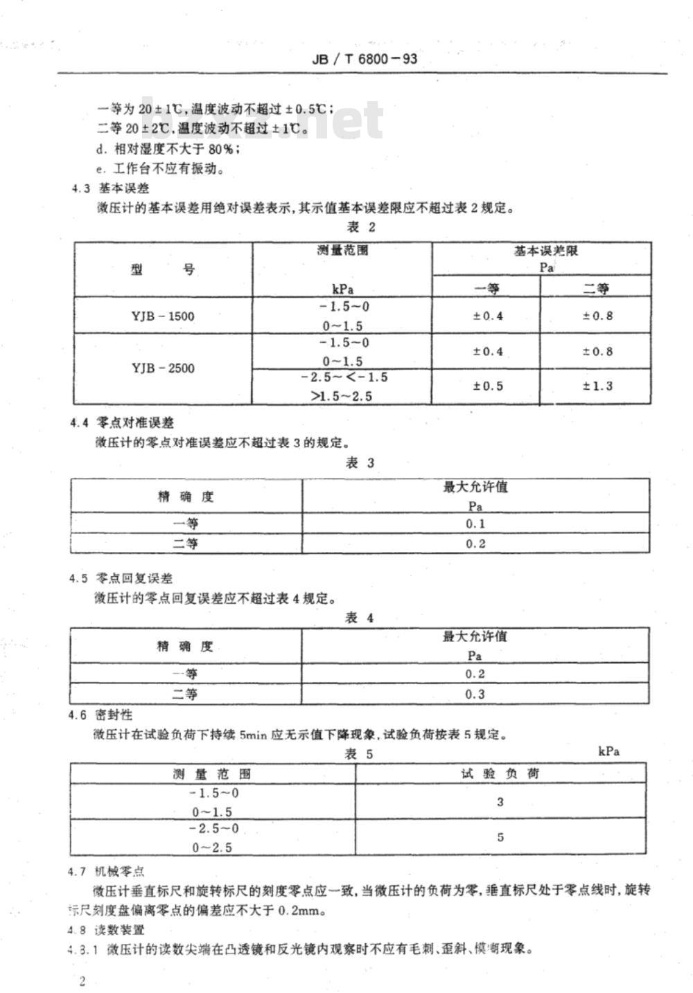
4.3基本误差
微压计的基本误差用绝对误差表示,其示值基本误差限应不超过表2规定。表2
测量范围
YJB-1500
YJB-2500
4.4零点对准误差
-2.5~<-1.5
微压计的零点对准误差应不超过表3的规定。表3
精确度
4.5零点回复误差
微压计的零点回复误差应不超过表4规定。表4
精确度
4.6密封性
最大允许值
最大允许值
微压计在试验负荷下持续5min应无示值下降现象,试验负荷按表5规定。表5
测量范围
4.7机械零点
基本误差限
试验负荷
微压计垂直标尺和旋转标尺的刻度零点应致,当微压计的负荷为零,垂直标尺处于零点线时,旋转标尺刻度盘偏离零点的偏差应不大于0.2mm。4.8读数装置
4.3.1微压计的读数尖端在凸透镜和反光镜内观察时不应有毛刺、歪斜、模潮现象。2
JB/T6800-93
4.8.2微压计的旋转标尺转动应灵活,转动时不应有卡啃或松晃现象。4.9水平装置
微压计应有水准装置及水平调节装置。水准装置所用水准泡应在GB1146规定的圆形水准泡中选取,其公称角值应不大于15分。4.10外观
微压计零部件的保护层应均匀,不应有剥落、锈蚀等缺陷。4.11抗运输环境性能
微压计在包装条件下应能承受ZBY002规定的试验,其中:a.高温为40℃;
b.低温为-25;
c.自由跌落高度为100mm;
d.相对湿度免做。
试验后应符合本标准4.3~4.6条规定。5试验方法
检验顺序按附录A(补充件)。
5.1基本误差检验
5.1.1试验条件
按4.2条参比工作条件。
5.1.2工作介质
工作介质按4.1条规定。
5.1.3标准仪器
检验用微压计的基本误差限的绝对值和被检微压计的基本误差限的绝对值之比应不大于表6规定。表6
精确度
5.1.4检验点
微压计的检验点应不少于11点,且应均匀分布在测量范中。5.1.5检验方法
a用被检微压计与标准(基准)仪器比较的方法进行检验。允许的比值
b.被检微压计和标准(基准)仪器在4.2条参比工作条件下放置2小时后才能进行检验。c.检验时从反光镜中观察到的读数尖端与水平面上的虚像应尽量靠近,但不接触。d.将被检微压计与标准(基准)仪器用三通管接嘴与压力源连接在一起组成检验系统,先调整好微压计水平,慢慢升压、降压数次,排除连接管内的空气;然后调整好零点,再从零点平稳的增加负荷,同时按规定的检验点检验至测量上限,然后平稳地减少负荷检各检验点至零。各检验点的基本误差均应符合第4.3条规定。
e,检验中水柱高度以毫米读数,其相应的压力值由下式计算确定:P=h·gp(1-1
式中:P—被测压力(kP):
h-—仪器示值读数(mm):
JB/T6800-93
g—使用(检验)地区重力加速度(m/s\),见附录B(补充件);p
-使用温度下纯水密度(kg/m\):见附录C(补充件);p\-使用(检验)环境温度下空气密度(kg/m\),由下式计算确定:p\=C,HX10-2...
H。使用(检验)时的大气压力(kPa)C。——空气密度与大气压力及环境温度的换算系数(m-2:s\),见附录D(补充件)。5.2零点对准误差检验
·(2)
在零点刻度线上,使读数尖端与水平面上虚像尽量靠近但不接触,调整好零点液位,然后慢慢转动微调盘,使液位升高到某一数值再下降到零点液位重新对准读数尖端,在旋转标尺上读出偏差值,如此反复进行五次,读数中最大值,用(1)式计算出压力值即为零点对准误差。5.3零点回复误差检验
基本误差检验后,使微压计压力源接咀与大气相通,转动微调盘,使读数尖端与水平面虚像尽量靠近但不接触,旋转标尺指示的示值用(1)式计算出压力值即为零点回复误差。5.4密封性检验
在未灌充工作介质时进行,用三通接咀、压力源、检测用微压计、被检微压计连成检验系统,加负荷使检测用微压计示值达到4.6条规定的压力,持续到5min时开始观察检测用微压计示值到10min止,应无下降现象。
检测用微压计应选用精确度等级不低于1.5级,量程相适应的杯形或者U形压力计。5.5机械零点
将垂直标尺中的滑块对准零点后,观察旋转标尺与零点的偏差值应符合4.7条规定。5.6读数装置检验
转动旋转标尺,观察读数尖端的影像,同时用手感检验转动时标尺的灵活性。5.7水平装置检验
目测检验,并检查水准泡有无符合GB1146规定要求的证明文件。5.8外观检验
目测检验。
5.9抗运输环境性能试验
按ZBY002规定进行试验,试验后按5.1~5.3条检验。6检验规则
6.1出厂检验
6.1.1检验项目及抽样
微压计应按本标准4.3~4.10及7.1条要求及相应的试验方法逐台进行出厂检验。6.1.2判定规则
单台微压计在符合6.1.1条规定的检验项目后方可判该微压计为合格品,微压计经检验合格并附有合格证方能出厂。
6.2.型式检验
6.2.1检验条件和内容
在下列任一情况下,微压计应按本标准全部技术要求和试验方法进行型式检验:a.新产品或老产品转厂生产的试制定型;b.成批生产的微压计定期检验;c.当设计、工艺、材料等方面有重大变更,影响产品性能时:d.停止生产的微压计再次生产时;4
6.2.2抽样及判定规则
JB/T6800-93
6.2.2.1在本标准6.2.1条a、c、d情况时抽样应不少于三台,所有检验项目全部符合本标准规定时方可判定型式检验通过。
6.2.2.2在本标准6.2.1条b情况时按以下规定:a.采用一次随机抽样,一组试样为四只微压计,抽取试样时的母体应不少于10只。b,对单只试样.当目测检验的项目存在不影响微压计基本功能的缺陷导致不符合标准规定时,可判该只微压计为合格品,在一组试样中有三只以上(含三只)微压计均存在同一类前述缺陷时则判定该次型式试验不通过。
c.只有四只微压计全部为合格品时,才能判定型式试验通过。7标志、包装和贮存
7.1标志
7.1.1每台微压计均应有铭牌,一般应包括下列内容:a.产品名称;
b.产品型号;
c.精确度;
d.测量范围;
e.制造厂名或商标;
f.制造年月和出厂编号。
7.1.2仪表或其说明书、包装物上.应标有本标准的代号、编号及名称。7.2包装
微压计包装应按ZBY003的规定,其中包装防护类型由制造厂自行规定。7.3贴存
微压计应存放在通风良好且无腐蚀性气体的室内。5
JB/T6800-93
附录A
检验顺序
(补充件)免费标准bzxz.net
读数装置、水平装置、外观、标志密封性
机械零点
零点对准误差
基本误差
零点回复误差
抗运输环增性能
在参比温度下停放
不少于2h
哈尔滨
张家口
石家庄
JB/T6800-93
附录B
中国各主要地区重力加速度
(补充件)
重力加速度
乌兰里哈
海拉尔
乌鲁木齐
乌兰浩特
佳木斯
社丹江
吐鲁番
齐齐哈尔
山海关
重力加速度
JB/T6800-93
注:本表未列地区的重力加速度值,可用下式计算出:9.80665×(1-0.00265×cos2Φ)gho
1+2h/R
式中:中-
测量增点的纬度:
R一一地球半径,等于.6371×10°mh——测量地点的海拨高度。
附录C
纯水在标准大气压下的密度值表(补充件)
997:04
p,kg/m
附加说明:
JB/T6800-93
附录D
空气密度与大气压力和环境温度换算系数(补充件)
本标准由西安工业自动化仪表研究所提出并归口。本标准由西安工业自动化仪表研究所负责起草。本标准主要起草人:王秀珍、成哲生、陈丽敏。温度
中华人民共和国
机械行业标准
补偿微压计
JB/T6800-93
JB/T6800--93
机械工业部仪器仪表综合技术经济研究所出版北京机械企协印剧服务部印剧
机械工业部仪器仪表综合技术经济研究所发行★
1995年3月第一版
1995年3月第一次印刷
工本售:5.00元
小提示:此标准内容仅展示完整标准里的部分截取内容,若需要完整标准请到上方自行免费下载完整标准文档。
JB/T6800-93
补偿微压计
1993-07-09发布
199401-01实施
中华人民共和国机械工业部
1主题内容与适用范围
中华人民共和国机械行业标准
补偿微压计
JB/T6800-93
本标准规定了补偿微压计的产品分类、技术要求、试验方法、检验规则及标志、包装、运输和贮存。本标准适用于测量范围为-1.5~0、0~1.5kPa;-2.5~0、0~2.5kPa的补偿(式)微压计(以下简称微压计)。
2引用标准
GB1146水准泡
ZBY002
ZBY003
3产品分类
仪器仪表运输、运输贮存基本环境条件及试验方法仪器仪表包装通用技术条件
3.1型式:直读式
3.2微压计按精确度分为:一等;二等。3.3微压计以毫米为单位标度,压力值由计算确定。3.4微压计测量范围及最小分格间距应符合表1的规定。表1
YJB-1500
YJB-2500
4技术要求
4.1正常工作条件
a,环境温度为10~30℃;
b,相对湿度应不大于80%;
c.工作介质:纯水。
4.2参比工作条件
测量范围
最小分格间距
在下列条件下,微压计的基本误差、零点对准误差、零点回复误差应符合有关条款规定。a.仪表处于正常工作位置;
b.负荷变化均匀;
c.周围环境温度:
机械工业部1993一07-09批准
1994-01-01实施
JB/T6800-93
一等为20±1℃,温度波动不超过±0.5℃;二等20±2℃.温度波动不超过±1℃。d.相对湿度不大于80%;
e.工作台不应有振动。
4.3基本误差
微压计的基本误差用绝对误差表示,其示值基本误差限应不超过表2规定。表2
测量范围
YJB-1500
YJB-2500
4.4零点对准误差
-2.5~<-1.5
微压计的零点对准误差应不超过表3的规定。表3
精确度
4.5零点回复误差
微压计的零点回复误差应不超过表4规定。表4
精确度
4.6密封性
最大允许值
最大允许值
微压计在试验负荷下持续5min应无示值下降现象,试验负荷按表5规定。表5
测量范围
4.7机械零点
基本误差限
试验负荷
微压计垂直标尺和旋转标尺的刻度零点应致,当微压计的负荷为零,垂直标尺处于零点线时,旋转标尺刻度盘偏离零点的偏差应不大于0.2mm。4.8读数装置
4.3.1微压计的读数尖端在凸透镜和反光镜内观察时不应有毛刺、歪斜、模潮现象。2
JB/T6800-93
4.8.2微压计的旋转标尺转动应灵活,转动时不应有卡啃或松晃现象。4.9水平装置
微压计应有水准装置及水平调节装置。水准装置所用水准泡应在GB1146规定的圆形水准泡中选取,其公称角值应不大于15分。4.10外观
微压计零部件的保护层应均匀,不应有剥落、锈蚀等缺陷。4.11抗运输环境性能
微压计在包装条件下应能承受ZBY002规定的试验,其中:a.高温为40℃;
b.低温为-25;
c.自由跌落高度为100mm;
d.相对湿度免做。
试验后应符合本标准4.3~4.6条规定。5试验方法
检验顺序按附录A(补充件)。
5.1基本误差检验
5.1.1试验条件
按4.2条参比工作条件。
5.1.2工作介质
工作介质按4.1条规定。
5.1.3标准仪器
检验用微压计的基本误差限的绝对值和被检微压计的基本误差限的绝对值之比应不大于表6规定。表6
精确度
5.1.4检验点
微压计的检验点应不少于11点,且应均匀分布在测量范中。5.1.5检验方法
a用被检微压计与标准(基准)仪器比较的方法进行检验。允许的比值
b.被检微压计和标准(基准)仪器在4.2条参比工作条件下放置2小时后才能进行检验。c.检验时从反光镜中观察到的读数尖端与水平面上的虚像应尽量靠近,但不接触。d.将被检微压计与标准(基准)仪器用三通管接嘴与压力源连接在一起组成检验系统,先调整好微压计水平,慢慢升压、降压数次,排除连接管内的空气;然后调整好零点,再从零点平稳的增加负荷,同时按规定的检验点检验至测量上限,然后平稳地减少负荷检各检验点至零。各检验点的基本误差均应符合第4.3条规定。
e,检验中水柱高度以毫米读数,其相应的压力值由下式计算确定:P=h·gp(1-1
式中:P—被测压力(kP):
h-—仪器示值读数(mm):
JB/T6800-93
g—使用(检验)地区重力加速度(m/s\),见附录B(补充件);p
-使用温度下纯水密度(kg/m\):见附录C(补充件);p\-使用(检验)环境温度下空气密度(kg/m\),由下式计算确定:p\=C,HX10-2...
H。使用(检验)时的大气压力(kPa)C。——空气密度与大气压力及环境温度的换算系数(m-2:s\),见附录D(补充件)。5.2零点对准误差检验
·(2)
在零点刻度线上,使读数尖端与水平面上虚像尽量靠近但不接触,调整好零点液位,然后慢慢转动微调盘,使液位升高到某一数值再下降到零点液位重新对准读数尖端,在旋转标尺上读出偏差值,如此反复进行五次,读数中最大值,用(1)式计算出压力值即为零点对准误差。5.3零点回复误差检验
基本误差检验后,使微压计压力源接咀与大气相通,转动微调盘,使读数尖端与水平面虚像尽量靠近但不接触,旋转标尺指示的示值用(1)式计算出压力值即为零点回复误差。5.4密封性检验
在未灌充工作介质时进行,用三通接咀、压力源、检测用微压计、被检微压计连成检验系统,加负荷使检测用微压计示值达到4.6条规定的压力,持续到5min时开始观察检测用微压计示值到10min止,应无下降现象。
检测用微压计应选用精确度等级不低于1.5级,量程相适应的杯形或者U形压力计。5.5机械零点
将垂直标尺中的滑块对准零点后,观察旋转标尺与零点的偏差值应符合4.7条规定。5.6读数装置检验
转动旋转标尺,观察读数尖端的影像,同时用手感检验转动时标尺的灵活性。5.7水平装置检验
目测检验,并检查水准泡有无符合GB1146规定要求的证明文件。5.8外观检验
目测检验。
5.9抗运输环境性能试验
按ZBY002规定进行试验,试验后按5.1~5.3条检验。6检验规则
6.1出厂检验
6.1.1检验项目及抽样
微压计应按本标准4.3~4.10及7.1条要求及相应的试验方法逐台进行出厂检验。6.1.2判定规则
单台微压计在符合6.1.1条规定的检验项目后方可判该微压计为合格品,微压计经检验合格并附有合格证方能出厂。
6.2.型式检验
6.2.1检验条件和内容
在下列任一情况下,微压计应按本标准全部技术要求和试验方法进行型式检验:a.新产品或老产品转厂生产的试制定型;b.成批生产的微压计定期检验;c.当设计、工艺、材料等方面有重大变更,影响产品性能时:d.停止生产的微压计再次生产时;4
6.2.2抽样及判定规则
JB/T6800-93
6.2.2.1在本标准6.2.1条a、c、d情况时抽样应不少于三台,所有检验项目全部符合本标准规定时方可判定型式检验通过。
6.2.2.2在本标准6.2.1条b情况时按以下规定:a.采用一次随机抽样,一组试样为四只微压计,抽取试样时的母体应不少于10只。b,对单只试样.当目测检验的项目存在不影响微压计基本功能的缺陷导致不符合标准规定时,可判该只微压计为合格品,在一组试样中有三只以上(含三只)微压计均存在同一类前述缺陷时则判定该次型式试验不通过。
c.只有四只微压计全部为合格品时,才能判定型式试验通过。7标志、包装和贮存
7.1标志
7.1.1每台微压计均应有铭牌,一般应包括下列内容:a.产品名称;
b.产品型号;
c.精确度;
d.测量范围;
e.制造厂名或商标;
f.制造年月和出厂编号。
7.1.2仪表或其说明书、包装物上.应标有本标准的代号、编号及名称。7.2包装
微压计包装应按ZBY003的规定,其中包装防护类型由制造厂自行规定。7.3贴存
微压计应存放在通风良好且无腐蚀性气体的室内。5
JB/T6800-93
附录A
检验顺序
(补充件)免费标准bzxz.net
读数装置、水平装置、外观、标志密封性
机械零点
零点对准误差
基本误差
零点回复误差
抗运输环增性能
在参比温度下停放
不少于2h
哈尔滨
张家口
石家庄
JB/T6800-93
附录B
中国各主要地区重力加速度
(补充件)
重力加速度
乌兰里哈
海拉尔
乌鲁木齐
乌兰浩特
佳木斯
社丹江
吐鲁番
齐齐哈尔
山海关
重力加速度
JB/T6800-93
注:本表未列地区的重力加速度值,可用下式计算出:9.80665×(1-0.00265×cos2Φ)gho
1+2h/R
式中:中-
测量增点的纬度:
R一一地球半径,等于.6371×10°mh——测量地点的海拨高度。
附录C
纯水在标准大气压下的密度值表(补充件)
997:04
p,kg/m
附加说明:
JB/T6800-93
附录D
空气密度与大气压力和环境温度换算系数(补充件)
本标准由西安工业自动化仪表研究所提出并归口。本标准由西安工业自动化仪表研究所负责起草。本标准主要起草人:王秀珍、成哲生、陈丽敏。温度
中华人民共和国
机械行业标准
补偿微压计
JB/T6800-93
JB/T6800--93
机械工业部仪器仪表综合技术经济研究所出版北京机械企协印剧服务部印剧
机械工业部仪器仪表综合技术经济研究所发行★
1995年3月第一版
1995年3月第一次印刷
工本售:5.00元
小提示:此标准内容仅展示完整标准里的部分截取内容,若需要完整标准请到上方自行免费下载完整标准文档。
标准图片预览:





- 其它标准
- 热门标准
- 机械行业标准(JB)
- JB/T5389.1-1995 滚动轴承 轧机用四列圆柱滚子轴承
- JB/T9396-1999 环块磨损试验机 技术条件
- JB/T5352-1991 电动工具 产品说明书编写导则
- JB/T5344.1-1991 矿热炉变压器 总则
- JB/T5288.3-1991 摆线针轮减速机 承载能力及传动效率测定方法
- JB/T5335-1991 蓄电池车辆用直流电动机 基本技术条件
- JB/T5391-1991 铁路机车车辆滚动轴承零件 磁粉探伤规程
- JB/T7732.1-1995 地膜覆盖机 技术条件
- JB/T5353-1991 电动工具 转子无溶剂漆滴浸工艺导则
- JB/T5388-1999 直线运动球轴承 技术条件
- JB/T7422.2-1999 立式内圆珩磨机 精度检验
- JB/T7665-1995 通用机械噪声声功率级现场测定 声强法
- JB/T9272-1999 氨压力表
- JB/T7273.8-1994 背面波纹手轮
- JB/T11340.3-2012 阀控式铅酸蓄电池安全阀 第3部分:橡胶帽、阀芯
- 行业新闻
请牢记:“bzxz.net”即是“标准下载”四个汉字汉语拼音首字母与国际顶级域名“.net”的组合。 ©2025 标准下载网 www.bzxz.net 本站邮件:bzxznet@163.com
网站备案号:湘ICP备2025141790号-2
网站备案号:湘ICP备2025141790号-2