- 您的位置:
- 标准下载网 >>
- 标准分类 >>
- 机械行业标准(JB) >>
- JB/T 5909.1-1991 电除尘器用瓷绝缘子支持瓷套
标准号:
JB/T 5909.1-1991
标准名称:
电除尘器用瓷绝缘子支持瓷套
标准类别:
机械行业标准(JB)
英文名称:
Porcelain bushings for porcelain insulators used in electric precipitators标准状态:
现行-
发布日期:
1991-12-25 -
实施日期:
1992-10-01 出版语种:
简体中文下载格式:
.rar.pdf下载大小:
1.34 MB
点击下载
标准简介:
标准下载解压密码:www.bzxz.net
本标准规定了电除尘器用支持瓷套(以下简称瓷套)的型式与尺寸,技术要求,试验方法,检验规则以及包装和标志等。本标准适用于额定直流电压为72、80、90、100KV,工作温度不超过正值250℃的电除尘器用支持瓷套,安装地点海拔高度不超过1000m。 JB/T 5909.1-1991 电除尘器用瓷绝缘子支持瓷套 JB/T5909.1-1991
部分标准内容:
中华人民共和国机械行业标准
电除尘器用瓷绝缘子
支持瓷套
1主题内容与适用范围
JB/T5909.1—91
本标准规定了电除尘器用支持瓷套(以下简称瓷套)的型式与尺寸,技术要求,试验方法,检验规则以及包装和标志等。
本标准适用于额定直流电压为72、80、90、100kV,工作温度不超过正值250℃的电除尘器用支持瓷套,安装地点海拔高度不超过1000m。引用标准
GB775.1~775.3
JB3384
JB/Z94
3型式与尺寸
高压绝缘子瓷件技术条件
绝缘子试验方法
电工名词术语绝缘子
高压绝缘子抽样方案
绝缘子产品包装
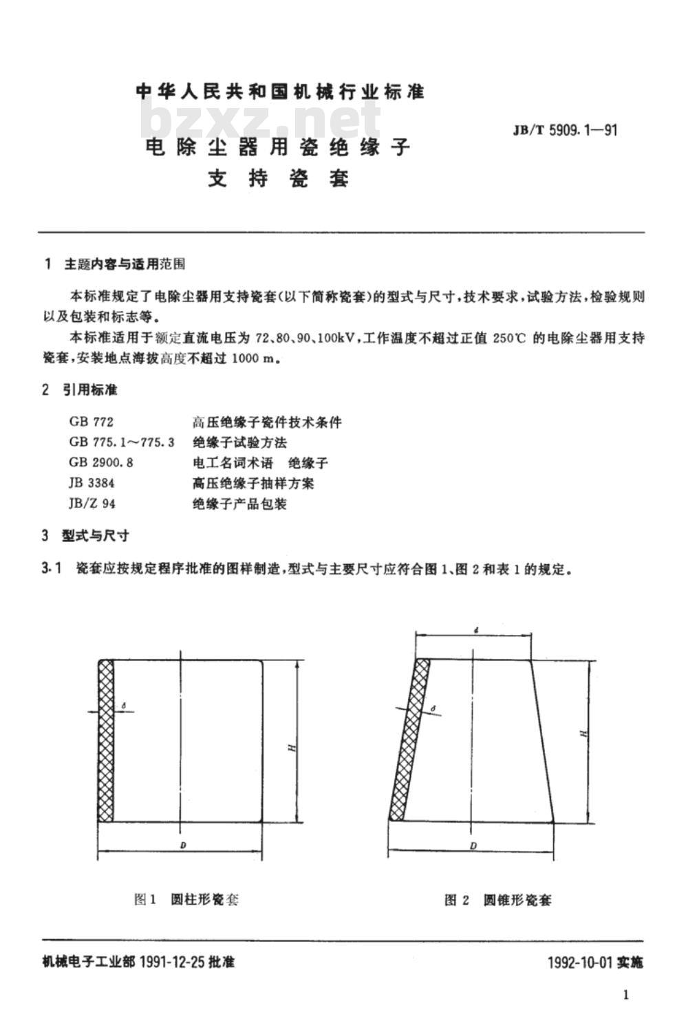
3.1瓷套应按规定程序批准的图样制造,型式与主要尺寸应符合图1、图2和表1的规定。图1圆柱形瓷套
机械电子工业部1991-12-25批准图2圆锥形瓷套
1992-10-01实施
JH-07201C
JH-07202C
JH-07251C
JH-07252C
JH-08001C
JH-08051C
JH-08052C
JH-09001C
JH-09051C
JH-10051C
JH-10052C
3.2瓷套型号表示方法如下:bZxz.net
JH-XXX
4技术要求
JB/T5909.1-91
瓷套的主要尺寸
460±10
400±4
600±5
460±10
350±8
410±9
520±12
480±11
640±14
工作温度为250℃时的代号
330±7
270±6
225±6
270±6
产品设计序号:用1位阿拉伯数字表示mm
产品型式号:用1位阿拉伯数字表示,0~4为圆柱形,5~9为圆锥形
额定电压,kV
电除尘器用瓷套
4.1·瓷套外观质量应符合GB772的相应规定。4.2瓷套壁厚工频击穿电压应不低于GB772的相应规定。瓷套的剖面应均质致密,经孔隙性试验后,不应有任何渗透现象。孔隙性试验时压力不小于4.3
20MPa,压力与时间的乘积不小于180MPa·h。4.4瓷套上下端面粗糙度R,为12.5um。4.5瓷套的形位公差应符合下列规定:a.
瓷套上下端面平面度不超过0.5mm;瓷套上下端面平行度不超过2mm;瓷套圆度不超过瓷套外径的2%;瓷套上下端同轴度不超过3mm。
4.6瓷套应耐受三次温度急剧变化而不损坏。其试验温度差应符合GB772的相应规定。4.7瓷套应耐受5min工频耐受电压试验而不击穿、不损坏或异常发热。其电压值应符合GB772的相应规定。
4.8瓷套应经受温度电压耐受试验而不损坏,试验温度和试验电压应符合表2的规定。2
额定直流电压
室温下直流试验电压
250℃直流试验电压
JB/T5909.1—91
表2温度、电压耐受试验值
瓷套在室温下压缩破坏负荷不小于500kN。5试验方法
5.1工频电压耐受试验
瓷套工频电压耐受试验按GB775.2的规定进行。5.2温度循环试验
瓷套温度循环试验按GB775.1的规定进行。5.3孔隙性试验
瓷套孔隙性试验按GB775.1的规定进行。5.4壁厚工频击穿电压试验
套管壁厚工频击穿电压试验按GB775.2的规定进行。5.5温度电压耐受试验
将洁净的试样安装在带有恒温箱的试验机上,电压加在试样两端面的电极上。试验时,先将恒温箱电源接通,待试验温度达到标准规定时恒温40min关闭恒温箱电源,然后施加电压至标准规定值维持1min,试样不应发生闪络。
5.6压缩破坏试验
在室温下,将试样放在压力机上,均匀而无冲击地施加压力至破坏为止。此时的负荷值即为压缩破坏负荷值。
6检验规则
瓷套应由制造厂质量检查部门验收,制造厂应保证全部送交的瓷套符合本标准规定。6.1
按照本标准规定的检验规则,用户有权检验瓷套的质量和指标是否符合本标准规定的各项要求。6.2
瓷套应按批进行验收,以同一工艺方法制成的同型号的瓷套为一批,每批数量不应超过100只。6.3
6.4瓷套的检验分为逐个检验、抽样检验和型式试验。6.4.1逐个检验
逐个检验应按表3规定进行。如有不符合表3规定的任何一项要求,则该瓷套不合格。表3逐个检验项目
检验项目序号
6.4.2抽样检验
检验项目名称
外观检查
尺寸检查
工额电压耐受试验
检验要求
本标准4.1条
本标准3.1.4.5条
本标准4.7条
检验方法
本标准5.1条
抽样检验应在逐个检验合格后随机抽取2只试样按表4规定进行.采用计件二次抽样方案,其抽样规则和判定程序应符合JB3384的规定。3
检验项目序号
检验项目名称
温度循环试验
孔腺性试验
JB/T5909.1--91
表4抽样检验内容
检验要求
本标准4.6条
本标准4.3条
试样数量
经第1项检验后的
瓷块每只试样取一块
检验方法
本标准5.2条
本标准5.3条
检验时如有一只试样不符合表4中规定的任何一项要求时,则应在同一批产品中抽取两倍数量的试样进行复验。如仍有一只试样不符合表4中的任何一项要求,则该批瓷套不合格。6.4.3型式试验
新产品定型或产品修改结构,改变原材料配方及工艺方法时,必须进行型式试验,型式试验的试样不少于4只,并在逐个试验合格后按表5进行。表5型式试验内容
试验项目序号
试验项目名称
温度循环试验
压缩破坏试验
温度电压耐受试验
壁厚工颖击穿电压
孔隙性试验
试验要求
本标准4.6条
本标准4.9条
本标准4.8条
本标准4.2条
本标准4.3条
试样数量
经2~4项试验后的
瓷块每只试样取一块
试验方法
本标准5.2条
本标准5.6条
本标准5.5条
本标准5.4条
本标准5.3条
型式试验时,若有一只试样不符合表5中规定的任何一项要求,则型式试验不合格。7
包装与标志
瓷套应采用木箱包装,并保证运输中不致因包装不良而损坏。其包装应符合JB/Z94的规定,包装7.1
箱上应标明:
制造厂名称;
瓷套型号;
瓷套数量;
包装箱总重量;
“小心轻放”、“瓷件”等字样或指示标记。瓷套瓷件上应有清晰而牢固的制造厂商标和制造年份。7.2
每批送交的瓷套应附有产品合格证,此证应有制造厂技术检验部门的印章。附加说明:
本标准由诸暨电除尘器研究所提出并归口,本标准由九江电瓷厂负责起草。本标准主要起草人邱运炽、张华。4
小提示:此标准内容仅展示完整标准里的部分截取内容,若需要完整标准请到上方自行免费下载完整标准文档。
电除尘器用瓷绝缘子
支持瓷套
1主题内容与适用范围
JB/T5909.1—91
本标准规定了电除尘器用支持瓷套(以下简称瓷套)的型式与尺寸,技术要求,试验方法,检验规则以及包装和标志等。
本标准适用于额定直流电压为72、80、90、100kV,工作温度不超过正值250℃的电除尘器用支持瓷套,安装地点海拔高度不超过1000m。引用标准
GB775.1~775.3
JB3384
JB/Z94
3型式与尺寸
高压绝缘子瓷件技术条件
绝缘子试验方法
电工名词术语绝缘子
高压绝缘子抽样方案
绝缘子产品包装
3.1瓷套应按规定程序批准的图样制造,型式与主要尺寸应符合图1、图2和表1的规定。图1圆柱形瓷套
机械电子工业部1991-12-25批准图2圆锥形瓷套
1992-10-01实施
JH-07201C
JH-07202C
JH-07251C
JH-07252C
JH-08001C
JH-08051C
JH-08052C
JH-09001C
JH-09051C
JH-10051C
JH-10052C
3.2瓷套型号表示方法如下:bZxz.net
JH-XXX
4技术要求
JB/T5909.1-91
瓷套的主要尺寸
460±10
400±4
600±5
460±10
350±8
410±9
520±12
480±11
640±14
工作温度为250℃时的代号
330±7
270±6
225±6
270±6
产品设计序号:用1位阿拉伯数字表示mm
产品型式号:用1位阿拉伯数字表示,0~4为圆柱形,5~9为圆锥形
额定电压,kV
电除尘器用瓷套
4.1·瓷套外观质量应符合GB772的相应规定。4.2瓷套壁厚工频击穿电压应不低于GB772的相应规定。瓷套的剖面应均质致密,经孔隙性试验后,不应有任何渗透现象。孔隙性试验时压力不小于4.3
20MPa,压力与时间的乘积不小于180MPa·h。4.4瓷套上下端面粗糙度R,为12.5um。4.5瓷套的形位公差应符合下列规定:a.
瓷套上下端面平面度不超过0.5mm;瓷套上下端面平行度不超过2mm;瓷套圆度不超过瓷套外径的2%;瓷套上下端同轴度不超过3mm。
4.6瓷套应耐受三次温度急剧变化而不损坏。其试验温度差应符合GB772的相应规定。4.7瓷套应耐受5min工频耐受电压试验而不击穿、不损坏或异常发热。其电压值应符合GB772的相应规定。
4.8瓷套应经受温度电压耐受试验而不损坏,试验温度和试验电压应符合表2的规定。2
额定直流电压
室温下直流试验电压
250℃直流试验电压
JB/T5909.1—91
表2温度、电压耐受试验值
瓷套在室温下压缩破坏负荷不小于500kN。5试验方法
5.1工频电压耐受试验
瓷套工频电压耐受试验按GB775.2的规定进行。5.2温度循环试验
瓷套温度循环试验按GB775.1的规定进行。5.3孔隙性试验
瓷套孔隙性试验按GB775.1的规定进行。5.4壁厚工频击穿电压试验
套管壁厚工频击穿电压试验按GB775.2的规定进行。5.5温度电压耐受试验
将洁净的试样安装在带有恒温箱的试验机上,电压加在试样两端面的电极上。试验时,先将恒温箱电源接通,待试验温度达到标准规定时恒温40min关闭恒温箱电源,然后施加电压至标准规定值维持1min,试样不应发生闪络。
5.6压缩破坏试验
在室温下,将试样放在压力机上,均匀而无冲击地施加压力至破坏为止。此时的负荷值即为压缩破坏负荷值。
6检验规则
瓷套应由制造厂质量检查部门验收,制造厂应保证全部送交的瓷套符合本标准规定。6.1
按照本标准规定的检验规则,用户有权检验瓷套的质量和指标是否符合本标准规定的各项要求。6.2
瓷套应按批进行验收,以同一工艺方法制成的同型号的瓷套为一批,每批数量不应超过100只。6.3
6.4瓷套的检验分为逐个检验、抽样检验和型式试验。6.4.1逐个检验
逐个检验应按表3规定进行。如有不符合表3规定的任何一项要求,则该瓷套不合格。表3逐个检验项目
检验项目序号
6.4.2抽样检验
检验项目名称
外观检查
尺寸检查
工额电压耐受试验
检验要求
本标准4.1条
本标准3.1.4.5条
本标准4.7条
检验方法
本标准5.1条
抽样检验应在逐个检验合格后随机抽取2只试样按表4规定进行.采用计件二次抽样方案,其抽样规则和判定程序应符合JB3384的规定。3
检验项目序号
检验项目名称
温度循环试验
孔腺性试验
JB/T5909.1--91
表4抽样检验内容
检验要求
本标准4.6条
本标准4.3条
试样数量
经第1项检验后的
瓷块每只试样取一块
检验方法
本标准5.2条
本标准5.3条
检验时如有一只试样不符合表4中规定的任何一项要求时,则应在同一批产品中抽取两倍数量的试样进行复验。如仍有一只试样不符合表4中的任何一项要求,则该批瓷套不合格。6.4.3型式试验
新产品定型或产品修改结构,改变原材料配方及工艺方法时,必须进行型式试验,型式试验的试样不少于4只,并在逐个试验合格后按表5进行。表5型式试验内容
试验项目序号
试验项目名称
温度循环试验
压缩破坏试验
温度电压耐受试验
壁厚工颖击穿电压
孔隙性试验
试验要求
本标准4.6条
本标准4.9条
本标准4.8条
本标准4.2条
本标准4.3条
试样数量
经2~4项试验后的
瓷块每只试样取一块
试验方法
本标准5.2条
本标准5.6条
本标准5.5条
本标准5.4条
本标准5.3条
型式试验时,若有一只试样不符合表5中规定的任何一项要求,则型式试验不合格。7
包装与标志
瓷套应采用木箱包装,并保证运输中不致因包装不良而损坏。其包装应符合JB/Z94的规定,包装7.1
箱上应标明:
制造厂名称;
瓷套型号;
瓷套数量;
包装箱总重量;
“小心轻放”、“瓷件”等字样或指示标记。瓷套瓷件上应有清晰而牢固的制造厂商标和制造年份。7.2
每批送交的瓷套应附有产品合格证,此证应有制造厂技术检验部门的印章。附加说明:
本标准由诸暨电除尘器研究所提出并归口,本标准由九江电瓷厂负责起草。本标准主要起草人邱运炽、张华。4
小提示:此标准内容仅展示完整标准里的部分截取内容,若需要完整标准请到上方自行免费下载完整标准文档。
标准图片预览:




- 其它标准
- 热门标准
- 机械行业标准(JB)
- JB/T7938-1999 液压泵站油箱公称容量系列
- JB/T1625-2002 工业锅炉焊接管孔
- JB/T7850-1995 手夹快换接头
- JB/T8009.4-1999 机床夹具零件及部件 弧形压块
- JB/T7936-1999 直廓环面蜗杆减速器
- JB/T7939-1999 单活塞杆液压缸两腔面积比
- JB/T7941.2-1995 旋入式圆形油杯
- JB/T7946.2-1999 铸造铝硅合金过烧
- JB/T6375-1992 气动阀用橡胶密封圈 尺寸系列和公差
- JB/T7925.2-1995 滑动轴承 多层轴承减摩合金硬度检验方法
- JB/T7945-1999 灰铸铁机械性能试验方法
- JB/T7966.3-1999 模具铣刀 第 3 部分:莫氏锥柄圆柱形球头立铣刀
- JB/T7946.3-1999 铸造铝合金针孔
- JB/T7944-2000 圆柱螺旋弹簧抽样检查
- JB/T7948.1-1999 熔炼焊剂化学分析方法 重量法测定二氧化硅量
- 行业新闻
请牢记:“bzxz.net”即是“标准下载”四个汉字汉语拼音首字母与国际顶级域名“.net”的组合。 ©2025 标准下载网 www.bzxz.net 本站邮件:bzxznet@163.com
网站备案号:湘ICP备2025141790号-2
网站备案号:湘ICP备2025141790号-2