- 您的位置:
- 标准下载网 >>
- 标准分类 >>
- 机械行业标准(JB) >>
- JB/T 5840-1991 JA系列50A以上开关用双极型电力晶体管
- 标准号: - JB/T 5840-1991
- 标准名称: - JA系列50A以上开关用双极型电力晶体管
- 标准类别: - 机械行业标准(JB)
- 英文名称: JA series bipolar power transistors for switches above 50A
- 标准状态: 已作废
- 
          	发布日期: 1991-10-24
- 
		 实施日期: 1992-10-01
- 出版语种: 简体中文
- 下载格式: .rar.pdf
- 下载大小: 3.46 MB
- 中标分类号: 电工>>输变电设备>>K46电力半导体期间、部件
 标准内容
标准内容部分标准内容:
					
					中华人民共和国机械行业标准
JB/T 5840-1991
JA系列50A以上开关用双极型电力晶体管1991-10-24发布
中华人民共和国机械电子工业部1992-10-01实施
中华人民共和国机械行业标准
JA系列50A以上开关用双极型电力晶体管1主题内容与适用范围
JB/T 58401991
本标准规定了管壳额定开关用双极型电力晶体管的极限值,特性值及其检验规则和依据。本标准适用于此种晶体管的JA50、JA100和JA200型单管。2引用标准
GB6218
GB4587
GB4024
开关用双极型晶体管空白详细规范双极型晶体管测试方法
半导体器件反向阻断晶闸管测试方法GB2423.4
电工电子产品基本环境试验规程试验Db;交变湿热试验方法GB4937半导体分立器件机被和气候试验方法GB4938
3技术要求
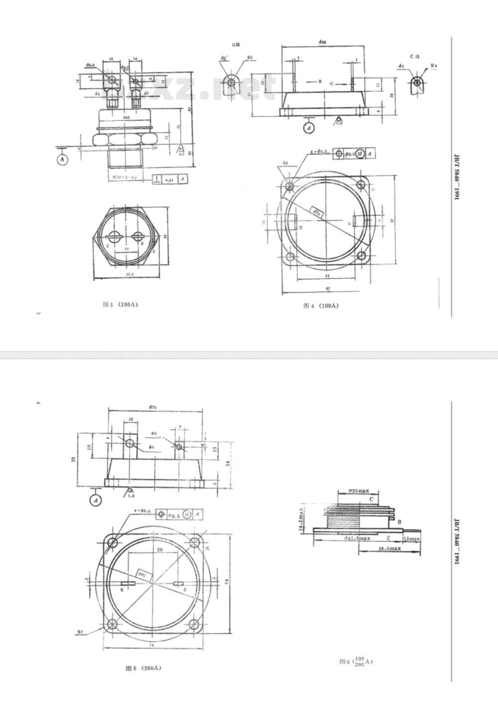
3.1外形尺寸
半导体分立器件接收和可靠性
外形尺寸推荐如图1~图8。
机械电子工业部1991-10-24批准1992-10-01实施
图3(100A)
图2(50A)
图4(100A)
JB/T5840
图3(100A)
图5(200A)
图4(100A)
图(288
图3(100A)
图5(200A)
图4(100A)
图6(288
还剩9页未读,是否继续阅读?
此文档由luoxiankui分享于2015-09-13继续免费阅读全文
阅读了该文档的用户还阅读了这些文档不看了,直接下载
IB/T5840
图7(50A)
3.2极限值(绝对景大额定值)
3.2.1极限值按表1规定。
极限值
管壳温度
贮存温度
最高等效结温
集电极-基极电压
集电极-发射极电压
集电极-发射极维持电压
发射极-基极电压
最大连续集电极电流
最大总耗散功率
JB/T 5840-1991
VcEO(s)
图8(50A)
40~+75
=40~+150
400~1200
400~1200
≥0.5Vcno
JB/T 58401991
极限值(绝对景大额定值)
极限值按表1规定。
极限值
管壳温度
贮存温度
最高等效结温
集电极-基极电压
集电极-发射极电压
集电极-发射极维持电压
发射极-基极电压
最大连续集电极电流
瑕大总耗散功率www.bzxz.net
Te75℃
JB/T 58401991
VcEO(e)
集电极-基极电压VcBo和集电极一发射极电压Vc2o按表2分级。表2
VcBo和
3.3电特性
电特性按表3现定。
电特性
Tase=25(另有规定除外)
共发射极正向电流传输比的静态值最大集电极一发射极饱和电压
最大基极-发射极饱和电压
最大集电极-基极截止电流
最大集电极一发射极截止电流
最大发射极基极截止电流
集电极一发射极维持电压
VcEsat
VBEsat)
IcBort)
40~+75
=40~+150
400~1200
400~1200
≥0.5Vcpo
试验分组
电特性
Tcase=25r(另有规定除外)
高疆最大集电极-基极截止电流
开英时间
结壳热阻最大值
3.4特性曲线(不作检验用)
Icaota)
JB/T 58401991
续表3
生产厂在产品说明书中应给出下列曲线:安全工作区(Ic-Vce)曲线
Ptot-Tease降额曲线:
hE-T(曲线
d,Vceo-T()曲线。
4检验规则
逐批(A组)检验
A组检验按表4规定,所有检验都是非破坏性的。裘4
外部目检
不工作器作
单位引用标准
案电极一基
极截止电流
集电极-发射
极裁止电流
发射极-基极
截止电流
巢电极-发射
VcEOtsur
爱维持电压
集电摄-发射
VcEtsat)
极饱和电压
GB4537
GB4587
GB4587
GB4587
附兼A.G
Tene25
(另有规定除外)
正常照明和正常视力
接A2b
Vcn-VcBo
VceVcEO
Te-75℃
试验分组
检验要求
电被及其它标志清听,
表面无缺担
缆路:IcBo>100Icno(1)
T%5ic=IcIcM
GB4587
Ig-10A(JA50),20A(JA
100),40A(JA200)
AQL(II)
基级一发射极YsEat
绝和电压
供发射极电魂
传输比的静态
开关时间
JB/T 58401991
续囊。
用标准
GB4587
GB4587
T+tgm25
(易有款定险外)
Tea73C,icmfc
IB-10A(JA50),20A
(JA100),40A(JA200)
ic-I惑IcM
f1p8,fx5#8
0=0.1%,ic-Ic,JA50
mmn1oA,rt6os
GB4587
120,JA100;Im1=-Im3
附录A.4
20A,R-32,60
JA200,InMi--Inmt=40A
KL=1.50,30
检验要求
JA100JA290
AQL(I)
注:①检验要求栏中的AQL抽样见附录A。②A4分组条件栏中RL的三对值中,得对中小的对立VeE0=190~703V,大的对应VcE0-800V-1200V。如第一次提交检验不合格,可按附录A加严。一级冠额径交检跨,但只能迅新提交一次。4.2周期(B组)检验
B组检验按表5规定。正常生产的定型产品,每年至少应作一批B想检验。标有(D)的检验是破坏性的(以下同)。
引线拉力(D)
(对非空整
器件)
可焊性
温度快违变化
继之:交变湿势
(D)(对非空腔
器件)
成继之
密封(对空器
最后测试,
截止电流
饱和电压
IenomA
Vertsa)
正向电流传输比aE
引用标准
GB4937
GB4937
Teae=25
(另有担定险外)
按外恩
每报引出线加9.8N
焊料点演法,悠铁
温度为2352℃,
引出端应在2.58内
洁有舜料
最大外形及安装尺寸符合规定
试验后款大3案10借进行检查,
不出我嘴裂、松弱或引出跳与
薪件本体之间出现相对移动
廣源典好
两简法,-49℃和150℃
GB4987
坏5次,较势时纳2~
3min,恢复时尚ah
试验Db,方式2严融度
GB2423
55℃需环2次
GB4937
密:整样品漫资在15
也30℃的家油液中,油
超出择品外宽的最上
部不少手10m3,绝后
连1min内压力降
13.3Pa,在任何小阅压
力和该压力保持1min
按Aab
不反复出现汽泡
≤1.5 ≤3.0
电醛久性
(工作寿命
或高温反馆》
最厝测试:
截止电流
饱和电压
IcBora)
Vca(st)
正向电流传
放行批证明
JB/T 58401991
续表5
单位引用标准
GB4938
Teat25
(另有规定除外)
工作决命
tml68tien
Teas-75_9r
高温反像
-1686h
Te-150_9
VcA=VcBD
VcE=25V
ic=16A(JA50)
32A(A100)
40A(JA200)
报A2b
拨A2b
简要给出B3、B4、B5和B8分组育关属性数据,检验前后Icno[1)、VcE:)、hs1E以及检验结论注:检验要求栏中的n、C分别为抽样数和合格判定,以下同。在B组第一次提交检验不合格,可按谢录B过烈独择再进行一次检验,但每一捡验分组只能追加一次,且避期的样品应经受该分组的全部检验。4.3周期(C组)检验
C组检验按表6规定。正常生产的定型产品,每年至少应作一批C组检验。裘6
检验或试验
高温集电极
基设懿止电流
结尧热阻
转矩(D)
耐焊接热(D)
最后测试:
截止电流
饱和电压
Icao(t)
ToBa()mA
VcElsat)
正底电流传输比haiE
引用标准
GB4587
GB4587
GB4937
GB4937
Teae=25℃
(另有规定除外)
按外形图
Tu125r
VeB-0.7VcBo
检验要求
JA100|JA200
全部尺寸符合规定
结温=T(vi),P=400W
0.18800940:075
(JA50),800W(JA100),
1000W(JA200)
严格度1,转矩作用
时间10~158
焊接温度260士5℃
爱润时间10士1s
恢复时间大于1h
浸端距本体2~2.5mm
按A2b
拨A2h
不损坏
0.81.5≤3.0
检验或试验
恒定加遭度
(对空腔器
最后测试:
截止电流
饱和电压
正陶电流传
IcBomA
Vcalsat
稳态谨热(对
非空腔器件)
最后测试,
载止电流
饱和电压
正响电流传
cBO()mA
VcElsat
电耐久性(工
作寿命或高
温反偏》
最后测试:
截止电流
饱和电压
正向电流传
高温存
TcBoumA
VcEtost
最后测试:
截止电流
饱和电压
Icno()mA
VcEest
正向电流传
CRRL敬行证明
引用标准
GB4937
GB4937
GB4938
JB/T5840-1991
续裘6
Teae=25c
(另有规定除外)
恒定加遵度:质意100g以
上器件,加速度500g三个
主勃各轴的两个方向,各
按A2b
拨A2b
温度,:85士2℃
相对湿度,80%~90%
试险时间,1000二h
恢复时间,样品在25±3℃
正常大气条件下
恢复2~24h
最后测试在恢复时间以后
的8h内完成
工作券命
t=100018h
Te+75_
Ic=16A(JA50)
32A(JA100)
40A(JA200)
拨A2b
孩A2b
CB4937
高温反偏
t=100038h
结温=150_
VceVcBo
缩温=150-9
t1000-3
按A2b
按A2b
0.81.53.0
筒要给出C4、C6、C7和Co分组的有关属性数据,检验前后的IcBO()Vcsat21E以及检验结论注;如C8分组作的高温反偏试验,期C9分组可不作。急!B组第一次提交检验不合格,可按B组第次提交检验不合格处理。10
小提示:此标准内容仅展示完整标准里的部分截取内容,若需要完整标准请到上方自行免费下载完整标准文档。
	 
	        
	      JB/T 5840-1991
JA系列50A以上开关用双极型电力晶体管1991-10-24发布
中华人民共和国机械电子工业部1992-10-01实施
中华人民共和国机械行业标准
JA系列50A以上开关用双极型电力晶体管1主题内容与适用范围
JB/T 58401991
本标准规定了管壳额定开关用双极型电力晶体管的极限值,特性值及其检验规则和依据。本标准适用于此种晶体管的JA50、JA100和JA200型单管。2引用标准
GB6218
GB4587
GB4024
开关用双极型晶体管空白详细规范双极型晶体管测试方法
半导体器件反向阻断晶闸管测试方法GB2423.4
电工电子产品基本环境试验规程试验Db;交变湿热试验方法GB4937半导体分立器件机被和气候试验方法GB4938
3技术要求
3.1外形尺寸
半导体分立器件接收和可靠性
外形尺寸推荐如图1~图8。
机械电子工业部1991-10-24批准1992-10-01实施
图3(100A)
图2(50A)
图4(100A)
JB/T5840
图3(100A)
图5(200A)
图4(100A)
图(288
图3(100A)
图5(200A)
图4(100A)
图6(288
还剩9页未读,是否继续阅读?
此文档由luoxiankui分享于2015-09-13继续免费阅读全文
阅读了该文档的用户还阅读了这些文档不看了,直接下载
IB/T5840
图7(50A)
3.2极限值(绝对景大额定值)
3.2.1极限值按表1规定。
极限值
管壳温度
贮存温度
最高等效结温
集电极-基极电压
集电极-发射极电压
集电极-发射极维持电压
发射极-基极电压
最大连续集电极电流
最大总耗散功率
JB/T 5840-1991
VcEO(s)
图8(50A)
40~+75
=40~+150
400~1200
400~1200
≥0.5Vcno
JB/T 58401991
极限值(绝对景大额定值)
极限值按表1规定。
极限值
管壳温度
贮存温度
最高等效结温
集电极-基极电压
集电极-发射极电压
集电极-发射极维持电压
发射极-基极电压
最大连续集电极电流
瑕大总耗散功率www.bzxz.net
Te75℃
JB/T 58401991
VcEO(e)
集电极-基极电压VcBo和集电极一发射极电压Vc2o按表2分级。表2
VcBo和
3.3电特性
电特性按表3现定。
电特性
Tase=25(另有规定除外)
共发射极正向电流传输比的静态值最大集电极一发射极饱和电压
最大基极-发射极饱和电压
最大集电极-基极截止电流
最大集电极一发射极截止电流
最大发射极基极截止电流
集电极一发射极维持电压
VcEsat
VBEsat)
IcBort)
40~+75
=40~+150
400~1200
400~1200
≥0.5Vcpo
试验分组
电特性
Tcase=25r(另有规定除外)
高疆最大集电极-基极截止电流
开英时间
结壳热阻最大值
3.4特性曲线(不作检验用)
Icaota)
JB/T 58401991
续表3
生产厂在产品说明书中应给出下列曲线:安全工作区(Ic-Vce)曲线
Ptot-Tease降额曲线:
hE-T(曲线
d,Vceo-T()曲线。
4检验规则
逐批(A组)检验
A组检验按表4规定,所有检验都是非破坏性的。裘4
外部目检
不工作器作
单位引用标准
案电极一基
极截止电流
集电极-发射
极裁止电流
发射极-基极
截止电流
巢电极-发射
VcEOtsur
爱维持电压
集电摄-发射
VcEtsat)
极饱和电压
GB4537
GB4587
GB4587
GB4587
附兼A.G
Tene25
(另有规定除外)
正常照明和正常视力
接A2b
Vcn-VcBo
VceVcEO
Te-75℃
试验分组
检验要求
电被及其它标志清听,
表面无缺担
缆路:IcBo>100Icno(1)
T%5ic=IcIcM
GB4587
Ig-10A(JA50),20A(JA
100),40A(JA200)
AQL(II)
基级一发射极YsEat
绝和电压
供发射极电魂
传输比的静态
开关时间
JB/T 58401991
续囊。
用标准
GB4587
GB4587
T+tgm25
(易有款定险外)
Tea73C,icmfc
IB-10A(JA50),20A
(JA100),40A(JA200)
ic-I惑IcM
f1p8,fx5#8
0=0.1%,ic-Ic,JA50
mmn1oA,rt6os
GB4587
120,JA100;Im1=-Im3
附录A.4
20A,R-32,60
JA200,InMi--Inmt=40A
KL=1.50,30
检验要求
JA100JA290
AQL(I)
注:①检验要求栏中的AQL抽样见附录A。②A4分组条件栏中RL的三对值中,得对中小的对立VeE0=190~703V,大的对应VcE0-800V-1200V。如第一次提交检验不合格,可按附录A加严。一级冠额径交检跨,但只能迅新提交一次。4.2周期(B组)检验
B组检验按表5规定。正常生产的定型产品,每年至少应作一批B想检验。标有(D)的检验是破坏性的(以下同)。
引线拉力(D)
(对非空整
器件)
可焊性
温度快违变化
继之:交变湿势
(D)(对非空腔
器件)
成继之
密封(对空器
最后测试,
截止电流
饱和电压
IenomA
Vertsa)
正向电流传输比aE
引用标准
GB4937
GB4937
Teae=25
(另有担定险外)
按外恩
每报引出线加9.8N
焊料点演法,悠铁
温度为2352℃,
引出端应在2.58内
洁有舜料
最大外形及安装尺寸符合规定
试验后款大3案10借进行检查,
不出我嘴裂、松弱或引出跳与
薪件本体之间出现相对移动
廣源典好
两简法,-49℃和150℃
GB4987
坏5次,较势时纳2~
3min,恢复时尚ah
试验Db,方式2严融度
GB2423
55℃需环2次
GB4937
密:整样品漫资在15
也30℃的家油液中,油
超出择品外宽的最上
部不少手10m3,绝后
连1min内压力降
13.3Pa,在任何小阅压
力和该压力保持1min
按Aab
不反复出现汽泡
≤1.5 ≤3.0
电醛久性
(工作寿命
或高温反馆》
最厝测试:
截止电流
饱和电压
IcBora)
Vca(st)
正向电流传
放行批证明
JB/T 58401991
续表5
单位引用标准
GB4938
Teat25
(另有规定除外)
工作决命
tml68tien
Teas-75_9r
高温反像
-1686h
Te-150_9
VcA=VcBD
VcE=25V
ic=16A(JA50)
32A(A100)
40A(JA200)
报A2b
拨A2b
简要给出B3、B4、B5和B8分组育关属性数据,检验前后Icno[1)、VcE:)、hs1E以及检验结论注:检验要求栏中的n、C分别为抽样数和合格判定,以下同。在B组第一次提交检验不合格,可按谢录B过烈独择再进行一次检验,但每一捡验分组只能追加一次,且避期的样品应经受该分组的全部检验。4.3周期(C组)检验
C组检验按表6规定。正常生产的定型产品,每年至少应作一批C组检验。裘6
检验或试验
高温集电极
基设懿止电流
结尧热阻
转矩(D)
耐焊接热(D)
最后测试:
截止电流
饱和电压
Icao(t)
ToBa()mA
VcElsat)
正底电流传输比haiE
引用标准
GB4587
GB4587
GB4937
GB4937
Teae=25℃
(另有规定除外)
按外形图
Tu125r
VeB-0.7VcBo
检验要求
JA100|JA200
全部尺寸符合规定
结温=T(vi),P=400W
0.18800940:075
(JA50),800W(JA100),
1000W(JA200)
严格度1,转矩作用
时间10~158
焊接温度260士5℃
爱润时间10士1s
恢复时间大于1h
浸端距本体2~2.5mm
按A2b
拨A2h
不损坏
0.81.5≤3.0
检验或试验
恒定加遭度
(对空腔器
最后测试:
截止电流
饱和电压
正陶电流传
IcBomA
Vcalsat
稳态谨热(对
非空腔器件)
最后测试,
载止电流
饱和电压
正响电流传
cBO()mA
VcElsat
电耐久性(工
作寿命或高
温反偏》
最后测试:
截止电流
饱和电压
正向电流传
高温存
TcBoumA
VcEtost
最后测试:
截止电流
饱和电压
Icno()mA
VcEest
正向电流传
CRRL敬行证明
引用标准
GB4937
GB4937
GB4938
JB/T5840-1991
续裘6
Teae=25c
(另有规定除外)
恒定加遵度:质意100g以
上器件,加速度500g三个
主勃各轴的两个方向,各
按A2b
拨A2b
温度,:85士2℃
相对湿度,80%~90%
试险时间,1000二h
恢复时间,样品在25±3℃
正常大气条件下
恢复2~24h
最后测试在恢复时间以后
的8h内完成
工作券命
t=100018h
Te+75_
Ic=16A(JA50)
32A(JA100)
40A(JA200)
拨A2b
孩A2b
CB4937
高温反偏
t=100038h
结温=150_
VceVcBo
缩温=150-9
t1000-3
按A2b
按A2b
0.81.53.0
筒要给出C4、C6、C7和Co分组的有关属性数据,检验前后的IcBO()Vcsat21E以及检验结论注;如C8分组作的高温反偏试验,期C9分组可不作。急!B组第一次提交检验不合格,可按B组第次提交检验不合格处理。10
小提示:此标准内容仅展示完整标准里的部分截取内容,若需要完整标准请到上方自行免费下载完整标准文档。
 标准图片预览
标准图片预览 标准图片预览:





- 热门标准
- 机械行业标准(JB)
- JB/T7895-2008 永磁筒式磁选机
- JB/T10288-2001 连栋温室结构
- JB/T3411.50-1999 两爪顶拔器 尺寸
- JB/T10056-1999 直流电流互感器 技术条件
- JB/T10930-2010 200级耐电晕漆包铜圆线
- JB/T2756-2006 无轨电车用炭滑块
- JB/T7140.1-1993 牲畜药浴机械 型式与基本参数
- JB/T9933.2-1999 小模数齿轮滚齿机 精度检验
- JB/T20086-2006 药用容器 料斗
- JB/T8468-2014 锻钢件磁粉检测
- JB/T5934-1991 工程机械门锁 技术条件
- JB/T8108.2-1999 起重用短环链 用于葫芦的其他起重设备的T(8)级校准链条
- JB/T8528-1997 普通型阀门电动装置 技术条件
- JB/T9768-1999 内燃机 气缸套平台珩磨网纹 技术规范及检测方法
- JB/T5000.14-2007 重型机械通用技术条件 第14部分:铸钢件无损探伤
- 行业新闻
请牢记:“bzxz.net”即是“标准下载”四个汉字汉语拼音首字母与国际顶级域名“.net”的组合。 ©2025 标准下载网 www.bzxz.net 本站邮件:bzxznet@163.com
网站备案号:湘ICP备2025141790号-2
网站备案号:湘ICP备2025141790号-2
