【电子行业标准(SJ)】 半导体集成电路 Jμ80286-6、Jμ80286-8、Jμ80286-10型微处理器详细规范
本网站 发布时间:
2024-07-05 02:19:28
- SJ50597.8-1994
- 现行
- 点击下载此标准
标准号:
SJ 50597.8-1994
标准名称:
半导体集成电路 Jμ80286-6、Jμ80286-8、Jμ80286-10型微处理器详细规范
标准类别:
电子行业标准(SJ)
标准状态:
现行-
发布日期:
1994-09-30 -
实施日期:
1994-12-01 出版语种:
简体中文下载格式:
.rar.pdf下载大小:
561.87 KB
点击下载
标准简介:
标准下载解压密码:www.bzxz.net
SJ 50597.8-1994 半导体集成电路 Jμ80286-6、Jμ80286-8、Jμ80286-10型微处理器详细规范 SJ50597.8-1994
部分标准内容:
中华人民共和国电子行业军用标准FL5962
SJ50597.8-94
半导体集成电路Ju80286-6、
Ju80286-8.Ju80286-10
型微处理器详细规范
Detail specification for type Jμ 80286-6,Ju 80286 -- 8.Ju 80286 -- 10 microprocessorsof semiconduclor integrated circuits1994-09-30发布
1994-12-01实施
中华人民共和国电子工业部批准中华人民共和国电子行业军用标准半导体集成电路
Ju80286--6.Ju80286-8.Ju80286-10型微处理器详细规范
Detail specificatton for type Jμ 80286-6.Jy 80286-8.Jμ 80286 -- 10 microprocessorsof semiconductor lategrated circuits1范围
SJ 50597.8 -- 94
1.1主题内容
本规范规定了半导体集成电路JμB0285-6Ju80286-8、Jμ80286-10型微处理器(以下简称器件)的详细要求。
1.2适用范围
本规范适用于器件的研制、生产和采购。1.3分类
本规范对微电路按器件型号、器件等级、封装形式、额定值和推荐工作条件来分类。1.3.1器件编号
器件编号应按GJB597<微电路总规范)第3.6.2条的规定。1.3.1.1器件型号
器件型号如下:
器件型号
J±80286-6
5u802868
J±80286-10
件名称
十六位微处理器
1.3.1.2器件等级
器件等级应为GJB597第3.4条规定的B级和木规范规定的B1级。本规范中未对BI 级另加说明的条款应理解为与B级相同1.3.1.3封装式
封装形式按GB7092半导体集成电路外形尺寸)的规定。封装形式如下:
中华人民共和国电于工业部1994.09.30发布1994-12-01实施
TKAONKAca
SJ 50597.B - 94
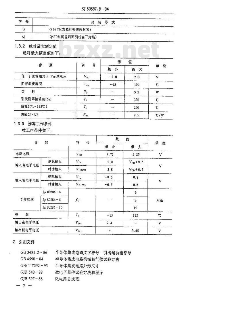
G68P3(陶瓷针栅阵列封装)
Q58P3(陶瓷四面引线扇严封装
1.3.2绝对最大额定值
绝对最大额定值如下:
任一引出端相对于端电压
忙存溢度范]
引线耐焊接温度(5s)
结温(,=125)
热阻(-C
1.3.3 推荐工作条件
推工作茶件如下:
电源电压
输人高电平电压
输入低电平电压
工作频率
出高屯平电压
输出低电平电玉
2引用文件
逻辑输入
时钟输人
逐输人
时钟输人
Ju 80286 - 6
Ju802868
Jp80286-10
GB 3431.2 - 86
GR 4590 - 84
GR/ T 7092 - 93
GJB 548 ~ 88
GIB 597 - R8
ViLiepy
半导体集成电路文字符号引出端功能符号半导体集成电路机械和气候试验方构半导体集成电路外形尺寸
微电子器件试验方法和程序
微电路总规范
GIB 1649--93
SI/2 9015,2 - 87
3要求
3.1详细要求
SJ 50597.8-94
电子产品防静电放电控制大纲
半导体器件集成电路第2部分:数字集成电路各项要求应按GJB597和本规范的规定。3.2设计、结构和外形尺寸
设计,结构和外形尺寸应符合 GJF 597 和本规范的规定。3.2.1引出端排列
引出端排列应符合图1的规定。引出端排列为仰视图。的
国国##
国国国E#国国国
888888
3888888
@@????QQ??
画e0#0#d
a陶瓷针栅阵列封装
TKAONKAca
S 50597.8 94
61 . 62 63 64 65 66 67 69 4
43 42 41 40 39 38 37 36 35 34 33 32 31 30 29 28 27b陶瓷四面引线扇平封装
图1引出端排列
3.2.2功能框图
功能框图应符合图2的规定。
COD/INTA
TTKAONTKAca-
SI 60597.8 - 94
3.2.3功能说明、符号和定义
SJ 50597.8- 94
功能说明、符号和定义,应符合本规范6.3条的规定。3.2.4封装形式
封装形式应符合本规范 1.3.1.3 条的规定。3.3引线材料和涂覆
引线材料和涂夏,应接 GIB 597 第 3. 5. 6 条的规定。3.4电特性
电特性应符合表1的规定,若无其它规定,适合于全工作猛度范。3.5电试验要求
各级器件的电试验要求,应为表2所规定的有关分组,各分组的电测试按表3的规定。3.6标志
标志应按 GJB 597 第 3.6条的规定。3.7微电路组的划分
本规范所涉及的器件为第107微电路组(见GJB597附录E)。表1电特性
若无其它规定,Tc=55~125℃,Vm=5V±5%,Vss=0V序!
1系统时周期
系统时钟凭电平射
系统时钟高电平对
异步渐人延立时间
异步输入保持时间
RESE工建立时间
RESET保持时间
读数据建立时间
[读数握保持时词
10READY建立时间
11READY保持时间
nciaNPUT
I RESETH-CL)
I w. RESETI-CL.?
ThICL-RESETL]
F CLURESETHO
Fa DY-CL
(WCL-DZ)
I su(reADY,- C.
h CI.- READYV)
tE'READYLCLI
状态/PEACR有效延-a(CL-OUTL,
返时间
CLOLTH
见注3)、4)
JμB0286-6
Jr80286-8
Jμ80286 -10
ng8,12
ng9,12
ns10,13
ne10,13
J,1t,
13地址有效延退时间
SJ 50597.8-94
续表1
J802866
殿小最大
见注3).4)
ECL-OUTPUTV
14泻写数据有效延迟时间ta(CL-Du)15
地址/状态/数据浮出
a(EL-PINZ)
延迟时期
J6HLDA有效延返时间EL-HLWAL
系统时钟上升时间
18系绕时钟下释时间
输入低电平电压
输人高电平电压
时钟输入低电平
时钟输人高电单
楠出低电平电压
韵出高电平电压
输入凝电流
输入保持电流
VtHECP
BUSY 和ERROR
输出漫电流
电源电流
时钟輪人电容
输人电容
31输入/输出电容
见注3)、4月
见注35)
见注3)、4)
1.0--3.6V
续表1
loL=2.0mA
To=400μA
OVs VisVa
Ju80286-8
J80286-6
3p80286-10
Ju80286-8
Vto+0.5 2.0
Vno+0.5 3.8
0.45VS VoS Ve
fep-1MHz
注:1)本表中参数的序号与对应时序医中参数的编号是一致的。最大
胺形图
Jp80286-10
No+0.53.8
2)INPUT表示[NTR,NMI、HOLD、PEREQ、ERROR和BUSY五个异步输入端。0.6V
rYrKAoNiKAca-
$J 50597.8 94
3)适台于有效或浮出条件的延迟是从时钟的0.8V到输出期的0.8V或2.0V或浮出。4)出负载 CL = 100pF 。
5)只有当输出电流在数量纸上比辅出漏电流小时.浮出条件才出现。6)OUT 表示面,)],PEACK三个输出筛7)OUTPUT 衰示 AO ~ A23、M/ TO,COD/INTA, BHE,LICK输出蜡。B)PIN表示DD~D15、S、SI、FEACK、BHE、LOCK、M/TO.CODINTA端。表 2电试验要求
若无其它规定,表中采用的试验方法系指GJB548的试验方法。试验婴求
中间[老化前)电测试
(方法 5004)
最终电测元”
(方法5004)
A 组试验要求2
(方法5005))
B组Vzap试验
C 组终点电测试此内容来自标准下载网
(法5005)
C组检验增如的分组
D组终点电衡试
(方法5005)
B级器件
组(见表3)
B1级器件
AI, A2, A3, A7,A8, A9, A10, AJ1Al. A2, A3, A7. A9
Al. A2. A3. A4. A7. AB, A9, A10. A1,A2,A3,A4,A7, A9
见本规范4.5.3条
A2, A8(仅 125C ),A10
不要求
A2, AB(仅 125C),A10
:E)A1、A7分组要求 PDA计算[见本规范 4.2条)。2)A4 分组仅用于鉴定(见本规范 4.4.1 条)。表3A组电测试
免本规范4.5.3条
A2, AB(收 125℃ ).
A2, A8(仅 125C)
规葱值
A9分组
SUE INPUTV+LL!
NCLANPUTX)
+ SU(RESETHCL)
SU[RESE[L-CE]
CLRESFT.)
EMCLRESETH
Ju80286
最小,最大
Jμ 80286 -
J±80286 -10单位
被形图
A0分组
A11分维
A1分组
I SUKDV-CLI
+ SDK RE.ADYL-CL3
THCL-READYVI
Ih READYL-CL)
+或CL-OUTL)
+ &CLOUTPUTY?
+dcDuy
+KapNy
I KaHat.y
SJ50597.8-94
续表3
规范值
C. a 100p
80286-10单位
Ju 80286 -6/ Jμ 80286 -8
C,= 100pF
除 Ic= 123C外,盘数、条件、规范值均间 A9 分组。除Tc*-55℃外,数、条件、规范值均同A9分焰。续表3
教范值
Vg(cP)
Ia.=2.OmA
Ton= - 400μA
r = ov
Jμ 80286 - 6
Jp 80286 -8
Jpe 80286 -10
波形图
8, 11,12.
B, 11. 13
单位玻形图
oo +0.#2.0
-TrKAONKAca-
A2分组
A3 分组
A4 分组
A7分组
o.4svsvos
SI 50597.8-94
续表3
规范值
Jp 802B6 -6
除Tc=125C外,参数、条件、规范值均同A1分组Ju80286-8
滁 Tc - - 55C外,参数、条件、规范值均同 A1 分组。29
cp元1MHz
JμB0286-10
按6.1条规定,Tc=25℃,在V=5.25V和4.75V下分别进行功能测试。除Te=-55℃和Tc=125℃外,均同A7分组。AB分组:
表4指令系统
数据传送
MOY-传送
R到R/M
R/M到R
立即数到 R/M
立即数到R
M到累加器
累加器到M
R/W到段寄存器
段寄存器到R/M
PUSH-压找
段寄存器
1000100W
1000101W
1100011 W
101(000W
100010
10001100
11111111
01010ieg
U00rcg 110
mod reg Ifm
mod reg r/m
mod 000
addr-low
addr-low
mod 0 reg r/m
mod U reg t/m
mod 110 r/m
data if W=1
addr-high
addr-higb
单位臧形图
data if W=1
立即数
PL'SHA-把所有寄存器压找
POP=弹找
段寄存器
PDPA-从堆找中弹出所有守存器XCHG=交换
R/M和寄存器
R和票加器
IN=从.摘人
固定端口
可变端口
OUT=楠出到
固定嫦口
可变端口
XI.AT-将一个字节传送到 AL 中LFA=将有效地址装入寄存器
LDS=将指示器内容装入DS
LES-将指示器内容装人ES
LAHF-将标志位奇存器装人AH
SAFF=将 AH的内容存人标志位寄存器
PUSHF-压入标志位
POPF-弹出标志位
算术运算
ADD=加法
S50597.8-94
01100000
10001111
01011 reg
000reg 110
01100001
1000011W
10010 reg
11to010 w
1H0110W
1110011 w
1110111
11010111
10001101
11000101
11000100
10011111
10011110
10011100
to011101
mod0001/m
(reg01)
mod eg1/m
mod reg r/m
mod reg t/m
mnd reg rfml
dataifg=0
(mud*11)
(mx11)
-TrKAONKAa-
小提示:此标准内容仅展示完整标准里的部分截取内容,若需要完整标准请到上方自行免费下载完整标准文档。
SJ50597.8-94
半导体集成电路Ju80286-6、
Ju80286-8.Ju80286-10
型微处理器详细规范
Detail specification for type Jμ 80286-6,Ju 80286 -- 8.Ju 80286 -- 10 microprocessorsof semiconduclor integrated circuits1994-09-30发布
1994-12-01实施
中华人民共和国电子工业部批准中华人民共和国电子行业军用标准半导体集成电路
Ju80286--6.Ju80286-8.Ju80286-10型微处理器详细规范
Detail specificatton for type Jμ 80286-6.Jy 80286-8.Jμ 80286 -- 10 microprocessorsof semiconductor lategrated circuits1范围
SJ 50597.8 -- 94
1.1主题内容
本规范规定了半导体集成电路JμB0285-6Ju80286-8、Jμ80286-10型微处理器(以下简称器件)的详细要求。
1.2适用范围
本规范适用于器件的研制、生产和采购。1.3分类
本规范对微电路按器件型号、器件等级、封装形式、额定值和推荐工作条件来分类。1.3.1器件编号
器件编号应按GJB597<微电路总规范)第3.6.2条的规定。1.3.1.1器件型号
器件型号如下:
器件型号
J±80286-6
5u802868
J±80286-10
件名称
十六位微处理器
1.3.1.2器件等级
器件等级应为GJB597第3.4条规定的B级和木规范规定的B1级。本规范中未对BI 级另加说明的条款应理解为与B级相同1.3.1.3封装式
封装形式按GB7092半导体集成电路外形尺寸)的规定。封装形式如下:
中华人民共和国电于工业部1994.09.30发布1994-12-01实施
TKAONKAca
SJ 50597.B - 94
G68P3(陶瓷针栅阵列封装)
Q58P3(陶瓷四面引线扇严封装
1.3.2绝对最大额定值
绝对最大额定值如下:
任一引出端相对于端电压
忙存溢度范]
引线耐焊接温度(5s)
结温(,=125)
热阻(-C
1.3.3 推荐工作条件
推工作茶件如下:
电源电压
输人高电平电压
输入低电平电压
工作频率
出高屯平电压
输出低电平电玉
2引用文件
逻辑输入
时钟输人
逐输人
时钟输人
Ju 80286 - 6
Ju802868
Jp80286-10
GB 3431.2 - 86
GR 4590 - 84
GR/ T 7092 - 93
GJB 548 ~ 88
GIB 597 - R8
ViLiepy
半导体集成电路文字符号引出端功能符号半导体集成电路机械和气候试验方构半导体集成电路外形尺寸
微电子器件试验方法和程序
微电路总规范
GIB 1649--93
SI/2 9015,2 - 87
3要求
3.1详细要求
SJ 50597.8-94
电子产品防静电放电控制大纲
半导体器件集成电路第2部分:数字集成电路各项要求应按GJB597和本规范的规定。3.2设计、结构和外形尺寸
设计,结构和外形尺寸应符合 GJF 597 和本规范的规定。3.2.1引出端排列
引出端排列应符合图1的规定。引出端排列为仰视图。的
国国##
国国国E#国国国
888888
3888888
@@????QQ??
画e0#0#d
a陶瓷针栅阵列封装
TKAONKAca
S 50597.8 94
61 . 62 63 64 65 66 67 69 4
43 42 41 40 39 38 37 36 35 34 33 32 31 30 29 28 27b陶瓷四面引线扇平封装
图1引出端排列
3.2.2功能框图
功能框图应符合图2的规定。
COD/INTA
TTKAONTKAca-
SI 60597.8 - 94
3.2.3功能说明、符号和定义
SJ 50597.8- 94
功能说明、符号和定义,应符合本规范6.3条的规定。3.2.4封装形式
封装形式应符合本规范 1.3.1.3 条的规定。3.3引线材料和涂覆
引线材料和涂夏,应接 GIB 597 第 3. 5. 6 条的规定。3.4电特性
电特性应符合表1的规定,若无其它规定,适合于全工作猛度范。3.5电试验要求
各级器件的电试验要求,应为表2所规定的有关分组,各分组的电测试按表3的规定。3.6标志
标志应按 GJB 597 第 3.6条的规定。3.7微电路组的划分
本规范所涉及的器件为第107微电路组(见GJB597附录E)。表1电特性
若无其它规定,Tc=55~125℃,Vm=5V±5%,Vss=0V序!
1系统时周期
系统时钟凭电平射
系统时钟高电平对
异步渐人延立时间
异步输入保持时间
RESE工建立时间
RESET保持时间
读数据建立时间
[读数握保持时词
10READY建立时间
11READY保持时间
nciaNPUT
I RESETH-CL)
I w. RESETI-CL.?
ThICL-RESETL]
F CLURESETHO
Fa DY-CL
(WCL-DZ)
I su(reADY,- C.
h CI.- READYV)
tE'READYLCLI
状态/PEACR有效延-a(CL-OUTL,
返时间
CLOLTH
见注3)、4)
JμB0286-6
Jr80286-8
Jμ80286 -10
ng8,12
ng9,12
ns10,13
ne10,13
J,1t,
13地址有效延退时间
SJ 50597.8-94
续表1
J802866
殿小最大
见注3).4)
ECL-OUTPUTV
14泻写数据有效延迟时间ta(CL-Du)15
地址/状态/数据浮出
a(EL-PINZ)
延迟时期
J6HLDA有效延返时间EL-HLWAL
系统时钟上升时间
18系绕时钟下释时间
输入低电平电压
输人高电平电压
时钟输入低电平
时钟输人高电单
楠出低电平电压
韵出高电平电压
输入凝电流
输入保持电流
VtHECP
BUSY 和ERROR
输出漫电流
电源电流
时钟輪人电容
输人电容
31输入/输出电容
见注3)、4月
见注35)
见注3)、4)
1.0--3.6V
续表1
loL=2.0mA
To=400μA
OVs VisVa
Ju80286-8
J80286-6
3p80286-10
Ju80286-8
Vto+0.5 2.0
Vno+0.5 3.8
0.45VS VoS Ve
fep-1MHz
注:1)本表中参数的序号与对应时序医中参数的编号是一致的。最大
胺形图
Jp80286-10
No+0.53.8
2)INPUT表示[NTR,NMI、HOLD、PEREQ、ERROR和BUSY五个异步输入端。0.6V
rYrKAoNiKAca-
$J 50597.8 94
3)适台于有效或浮出条件的延迟是从时钟的0.8V到输出期的0.8V或2.0V或浮出。4)出负载 CL = 100pF 。
5)只有当输出电流在数量纸上比辅出漏电流小时.浮出条件才出现。6)OUT 表示面,)],PEACK三个输出筛7)OUTPUT 衰示 AO ~ A23、M/ TO,COD/INTA, BHE,LICK输出蜡。B)PIN表示DD~D15、S、SI、FEACK、BHE、LOCK、M/TO.CODINTA端。表 2电试验要求
若无其它规定,表中采用的试验方法系指GJB548的试验方法。试验婴求
中间[老化前)电测试
(方法 5004)
最终电测元”
(方法5004)
A 组试验要求2
(方法5005))
B组Vzap试验
C 组终点电测试此内容来自标准下载网
(法5005)
C组检验增如的分组
D组终点电衡试
(方法5005)
B级器件
组(见表3)
B1级器件
AI, A2, A3, A7,A8, A9, A10, AJ1Al. A2, A3, A7. A9
Al. A2. A3. A4. A7. AB, A9, A10. A1,A2,A3,A4,A7, A9
见本规范4.5.3条
A2, A8(仅 125C ),A10
不要求
A2, AB(仅 125C),A10
:E)A1、A7分组要求 PDA计算[见本规范 4.2条)。2)A4 分组仅用于鉴定(见本规范 4.4.1 条)。表3A组电测试
免本规范4.5.3条
A2, AB(收 125℃ ).
A2, A8(仅 125C)
规葱值
A9分组
SUE INPUTV+LL!
NCLANPUTX)
+ SU(RESETHCL)
SU[RESE[L-CE]
CLRESFT.)
EMCLRESETH
Ju80286
最小,最大
Jμ 80286 -
J±80286 -10单位
被形图
A0分组
A11分维
A1分组
I SUKDV-CLI
+ SDK RE.ADYL-CL3
THCL-READYVI
Ih READYL-CL)
+或CL-OUTL)
+ &CLOUTPUTY?
+dcDuy
+KapNy
I KaHat.y
SJ50597.8-94
续表3
规范值
C. a 100p
80286-10单位
Ju 80286 -6/ Jμ 80286 -8
C,= 100pF
除 Ic= 123C外,盘数、条件、规范值均间 A9 分组。除Tc*-55℃外,数、条件、规范值均同A9分焰。续表3
教范值
Vg(cP)
Ia.=2.OmA
Ton= - 400μA
r = ov
Jμ 80286 - 6
Jp 80286 -8
Jpe 80286 -10
波形图
8, 11,12.
B, 11. 13
单位玻形图
oo +0.#2.0
-TrKAONKAca-
A2分组
A3 分组
A4 分组
A7分组
o.4svsvos
SI 50597.8-94
续表3
规范值
Jp 802B6 -6
除Tc=125C外,参数、条件、规范值均同A1分组Ju80286-8
滁 Tc - - 55C外,参数、条件、规范值均同 A1 分组。29
cp元1MHz
JμB0286-10
按6.1条规定,Tc=25℃,在V=5.25V和4.75V下分别进行功能测试。除Te=-55℃和Tc=125℃外,均同A7分组。AB分组:
表4指令系统
数据传送
MOY-传送
R到R/M
R/M到R
立即数到 R/M
立即数到R
M到累加器
累加器到M
R/W到段寄存器
段寄存器到R/M
PUSH-压找
段寄存器
1000100W
1000101W
1100011 W
101(000W
100010
10001100
11111111
01010ieg
U00rcg 110
mod reg Ifm
mod reg r/m
mod 000
addr-low
addr-low
mod 0 reg r/m
mod U reg t/m
mod 110 r/m
data if W=1
addr-high
addr-higb
单位臧形图
data if W=1
立即数
PL'SHA-把所有寄存器压找
POP=弹找
段寄存器
PDPA-从堆找中弹出所有守存器XCHG=交换
R/M和寄存器
R和票加器
IN=从.摘人
固定端口
可变端口
OUT=楠出到
固定嫦口
可变端口
XI.AT-将一个字节传送到 AL 中LFA=将有效地址装入寄存器
LDS=将指示器内容装入DS
LES-将指示器内容装人ES
LAHF-将标志位奇存器装人AH
SAFF=将 AH的内容存人标志位寄存器
PUSHF-压入标志位
POPF-弹出标志位
算术运算
ADD=加法
S50597.8-94
01100000
10001111
01011 reg
000reg 110
01100001
1000011W
10010 reg
11to010 w
1H0110W
1110011 w
1110111
11010111
10001101
11000101
11000100
10011111
10011110
10011100
to011101
mod0001/m
(reg01)
mod eg1/m
mod reg r/m
mod reg t/m
mnd reg rfml
dataifg=0
(mud*11)
(mx11)
-TrKAONKAa-
小提示:此标准内容仅展示完整标准里的部分截取内容,若需要完整标准请到上方自行免费下载完整标准文档。
标准图片预览:





- 热门标准
- 电子行业标准(SJ)
- SJ3166-1988 GZS12-4-3型彩色显像管插座
- SJ783-1974 3DG101型NPN硅外延平面高频小功率三极管
- SJ2857.2-1988 温差电致冷材料性能的测试方法 电导率的测试方法
- SJ2879-1988 彩色电视接收机用色纯静会聚磁体组合件总规范
- SJ3232.4-1989 低熔焊接玻璃粉结晶化时间的测定方法
- SJ/T9546-1993 无金属化孔单、双面印制板的质量分等标准
- SJ/T10038-1991 电子器件详细规范 半导体集成电路CC4008型CMOS4位二进制超前进位全加器
- SJ20934-2005 空降兵指挥自动化系统通用要求
- SJ/T31063-1994 TCM-B三氯乙烯清洗机完好要求和检查评定方法
- SJ/T31168-1994 发射管电性能测试电源完好要求和检查评定方法
- SJ/T31284-1994 TEC-L-W-1型电容器成品编带机完好要求和检查评定方法
- SJ/T31384-1994 洗衣机定时器寿命试验台完好要求和检查评定方法
- SJ/T31441-1994 离心式制冷机组完好要求和检查评定方法
- SJ/T31449-1994 供油管道完好要求和检查评定方法
- SJ20837-2002 仪表着陆系统选址要求
- 行业新闻
请牢记:“bzxz.net”即是“标准下载”四个汉字汉语拼音首字母与国际顶级域名“.net”的组合。 ©2025 标准下载网 www.bzxz.net 本站邮件:bzxznet@163.com
网站备案号:湘ICP备2025141790号-2
网站备案号:湘ICP备2025141790号-2