【电子行业标准(SJ)】 半导体集成电路 Jμ82258-6、Jμ82258-8型DMA控制器详细规范
本网站 发布时间:
2024-07-05 02:17:24
- SJ50597.10-1994
- 现行
- 点击下载此标准
标准号:
SJ 50597.10-1994
标准名称:
半导体集成电路 Jμ82258-6、Jμ82258-8型DMA控制器详细规范
标准类别:
电子行业标准(SJ)
标准状态:
现行-
发布日期:
1994-09-30 -
实施日期:
1994-12-01 出版语种:
简体中文下载格式:
.rar.pdf下载大小:
483.69 KB
点击下载
标准简介:
标准下载解压密码:www.bzxz.net
SJ 50597.10-1994 半导体集成电路 Jμ82258-6、Jμ82258-8型DMA控制器详细规范 SJ50597.10-1994
部分标准内容:
中华人民共和国电子行业军用标准FL5962
SJ 50597. 10-- 94
半导体集成电路lu82258-6、
Jμ82258-8型DMA控制器详细规范Detil specification for type Ju 82258-6Ju 82258-8 direct memory aecess (DMA) controllersof semiconductor integrated circuits1994-09-30发布
1994-12-01实施
中华人民共和国电子工业部
中华人民共和国电子行业军用标准半导体集成电路Ju82258-6、
Ju82258-8型DMA控制器详细规范Detaill specificatlon for type Jμ82258—6,Ju82258—8 direct memory access(DMA)controllersof semiconductor integrated circults1范围
1.1主题内容
SJ 50597. 1094
本规范规定了半导体集成电路Ju82258—6、Jμ82258-g型DMA控制器(以下简称器件)的详细要求。
1.2适用范围
本规范适用于器件的研制,生产和果购。1.3分类
本规范对微电按器件型号、器件等级、封装形式,额定值和推荐工作条件来分类。1.3.1器件编号
器件编号应按GJB597&微电路总规范》第3.6.2条的规定。1.3.1.1器件型号
器件型号如下:
器件型号
Ju82258—6
Jp822588
1.3.1.2器件等级
器件名称
器件等级应为 GJB 597第 3. 4 条规定的 B级和本规范规定的B1 级。本规范中未对 B1 级另加说明的条款应理解为与B级相同。1.3.1.3封装形式
封装形式按GB7092半导体集成电路外形尺寸的规定。封装形式如下:
中华人民共和国电子工业部
1994-09-30发布
封装形式
C88P3(陶危无线片式载体封装)1994-12-01实
-rKAONKAca-
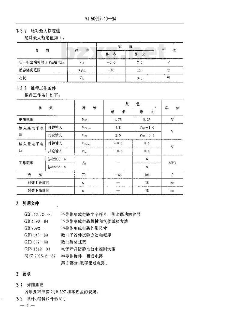
1.3.2绝对最大额定值
绝刘最人额定值如下。
任一引出端相对于V端电压
贮存湛度荫围
1.3.3推荐工作条件
推荐工作条件如下;
电源电压
输入高电平电
输入低屯平电
工.作频率
时钟输入
其它输入
时钟輪入
其它输入
Ju823586
Ju82258·8
时上升时间
时钟下降时间
引用文件
GB 3431. 2: -86
GB 4590—R4
GB 7092—
GJB 548—88
GJB 597--88
GJR 164993
SJ/7 9015. 2—87
3要求
3.1洋细要求
5J 50597. 10-94
Ymn:! 2. 5
半导体集戚电路文字符号引出端功能符号半导体架成电路机械和气候试验方法半导体集峨中路外形尺寸
微电子器件试验方法和程序
微电路总规范
电子产品防静电放电控制大纲
辛导体器件集成电踏路bzxZ.net
第2部分:数字集成电路。
各项要求应按GJB597和本规范的规定,3.2发计、结构和外形尺寸
SJ 50597. 0—94
设计,结构和外形尺寸应符合GJB 597和本规范的规定3.2.1引出端排列
引拍端排列应符合图1的规定。引出端排列为仰视图。483388358038e
引出端
286 方式
186方式
SREADY
8086宁式
SREADY
邀控方式
-TrKAONiKAca-
286方式
SJ 50597. 10- 94
186方式
ROR 方式
遥控方式
非凹端
3.2.2功能框图
283方武
功能框图应符合图2的规定。
3.2.3功能说明、衍号和定义
SJ 50597.10—94
A16/S3
A17/S4
A:8/S5
A29/S6
AREADY
引出鳄排烈
功能说明、符号和定义,应符台本规范6.3条的规定3.2.4封装形式
封装形式应符合本规范1.3.].3条的规定3.3引线材料和涂
引线材料和涂覆,应接 GJB 597 第 3. 5. G 条的规定。号
8686有式
A16/S3
A17/S4
A18/S5
A19756
AREADY
诏控考武
rKAoNiKAca-
谨控胎
-素量糖的
SJ 50597. 10—-94
图?功能框图
科学专期
算术设辑单元
群北海学平
3.4、电特性
SJ 50597. 10 94
电特生应符合表1的规定,若无其它规定,适台于全工作温度范围,3.5电试验要求
各级器件的电试验要求,应为表2所规定的有关分组,各分纽的电源试按表3的规定,3.6标志
标志应按GJB597第3.6条的规定
3.7微电路组的划分
本规范所涉及的器件为第107微电路组(见GJB597附录E)。裁1电特性
若无其它规定,Tc=—55-~125℃,Vm=5V±5X,Vs=0V。规范
时钟周期(286方式)5
钟般电平对间
(288方式)
时钟高电平时间
(286方式)
摘出有效延迟时间
输出有效延迟时间
数据建文时问
地址输入建立时间
(186方式)
数据保持时间
READY建立时问
READY保持时间
输人建立时间
输人保特时间
te:ct-iunun.\
ta(cPouur
au(DY-GL)
tSU(ADY-CH)
SUESADYVC
th(CL -READYV)
ISUEFOT:-P,
Zh(CP-IAPETg)5
在3,2V
Ci=125pF
Ct=125pF
J182258-6
Jp82258
彼形图
ns 8,9,
2,14,
Hs ii0.11
12,16,
TTKAONKAca-
BHE保等时间
(186方式)
地址建立时间
数据有效延迟时间
14!数据浮出延退时句
15片选建立时间
16读写有效时间
数据建立时间
地址建立时间
读写无效时间
存取间
时钟周期(186方式)
时钟低电平时间
(186方式)
22时钟商电平时间
方式)
时钟上于时间
(186方式)
时下降时间
(186方式)
thIEHER>
IS:AV-CL,
teicr-svy
ten-tei
ZSUCW.-CE
twiRu)
tsu - KDr:
ESV-HIL
taRnL--
AREADY有效建立tsuSXEAME·CR;时间
2AREADY保持时间
SREADY保持时间
(186方式)
ThUEL-AREADYL:
I:CL. SREADYU:
2?|AREADY无效建立SEAREDYI-T
SJ 50597. 10—94
续表1
规范值
1182258-6
Ju82258—8
波形图
8,10
ns5,11,
控制复位建立时间
复位控制建立时间
的址/数据有效延迟
状态延迟时间
地址/数据浮出延迟
33DT/R 延迟时间
(186方式)
DEN延迟时间
(156)
输入低电
平电压
SJ 50597. 10-94
续表!
tSGUAREALYV-RESETL;
IS:'(RESETL-AREADYX)
td(cal,-x
++(EL -AZ2;
td(CH-UIH)
t址(CH-DTL>
tICH—HENLi
dCL--DENH
时钟输人
其它输入Vvi
36辅人高电平时钟输人
其它轮入
轮出低电平电压
输出高电平电压
电源电流
40输人漏电流
输出淋50、31、32、
WR,M/ID
HOLD (RQA
GT方式I
其它端
42输入电容
43|输出电容
时钟输入
其它输入C,
IcL -- 3. OmA
规范值
Jp82258-5
J82258-8
3. 8 Vpp
皱形图
ns9,13
2. 0 Vm+ o. 5f 2.c ma o.5
Ium- - 400μA2. 4
Te=250℃,所
有输出开路
0.45V≤ V,
F-IMHz
『=1MHz
—20C
±1们
—20G
注,1)本表中参数的序号与对应时序图中参数的编号是一致的。2) OUTPUT: 包括 A0~A23,BHE,RD,TFN,WR.DACK,、HOLD、BREL、RQ/GT,EOD,,M/IO3)OUPLT2包活SO~S2、HOLD,ALE
-TrKAONKAa-
SJ 50597. 1094
1) INPUT1 包括SO,SI,C.BHE、DREQHLDA.RESET、RQ/GT、EOD.。5) INPUT2 包括S0,S1,CS,BHE,DD~D:5,RQ/GT,EO,ADU~AD7。表 2电试验要求
若无其它规定,表中采用的试验方法系指GJB 548的试验方法。试验要求
中间(老化前)电测试
(方法5004)
最终电测试\
(左替5004)
A 组试验要求2
(方法5005)
B组 Vzap试验
C组整点电测试
(法5005)
C 组检验增加的分组
D组终点电测试
(法5005)
B级器件
组(见表3)
A1.A42.A3,A7,AB, A9,R1们,
B1级器件
A1.A2/A3.A7.A9
A1.A2. A3, A4, A7. AR, A9. A1,A2,A3,A4,A7,A9AC.Al1
见本规范 4.5.3 条
A2,A8(仅125C)A10
不要求
A,A8{仪 125C)A10
注:1)A1、A7分组要求 PDA计算(见本娩范 4. 2条)。2)A4分组仅用于鉴定(见本规范4.4.1条),衰3A组电测试
公序号
A9分组1e
EP-UCTPU)
LsUSSUrATY--CH)
Sb(CL -Ex)
IRItEFAnY-L,
在 3. 2V
Cl =125pF
Ct. =125pF
J82258—6
见本规范4.5.3条
A2,A8(仪 125C)
A2,A8(仅 123 C)
J182258-8逆位
被形图
3. 9, 14, 15.
16,19,20,21
8.9.14,15
8.9,10.11
8,9,10.11
分组导
9↓ thC'-RFANN:
A9分组
ESUCINPUTI-CP:
th(CP-INPUT2)
1eChic-HH)
tSUtA-CL)
tacin:
Isca-c
ISU(DN-RDH)
18tsL'Av-Kn
+#(WRH)
[19a RDL-DV)
+MIIAREADYH-CH:
FS(CL--AREADY=)
La(CI,-SREADYV>
tSUKAKEADYL-CL)
TEUAREADYY REBETL)
LSU(RESETL-ARPADYI)
SJ 50597. 10—94
续表8
Ju822586
Jp82258
波形图
ns : 10. 11.12.
14+ 15,16.
17.19,20.
r 10,11. 12.
16,20.21.
8,10,11
10,11,22
-TrKAONKAa-
小提示:此标准内容仅展示完整标准里的部分截取内容,若需要完整标准请到上方自行免费下载完整标准文档。
SJ 50597. 10-- 94
半导体集成电路lu82258-6、
Jμ82258-8型DMA控制器详细规范Detil specification for type Ju 82258-6Ju 82258-8 direct memory aecess (DMA) controllersof semiconductor integrated circuits1994-09-30发布
1994-12-01实施
中华人民共和国电子工业部
中华人民共和国电子行业军用标准半导体集成电路Ju82258-6、
Ju82258-8型DMA控制器详细规范Detaill specificatlon for type Jμ82258—6,Ju82258—8 direct memory access(DMA)controllersof semiconductor integrated circults1范围
1.1主题内容
SJ 50597. 1094
本规范规定了半导体集成电路Ju82258—6、Jμ82258-g型DMA控制器(以下简称器件)的详细要求。
1.2适用范围
本规范适用于器件的研制,生产和果购。1.3分类
本规范对微电按器件型号、器件等级、封装形式,额定值和推荐工作条件来分类。1.3.1器件编号
器件编号应按GJB597&微电路总规范》第3.6.2条的规定。1.3.1.1器件型号
器件型号如下:
器件型号
Ju82258—6
Jp822588
1.3.1.2器件等级
器件名称
器件等级应为 GJB 597第 3. 4 条规定的 B级和本规范规定的B1 级。本规范中未对 B1 级另加说明的条款应理解为与B级相同。1.3.1.3封装形式
封装形式按GB7092半导体集成电路外形尺寸的规定。封装形式如下:
中华人民共和国电子工业部
1994-09-30发布
封装形式
C88P3(陶危无线片式载体封装)1994-12-01实
-rKAONKAca-
1.3.2绝对最大额定值
绝刘最人额定值如下。
任一引出端相对于V端电压
贮存湛度荫围
1.3.3推荐工作条件
推荐工作条件如下;
电源电压
输入高电平电
输入低屯平电
工.作频率
时钟输入
其它输入
时钟輪入
其它输入
Ju823586
Ju82258·8
时上升时间
时钟下降时间
引用文件
GB 3431. 2: -86
GB 4590—R4
GB 7092—
GJB 548—88
GJB 597--88
GJR 164993
SJ/7 9015. 2—87
3要求
3.1洋细要求
5J 50597. 10-94
Ymn:! 2. 5
半导体集戚电路文字符号引出端功能符号半导体架成电路机械和气候试验方法半导体集峨中路外形尺寸
微电子器件试验方法和程序
微电路总规范
电子产品防静电放电控制大纲
辛导体器件集成电踏路bzxZ.net
第2部分:数字集成电路。
各项要求应按GJB597和本规范的规定,3.2发计、结构和外形尺寸
SJ 50597. 0—94
设计,结构和外形尺寸应符合GJB 597和本规范的规定3.2.1引出端排列
引拍端排列应符合图1的规定。引出端排列为仰视图。483388358038e
引出端
286 方式
186方式
SREADY
8086宁式
SREADY
邀控方式
-TrKAONiKAca-
286方式
SJ 50597. 10- 94
186方式
ROR 方式
遥控方式
非凹端
3.2.2功能框图
283方武
功能框图应符合图2的规定。
3.2.3功能说明、衍号和定义
SJ 50597.10—94
A16/S3
A17/S4
A:8/S5
A29/S6
AREADY
引出鳄排烈
功能说明、符号和定义,应符台本规范6.3条的规定3.2.4封装形式
封装形式应符合本规范1.3.].3条的规定3.3引线材料和涂
引线材料和涂覆,应接 GJB 597 第 3. 5. G 条的规定。号
8686有式
A16/S3
A17/S4
A18/S5
A19756
AREADY
诏控考武
rKAoNiKAca-
谨控胎
-素量糖的
SJ 50597. 10—-94
图?功能框图
科学专期
算术设辑单元
群北海学平
3.4、电特性
SJ 50597. 10 94
电特生应符合表1的规定,若无其它规定,适台于全工作温度范围,3.5电试验要求
各级器件的电试验要求,应为表2所规定的有关分组,各分纽的电源试按表3的规定,3.6标志
标志应按GJB597第3.6条的规定
3.7微电路组的划分
本规范所涉及的器件为第107微电路组(见GJB597附录E)。裁1电特性
若无其它规定,Tc=—55-~125℃,Vm=5V±5X,Vs=0V。规范
时钟周期(286方式)5
钟般电平对间
(288方式)
时钟高电平时间
(286方式)
摘出有效延迟时间
输出有效延迟时间
数据建文时问
地址输入建立时间
(186方式)
数据保持时间
READY建立时问
READY保持时间
输人建立时间
输人保特时间
te:ct-iunun.\
ta(cPouur
au(DY-GL)
tSU(ADY-CH)
SUESADYVC
th(CL -READYV)
ISUEFOT:-P,
Zh(CP-IAPETg)5
在3,2V
Ci=125pF
Ct=125pF
J182258-6
Jp82258
彼形图
ns 8,9,
2,14,
Hs ii0.11
12,16,
TTKAONKAca-
BHE保等时间
(186方式)
地址建立时间
数据有效延迟时间
14!数据浮出延退时句
15片选建立时间
16读写有效时间
数据建立时间
地址建立时间
读写无效时间
存取间
时钟周期(186方式)
时钟低电平时间
(186方式)
22时钟商电平时间
方式)
时钟上于时间
(186方式)
时下降时间
(186方式)
thIEHER>
IS:AV-CL,
teicr-svy
ten-tei
ZSUCW.-CE
twiRu)
tsu - KDr:
ESV-HIL
taRnL--
AREADY有效建立tsuSXEAME·CR;时间
2AREADY保持时间
SREADY保持时间
(186方式)
ThUEL-AREADYL:
I:CL. SREADYU:
2?|AREADY无效建立SEAREDYI-T
SJ 50597. 10—94
续表1
规范值
1182258-6
Ju82258—8
波形图
8,10
ns5,11,
控制复位建立时间
复位控制建立时间
的址/数据有效延迟
状态延迟时间
地址/数据浮出延迟
33DT/R 延迟时间
(186方式)
DEN延迟时间
(156)
输入低电
平电压
SJ 50597. 10-94
续表!
tSGUAREALYV-RESETL;
IS:'(RESETL-AREADYX)
td(cal,-x
++(EL -AZ2;
td(CH-UIH)
t址(CH-DTL>
tICH—HENLi
dCL--DENH
时钟输人
其它输入Vvi
36辅人高电平时钟输人
其它轮入
轮出低电平电压
输出高电平电压
电源电流
40输人漏电流
输出淋50、31、32、
WR,M/ID
HOLD (RQA
GT方式I
其它端
42输入电容
43|输出电容
时钟输入
其它输入C,
IcL -- 3. OmA
规范值
Jp82258-5
J82258-8
3. 8 Vpp
皱形图
ns9,13
2. 0 Vm+ o. 5f 2.c ma o.5
Ium- - 400μA2. 4
Te=250℃,所
有输出开路
0.45V≤ V,
F-IMHz
『=1MHz
—20C
±1们
—20G
注,1)本表中参数的序号与对应时序图中参数的编号是一致的。2) OUTPUT: 包括 A0~A23,BHE,RD,TFN,WR.DACK,、HOLD、BREL、RQ/GT,EOD,,M/IO3)OUPLT2包活SO~S2、HOLD,ALE
-TrKAONKAa-
SJ 50597. 1094
1) INPUT1 包括SO,SI,C.BHE、DREQHLDA.RESET、RQ/GT、EOD.。5) INPUT2 包括S0,S1,CS,BHE,DD~D:5,RQ/GT,EO,ADU~AD7。表 2电试验要求
若无其它规定,表中采用的试验方法系指GJB 548的试验方法。试验要求
中间(老化前)电测试
(方法5004)
最终电测试\
(左替5004)
A 组试验要求2
(方法5005)
B组 Vzap试验
C组整点电测试
(法5005)
C 组检验增加的分组
D组终点电测试
(法5005)
B级器件
组(见表3)
A1.A42.A3,A7,AB, A9,R1们,
B1级器件
A1.A2/A3.A7.A9
A1.A2. A3, A4, A7. AR, A9. A1,A2,A3,A4,A7,A9AC.Al1
见本规范 4.5.3 条
A2,A8(仅125C)A10
不要求
A,A8{仪 125C)A10
注:1)A1、A7分组要求 PDA计算(见本娩范 4. 2条)。2)A4分组仅用于鉴定(见本规范4.4.1条),衰3A组电测试
公序号
A9分组1e
EP-UCTPU)
LsU
Sb(CL -Ex)
IRItEFAnY-L,
在 3. 2V
Cl =125pF
Ct. =125pF
J82258—6
见本规范4.5.3条
A2,A8(仪 125C)
A2,A8(仅 123 C)
J182258-8逆位
被形图
3. 9, 14, 15.
16,19,20,21
8.9.14,15
8.9,10.11
8,9,10.11
分组导
9↓ thC'-RFANN:
A9分组
ESUCINPUTI-CP:
th(CP-INPUT2)
1eChic-HH)
tSUtA-CL)
tacin:
Isca-c
ISU(DN-RDH)
18tsL'Av-Kn
+#(WRH)
[19a RDL-DV)
+MIIAREADYH-CH:
FS(CL--AREADY=)
La(CI,-SREADYV>
tSUKAKEADYL-CL)
TEUAREADYY REBETL)
LSU(RESETL-ARPADYI)
SJ 50597. 10—94
续表8
Ju822586
Jp82258
波形图
ns : 10. 11.12.
14+ 15,16.
17.19,20.
r 10,11. 12.
16,20.21.
8,10,11
10,11,22
-TrKAONKAa-
小提示:此标准内容仅展示完整标准里的部分截取内容,若需要完整标准请到上方自行免费下载完整标准文档。
标准图片预览:





- 热门标准
- 电子行业标准(SJ)
- SJ3166-1988 GZS12-4-3型彩色显像管插座
- SJ2857.2-1988 温差电致冷材料性能的测试方法 电导率的测试方法
- SJ2879-1988 彩色电视接收机用色纯静会聚磁体组合件总规范
- SJ/T9546-1993 无金属化孔单、双面印制板的质量分等标准
- SJ/T31063-1994 TCM-B三氯乙烯清洗机完好要求和检查评定方法
- SJ/T31168-1994 发射管电性能测试电源完好要求和检查评定方法
- SJ/T31384-1994 洗衣机定时器寿命试验台完好要求和检查评定方法
- SJ/T31441-1994 离心式制冷机组完好要求和检查评定方法
- SJ/T31449-1994 供油管道完好要求和检查评定方法
- SJ/T10401-1993 半导体集成音响电路马达稳速电路测试方法的基本原理
- SJ/T10455-1993 厚膜混合集成电路用铜导体浆料
- SJ/T11010-1996 电子器件详细规范 半导体电视集成电路CD1124ACP伴音中频放大电路
- SJ/T11088-1996 电子器件详细规范 半导体集成电路CD7680CP图象伴音中频放大电路
- SJ/T10669-1995 表面组装器件可焊性试验
- SJ/Z3206.5-1989 光谱化学分析用感光板和胶片的照相处理方法
- 行业新闻
请牢记:“bzxz.net”即是“标准下载”四个汉字汉语拼音首字母与国际顶级域名“.net”的组合。 ©2025 标准下载网 www.bzxz.net 本站邮件:bzxznet@163.com
网站备案号:湘ICP备2025141790号-2
网站备案号:湘ICP备2025141790号-2