- 您的位置:
- 标准下载网 >>
- 标准分类 >>
- 电子行业标准(SJ) >>
- SJ 50065.1-1994 JPT-200M型有可靠性指标的超小型密封射频同轴电磁继电器详细规范

【电子行业标准(SJ)】 JPT-200M型有可靠性指标的超小型密封射频同轴电磁继电器详细规范
本网站 发布时间:
2024-07-05 02:21:36
- SJ50065.1-1994
- 现行
- 点击下载此标准
标准号:
SJ 50065.1-1994
标准名称:
JPT-200M型有可靠性指标的超小型密封射频同轴电磁继电器详细规范
标准类别:
电子行业标准(SJ)
标准状态:
现行-
发布日期:
1994-09-30 -
实施日期:
1994-12-01 出版语种:
简体中文下载格式:
.rar.pdf下载大小:
471.56 KB

点击下载
标准简介:
标准下载解压密码:www.bzxz.net
本规范规定了JPT-200M型有可靠性指标的超小型密封射频同轴电磁继电器的详细要求。本规范适用于频率由直流至1000MHz,具有一组转换射频触点(另含一组转换直流触点)和二组转换射频触点,引出端间距5.08。有可靠性指标的超小型密封射频同轴电磁继电器。 SJ 50065.1-1994 JPT-200M型有可靠性指标的超小型密封射频同轴电磁继电器详细规范 SJ50065.1-1994

部分标准内容:
中华人民共和国电子行业军用标准FL5945
SJ50065.1-94
JPT一200M型有可靠性指标的
超小型密封射频同轴电
磁继电器详细规范
Detail specification for model JPT-20OM subminiaturehermetically sealed RF coaxial electromagnetic relaysestalishedreliabiliy
1994-09-30发布
1994-12-01实施
中华人民共和国电子工业部:批准中华人民共和国电子行业军用标准JPT一200M型有可靠性指标的
超小型密封射频同轴电
磁继电器详细规范
Detail specificationformodelJPT-20OMsubminiaturehermeticallysealed RF coaxial electromagnetic relaysestalished reliability
SJ50065.1—94
本规范规定的继电器,其全部要求由本规范和GJB65A一91《有可靠性指标的电磁继电器总规范》组成。
1范围
1.1主题内容与适用范围
本规范规定了JPT一200M型有可靠性指标的超小型密封射频同轴电磁继电器的详细要本规范适用于频率由直流至1000MHz.具有一组转换射频触点(另含--组转换直流触点)和二组转换射频触点,引出端间距5.08.有可靠性指标的超小型密封射频同轴电磁继电器。1.2结构型式、尺寸及分类参数
1.2.1结构型式及尺寸
外形尺寸、安装方式和安装尺寸、引出端型式、和尺寸及底视电路图见图1和图2。中华人民共和国电子工业部1994-09-30发布1994-12-01实施
19于80\g
色标绝缘子
中中中国
5.08±0.1
3×5.08(=15.24)
27.5±0.5
安装方式3
SJ50065.1--94
安装方式0
色标绝缘子
证:色标绝缘子的颜色成与其它,象了的颜色有明显差别。20.5max
27.5±0.5
色标绝缘子
呷申国
安装方式2
底规电路图
引出端型式
图1一组转换射频触点
同轴电缆SFF
SJ1563
10F80s
色标绝缘子
由由国
5.08±0.1
3×5.08(15.24)
27.5±0.5
安装方式3
SJ50065.1--94
aungTf
安装方式0
色标绝缘子
注:①色标绝缘子的颜色应与其它绝缘子的颜色有明显差别。20.5mar
27.5±0.5
色标绝缘子
安装方式2
底视电路图
同转电缆SFE
SJ'1563
引出端型式
②SFF50-1型同轴电缆的代号为\0,长度L为150min;SFF--50-1.51型同轴电缆的代号为\1\,长度1.为200min。图2二组转换射频触点
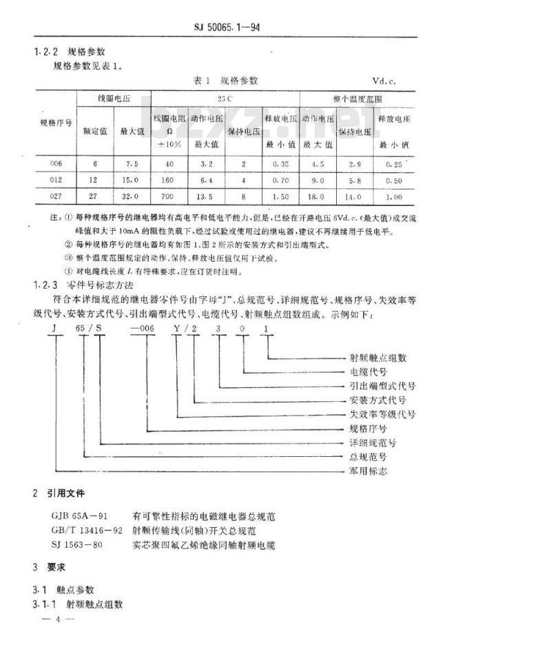
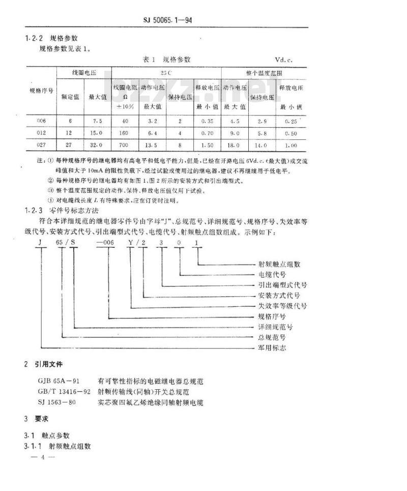
1.2.2规格参数
规格参数见表1。
线圈电压
规格序号
额定值
最大值
SJ50065.1-94
表1规格参数
线圈电阻 动作电压
保持电压
最大值
整个温度范围
释放电压动作电压
最小值
最大值
保持电压
释放电压
最小值
注:①)每种规格序号的继电器均有高电平和低电平能力,但是,已经在开路电压6Vd.c.(最大值)或交流峰值和大于10mA的阻性负载下,经过试验或使用过的继电器,建议不再继续用于低电平。②每种规格序号的继电器均有如图1、图2所示的安装方式和引出端型式。③整个温度范围规定的动作、保持、释放电压值仅用试验。①对电缆线长度1有特殊要求,应在订货时注明。1.2.3零件号标志方法
符合本详细规范的继电器岑件号由字母“J”、总规范号、详细规范号、规格序号、失效率等级代号、安装方式代号、引出端型式代号、电缆代号、射频触点组数组成。示例如下:65/S
2引用文件
GJB65A-91
GB/T13416—92
SJ1563-80
3要求
3.1触点参数
3.1.1射频触点组数
射频触点组数
一电缆代号
引出端型式代号
安装方式代号
失效率等级代号
规格序号
详细规范号
总规范号
军用标志
有可带性指标的电磁继电器总规范射频传输线(同轴)开关总规范
实芯聚四氟乙烯绝缘同轴射频电缆SJ500
1Z(另含一组转换直流触点)或2Z。3.1.2射频功率传递能力
100MHz:80W;
500MHz:50W;
1000MHz:30W
3.1.3直流触点额定负载
3.1.3.1高电平(继电器外壳接地)a.
阻性:2.0A、28Vd.c.
感性:0.5A.28Vd.c.、200mH;
灯载:0.16A、28Vd.c.。
2低电平
10~50μA,1050mV(直流或交流峰值)。3.1.3.3中等电流
适用(见GJB65A,以下同)。
3.1.4接触电阻或电压降
3.1.4.1高电平
a.射频触点:
初始值:≤0.1752;
寿命试验中:≤1.6V;
寿命试验后:≤0.222。
b.直流触点:
初始值:≤0.05Q;
寿命试验中:≤1.4V;
寿命试验后:≤0.102。
3.1.4.2中等电流
a.射频触点:
初始值:≤0.175Q;
b.直流触点:
初始值:≤0.052,
寿命试验中,≤10;
寿命试验后:≤0.302。
3.1.4.3低电平
a.射频触点:
初始值:≤0.1752;
寿命试验中:≤33Q;
寿命试验后:≤0.25Q。
直流触点:
初始值:≤0.052
寿命试验中:33Q
寿命试验后:≤0.150。
触点动态特性
SJ50065.1—-94
触点回跳时间(适用于Y级失效率):≤2ms;b.触点稳定时间(适用于W、L、Q级失效率):≤2.5ms。3.1.6过负载
2倍额定电流(只适用于高电平)。3.2射频特性
射频特性应符合表2的规定,
表2射频特性
101~500
501~1000
电压驻波比
最小值
插入损耗最大值
隔离度最小值
注:由于电缆长度的缩短,使电压驻波比和插入损耗减小。50.8mm标准电缆的电压驻波比和插入损耗为:频率100MHz,电压驻波比1.09:1.0.插入损耗0.1dB;频率500MHz.电压驻波比1.171.0.插入损耗0.2dB;频率1000MHz,电压驻波比1.35:1.0.插入损耗0.32dB3.3线圈参数
工作方式:连续;
规格参数:见表1;
动作时间:≤4ms(适用于整个温度范围);释放时间:≤4ms(适用于整个温度范围);线圈寿命:适用。
3.4绝缘性能
3.4.1绝缘电阻
正常条件下:≥1000M2(100Vd.c.);高温下线圈与罩壳间:≥500M0。介质耐压
试验电压的施加点和试验电压的大小按表3规定(但在高电平寿命试验之后,其介质耐压数值不得低于初始海平面介质耐压数值的75%)。表3介质耐压
外壳、底座与处于激励与去澈
励状态下的各断开触点之间
外壳、底座与线圆之间
所有触点与线圈之间
同轴引出端
其他引出端
Vr.m.S.(50Hz)
4kPa气
同轴引出端
其他引出端
处于激励与去激励状态下的
各断开的触点之间
各触点组之间
各引出端与外壳间
3.5环境适应性
3.5.1温度范圈:—65~125C。
3.5.2低气压:4kPa。
3.5.3温度冲击:适用。
SJ 50065.1-94
续表3
同轴引出端
3.5.4冲击(规定脉冲):735m/s。3.5.5
振动(正弦):196m/s、10~2000Hz。加速度:适用。
磁干扰:适用。
3.5.8盐雾:适用。
耐焊接热:适用。
耐溶剂:适用。
3.6设计与结构
除以下规定外,其它要求均按GJB65A规定。3.6.1外型与安装配置尺寸:见图1、图2。3.6.2引出端与配置尺寸:见图1,图2。3.7可焊性
适用。
3.8密封
其他引出端
允许的最大漏率为1×10\Pa·cm*/s(只适用于不带电缆)。3.9引出端强度
a直流引出端:拉力为13.34N;
射频引出端:拉力为22.24N。
3.10标志(完整的)
“适用。
3.11重量(包括电缆)
a.一组转换:≤22.5g;
b.二组转换:≤34.0g。
3.12筛选
适用。
3.13寿命
同轴引出端
其他引出端
高电平:10°次;
SJ50065.1—94
b.低电平:10°次+9×10°次机械寿命。3.14中等电流
5×10次。
4质量保证规定
4.1鉴定检验
鉴定检验表按表4规定。
表4.鉴定检验
检验项目
筛选:内部潮湿
筛选,运行
外观和机械检查
(内部)
射频特性“
电压驻波比
插入损耗
隔离度
绝缘电阻
介质耐压
电性能:
静态接触电阻
动作、保持和
释放电压
线圈电阻
动作和释放时间
触点动态特性
外观和机械检查
(外部,只对2只样
品检查物理尺寸)
温度冲击
耐溶剂
操动(正弦)
加速度
引出端强度
射赖特性,
插入损耗
本规范的条款
3.6.1.3.6.2
3.10,3.11
GJB65A
的条款
3.1.3.3.3.4
3.1.3.3,3.4
3.27.3.28
试验方法
GJB65A
的条款
GB/T13416
的条款
受检的.
样品数
加1只
未封罩
允许的
失效数
检验项目
绝缘电阻
介质耐压
电性能:
静态接触电阻
动作、保持和释
放电压
线圈电阻
动作和释放时间
触点动态特性
外观和机械检查
(外部)
磁干扰
射频特性:\
射频功率传递能
隔离度
插入损耗
线圈寿命
盐雾(腐蚀)
绝缘电阻
介质耐压
电性能:
静态接触电阻
动作、保持和释
放电压
线圈电阻
动作和释放时间
触点动态待性
外观和机械检查
(外部)
过负载
寿命\
引出端强度35
射频特性:38
插入损耗
绝缘电阻
本规范的条款
3.6.1.3.6.2
3.10,3.11
3.6.1,3.6.2
3.10,3.11
SJ50065.1-94
续表4
GJB65A
的条款
3.1,3.3,3.4
3:27,3.28
GJB65A
的条款
GB/T13416
的条款
受检的
样品数
V级鉴定
允许的
失效数
检验项目
介质耐压
电性能:
静态接触电阻
动作、保持和释
放电压
线圈电阻此内容来自标准下载网
动作和释放时间
触点动态特性
外观和机械检查
(外部)
中等电流\
射频特性:6)
插入损耗
绝缘电阻
介质耐压
电性能:
静态接触电阻
动作、保持和
释放电压
线圈电阻
动作和释放时间
触点动态特性
外观和机械检查
(检查)
本规范的条款
3.6.1,3.6.2
3.10,3.11
SJ50065.1--94
续表4
GJB65A
的条款
注:1)追加1只未封罩的继电器经受内部检查。试验
GJB65A
的条款
GB/T13416
的条款
受检的
样品数
允许的
失效数
2)将样品数量在规定的触点额定值之间等分,每种触点额定值至少为2只样品,每只样品应只用一种触点额定负载,所有触点加额定负载。3)已经过最大电流负载试验的4只样品进行引出端强度和射频特性试验,不允许失效。4)中等电流试验循环次数应用于寿命失效率鉴定,其转换速率可按5次/秒。5)如果选择试验的样品数不允许失效或多只失效,则鉴定检验需要的样品数应按GJB65A表2中5组的要求增加。
6)射频特性试验代替密封性试验。4.2简化鉴定检验
按本标准生产的继电器除同轴引出端外,在设计和结构上与按GJB65/1A生产的继电器相同时,前者的简化鉴定检验可以和后者合格的鉴定检验同时或随后进行。简化鉴定检验程序如下:
SJ50065.1—94
总共8只样品加1只打开的样品一首先按1组进行试验:其后,2只样品进行冲击、振动引出端强度、射频特性试验和外观及机械检查:2只样品进行盐雾和射频特性试验4只样品行射频特性、射频功率传递能力和引出端强度试验。注:)密封性试验、可焊性试验不适用。4.3质量一致性检验
4.3.1A组检验
A组检验表按表6规定。
表 6A组检验
检验项目
AI分组5
适用于Y级
筛选,内部潮湿
筛选,运行
可焊性2)
耐焊接热
适用于W、L、Q级
振动(正弦)
筛选,内部潮湿
筛选,运行
可焊性”
耐焊接热
A2分组
绝缘电阻1
介质耐压)
电性能:
静态接触电阻
动作、保持和释放
线圈电阻
动作和释放时间
触点动态特性
A3分组
射频待性:的
电压驻波比
插入损耗
隔离度
外观和机械检查
(外部)34)
本规范的
3.6.1,3.6.2
3.10,3.11
GJB65A
的条款
3.1,3.3,3.4
3.27.3.28
注:1)只有绝缘电阻,介质耐压试验顺序任意。试验
GJB65A
的条款
GB/T13416
的条款
可接受质量
AQL4:0
100%检验,剔除
所有失效的继电
100%检验,剔除
所有失效的继电
100%检验,剔除
所有失效的继电
100%检验,剔除
所有失效的继电
100%检验,剔除
所有失效的继电
7器,剔除率不超
100%检验,剔除
所有失效的继电
小提示:此标准内容仅展示完整标准里的部分截取内容,若需要完整标准请到上方自行免费下载完整标准文档。
SJ50065.1-94
JPT一200M型有可靠性指标的
超小型密封射频同轴电
磁继电器详细规范
Detail specification for model JPT-20OM subminiaturehermetically sealed RF coaxial electromagnetic relaysestalishedreliabiliy
1994-09-30发布
1994-12-01实施
中华人民共和国电子工业部:批准中华人民共和国电子行业军用标准JPT一200M型有可靠性指标的
超小型密封射频同轴电
磁继电器详细规范
Detail specificationformodelJPT-20OMsubminiaturehermeticallysealed RF coaxial electromagnetic relaysestalished reliability
SJ50065.1—94
本规范规定的继电器,其全部要求由本规范和GJB65A一91《有可靠性指标的电磁继电器总规范》组成。
1范围
1.1主题内容与适用范围
本规范规定了JPT一200M型有可靠性指标的超小型密封射频同轴电磁继电器的详细要本规范适用于频率由直流至1000MHz.具有一组转换射频触点(另含--组转换直流触点)和二组转换射频触点,引出端间距5.08.有可靠性指标的超小型密封射频同轴电磁继电器。1.2结构型式、尺寸及分类参数
1.2.1结构型式及尺寸
外形尺寸、安装方式和安装尺寸、引出端型式、和尺寸及底视电路图见图1和图2。中华人民共和国电子工业部1994-09-30发布1994-12-01实施
19于80\g
色标绝缘子
中中中国
5.08±0.1
3×5.08(=15.24)
27.5±0.5
安装方式3
SJ50065.1--94
安装方式0
色标绝缘子
证:色标绝缘子的颜色成与其它,象了的颜色有明显差别。20.5max
27.5±0.5
色标绝缘子
呷申国
安装方式2
底规电路图
引出端型式
图1一组转换射频触点
同轴电缆SFF
SJ1563
10F80s
色标绝缘子
由由国
5.08±0.1
3×5.08(15.24)
27.5±0.5
安装方式3
SJ50065.1--94
aungTf
安装方式0
色标绝缘子
注:①色标绝缘子的颜色应与其它绝缘子的颜色有明显差别。20.5mar
27.5±0.5
色标绝缘子
安装方式2
底视电路图
同转电缆SFE
SJ'1563
引出端型式
②SFF50-1型同轴电缆的代号为\0,长度L为150min;SFF--50-1.51型同轴电缆的代号为\1\,长度1.为200min。图2二组转换射频触点
1.2.2规格参数
规格参数见表1。
线圈电压
规格序号
额定值
最大值
SJ50065.1-94
表1规格参数
线圈电阻 动作电压
保持电压
最大值
整个温度范围
释放电压动作电压
最小值
最大值
保持电压
释放电压
最小值
注:①)每种规格序号的继电器均有高电平和低电平能力,但是,已经在开路电压6Vd.c.(最大值)或交流峰值和大于10mA的阻性负载下,经过试验或使用过的继电器,建议不再继续用于低电平。②每种规格序号的继电器均有如图1、图2所示的安装方式和引出端型式。③整个温度范围规定的动作、保持、释放电压值仅用试验。①对电缆线长度1有特殊要求,应在订货时注明。1.2.3零件号标志方法
符合本详细规范的继电器岑件号由字母“J”、总规范号、详细规范号、规格序号、失效率等级代号、安装方式代号、引出端型式代号、电缆代号、射频触点组数组成。示例如下:65/S
2引用文件
GJB65A-91
GB/T13416—92
SJ1563-80
3要求
3.1触点参数
3.1.1射频触点组数
射频触点组数
一电缆代号
引出端型式代号
安装方式代号
失效率等级代号
规格序号
详细规范号
总规范号
军用标志
有可带性指标的电磁继电器总规范射频传输线(同轴)开关总规范
实芯聚四氟乙烯绝缘同轴射频电缆SJ500
1Z(另含一组转换直流触点)或2Z。3.1.2射频功率传递能力
100MHz:80W;
500MHz:50W;
1000MHz:30W
3.1.3直流触点额定负载
3.1.3.1高电平(继电器外壳接地)a.
阻性:2.0A、28Vd.c.
感性:0.5A.28Vd.c.、200mH;
灯载:0.16A、28Vd.c.。
2低电平
10~50μA,1050mV(直流或交流峰值)。3.1.3.3中等电流
适用(见GJB65A,以下同)。
3.1.4接触电阻或电压降
3.1.4.1高电平
a.射频触点:
初始值:≤0.1752;
寿命试验中:≤1.6V;
寿命试验后:≤0.222。
b.直流触点:
初始值:≤0.05Q;
寿命试验中:≤1.4V;
寿命试验后:≤0.102。
3.1.4.2中等电流
a.射频触点:
初始值:≤0.175Q;
b.直流触点:
初始值:≤0.052,
寿命试验中,≤10;
寿命试验后:≤0.302。
3.1.4.3低电平
a.射频触点:
初始值:≤0.1752;
寿命试验中:≤33Q;
寿命试验后:≤0.25Q。
直流触点:
初始值:≤0.052
寿命试验中:33Q
寿命试验后:≤0.150。
触点动态特性
SJ50065.1—-94
触点回跳时间(适用于Y级失效率):≤2ms;b.触点稳定时间(适用于W、L、Q级失效率):≤2.5ms。3.1.6过负载
2倍额定电流(只适用于高电平)。3.2射频特性
射频特性应符合表2的规定,
表2射频特性
101~500
501~1000
电压驻波比
最小值
插入损耗最大值
隔离度最小值
注:由于电缆长度的缩短,使电压驻波比和插入损耗减小。50.8mm标准电缆的电压驻波比和插入损耗为:频率100MHz,电压驻波比1.09:1.0.插入损耗0.1dB;频率500MHz.电压驻波比1.171.0.插入损耗0.2dB;频率1000MHz,电压驻波比1.35:1.0.插入损耗0.32dB3.3线圈参数
工作方式:连续;
规格参数:见表1;
动作时间:≤4ms(适用于整个温度范围);释放时间:≤4ms(适用于整个温度范围);线圈寿命:适用。
3.4绝缘性能
3.4.1绝缘电阻
正常条件下:≥1000M2(100Vd.c.);高温下线圈与罩壳间:≥500M0。介质耐压
试验电压的施加点和试验电压的大小按表3规定(但在高电平寿命试验之后,其介质耐压数值不得低于初始海平面介质耐压数值的75%)。表3介质耐压
外壳、底座与处于激励与去澈
励状态下的各断开触点之间
外壳、底座与线圆之间
所有触点与线圈之间
同轴引出端
其他引出端
Vr.m.S.(50Hz)
4kPa气
同轴引出端
其他引出端
处于激励与去激励状态下的
各断开的触点之间
各触点组之间
各引出端与外壳间
3.5环境适应性
3.5.1温度范圈:—65~125C。
3.5.2低气压:4kPa。
3.5.3温度冲击:适用。
SJ 50065.1-94
续表3
同轴引出端
3.5.4冲击(规定脉冲):735m/s。3.5.5
振动(正弦):196m/s、10~2000Hz。加速度:适用。
磁干扰:适用。
3.5.8盐雾:适用。
耐焊接热:适用。
耐溶剂:适用。
3.6设计与结构
除以下规定外,其它要求均按GJB65A规定。3.6.1外型与安装配置尺寸:见图1、图2。3.6.2引出端与配置尺寸:见图1,图2。3.7可焊性
适用。
3.8密封
其他引出端
允许的最大漏率为1×10\Pa·cm*/s(只适用于不带电缆)。3.9引出端强度
a直流引出端:拉力为13.34N;
射频引出端:拉力为22.24N。
3.10标志(完整的)
“适用。
3.11重量(包括电缆)
a.一组转换:≤22.5g;
b.二组转换:≤34.0g。
3.12筛选
适用。
3.13寿命
同轴引出端
其他引出端
高电平:10°次;
SJ50065.1—94
b.低电平:10°次+9×10°次机械寿命。3.14中等电流
5×10次。
4质量保证规定
4.1鉴定检验
鉴定检验表按表4规定。
表4.鉴定检验
检验项目
筛选:内部潮湿
筛选,运行
外观和机械检查
(内部)
射频特性“
电压驻波比
插入损耗
隔离度
绝缘电阻
介质耐压
电性能:
静态接触电阻
动作、保持和
释放电压
线圈电阻
动作和释放时间
触点动态特性
外观和机械检查
(外部,只对2只样
品检查物理尺寸)
温度冲击
耐溶剂
操动(正弦)
加速度
引出端强度
射赖特性,
插入损耗
本规范的条款
3.6.1.3.6.2
3.10,3.11
GJB65A
的条款
3.1.3.3.3.4
3.1.3.3,3.4
3.27.3.28
试验方法
GJB65A
的条款
GB/T13416
的条款
受检的.
样品数
加1只
未封罩
允许的
失效数
检验项目
绝缘电阻
介质耐压
电性能:
静态接触电阻
动作、保持和释
放电压
线圈电阻
动作和释放时间
触点动态特性
外观和机械检查
(外部)
磁干扰
射频特性:\
射频功率传递能
隔离度
插入损耗
线圈寿命
盐雾(腐蚀)
绝缘电阻
介质耐压
电性能:
静态接触电阻
动作、保持和释
放电压
线圈电阻
动作和释放时间
触点动态待性
外观和机械检查
(外部)
过负载
寿命\
引出端强度35
射频特性:38
插入损耗
绝缘电阻
本规范的条款
3.6.1.3.6.2
3.10,3.11
3.6.1,3.6.2
3.10,3.11
SJ50065.1-94
续表4
GJB65A
的条款
3.1,3.3,3.4
3:27,3.28
GJB65A
的条款
GB/T13416
的条款
受检的
样品数
V级鉴定
允许的
失效数
检验项目
介质耐压
电性能:
静态接触电阻
动作、保持和释
放电压
线圈电阻此内容来自标准下载网
动作和释放时间
触点动态特性
外观和机械检查
(外部)
中等电流\
射频特性:6)
插入损耗
绝缘电阻
介质耐压
电性能:
静态接触电阻
动作、保持和
释放电压
线圈电阻
动作和释放时间
触点动态特性
外观和机械检查
(检查)
本规范的条款
3.6.1,3.6.2
3.10,3.11
SJ50065.1--94
续表4
GJB65A
的条款
注:1)追加1只未封罩的继电器经受内部检查。试验
GJB65A
的条款
GB/T13416
的条款
受检的
样品数
允许的
失效数
2)将样品数量在规定的触点额定值之间等分,每种触点额定值至少为2只样品,每只样品应只用一种触点额定负载,所有触点加额定负载。3)已经过最大电流负载试验的4只样品进行引出端强度和射频特性试验,不允许失效。4)中等电流试验循环次数应用于寿命失效率鉴定,其转换速率可按5次/秒。5)如果选择试验的样品数不允许失效或多只失效,则鉴定检验需要的样品数应按GJB65A表2中5组的要求增加。
6)射频特性试验代替密封性试验。4.2简化鉴定检验
按本标准生产的继电器除同轴引出端外,在设计和结构上与按GJB65/1A生产的继电器相同时,前者的简化鉴定检验可以和后者合格的鉴定检验同时或随后进行。简化鉴定检验程序如下:
SJ50065.1—94
总共8只样品加1只打开的样品一首先按1组进行试验:其后,2只样品进行冲击、振动引出端强度、射频特性试验和外观及机械检查:2只样品进行盐雾和射频特性试验4只样品行射频特性、射频功率传递能力和引出端强度试验。注:)密封性试验、可焊性试验不适用。4.3质量一致性检验
4.3.1A组检验
A组检验表按表6规定。
表 6A组检验
检验项目
AI分组5
适用于Y级
筛选,内部潮湿
筛选,运行
可焊性2)
耐焊接热
适用于W、L、Q级
振动(正弦)
筛选,内部潮湿
筛选,运行
可焊性”
耐焊接热
A2分组
绝缘电阻1
介质耐压)
电性能:
静态接触电阻
动作、保持和释放
线圈电阻
动作和释放时间
触点动态特性
A3分组
射频待性:的
电压驻波比
插入损耗
隔离度
外观和机械检查
(外部)34)
本规范的
3.6.1,3.6.2
3.10,3.11
GJB65A
的条款
3.1,3.3,3.4
3.27.3.28
注:1)只有绝缘电阻,介质耐压试验顺序任意。试验
GJB65A
的条款
GB/T13416
的条款
可接受质量
AQL4:0
100%检验,剔除
所有失效的继电
100%检验,剔除
所有失效的继电
100%检验,剔除
所有失效的继电
100%检验,剔除
所有失效的继电
100%检验,剔除
所有失效的继电
7器,剔除率不超
100%检验,剔除
所有失效的继电
小提示:此标准内容仅展示完整标准里的部分截取内容,若需要完整标准请到上方自行免费下载完整标准文档。

标准图片预览:





- 热门标准
- 电子行业标准(SJ)
- SJ2944-1988 交流数字电压表测试方法
- SJ20811-2002 压阻式加速度传感器总规范
- SJ374-1973 反射速调管负载特性的测试方法
- SJ20883-2003 印制电路组件装焊后的清洗工艺方法
- SJ2588-1985 BSH12~14-1L、BSH12~14-2L型一体化回扫变压器
- SJ50033.61-1995 半导体分立器件 3DK6547型高压功率开关晶体管详细规范
- SJ/T31291-1994 CHJ-S-2型超声波塑料焊接机完好要求和检查评定方法
- SJ1007-75 双动冲床引伸模 上压板
- SJ933-1975 半导体调幅广播收音机用输出输入变压器
- SJ/T31254-1994 自动绕片机完好要求和检查评定方法
- SJ/T31279-1994 WLD-T1型无感式电容器引线自动焊接机完好要求和检查评定方法
- SJ3228.1-1989 电子工业用高纯石英砂技术条件
- SJ50065.6-1998 JMW-270M型有可靠性指标的微型密封磁保持继电器详细规范
- SJ/T31264-1994 WSG-4951型流延机完好要求和检查评定方法
- SJ/T31280-1994 隧道式电容器清洗机完好要求和检查评定方法
- 行业新闻
请牢记:“bzxz.net”即是“标准下载”四个汉字汉语拼音首字母与国际顶级域名“.net”的组合。 ©2009 标准下载网 www.bzxz.net 本站邮件:bzxznet@163.com
网站备案号:湘ICP备2023016450号-1
网站备案号:湘ICP备2023016450号-1