- 您的位置:
- 标准下载网 >>
- 标准分类 >>
- 电子行业标准(SJ) >>
- SJ 20334-1993 同轴波导转换器详细规范(5类-SMA连接器与3cm波导)
标准号:
SJ 20334-1993
标准名称:
同轴波导转换器详细规范(5类-SMA连接器与3cm波导)
标准类别:
电子行业标准(SJ)
标准状态:
现行-
发布日期:
1993-05-11 -
实施日期:
1993-07-01 出版语种:
简体中文下载格式:
.rar.pdf下载大小:
111.82 KB
部分标准内容:
中华人民共和国电子行业军用标准FL5985
SJ20334—--93
同轴波导转换器详细规范
(5类-SMA连接器与3cm波导)
Detail specification for adapters for coaxailto waveguide
(SMAto3cmwaveguide-class5)
1993-05-11发布
1993-07-01实施
中华人民共和国电子工业部批准中华人民共和国电子行业军用标准同轴波导转换器详细规范
(5类-SMA连接器与3cm波导)
Detail specification for adapters for coaxailto waveguide
(SMAto 3cm waveguide-class5)SJ20334-93bzxz.net
本规范所规定的同轴波导转换器,其全部要求由本规范和GJB977同轴波导转换器总规范》作出规定。
1范围
1.1主题内容
本规范规定了3cm同轴波导转换器的外形结构尺寸、电气性能和物理特性。1.2适用范围
本规范适用于同轴线(SMA连接器)与3cm普通矩形波导之间过渡的同轴波导转换器(5类转换器)。
1.3分类
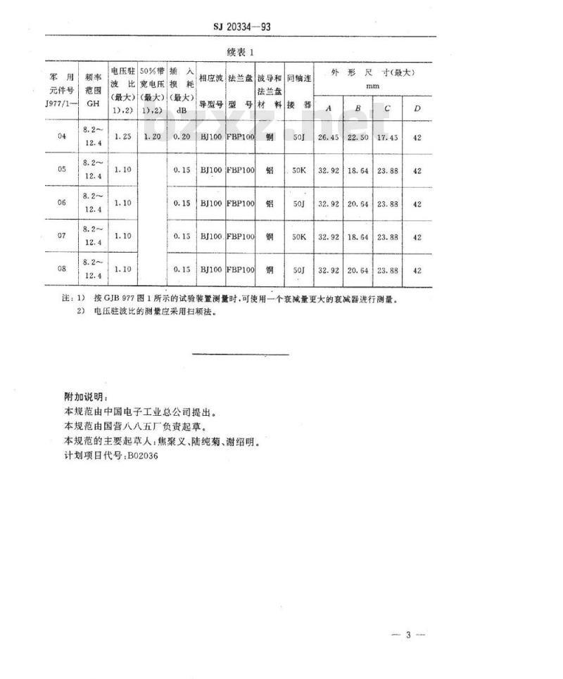
本规范所规定的同轴波导转换器,其结构尺寸、材料及电气性能的不同分为八种规格,各规格的军用元件号为J977/1-01~08(见表1)。2引用文件
下列文件在本规范规定的范围内构成本规范的一部分。GB3190—82
GB5231—85
GB5232—85
GB11449.2—89
GB11450.2--89
GJB681-89
GJB977—90
3要求
铝及铝合金加工产品的化学成分加工铜一化学成分和产品形状
加工黄铜一化学成分和产品形状波导法兰盘第2部分:普通矩形波导法兰盘规范空心金属波导第2部分:普通矩形波导有关规范射频同轴连接器总规范
同轴波导转换器总规范
本规范规定的同轴波导转换器,其各项要求应符合GJB977第3章及下列规定:中华人民共和国电子工业部1993-05-11发布1993-07-01实施
SJ20334—93
材料:铝合金应符合GB3190的规定:铜应符合GB5231的规定;
铜合金应符合GB5232的规定。
b。波导:BJ100,应符合GB11450.2的规定。c.
元件号
J977/1-
法兰盘:FBP100,应符合GB11449.2的规定连接器:SMA,其头部配接尺寸应符合GJB681及有关详细规范的规定,其尧体材料应为不锈钢。
结构尺寸,见图1和表1。
法兰盘
图1同轴波导转换器(5类)的结构工作度范围:—55~125℃
频率范围:见表1。
电压驻波比:见表1。
插入损耗:见表1。
电压驻
(最大)
50%带插
宽电压
(最大)
(最大)
相应波法兰盘
波导和
法兰盘
导型号
BJ100FBP100
FBP100
FBP100
同轴连
SMA连接器
波导体
外形尺
寸(最大)
元件号
J977/1-
电压驻
50%带
(最大)
宽电压
(最大)
(最大)
SJ20334—93
续表1
相应波法兰盘波导和同轴连
法兰盘
导型号型
BJ100FBP100
BJ100FBP100
BJ100FBP100
BJ100.FBP100
BJ100FBP100
寸(最大)
注:1)按GJB977图1所示的试验装置测量时,可使用一个衰减量更大的衰减器进行测量。2)电压驻波比的测量应采用扫频法。附加说明:
本规范由中国电子工业总公司提出。本规范由国营八八五厂负责起草。本规范的主要起草人:焦聚义、陆纯菊、谢绍明。计划项目代号:B02036
小提示:此标准内容仅展示完整标准里的部分截取内容,若需要完整标准请到上方自行免费下载完整标准文档。
SJ20334—--93
同轴波导转换器详细规范
(5类-SMA连接器与3cm波导)
Detail specification for adapters for coaxailto waveguide
(SMAto3cmwaveguide-class5)
1993-05-11发布
1993-07-01实施
中华人民共和国电子工业部批准中华人民共和国电子行业军用标准同轴波导转换器详细规范
(5类-SMA连接器与3cm波导)
Detail specification for adapters for coaxailto waveguide
(SMAto 3cm waveguide-class5)SJ20334-93bzxz.net
本规范所规定的同轴波导转换器,其全部要求由本规范和GJB977同轴波导转换器总规范》作出规定。
1范围
1.1主题内容
本规范规定了3cm同轴波导转换器的外形结构尺寸、电气性能和物理特性。1.2适用范围
本规范适用于同轴线(SMA连接器)与3cm普通矩形波导之间过渡的同轴波导转换器(5类转换器)。
1.3分类
本规范所规定的同轴波导转换器,其结构尺寸、材料及电气性能的不同分为八种规格,各规格的军用元件号为J977/1-01~08(见表1)。2引用文件
下列文件在本规范规定的范围内构成本规范的一部分。GB3190—82
GB5231—85
GB5232—85
GB11449.2—89
GB11450.2--89
GJB681-89
GJB977—90
3要求
铝及铝合金加工产品的化学成分加工铜一化学成分和产品形状
加工黄铜一化学成分和产品形状波导法兰盘第2部分:普通矩形波导法兰盘规范空心金属波导第2部分:普通矩形波导有关规范射频同轴连接器总规范
同轴波导转换器总规范
本规范规定的同轴波导转换器,其各项要求应符合GJB977第3章及下列规定:中华人民共和国电子工业部1993-05-11发布1993-07-01实施
SJ20334—93
材料:铝合金应符合GB3190的规定:铜应符合GB5231的规定;
铜合金应符合GB5232的规定。
b。波导:BJ100,应符合GB11450.2的规定。c.
元件号
J977/1-
法兰盘:FBP100,应符合GB11449.2的规定连接器:SMA,其头部配接尺寸应符合GJB681及有关详细规范的规定,其尧体材料应为不锈钢。
结构尺寸,见图1和表1。
法兰盘
图1同轴波导转换器(5类)的结构工作度范围:—55~125℃
频率范围:见表1。
电压驻波比:见表1。
插入损耗:见表1。
电压驻
(最大)
50%带插
宽电压
(最大)
(最大)
相应波法兰盘
波导和
法兰盘
导型号
BJ100FBP100
FBP100
FBP100
同轴连
SMA连接器
波导体
外形尺
寸(最大)
元件号
J977/1-
电压驻
50%带
(最大)
宽电压
(最大)
(最大)
SJ20334—93
续表1
相应波法兰盘波导和同轴连
法兰盘
导型号型
BJ100FBP100
BJ100FBP100
BJ100FBP100
BJ100.FBP100
BJ100FBP100
寸(最大)
注:1)按GJB977图1所示的试验装置测量时,可使用一个衰减量更大的衰减器进行测量。2)电压驻波比的测量应采用扫频法。附加说明:
本规范由中国电子工业总公司提出。本规范由国营八八五厂负责起草。本规范的主要起草人:焦聚义、陆纯菊、谢绍明。计划项目代号:B02036
小提示:此标准内容仅展示完整标准里的部分截取内容,若需要完整标准请到上方自行免费下载完整标准文档。
标准图片预览:




- 热门标准
- 电子行业标准(SJ)
- SJ3166-1988 GZS12-4-3型彩色显像管插座
- SJ2857.2-1988 温差电致冷材料性能的测试方法 电导率的测试方法
- SJ2879-1988 彩色电视接收机用色纯静会聚磁体组合件总规范
- SJ/T9546-1993 无金属化孔单、双面印制板的质量分等标准
- SJ/T31063-1994 TCM-B三氯乙烯清洗机完好要求和检查评定方法
- SJ/T31168-1994 发射管电性能测试电源完好要求和检查评定方法
- SJ/T31384-1994 洗衣机定时器寿命试验台完好要求和检查评定方法
- SJ/T31441-1994 离心式制冷机组完好要求和检查评定方法
- SJ/T31449-1994 供油管道完好要求和检查评定方法
- SJ/T10401-1993 半导体集成音响电路马达稳速电路测试方法的基本原理
- SJ/T10455-1993 厚膜混合集成电路用铜导体浆料
- SJ/T11010-1996 电子器件详细规范 半导体电视集成电路CD1124ACP伴音中频放大电路
- SJ/T11088-1996 电子器件详细规范 半导体集成电路CD7680CP图象伴音中频放大电路
- SJ/T10669-1995 表面组装器件可焊性试验
- SJ/Z3206.5-1989 光谱化学分析用感光板和胶片的照相处理方法
- 行业新闻
请牢记:“bzxz.net”即是“标准下载”四个汉字汉语拼音首字母与国际顶级域名“.net”的组合。 ©2025 标准下载网 www.bzxz.net 本站邮件:bzxznet@163.com
网站备案号:湘ICP备2025141790号-2
网站备案号:湘ICP备2025141790号-2