- 您的位置:
- 标准下载网 >>
- 标准分类 >>
- 电子行业标准(SJ) >>
- SJ 20333-1993 RN3141型膜固定电阻网络详细规范
标准号:
SJ 20333-1993
标准名称:
RN3141型膜固定电阻网络详细规范
标准类别:
电子行业标准(SJ)
标准状态:
现行-
发布日期:
1993-05-11 -
实施日期:
1993-07-01 出版语种:
简体中文下载格式:
.rar.pdf下载大小:
113.05 KB

部分标准内容:
中华人民共和国电子行业军用标准RN3141型膜固定电阻网络详细规范Resistornetwork,fixed,film,styleRN3141,detailspecificationsforSJ20333-93
本规范所规定的电阻网络,其全部要求由本规范和GJB920--90《膜固定电阻网络总规范》做出规定。
1范围
1.1主题内容
本规范规定了RN3141型14引出端扁平封装膜固定电阻网络的型号规格、简图、要求、质量保证规定、包装、说明事项等内容。1.2适用范围www.bzxz.net
本规范适用于RN3141型14引出端扁平封装膜固定电阻网络。该电阻网络对所有特性和阻值允许偏差均适用。
1.3分类
1.3.1型号规格
型号规格的形式如下:
RN3141
型号规格应按GJB920导出。
1.3.2简图
阻值允许偏差
网络简图
电阻网络简图应按照下图所示用单个字母加以识别。图中RREF应作为基准电阻元件,用来确定阻值比精度(适用时)。中华人民共和国电子工业部1993-05-11发布1993-07-01实施
SJ20333—93
简图“A”
简图\B\
简图“J”
1.3.2.1标准电阻值
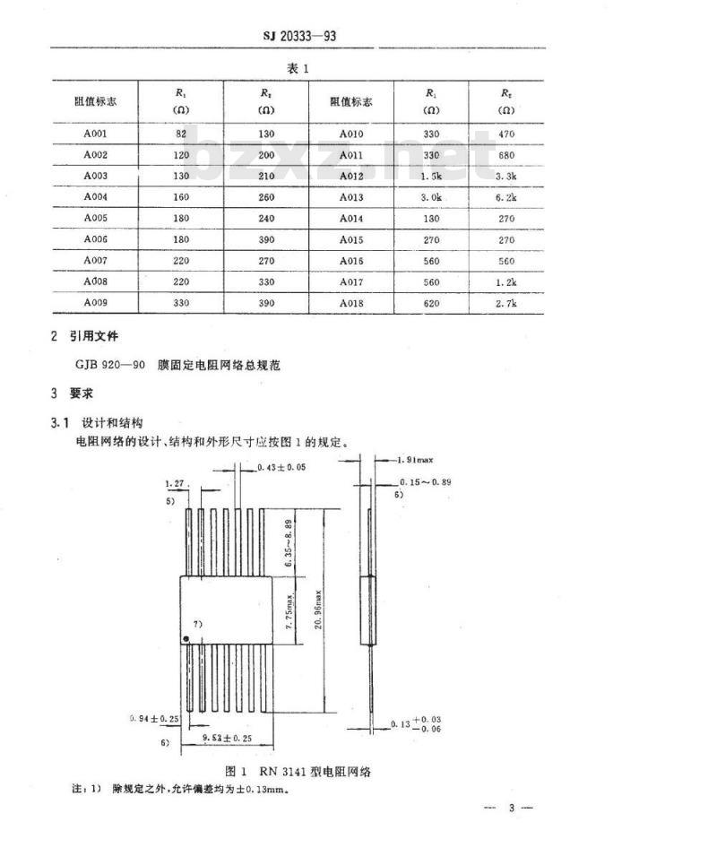
简图“”的标准电阻值及阻值标志应符合表1规定。阻值标志
引用文件
GJB920—90
3要求
3.1设计和结构
SJ20333—93
膜固定电阻网络总规范
阻值标志
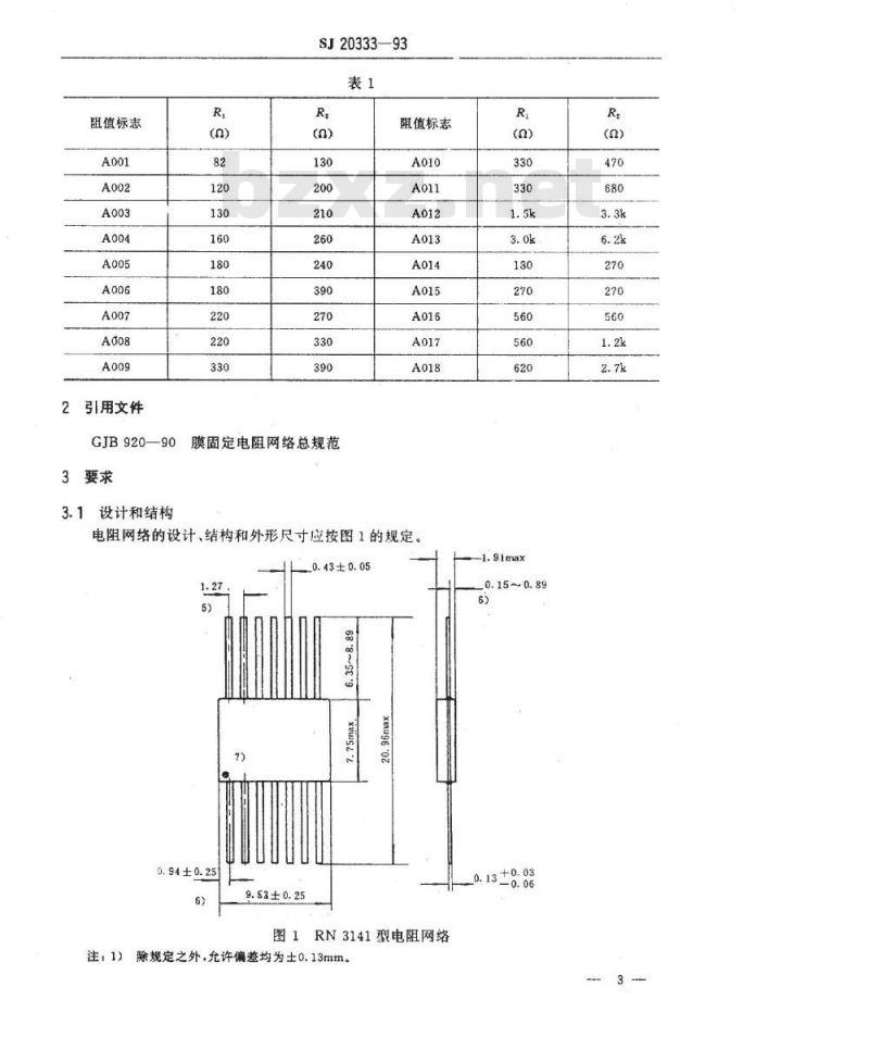
电阻网络的设计、结构和外形尺寸应按图1的规定。0.43±0.05
688~59
0.94±0.25
9.$3±0.25
e49602
图1RN3141型电阻网络
注:1)除规定之外,允许偏差均为士0.13mm。R
0.15~0.89
0.13+0.03
SJ20333—93
2)上图给出了产品的典型封装形式。只要不改变元件的功能,在给定的外形规范内有轻微的偏差是允许的。
引出端的中心距应在引出端露出本体处进行测量。3)
4)测量应在引出端产品本体到露出引出端的点进行。第一引出端应用接近引出端的园点、凹槽或数字1来表示。5)
3.2额定功耗
简图AB和J的额定功耗应符合表2的规定。表2
3.3限定功耗
元件额定功耗(W)
简图A、B和J所允许的限定功耗应是额定功耗的1.5倍。3.4额定电压
网络额定功耗(W)
每个电阻元件的额定电压不应超过最大连续工作电压,最大连续工作电压为50V直流或交流有效值。
3.5电阻值
最小和最大电阻值应符合表3的规定表3
电阻值偏差
B(±0.1%)
D(±0.5%)
F(±1.0%)
G(±2.0%)
J(±5.0%)
4质量保证规定
4.1质量保证规定
最小电阻值
质量保证规定应符合GJB920的规定。4.2J简图试验
最大电阻值
对于丁简图试验,直流电阻值测量、电阻温度特性测量和短期过载应在每个引出端和适当的公共引出端之间在无偿分流电路时进行。引出端之间直流电阻值的测量,应采用符合第3章要求的方法直接进行。
5包装
包装要求应符合GJB920的规定。6
说明事项
SJ20333-—93
GJB920第6章的说明事项适用于本规范。附加说明:
本规范由中国电子工业总公司提出。本规范由国营八九五厂和中国电子技术标准化研究所负责起草。本规范主要起草人魏玉莲、何德隆、许持平。计划项目代号:B02003
小提示:此标准内容仅展示完整标准里的部分截取内容,若需要完整标准请到上方自行免费下载完整标准文档。
本规范所规定的电阻网络,其全部要求由本规范和GJB920--90《膜固定电阻网络总规范》做出规定。
1范围
1.1主题内容
本规范规定了RN3141型14引出端扁平封装膜固定电阻网络的型号规格、简图、要求、质量保证规定、包装、说明事项等内容。1.2适用范围www.bzxz.net
本规范适用于RN3141型14引出端扁平封装膜固定电阻网络。该电阻网络对所有特性和阻值允许偏差均适用。
1.3分类
1.3.1型号规格
型号规格的形式如下:
RN3141
型号规格应按GJB920导出。
1.3.2简图
阻值允许偏差
网络简图
电阻网络简图应按照下图所示用单个字母加以识别。图中RREF应作为基准电阻元件,用来确定阻值比精度(适用时)。中华人民共和国电子工业部1993-05-11发布1993-07-01实施
SJ20333—93
简图“A”
简图\B\
简图“J”
1.3.2.1标准电阻值
简图“”的标准电阻值及阻值标志应符合表1规定。阻值标志
引用文件
GJB920—90
3要求
3.1设计和结构
SJ20333—93
膜固定电阻网络总规范
阻值标志
电阻网络的设计、结构和外形尺寸应按图1的规定。0.43±0.05
688~59
0.94±0.25
9.$3±0.25
e49602
图1RN3141型电阻网络
注:1)除规定之外,允许偏差均为士0.13mm。R
0.15~0.89
0.13+0.03
SJ20333—93
2)上图给出了产品的典型封装形式。只要不改变元件的功能,在给定的外形规范内有轻微的偏差是允许的。
引出端的中心距应在引出端露出本体处进行测量。3)
4)测量应在引出端产品本体到露出引出端的点进行。第一引出端应用接近引出端的园点、凹槽或数字1来表示。5)
3.2额定功耗
简图AB和J的额定功耗应符合表2的规定。表2
3.3限定功耗
元件额定功耗(W)
简图A、B和J所允许的限定功耗应是额定功耗的1.5倍。3.4额定电压
网络额定功耗(W)
每个电阻元件的额定电压不应超过最大连续工作电压,最大连续工作电压为50V直流或交流有效值。
3.5电阻值
最小和最大电阻值应符合表3的规定表3
电阻值偏差
B(±0.1%)
D(±0.5%)
F(±1.0%)
G(±2.0%)
J(±5.0%)
4质量保证规定
4.1质量保证规定
最小电阻值
质量保证规定应符合GJB920的规定。4.2J简图试验
最大电阻值
对于丁简图试验,直流电阻值测量、电阻温度特性测量和短期过载应在每个引出端和适当的公共引出端之间在无偿分流电路时进行。引出端之间直流电阻值的测量,应采用符合第3章要求的方法直接进行。
5包装
包装要求应符合GJB920的规定。6
说明事项
SJ20333-—93
GJB920第6章的说明事项适用于本规范。附加说明:
本规范由中国电子工业总公司提出。本规范由国营八九五厂和中国电子技术标准化研究所负责起草。本规范主要起草人魏玉莲、何德隆、许持平。计划项目代号:B02003
小提示:此标准内容仅展示完整标准里的部分截取内容,若需要完整标准请到上方自行免费下载完整标准文档。

标准图片预览:





- 热门标准
- 电子行业标准(SJ)
- SJ2944-1988 交流数字电压表测试方法
- SJ20811-2002 压阻式加速度传感器总规范
- SJ374-1973 反射速调管负载特性的测试方法
- SJ2588-1985 BSH12~14-1L、BSH12~14-2L型一体化回扫变压器
- SJ789-1974 3DG120型NPN硅外延平面高频小功率三极管
- SJ/T31291-1994 CHJ-S-2型超声波塑料焊接机完好要求和检查评定方法
- SJ933-1975 半导体调幅广播收音机用输出输入变压器
- SJ1007-75 双动冲床引伸模 上压板
- SJ50033.61-1995 半导体分立器件 3DK6547型高压功率开关晶体管详细规范
- SJ/T31279-1994 WLD-T1型无感式电容器引线自动焊接机完好要求和检查评定方法
- SJ/T31280-1994 隧道式电容器清洗机完好要求和检查评定方法
- SJ993-75 双动冲床引伸模 固定板定位板
- SJ1011-1975 手柄翻开式钻模 压板
- SJ3228.1-1989 电子工业用高纯石英砂技术条件
- SJ/T31254-1994 自动绕片机完好要求和检查评定方法
- 行业新闻
请牢记:“bzxz.net”即是“标准下载”四个汉字汉语拼音首字母与国际顶级域名“.net”的组合。 ©2009 标准下载网 www.bzxz.net 本站邮件:bzxznet@163.com
网站备案号:湘ICP备2023016450号-1
网站备案号:湘ICP备2023016450号-1