- 您的位置:
- 标准下载网 >>
- 标准分类 >>
- 电子行业标准(SJ) >>
- SJ 20337-1993 JQX-19M型密封直流电磁继电器详细规范
标准号:
SJ 20337-1993
标准名称:
JQX-19M型密封直流电磁继电器详细规范
标准类别:
电子行业标准(SJ)
标准状态:
现行-
发布日期:
1993-05-11 -
实施日期:
1993-07-01 出版语种:
简体中文下载格式:
.rar.pdf下载大小:
258.68 KB
部分标准内容:
中华人民共和国电子行业军用标准FL5945
SJ20337-93
JOX-19M型密封直流电磁继电器
详细规范
Detail specificationformodelJQX-19Msealed d.c. electromagnetic relay1993-05-11发布
1993-07-01实施
中华人民共和国电子工业部批准中华人民共和国电子行业军用标准JOX-19M型密封直流电磁继电器
详细规范
Detail specification formodel JQX-19Msealed d.c. electromagnetic relaySJ20337-93
本规范规定的继电器,其全部要求由本规范和GJB1042一90电磁继电器总规范》组成。1范围
1.1主题内容与适用范围
本规范规定了JQX19M型密封直流电磁继电器详细要求。本规范适用于触点负载从中等电流至15A、4组转换触点,引出端间距为3.81的整倍数的JQX一19M型密封直流电磁继电器。1.2结构型式、尺寸及分类参数
1.2.1结构型式和尺寸
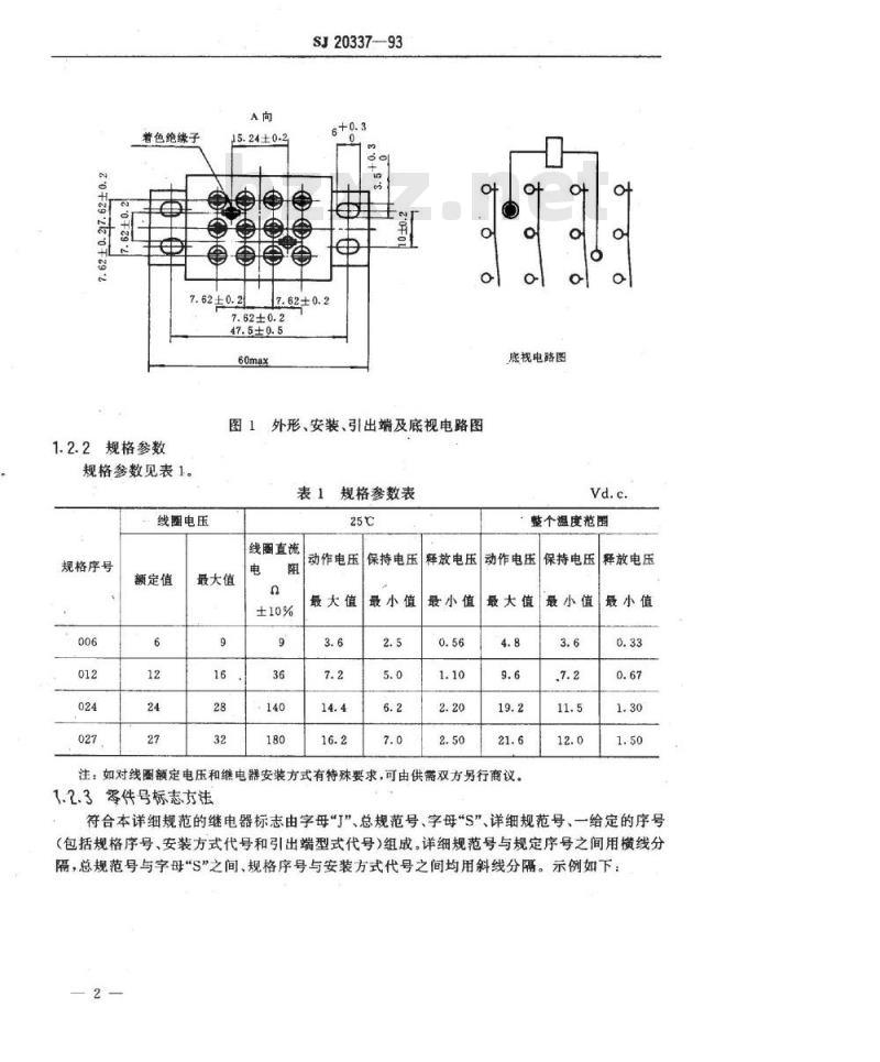
外形尺寸,安装方式和安装尺寸,引出端型式和引出端尺寸及底视电路图见图1。40max
20.8±0.07
1202±0.1
中华人民共和国电子工业部1993-05-11发布0+0.5
.75±0.15
1993-07-01实施
着色绝缘子
15.24±0.2
SJ20337-93
7.62±0.2
7.62±0.2
7.62±0.2
47.5±0.5
图1外形、安装、引出端及底视电路图1.2.2规格参数
规格参数见表1。
表1规格参数表
线圈电压
规格序号
额定值
最大值
线圈直流
底视电路图
整个温度范围
动作电压1
保持电压
释放电压
动作电压
最大值
最小值
最小值
最大值
注:如对线圈额定电压和继电器安装方式有特殊要求,可由供带双方另行商议。1.2.3零件号标志方法
保持电压释放电压
最小值
最小值
符合本详细规范的继电器标志由字母“I”、总规范号、字母“S”详细规范号、一给定的序号(包括规格序号、安装方式代号和引出端型式代号)组成。详细规范号与规定序号之间用横线分隔,总规范号与字母“S”之间、规格序号与安装方式代号之间均用斜线分隔。示例如下:2
2引用文件
GJB1042—90
3要求
3.1触点参数
3.1.1·触点组数
SJ20337-93
20337-027/2
引出端型式代号
安装方式代号
规格序号
详细规范号
电子行业军用标志
总规范号
军用标志
电磁继电器总规范
3.1.2触点额定负载
3.1.2.1高电平
阻性.15A.28Vd.c;15A,115Va.c.(50Hz400Hz)a.
感性:5A28Vd.c.,200mH
3.1.2.2中等电流
100mA,28Vd.c.。
3.1.3接触压降(电阻)
3.1.3.1高电平
初始值:100mV;
寿命试验中:接触压降不大于开路电压的5%;寿命试验后:≤200mV。
中等电流
初始值:<0.05Q;
寿命试验中,<3.00Q;
c.寿命试验后≤3.000。
3.1.4触点回跳
触点回跳时间:≤4ms。
3.1.5过负载
2倍额定电流。
3.2线圈参数
工作方式:连续;
规格参数:见表1;
动作时间,≤20ms;
d释放时间,≤15ms。
3.3绝缘性能
3.3.1绝缘电阻
正常条件下:≥1000MQ;
高温下:≥500MQ;
高湿下≥100M0。
3.3.2介质耐压
SJ20337—93
试验电压的施加点和试验电压大小按下列规定:施
外壳、底座或外壳整体与处于激励与去激励状态下的各断开触点之间
外壳、底座或外亮整体与线图之间所有触点与线圈之间
处于激励与去激励状态下的各断开的触点之间处于激励与去激励状态下的各触点组之间3.4环境适应性能
3.4.1温度范围:755~85℃。
3.4.2温度冲击和高低温工作;适用。3.4.3低气压:2kPa。
3.4.4冲击:980m/s(100g)。
3.4.5振动:98m/s*(10g)10~500Hz。3.4.6加速度:196m/s(20g)。3.4.7
内部潮湿:适用。
耐湿:适用。
磁干扰:适用。
线圈寿命:适用。
耐焊接热:适用。
盐雾(腐蚀):适用。
耐溶剂:适用。
3.5结构要求和物理性能
3.5.1外形与安装配置尺寸:见图1。3.5.2
引出端与配置尺寸:见图1。
3.5.3可焊性:适用。
3.5.4密封:允许的最大漏率为10-\Pa:cm/s。海平面
V(r.m.s.,50Hz)
3.5.5引出端强度,适用。试验条件A,拉力为15N。3.5.6标志(全部):适用。
4kPa气压下
V(r.m.s.,50Hz)
所有引出端与外亮间
3.5.7重量:≤170g。
3.6寿命
a高电平:5×10*次;
b.中等电流:5×10次。
4质量保证规定
4.1鉴定检验
鉴定检验表按表2规定。
检验项目
外观和机械检查
内部1)
内部潮湿
可焊性(3只样品)
绝缘电阻
介质耐压
电性能:
接触压降(电阻)
动作、保持和释
放电压
线圈直流电阻
动作和释放时间
触点回跳
温度冲击和高低温工作
耐溶剂
加速度
引出端强度
本规范的条款
SJ20337--93
表2鉴定检验
GJB1042
的条款
试验方法
GJB1042
的条款
受检的样品数
允许的失效数
检验项目
绝缘电阻免费标准bzxz.net
介质耐压
电性能:
接触压降(电阻)
动作、保持和释放
线圈直流电阻
动作和释放时间
触点回跳
外观和机械检查
磁干扰
线圈寿命
耐焊接热
盐雾(腐蚀)
绝缘电阻
介质耐压
电性能:
接触压降(电阻)
动作、保持和释放
线图直流电阻
动作和释放时间
触点回跳
外观和机械检查
过负载
引出端强度\)
绝缘电阻
本规范的条款
SJ20337—93
续表2
GJB1042
的条款
试验方法
GJB1042
的条款
受检的样品数
允许的失效数
检验项目
介质耐压
电性能:
接触压降(电阻)
动作、保持和释放
线图直流电阻
动作和释放时间
触点回跳
外观和机械检查
中等电流
绝缘电阻
介质耐压
电性能:
接触压降(电阻)
动作、保持和释放电压
线直流电阻
动作和释放时间
触点国跳
外观和机械检查
本规范的条款
SJ20337—93
续表2
GJB1042
的条款
注:1)追加1只未封罩的样品经受内部检查2)试验4只已经受过最大电流负载试验的样品。4.2质量一致性检验
4.2.1A组检验
A组检验表按表3规定。
试验方法
GJB1042
的条款
受检的样品数
箕中每种负
截各做2只
允许的失效数
检验项目
A1分组
内部潮湿
A2分组1
绝缘电阻
介质耐压
电性能:
接触压降(电阻)
动作、保持和释放
线圈直流电阻
动作和释放时间
触点回跳
A3分组
可焊性
外观和机械检查
(外部)\
本规范的条款
注:1)检验顺序任意。
SJ20337—93
表3A组检验
GJB1042的条款
试验方法
GJB1042的条款
可接受质量水平
不合格品率
不大于4.0%
100%检验剔除所
有不合格的继电器
100%检验”
100%检验制除所
有不合格继电器”
2)可焊性试验只要求在随机从每一正式批中抽取的3只继电器样品上进行。如果出现1次失效,则此整个批应返修,并抽取第2批随机样品进行试验。在可焊性试验合格后,应将整批再提交全部A组检验。
3)对于密封失效,可进行返修,并重新提交全部A组检验。4)每一正式批中对2只样品测量尺寸和重量。5)诸如标志等轻缺陷不合格品可以返修。4.2.2B组检验
B组检验表按表4规定。
表 4B组检验
检验项目
振动”
中等电流
绝缘电阻
介质耐压
电性能:
接触压降(电阻)
动作、保持和释放电压
本规范的条款
3.1.2.2.3.6
GJB1042的条款
试验方法
GJB1042的条款
检验项目
线圈直流电阻
动作和释放时间
触点回跳
引出端强度
外观和机械检查
SJ20337—93
续表4
本规范的条款
3.5.1,3.5.2
3.5.6.3.5.7
GJB1042的条款
3.1,3.4,3.5
3.36,3.37
试验方法
GJB1042的条款
注:1)在题率范围扫频时,试验的持续时间应减少至5min,循环次数减少至1次。4.2.3C组检验
C组检验表按表2规定。
附加说明:
本规范由中国电子工业总公司科技质量局提出。本规范由中国电子技术标准化研究所归口。本规范由国营第八九一厂和中国电子技术标准化研究所负责起草本规范主要起草人:史信源、陈清平、谢锦黔。计划项目代号:BJ2023。
小提示:此标准内容仅展示完整标准里的部分截取内容,若需要完整标准请到上方自行免费下载完整标准文档。
SJ20337-93
JOX-19M型密封直流电磁继电器
详细规范
Detail specificationformodelJQX-19Msealed d.c. electromagnetic relay1993-05-11发布
1993-07-01实施
中华人民共和国电子工业部批准中华人民共和国电子行业军用标准JOX-19M型密封直流电磁继电器
详细规范
Detail specification formodel JQX-19Msealed d.c. electromagnetic relaySJ20337-93
本规范规定的继电器,其全部要求由本规范和GJB1042一90电磁继电器总规范》组成。1范围
1.1主题内容与适用范围
本规范规定了JQX19M型密封直流电磁继电器详细要求。本规范适用于触点负载从中等电流至15A、4组转换触点,引出端间距为3.81的整倍数的JQX一19M型密封直流电磁继电器。1.2结构型式、尺寸及分类参数
1.2.1结构型式和尺寸
外形尺寸,安装方式和安装尺寸,引出端型式和引出端尺寸及底视电路图见图1。40max
20.8±0.07
1202±0.1
中华人民共和国电子工业部1993-05-11发布0+0.5
.75±0.15
1993-07-01实施
着色绝缘子
15.24±0.2
SJ20337-93
7.62±0.2
7.62±0.2
7.62±0.2
47.5±0.5
图1外形、安装、引出端及底视电路图1.2.2规格参数
规格参数见表1。
表1规格参数表
线圈电压
规格序号
额定值
最大值
线圈直流
底视电路图
整个温度范围
动作电压1
保持电压
释放电压
动作电压
最大值
最小值
最小值
最大值
注:如对线圈额定电压和继电器安装方式有特殊要求,可由供带双方另行商议。1.2.3零件号标志方法
保持电压释放电压
最小值
最小值
符合本详细规范的继电器标志由字母“I”、总规范号、字母“S”详细规范号、一给定的序号(包括规格序号、安装方式代号和引出端型式代号)组成。详细规范号与规定序号之间用横线分隔,总规范号与字母“S”之间、规格序号与安装方式代号之间均用斜线分隔。示例如下:2
2引用文件
GJB1042—90
3要求
3.1触点参数
3.1.1·触点组数
SJ20337-93
20337-027/2
引出端型式代号
安装方式代号
规格序号
详细规范号
电子行业军用标志
总规范号
军用标志
电磁继电器总规范
3.1.2触点额定负载
3.1.2.1高电平
阻性.15A.28Vd.c;15A,115Va.c.(50Hz400Hz)a.
感性:5A28Vd.c.,200mH
3.1.2.2中等电流
100mA,28Vd.c.。
3.1.3接触压降(电阻)
3.1.3.1高电平
初始值:100mV;
寿命试验中:接触压降不大于开路电压的5%;寿命试验后:≤200mV。
中等电流
初始值:<0.05Q;
寿命试验中,<3.00Q;
c.寿命试验后≤3.000。
3.1.4触点回跳
触点回跳时间:≤4ms。
3.1.5过负载
2倍额定电流。
3.2线圈参数
工作方式:连续;
规格参数:见表1;
动作时间,≤20ms;
d释放时间,≤15ms。
3.3绝缘性能
3.3.1绝缘电阻
正常条件下:≥1000MQ;
高温下:≥500MQ;
高湿下≥100M0。
3.3.2介质耐压
SJ20337—93
试验电压的施加点和试验电压大小按下列规定:施
外壳、底座或外壳整体与处于激励与去激励状态下的各断开触点之间
外壳、底座或外亮整体与线图之间所有触点与线圈之间
处于激励与去激励状态下的各断开的触点之间处于激励与去激励状态下的各触点组之间3.4环境适应性能
3.4.1温度范围:755~85℃。
3.4.2温度冲击和高低温工作;适用。3.4.3低气压:2kPa。
3.4.4冲击:980m/s(100g)。
3.4.5振动:98m/s*(10g)10~500Hz。3.4.6加速度:196m/s(20g)。3.4.7
内部潮湿:适用。
耐湿:适用。
磁干扰:适用。
线圈寿命:适用。
耐焊接热:适用。
盐雾(腐蚀):适用。
耐溶剂:适用。
3.5结构要求和物理性能
3.5.1外形与安装配置尺寸:见图1。3.5.2
引出端与配置尺寸:见图1。
3.5.3可焊性:适用。
3.5.4密封:允许的最大漏率为10-\Pa:cm/s。海平面
V(r.m.s.,50Hz)
3.5.5引出端强度,适用。试验条件A,拉力为15N。3.5.6标志(全部):适用。
4kPa气压下
V(r.m.s.,50Hz)
所有引出端与外亮间
3.5.7重量:≤170g。
3.6寿命
a高电平:5×10*次;
b.中等电流:5×10次。
4质量保证规定
4.1鉴定检验
鉴定检验表按表2规定。
检验项目
外观和机械检查
内部1)
内部潮湿
可焊性(3只样品)
绝缘电阻
介质耐压
电性能:
接触压降(电阻)
动作、保持和释
放电压
线圈直流电阻
动作和释放时间
触点回跳
温度冲击和高低温工作
耐溶剂
加速度
引出端强度
本规范的条款
SJ20337--93
表2鉴定检验
GJB1042
的条款
试验方法
GJB1042
的条款
受检的样品数
允许的失效数
检验项目
绝缘电阻免费标准bzxz.net
介质耐压
电性能:
接触压降(电阻)
动作、保持和释放
线圈直流电阻
动作和释放时间
触点回跳
外观和机械检查
磁干扰
线圈寿命
耐焊接热
盐雾(腐蚀)
绝缘电阻
介质耐压
电性能:
接触压降(电阻)
动作、保持和释放
线图直流电阻
动作和释放时间
触点回跳
外观和机械检查
过负载
引出端强度\)
绝缘电阻
本规范的条款
SJ20337—93
续表2
GJB1042
的条款
试验方法
GJB1042
的条款
受检的样品数
允许的失效数
检验项目
介质耐压
电性能:
接触压降(电阻)
动作、保持和释放
线图直流电阻
动作和释放时间
触点回跳
外观和机械检查
中等电流
绝缘电阻
介质耐压
电性能:
接触压降(电阻)
动作、保持和释放电压
线直流电阻
动作和释放时间
触点国跳
外观和机械检查
本规范的条款
SJ20337—93
续表2
GJB1042
的条款
注:1)追加1只未封罩的样品经受内部检查2)试验4只已经受过最大电流负载试验的样品。4.2质量一致性检验
4.2.1A组检验
A组检验表按表3规定。
试验方法
GJB1042
的条款
受检的样品数
箕中每种负
截各做2只
允许的失效数
检验项目
A1分组
内部潮湿
A2分组1
绝缘电阻
介质耐压
电性能:
接触压降(电阻)
动作、保持和释放
线圈直流电阻
动作和释放时间
触点回跳
A3分组
可焊性
外观和机械检查
(外部)\
本规范的条款
注:1)检验顺序任意。
SJ20337—93
表3A组检验
GJB1042的条款
试验方法
GJB1042的条款
可接受质量水平
不合格品率
不大于4.0%
100%检验剔除所
有不合格的继电器
100%检验”
100%检验制除所
有不合格继电器”
2)可焊性试验只要求在随机从每一正式批中抽取的3只继电器样品上进行。如果出现1次失效,则此整个批应返修,并抽取第2批随机样品进行试验。在可焊性试验合格后,应将整批再提交全部A组检验。
3)对于密封失效,可进行返修,并重新提交全部A组检验。4)每一正式批中对2只样品测量尺寸和重量。5)诸如标志等轻缺陷不合格品可以返修。4.2.2B组检验
B组检验表按表4规定。
表 4B组检验
检验项目
振动”
中等电流
绝缘电阻
介质耐压
电性能:
接触压降(电阻)
动作、保持和释放电压
本规范的条款
3.1.2.2.3.6
GJB1042的条款
试验方法
GJB1042的条款
检验项目
线圈直流电阻
动作和释放时间
触点回跳
引出端强度
外观和机械检查
SJ20337—93
续表4
本规范的条款
3.5.1,3.5.2
3.5.6.3.5.7
GJB1042的条款
3.1,3.4,3.5
3.36,3.37
试验方法
GJB1042的条款
注:1)在题率范围扫频时,试验的持续时间应减少至5min,循环次数减少至1次。4.2.3C组检验
C组检验表按表2规定。
附加说明:
本规范由中国电子工业总公司科技质量局提出。本规范由中国电子技术标准化研究所归口。本规范由国营第八九一厂和中国电子技术标准化研究所负责起草本规范主要起草人:史信源、陈清平、谢锦黔。计划项目代号:BJ2023。
小提示:此标准内容仅展示完整标准里的部分截取内容,若需要完整标准请到上方自行免费下载完整标准文档。
标准图片预览:





- 热门标准
- 电子行业标准(SJ)
- SJ3166-1988 GZS12-4-3型彩色显像管插座
- SJ2857.2-1988 温差电致冷材料性能的测试方法 电导率的测试方法
- SJ2879-1988 彩色电视接收机用色纯静会聚磁体组合件总规范
- SJ/T11010-1996 电子器件详细规范 半导体电视集成电路CD1124ACP伴音中频放大电路
- SJ/T11088-1996 电子器件详细规范 半导体集成电路CD7680CP图象伴音中频放大电路
- SJ/T9546-1993 无金属化孔单、双面印制板的质量分等标准
- SJ/T31063-1994 TCM-B三氯乙烯清洗机完好要求和检查评定方法
- SJ/T31168-1994 发射管电性能测试电源完好要求和检查评定方法
- SJ/T31384-1994 洗衣机定时器寿命试验台完好要求和检查评定方法
- SJ/T31441-1994 离心式制冷机组完好要求和检查评定方法
- SJ/T31449-1994 供油管道完好要求和检查评定方法
- SJ/T10401-1993 半导体集成音响电路马达稳速电路测试方法的基本原理
- SJ/T10455-1993 厚膜混合集成电路用铜导体浆料
- SJ/T10669-1995 表面组装器件可焊性试验
- SJ/Z3206.5-1989 光谱化学分析用感光板和胶片的照相处理方法
- 行业新闻
请牢记:“bzxz.net”即是“标准下载”四个汉字汉语拼音首字母与国际顶级域名“.net”的组合。 ©2025 标准下载网 www.bzxz.net 本站邮件:bzxznet@163.com
网站备案号:湘ICP备2025141790号-2
网站备案号:湘ICP备2025141790号-2