- 您的位置:
- 标准下载网 >>
- 标准分类 >>
- 电子行业标准(SJ) >>
- SJ 20336-1993 超小型(20.5×10.5×10.5)气密式密封磁保持继电器详细规范
【电子行业标准(SJ)】 超小型(20.5×10.5×10.5)气密式密封磁保持继电器详细规范
本网站 发布时间:
2024-07-05 05:20:57
- SJ20336-1993
- 现行
- 点击下载此标准
标准号:
SJ 20336-1993
标准名称:
超小型(20.5×10.5×10.5)气密式密封磁保持继电器详细规范
标准类别:
电子行业标准(SJ)
标准状态:
现行-
发布日期:
1993-05-11 -
实施日期:
1993-07-01 出版语种:
简体中文下载格式:
.rar.pdf下载大小:
297.21 KB
点击下载
标准简介:
标准下载解压密码:www.bzxz.net
SJ 20336-1993 超小型(20.5×10.5×10.5)气密式密封磁保持继电器详细规范 SJ20336-1993
部分标准内容:
中华人民共和国电子行业军用标准FL5945
SJ20336—93
超小型(20.5×10.5×10.5)
气密式密封磁保持继电器
详细规范
Detail specification for subminiature(20.5×10.5×10.5)hermeticallysealed magnetic latching relay1993-05-11发布
1993-07-01实施
中华人民共和国电子工业部批准中华人民共和国电子行业军用标准超小型(20.5×10.5×10.5)气密式密封磁保持继电器详细规范
Detail specification forsubminiature(20.5×10.5X10.5)hermeticallysealed magnetic latching relaySJ20336—93
本规范规定的继电器,其全部要求由本规范和GJB1042-90《电磁继电器总规范》组成,并符合GJB67889《军事电子设备用密封电磁继电器系列》规定。1范围
1.1主题内容与适用范围
本规范规定了超小型(20.5×10.5×10.5)气密式密封磁保持继电器详细要求。本规范适用于触点负载从低电平至2A,2组转换触点,引出端间距为2.54的整倍数的超小型气密式密封磁保持继电器。1.2结构型式、尺寸及分类参数
1.2.1结构型式和尺寸
外形尺寸,安装方式和安装尺寸,引出端型式和引出端尺寸及底视电路图见图1。中华人民共和国电子工业部1993-05-11发布1993-07-01实施
10.16±0.1
15.24±0.2
安装方式0
1.2.2规格参数
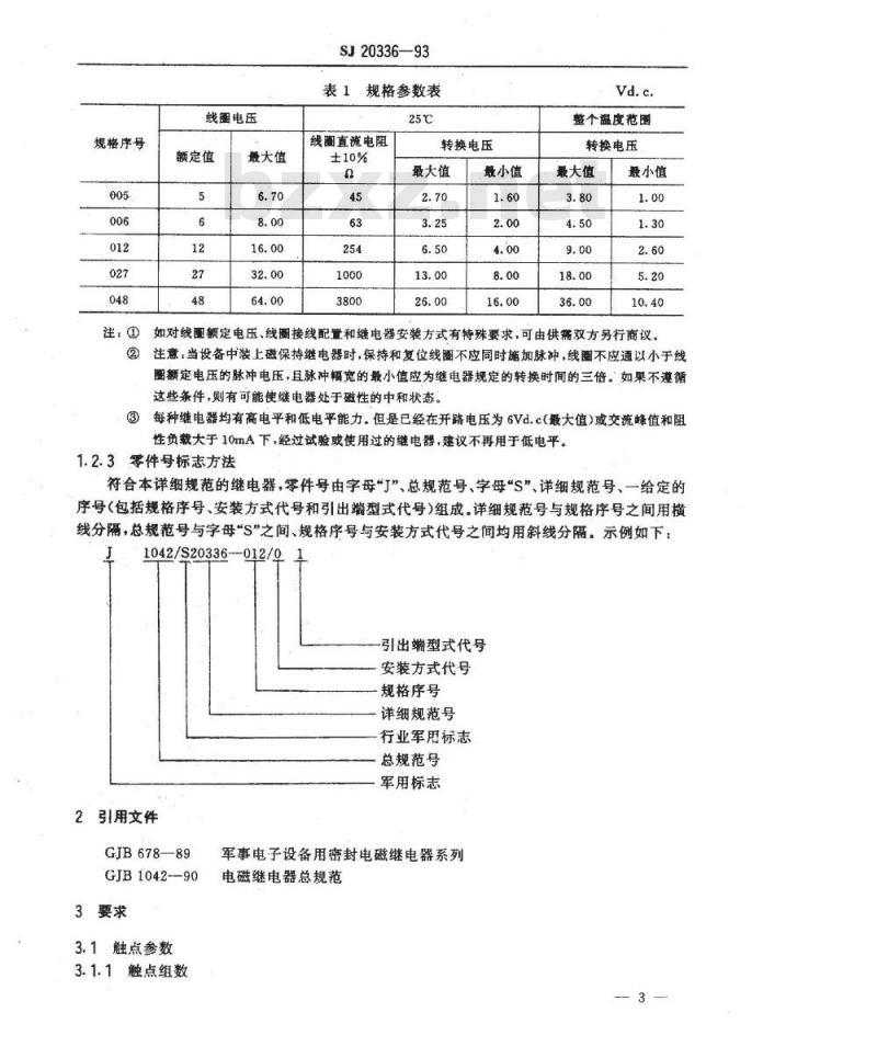
规格参数见表1。
SJ20336-93
着色绝缘子
1~0F809
5.08±0.1
27.5±0.5
安装方式2
0.8±0.05
代号1
代号4
27.5±0.5
安装方式1
27.5±0.5
安装方式3
底视电路图
图1外形、安装、引出端及底视电路图3.s+6.12
薯色绝缘子
后徽励
规格序号
注:?
线图电压
额定值
最大值
SJ20336—93
表1规格参数表
线图直流电阻
转换电压
最大值
最小值
整个温度范图
转换电压
最大值
最小值
如对线画额定电压、线圈接线配置和继电器安装方式有特殊要求,可由供需双方另行商议。注意,当设备中装上磁保持继电器时,保持和复位线圈不应同时施加脉冲,线圈不应通以小于线圈额定电压的脉冲电压,且脉冲幅宽的最小值应为继电器规定的转换时间的三倍。如果不遵循这些条件,则有可能使继电器处于磁性的中和状态。每种继电器均有高电平和低电平能力。但是已经在开路电压为6Vd.c(最大值)或交流峰值和阻性负载大于10mA下,经过试验或使用过的继电器,建议不再用于低电平。1.2.3零件号标志方法
符合本详细规范的继电器,零件号由字母“丁”、总规范号、字母“S”、详细规范号、一给定的序号(包括规格序号、安装方式代号和引出端型式代号)组成.详细规范号与规格序号之间用横线分隔,总规范号与字母S”之间、规格序号与安装方式代号之间均用斜线分隔。示例如下:1042/S20336--012/01
引出端型式代号
安装方式代号
规格序号
详细规范号
行业军用标志
总规范号
军用标志
2引用文件
GJB678—-89
GJB1042--90
3要求
3.1触点参数
3.1.1触点组数
军事电子设备用密封电磁继电器系列电磁继电器总规范
3.1.2触点额定负载
SJ20336-93
3.1.2.1高电平
阻性:2A,28Vd.c;0.25A,115Va.c.(50Hz,400Hz);a.
b.感性:0.75A28Vd.c,200mH.
注:1)除合同另有规定外,试验时400Hz不适用。3.1.2.2低电平
10~50μA,10~50mV(直流或交流峰值)。3.1.2.3中等电流
100mA,28Vd.c.
3.1.3接触电阻(或压降)
3.1.3.1高电平
初始值:≤0.05Q;
寿命试验中:触点压降不大于开路电压的10%;b.
寿命试验后,≤0.10Q。
低电平
初始值:≤0.05Q;
寿命试验中:≤1002;
寿命试验后:≤0.150。
中等电流
初始值:≤0.05Q;
寿命试验中:≤3.0Q;
寿命试验后:≤3.02。
3.1.4触点回跳
触点回跳时间:≤2ms。
3.1.5过负载(只适用于高电平)两倍额定电流。
3.2线圈参数
工作方式:脉冲:
规格参数:见表1;
c.转换时间:≤5ms(适用于整个温度范围,线圈加额定电压)。3.3绝缘性能
3.3.1绝缘电阻
正常条件下:≥1000MQ;
b.高温下:≥1000MQ,但线圈与外壳间不小于500Ma。3.3.2介质耐压
试验电压的施加点和试验电压大小按下列规定:加点
SJ2033693
海平面
V(r.m.s.,50Hz)
外壳、底座或外壳整体与处于动作与复归状态下的各断开触点之间
外壳、底座或外壳整体与线圈之间所有触点与线圈之间
处于动作与复归状态下的各断开的触点之间处于动作与复归状态下的各触点组之间3.4环境适应性能
温度范围:-65~125℃。
温度冲击和高低温工作:适用。低气压:4kPa。
冲击:980m/s*(100g)。
振动:196m/s*(20g);10~2000Hz。加速度:980m/s(100g)。
内部潮湿:适用。
磁干扰:适用。
耐焊接热:适用。
耐溶剂:适用。
盐雾(腐蚀):适用。
3.5结构、物理性能
外形与安装配置尺寸,见图1。
引出端与配置尺寸,见图1。
可焊性:适用。
密封:允许的最大漏率为10-3Pa·cm/s引出端强度:适用。试验条件A,拉力为15N。标志(全部):适用。
重量:≤14g。
3.6运行
适用。
3.7寿命
高电平:105次;
低电平:105次:
中等电流:5×10次。
质量保证规定
鉴定检验
鉴定检验表按表2规定。
4kPa气压下
V(r.m.s.,50Hz)
所有引出端与外充间350
检验项目
外观和机械检查
内部》
内部潮湿
可焊性(3只样品):
绝缘电阻
介质耐压
电性能:
静态接触电阻
转换电压
线圈直流电限
转换时间
触点回跳
温度冲击和高低温工作
耐溶剂
加速度
引出端强度
绝缘电阻
介质耐压
电性能:
静态接触电阻
转换电压
线图直流电阻
转换时间
触点回跳
外观和机械检查
本规范的条款
SJ20336—93
表 2鉴定检验
GJB1042
的条款
试验方法
GJB1042
的条款
受检的样品数
¥20+2
允许的失效数
检验项目
磁干扰
耐焊接热
盐雾(腐蚀)
绝缘电阻
介质耐压
电性能:
静态接触电阻
转换电压
线图直流电阻
转换时间
触点回跳
外观和机械检查
过负载
引出端强度
绝缘电阻
介质耐压
电性能:
静态接触电阻
转换电压
线圈直流电阻
转换时间
触点回跳
外观和机械检查
本规范的条款
SJ20336-93
续表2
GJB1042
的条款
试验方法
GJB1042
的条款
受检的样品数
(其中每种负
载各做2只)
允许的失效数
检验项目
中等电流
绝缘电阻
介质耐压
电性能:
静态接触电阻
转换电压
线圈直流电阻wwW.bzxz.Net
转换时间
触点回跳
外观和机械检查
本规范的条款
SJ20336—93
续表2
GJB1042
的条款
注:1)追加1只未封罩的样品经受内部检查。2)试验4只已经受过最大电流负载试验的样品。4.2质量一致性检验
4.2.1A组检验
A组检验表按表3规定。
试验方法
GJB1042
的条款
表3A组检验
检验项目
A1分组
内部潮湿
A2分组\
绝缘电阻
介质耐压
电性能:
静态接触电阻
转换电压
线图直流电阻
转换时间
触点回跳
本规范的条款
GJB1042的条款
受检的样品数
试验方法
GJB1042的条款
允许的失效数
可接受质量水平
不合格品4.0%
100%检验剔除所
有不合格的继电器
100%检验,别除所
有不合格的继电器
检验项目
A3分组
可焊性
外观和机械检查
(外部)*
注:1)
本规范的条款
检验顾序任意。
SJ20336—93
续表3
GJB1042的条款
试验方法
GJB1042的条款
可接受质量水平
100%检验”
100%检验,剔除所
有不合格继电器”
可焊性试验只要求在从每十正式批中随机抽取的2只继电器样品上进行。如果出现1次失效,则此整个批应返修,并在返修批中抽取样品进行可焊性试验。在可焊性试验合格后,应将整批再提交全部A组检验。
对于密封失效,可进行返修,并重新提交全部A组检验。3)
每一正式批中对2只样品测量物理尺寸和重量。4)
诸如标志等轻缺陷不合格品可以返修。5
4.2.2B组检验
B组检验表按表4规定。
表4B组检验
检验项目
振动”
中等电流
绝缘电阻
介质耐压
电性能:
静态接触电阻
转换电压
线圈直流电阻
转换时间
触点回跳
引出端强度
外观和机械
本规范的条款
3.1.2.3,3.7c
3.5.1,3.5.2
3.5.6.3.5.7
GJB1042的条款
3.1,3.4,3.5
3.36.3.37
试验方法
GJB1042的条款
注:1)在频率范围扫题时,试验的持续时间应减少至5min,循环次数减少至1次。4.2.3C组检验
C组检验表按表2规定。
附加说明:
SJ20336-93
本规范由中国电子工业总公司科技质量局提出。本规范由中国电子技术标准化研究所归口。本规范由国营第七九二厂、中国电子技术标准化研究所起草。本规范主要起草人:原昶、史信源、钱渭、赵大志、党亚粮。计划项目代号:BI12019。
小提示:此标准内容仅展示完整标准里的部分截取内容,若需要完整标准请到上方自行免费下载完整标准文档。
SJ20336—93
超小型(20.5×10.5×10.5)
气密式密封磁保持继电器
详细规范
Detail specification for subminiature(20.5×10.5×10.5)hermeticallysealed magnetic latching relay1993-05-11发布
1993-07-01实施
中华人民共和国电子工业部批准中华人民共和国电子行业军用标准超小型(20.5×10.5×10.5)气密式密封磁保持继电器详细规范
Detail specification forsubminiature(20.5×10.5X10.5)hermeticallysealed magnetic latching relaySJ20336—93
本规范规定的继电器,其全部要求由本规范和GJB1042-90《电磁继电器总规范》组成,并符合GJB67889《军事电子设备用密封电磁继电器系列》规定。1范围
1.1主题内容与适用范围
本规范规定了超小型(20.5×10.5×10.5)气密式密封磁保持继电器详细要求。本规范适用于触点负载从低电平至2A,2组转换触点,引出端间距为2.54的整倍数的超小型气密式密封磁保持继电器。1.2结构型式、尺寸及分类参数
1.2.1结构型式和尺寸
外形尺寸,安装方式和安装尺寸,引出端型式和引出端尺寸及底视电路图见图1。中华人民共和国电子工业部1993-05-11发布1993-07-01实施
10.16±0.1
15.24±0.2
安装方式0
1.2.2规格参数
规格参数见表1。
SJ20336-93
着色绝缘子
1~0F809
5.08±0.1
27.5±0.5
安装方式2
0.8±0.05
代号1
代号4
27.5±0.5
安装方式1
27.5±0.5
安装方式3
底视电路图
图1外形、安装、引出端及底视电路图3.s+6.12
薯色绝缘子
后徽励
规格序号
注:?
线图电压
额定值
最大值
SJ20336—93
表1规格参数表
线图直流电阻
转换电压
最大值
最小值
整个温度范图
转换电压
最大值
最小值
如对线画额定电压、线圈接线配置和继电器安装方式有特殊要求,可由供需双方另行商议。注意,当设备中装上磁保持继电器时,保持和复位线圈不应同时施加脉冲,线圈不应通以小于线圈额定电压的脉冲电压,且脉冲幅宽的最小值应为继电器规定的转换时间的三倍。如果不遵循这些条件,则有可能使继电器处于磁性的中和状态。每种继电器均有高电平和低电平能力。但是已经在开路电压为6Vd.c(最大值)或交流峰值和阻性负载大于10mA下,经过试验或使用过的继电器,建议不再用于低电平。1.2.3零件号标志方法
符合本详细规范的继电器,零件号由字母“丁”、总规范号、字母“S”、详细规范号、一给定的序号(包括规格序号、安装方式代号和引出端型式代号)组成.详细规范号与规格序号之间用横线分隔,总规范号与字母S”之间、规格序号与安装方式代号之间均用斜线分隔。示例如下:1042/S20336--012/01
引出端型式代号
安装方式代号
规格序号
详细规范号
行业军用标志
总规范号
军用标志
2引用文件
GJB678—-89
GJB1042--90
3要求
3.1触点参数
3.1.1触点组数
军事电子设备用密封电磁继电器系列电磁继电器总规范
3.1.2触点额定负载
SJ20336-93
3.1.2.1高电平
阻性:2A,28Vd.c;0.25A,115Va.c.(50Hz,400Hz);a.
b.感性:0.75A28Vd.c,200mH.
注:1)除合同另有规定外,试验时400Hz不适用。3.1.2.2低电平
10~50μA,10~50mV(直流或交流峰值)。3.1.2.3中等电流
100mA,28Vd.c.
3.1.3接触电阻(或压降)
3.1.3.1高电平
初始值:≤0.05Q;
寿命试验中:触点压降不大于开路电压的10%;b.
寿命试验后,≤0.10Q。
低电平
初始值:≤0.05Q;
寿命试验中:≤1002;
寿命试验后:≤0.150。
中等电流
初始值:≤0.05Q;
寿命试验中:≤3.0Q;
寿命试验后:≤3.02。
3.1.4触点回跳
触点回跳时间:≤2ms。
3.1.5过负载(只适用于高电平)两倍额定电流。
3.2线圈参数
工作方式:脉冲:
规格参数:见表1;
c.转换时间:≤5ms(适用于整个温度范围,线圈加额定电压)。3.3绝缘性能
3.3.1绝缘电阻
正常条件下:≥1000MQ;
b.高温下:≥1000MQ,但线圈与外壳间不小于500Ma。3.3.2介质耐压
试验电压的施加点和试验电压大小按下列规定:加点
SJ2033693
海平面
V(r.m.s.,50Hz)
外壳、底座或外壳整体与处于动作与复归状态下的各断开触点之间
外壳、底座或外壳整体与线圈之间所有触点与线圈之间
处于动作与复归状态下的各断开的触点之间处于动作与复归状态下的各触点组之间3.4环境适应性能
温度范围:-65~125℃。
温度冲击和高低温工作:适用。低气压:4kPa。
冲击:980m/s*(100g)。
振动:196m/s*(20g);10~2000Hz。加速度:980m/s(100g)。
内部潮湿:适用。
磁干扰:适用。
耐焊接热:适用。
耐溶剂:适用。
盐雾(腐蚀):适用。
3.5结构、物理性能
外形与安装配置尺寸,见图1。
引出端与配置尺寸,见图1。
可焊性:适用。
密封:允许的最大漏率为10-3Pa·cm/s引出端强度:适用。试验条件A,拉力为15N。标志(全部):适用。
重量:≤14g。
3.6运行
适用。
3.7寿命
高电平:105次;
低电平:105次:
中等电流:5×10次。
质量保证规定
鉴定检验
鉴定检验表按表2规定。
4kPa气压下
V(r.m.s.,50Hz)
所有引出端与外充间350
检验项目
外观和机械检查
内部》
内部潮湿
可焊性(3只样品):
绝缘电阻
介质耐压
电性能:
静态接触电阻
转换电压
线圈直流电限
转换时间
触点回跳
温度冲击和高低温工作
耐溶剂
加速度
引出端强度
绝缘电阻
介质耐压
电性能:
静态接触电阻
转换电压
线图直流电阻
转换时间
触点回跳
外观和机械检查
本规范的条款
SJ20336—93
表 2鉴定检验
GJB1042
的条款
试验方法
GJB1042
的条款
受检的样品数
¥20+2
允许的失效数
检验项目
磁干扰
耐焊接热
盐雾(腐蚀)
绝缘电阻
介质耐压
电性能:
静态接触电阻
转换电压
线图直流电阻
转换时间
触点回跳
外观和机械检查
过负载
引出端强度
绝缘电阻
介质耐压
电性能:
静态接触电阻
转换电压
线圈直流电阻
转换时间
触点回跳
外观和机械检查
本规范的条款
SJ20336-93
续表2
GJB1042
的条款
试验方法
GJB1042
的条款
受检的样品数
(其中每种负
载各做2只)
允许的失效数
检验项目
中等电流
绝缘电阻
介质耐压
电性能:
静态接触电阻
转换电压
线圈直流电阻wwW.bzxz.Net
转换时间
触点回跳
外观和机械检查
本规范的条款
SJ20336—93
续表2
GJB1042
的条款
注:1)追加1只未封罩的样品经受内部检查。2)试验4只已经受过最大电流负载试验的样品。4.2质量一致性检验
4.2.1A组检验
A组检验表按表3规定。
试验方法
GJB1042
的条款
表3A组检验
检验项目
A1分组
内部潮湿
A2分组\
绝缘电阻
介质耐压
电性能:
静态接触电阻
转换电压
线图直流电阻
转换时间
触点回跳
本规范的条款
GJB1042的条款
受检的样品数
试验方法
GJB1042的条款
允许的失效数
可接受质量水平
不合格品4.0%
100%检验剔除所
有不合格的继电器
100%检验,别除所
有不合格的继电器
检验项目
A3分组
可焊性
外观和机械检查
(外部)*
注:1)
本规范的条款
检验顾序任意。
SJ20336—93
续表3
GJB1042的条款
试验方法
GJB1042的条款
可接受质量水平
100%检验”
100%检验,剔除所
有不合格继电器”
可焊性试验只要求在从每十正式批中随机抽取的2只继电器样品上进行。如果出现1次失效,则此整个批应返修,并在返修批中抽取样品进行可焊性试验。在可焊性试验合格后,应将整批再提交全部A组检验。
对于密封失效,可进行返修,并重新提交全部A组检验。3)
每一正式批中对2只样品测量物理尺寸和重量。4)
诸如标志等轻缺陷不合格品可以返修。5
4.2.2B组检验
B组检验表按表4规定。
表4B组检验
检验项目
振动”
中等电流
绝缘电阻
介质耐压
电性能:
静态接触电阻
转换电压
线圈直流电阻
转换时间
触点回跳
引出端强度
外观和机械
本规范的条款
3.1.2.3,3.7c
3.5.1,3.5.2
3.5.6.3.5.7
GJB1042的条款
3.1,3.4,3.5
3.36.3.37
试验方法
GJB1042的条款
注:1)在频率范围扫题时,试验的持续时间应减少至5min,循环次数减少至1次。4.2.3C组检验
C组检验表按表2规定。
附加说明:
SJ20336-93
本规范由中国电子工业总公司科技质量局提出。本规范由中国电子技术标准化研究所归口。本规范由国营第七九二厂、中国电子技术标准化研究所起草。本规范主要起草人:原昶、史信源、钱渭、赵大志、党亚粮。计划项目代号:BI12019。
小提示:此标准内容仅展示完整标准里的部分截取内容,若需要完整标准请到上方自行免费下载完整标准文档。
标准图片预览:





- 热门标准
- 电子行业标准(SJ)
- SJ3166-1988 GZS12-4-3型彩色显像管插座
- SJ2857.2-1988 温差电致冷材料性能的测试方法 电导率的测试方法
- SJ2879-1988 彩色电视接收机用色纯静会聚磁体组合件总规范
- SJ/T11010-1996 电子器件详细规范 半导体电视集成电路CD1124ACP伴音中频放大电路
- SJ/T11088-1996 电子器件详细规范 半导体集成电路CD7680CP图象伴音中频放大电路
- SJ/T9546-1993 无金属化孔单、双面印制板的质量分等标准
- SJ/T31063-1994 TCM-B三氯乙烯清洗机完好要求和检查评定方法
- SJ/T31168-1994 发射管电性能测试电源完好要求和检查评定方法
- SJ/T31384-1994 洗衣机定时器寿命试验台完好要求和检查评定方法
- SJ/T31441-1994 离心式制冷机组完好要求和检查评定方法
- SJ/T31449-1994 供油管道完好要求和检查评定方法
- SJ/T10401-1993 半导体集成音响电路马达稳速电路测试方法的基本原理
- SJ/T10455-1993 厚膜混合集成电路用铜导体浆料
- SJ/T10669-1995 表面组装器件可焊性试验
- SJ/Z3206.5-1989 光谱化学分析用感光板和胶片的照相处理方法
- 行业新闻
请牢记:“bzxz.net”即是“标准下载”四个汉字汉语拼音首字母与国际顶级域名“.net”的组合。 ©2025 标准下载网 www.bzxz.net 本站邮件:bzxznet@163.com
网站备案号:湘ICP备2025141790号-2
网站备案号:湘ICP备2025141790号-2