- 您的位置:
- 标准下载网 >>
- 标准分类 >>
- 机械行业标准(JB) >>
- JB/T 5287.1-1991 碟式啤酒分离机
标准号:
JB/T 5287.1-1991
标准名称:
碟式啤酒分离机
标准类别:
机械行业标准(JB)
英文名称:
Disc beer separator标准状态:
已作废-
发布日期:
1991-07-22 -
实施日期:
1992-07-01 -
作废日期:
2005-09-01 出版语种:
简体中文下载格式:
.rar.pdf下载大小:
2.50 MB
替代情况:
被JB/T 8103.2-2005代替
点击下载
标准简介:
标准下载解压密码:www.bzxz.net
被JB/T 8103.2-2005代替 JB/T 5287.1-1991 碟式啤酒分离机 JB/T5287.1-1991
部分标准内容:
中华人民共和国机械行业标准
JB/T 5287.1-91
碟式啤酒分离机
1991-07-22发布
中华人民共和国机械电子工业部发布
1992-07-01实施
中华人民共和国机械行业标准
碟式啤酒分离机
1主题内容与适用范围
JB/T5287.191bZxz.net
本标准规定了碟式环阅排渣型啤酒分离机的基本参数、技术要求及性能试验方法。本标准适用于后酵啤酒预澄清或澄清用的碟式啤酒分离机(以下简称分离机)。2引用标准
GB2758
GB4927
GB4928
.GB7781
GB10897
GB10898
3术语
发酵酒卫生标准
11度、12度优级淡色啤酒
11度、12度优级淡色啤酒的试验方法分离机型号编制方法
碟式分离机技术条件
碟式分离机试验方法
普通淡色啤酒及其试验方法
3.1额定处理能力
单位时间内,分离机在额定工况下能分离密度为1080kg/m、直径为3mm以上的酵母时的后酵啤酒通过量。
3.2额定工况
分离机在额定转速下,对符合GB4927和QB936规定的各类酒,当酵母计数在10×10°~12×10°个/mL的后酵母啤酒预澄清时,在0℃左右分离温度下,清酒排出压力及分离效果达到设计规定要求时的运行工况。
3.3分离效率
分离前后啤酒中酵母数之差与分离前啤酒中酵母数之比的百分值。4基本参数
4.1结构
4.1.1分离机的结构应符合GB7781及图1的规定。机械电子工业部1991-07-22批准1992-07-01实施
JB/T5287.1-91
图1环阀部分排渣碟式分离机
分离机对啤酒中CO,气体保压的方式分下列三种:4.1.2
机械密封;
较态密封;
CO气体隔离层。
分离机排滋的控制方式分下列四种;手动控制;
定时程序控制;
光电管监测自动控制;
自行触发自动控制。
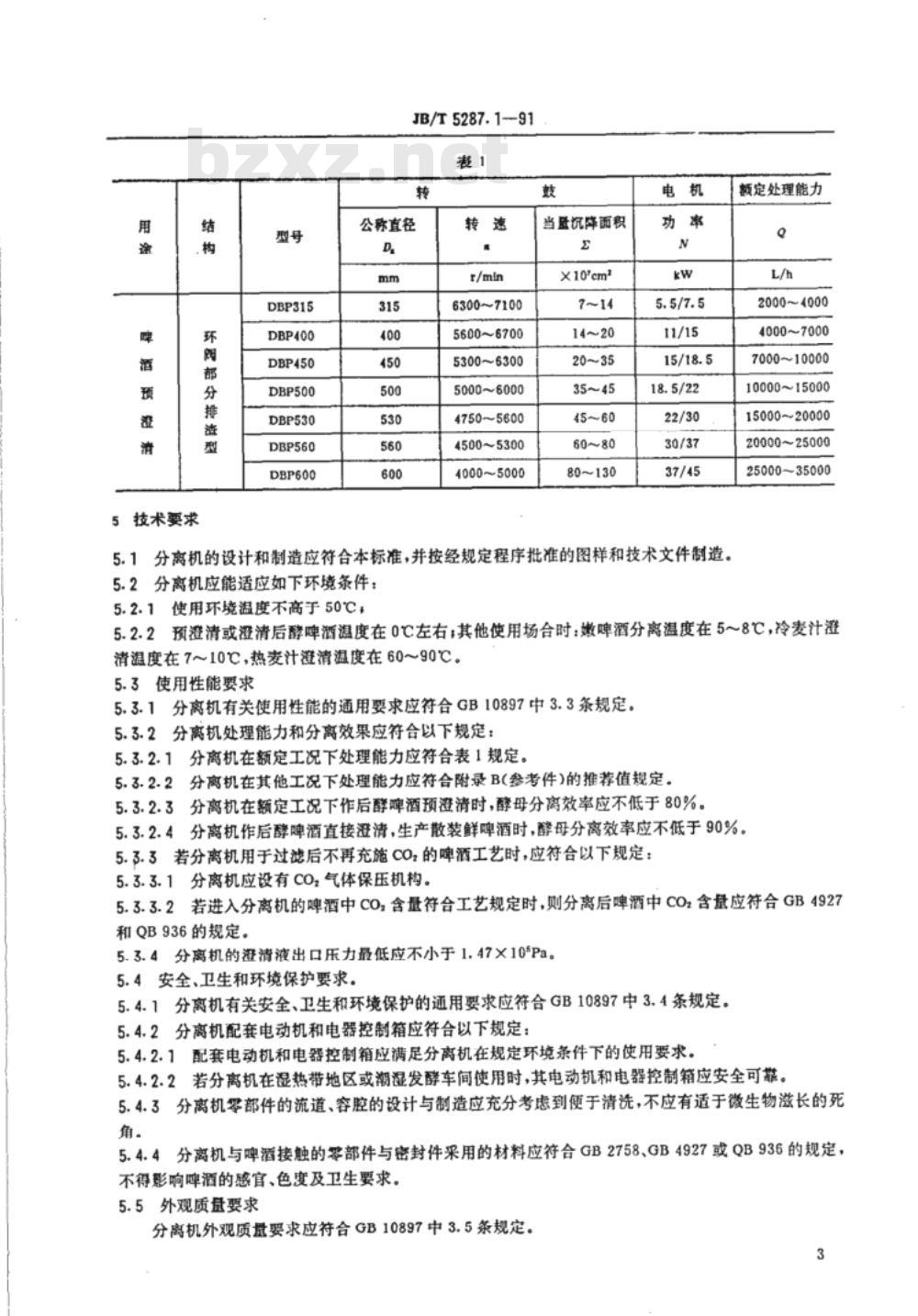
4.2基本参数
分离机的基本参数应符合表1的规定。4.3型号表示方法
4.3.1分离机型号表示方法应符合GB7781的规定。4.3.2标记示例:
转鼓公称直径为400mm、当量沉降面积为20×10°cm、用于啤酒预澄清、进口均为密闭、齿轮a.
传动的环阀部分排渣型分离机标记为:DBP400/20-22-30啤酒分离机
b.转鼓公称直径为600mm、当量沉降面积为80×10°cm、用于啤酒预澄清、进口为密闭、出口为向心泵、皮带传动的环阅部分排渣型分离机标记为:DBP600/80-23-31啤酒分离机
5技术要求
DBP315
DBP400
DBP450
DBP500
DBP530
DBP560
DBP600
JB/T5287.1--91
公称直径
6300~7100
56006700
5300~6300
5000~6000
4750~5600
4500~5300
4000~5000
当盘沉降西积
X10°cm2
80~130
5.1分离机的设计和制造应符合本标准,并按经规定程序批准的图样和技术文件制造。5.2分离机应能适应如下环境条件:额定处理能力
2000~4000
4000~7000
7000~10000
10000~15000
15000~20000
20000~25000
25000~35000
5.2.1使用环境温度不高于50℃,5.2.2预澄清或澄清后酵啤酒温度在0℃左右;其他使用场合时:嫩啤酒分离温度在5~8℃,冷麦汁澄清温度在7~10℃,热麦汁渡清温度在60~90℃。5.3使用性能要求
5.3.1分离机有关使用性能的通用要求应符合GB10897中3.3条规定。5.3.2分离机处理能力和分离效果应符合以下规定:5.3.2.1分离机在额定工况下处理能力应符合表1规定。2分离机在其他工况下处理能力应符合附录B(参考件)的推荐值规定。5. 3.2.2
5.3.2.3分离机在额定工况下作后酵啤酒预澄清时,酵母分离效率应不低于80%。5.3.2.4分离机作后酵啤酒直接滋清,生产散装鲜啤酒时,酵母分离效率应不低于90%。5.3.3若分离机用于过滤后不再充施CO2的啤酒工艺时,应符合以下规定:5.3.3.1分离机应设有cO,气体保压机构。5.3.3.2若进入分离机的啤酒中CO,含量符合工艺规定时,则分离后啤酒中CO2含量应符合GB4927和QB936的规定。
5.3.4分离机的澄清液出口压力量低应不小于1.47×10'Pa。5.4安全、卫生和环境保护要求。5.4.1分离机有关安全、卫生和环境保护的通用要求应符合GB10897中3.4条规定。5.4.2分离机配套电动机和电器控制箱应符合以下规定:5.4.2.1配套电动机和电器控制箱应满足分离机在规定环境条件下的使用要求。5.4.2.2若分离机在湿热带地区或潮湿发酵车间使用时,其电动机和电器控制箱应安全可靠。5.4.3分离机零部件的流道、容腔的设计与制造应充分考虑到便于清洗,不应有适于微生物滋长的死角。
5.4.4分离机与啤酒接触的零部件与密封件采用的材料应符合GB2758、GB4927或QB936的规定,不得影响啤酒的感官、色度及卫生要求。5.5外观质量要求
分离机外观质量要求应符合GB10897中3.5条规定。3
5.6材料要求
JB/T5287.191
分离机采用的材料应符合GB10897中3.6条规定。5.7制造工艺要求
分离机制造工艺要求应符合GB10897中3.7条规定。6试验方法
6.1分离机的机械性能通用试验方法应符合GB10898中第7章规定。6.2分离性能试验方法
6.2.1分离机在额定工况下运行时,以后酵啤酒进行试验,并测定:,额定处理能力;
b.分离效果;
分离前、后啤酒中CO2含量。
6.2.2以容积法或流量计法测定额定处理能力,测量时间不少于5min,取三次测量数据的算术平均值。
6:2.3分离机分离效果及啤酒中CO:含量试样的取样应符合GB4928或QB936的规定。6.2.4分离机在额定工况下试样的测试应符合以下规定:6.2.4.1分离前、后酒中酵母细胞计数测定方法应符合附录A(补充件)的规定;测定的数据按照本标准3.3条规定计算分离效率。
6.2.4.2分离前、后酒中CO;含盘测定方法应符合OB4928或QB936的规定。7检验规则
7.1分离机的机械性能通用检验规则应符合GB10897中第4章规定。7.2分离性能检验规则
7.2.1分离机的分离性能试验应在啤酒厂进行,试验工况应符合本标准3.2条规定。7.2.2分离机在额定工况下处理能力、分离效果及分离后啤酒中CO;含量应符合本标准5.3.2.1、5.3.2.3及5.3.3.2条的规定。
8标志、包装、运输、贮存
分离机的标志、包装、运输、贮存应符合GB10897中第5章规定。A1基本原则
JB/T5287.191
附录A
啤酒酵母细胞数的测定方法
(补充件)
微生物的计数方法,有直接计数和间接计数两种。前者利用血球计数板在显微镜下直接计数,能立即得到数值,但无论是死、活细胞,都计数在内。后者在平板上长成菌后再计数,反映真实,但费时较长。本附录规定是利用血球计数板,对啤酒中酵母细胞直接计数,计数前需对试样作适当稀释。按照规定方法及计算公式运算后即可得出实际数值。A2仪器和材料
生物显微镜(低倍普通型);
血计数板(汤姆氏血球计数板或希利格氏血球计数板);盖玻片,
擦镜纸;
吸管:
吸水纸,
A3计数原理
A3.1计数板的构造
血球计数板由一块比普通载玻片厚的特制玻片制成,板中央有几条槽,在其中间部分两缩两个突起部分,在这上面刻有9个大方格,而只有其中间的大方格为计数室供计数用。这1大格的长和宽各为1mm,深度为0.1mm,故其体积为0.1mm。见图A1、图A2。0.100mm
图A1血球计数板
图A2血球计数板中央网格放大
A3.2计数板使用原理与计算公式计数板常用的有希利格氏计数板及汤姆氏计数板两种:前者是1大格分16中格,而每中格又分25小格,总共400小格;后者是1大格分25中格,而每中格又分16小格,总共也是400小格;见图A3、图A.4.
16中格×25小格
图A3希利格氏计数板
JB/T5287.1—91
25中格×16小格
图A4汤姆氏计数板
两种计数板的使用原理相同,差别的是:如为希利格氏计数板,计数时按对角线方位取左上、右上、左下、右下4个中格(计100小格)的酵母细胞数;而在汤姆氏计数板上,除了取上述四个角上的4个中格外,还需加数中央的1个中格(计80小格)的酵母细胞数。根据1大格(400小格)体积为0.1mm2试样中的酵母细胞数,可计算出每毫升啤酒发酵液中所含的酵母细胞数。
16×25计数板(希利格氏)计数按式(A1)计算:细胞数(个)/mL = 100 小格内细胞数(个) × 400 × 10 00 × 稀释倍数 100
25×16计数板(汤姆氏)计数按式(A2)计算:细胞数(个)/mL = 100 小格内细胞数(个) × 400 × 10 000 × 稀释倍数 80
A4测定方法
A4.1试样稀释
为便于计数应稀释试样中酵母细胞数,以每小格内含有4~5个为宜,一般稀释10倍即可。入\4.2测定前准备
将血球计数板用擦镜纸擦净,在中央计数室上加益专用的厚型盖玻片。将稀释后的啤酒发酵液用吸管吸放数次,使酵母细胞分布均匀,然后吸取一滴置于盖玻片的边缘,试液自行渗入,多余的试液用吸水纸吸去,待数分钟后酵母细胞全部沉降到计数板表面方可转入显微镜下计数。
A4.3计数方法和步骤
A4.3.1将制备好的计数板置于显微镜下,调节显微镜找到计数室角上1中格,按照A3.2条规定,均匀移动计数板以对角线方位数规定数目中格内细胞数。A:4.3.2计数细胞时,凡在线上的计上不计下(或计下不计上),计左不计右(或计右不计左),避免重复。
A4.3.3在计数时,当出芽细胞的芽体超过细胞本身一半时,即算两个细胞。A4.3.4对每个试样重复计数三次,取其算术平均值,然后按式A1或式A2计算每豪升啤酒发酵液中所含的酵母细胞数。
A4.4计数板清洗
计数板使用完后,用水冲洗,绝不能用硬物洗刷,洗后待自行凉干或用电吹风机吹干,或用95%乙醇、无水乙醇、丙酮等有机溶剂脱水使其干燥。6
实际处理能力推荐值
JB/T5287.1-91
附录B
啤酒分离机实际处理能力推荐值和分离性能试验结果记录表
(参考件)
表B1列出了啤酒分离机处理啤酒厂其他物料的实际处理能力的推荐值,表B1
处理能力
额定处理率(%)
实际处理率(%)
处理要求
额定工况下
后酵啤酒
预澄清温度
o℃左右
后醇啤酒
澄清温度
o℃左右
50~100
符合本标准要求
嫩啤酒
分离温度
5~8℃
110~150
热变汁
温清温度
60~90℃
冷妻汁
澄清温度
符合工艺要求
注:表中所列实际处理能力推荐值数据是以额定处理率为100%时,实际处理率与额定处理率之比值。B2分离性能试验结果记录表
表B2列出了啤酒分离机分离性能试验结果记录的有关内容。表B2
试验场所
酵母品种
分离温度
出口压力
试验日期
试验人员
分离性能项目
取样时处理能力
分离前
分离效果
(醇母分
离效率)
cO:含量
(按工艺
婴求)
分离后
分离效率
分高前
分离后
取样人员
细胞数
个/mL
细胞数
个/mL
附加说明:
本标准由全国分离机械标准化技术委员会提出并归口。本标准由国营南京绿洲机器厂负贵起草。本标准主要起草人包国利、俞荣明、包风五。试样1
试样2
测定人员
试样3
平均值
中华人民共
机械行业标
碟式啤酒分离机
JB/T5287.1—91
机械电子工业部机械标准化研究所出版发行(北京8144信箱邮编100081)
版权专有
不得翻印
河北省清河县印刷厂印剧
开本880×1230
印张3/4
1991年8月第一版
字数14000
1991年8月第一次印刷
编号0034
小提示:此标准内容仅展示完整标准里的部分截取内容,若需要完整标准请到上方自行免费下载完整标准文档。
JB/T 5287.1-91
碟式啤酒分离机
1991-07-22发布
中华人民共和国机械电子工业部发布
1992-07-01实施
中华人民共和国机械行业标准
碟式啤酒分离机
1主题内容与适用范围
JB/T5287.191bZxz.net
本标准规定了碟式环阅排渣型啤酒分离机的基本参数、技术要求及性能试验方法。本标准适用于后酵啤酒预澄清或澄清用的碟式啤酒分离机(以下简称分离机)。2引用标准
GB2758
GB4927
GB4928
.GB7781
GB10897
GB10898
3术语
发酵酒卫生标准
11度、12度优级淡色啤酒
11度、12度优级淡色啤酒的试验方法分离机型号编制方法
碟式分离机技术条件
碟式分离机试验方法
普通淡色啤酒及其试验方法
3.1额定处理能力
单位时间内,分离机在额定工况下能分离密度为1080kg/m、直径为3mm以上的酵母时的后酵啤酒通过量。
3.2额定工况
分离机在额定转速下,对符合GB4927和QB936规定的各类酒,当酵母计数在10×10°~12×10°个/mL的后酵母啤酒预澄清时,在0℃左右分离温度下,清酒排出压力及分离效果达到设计规定要求时的运行工况。
3.3分离效率
分离前后啤酒中酵母数之差与分离前啤酒中酵母数之比的百分值。4基本参数
4.1结构
4.1.1分离机的结构应符合GB7781及图1的规定。机械电子工业部1991-07-22批准1992-07-01实施
JB/T5287.1-91
图1环阀部分排渣碟式分离机
分离机对啤酒中CO,气体保压的方式分下列三种:4.1.2
机械密封;
较态密封;
CO气体隔离层。
分离机排滋的控制方式分下列四种;手动控制;
定时程序控制;
光电管监测自动控制;
自行触发自动控制。
4.2基本参数
分离机的基本参数应符合表1的规定。4.3型号表示方法
4.3.1分离机型号表示方法应符合GB7781的规定。4.3.2标记示例:
转鼓公称直径为400mm、当量沉降面积为20×10°cm、用于啤酒预澄清、进口均为密闭、齿轮a.
传动的环阀部分排渣型分离机标记为:DBP400/20-22-30啤酒分离机
b.转鼓公称直径为600mm、当量沉降面积为80×10°cm、用于啤酒预澄清、进口为密闭、出口为向心泵、皮带传动的环阅部分排渣型分离机标记为:DBP600/80-23-31啤酒分离机
5技术要求
DBP315
DBP400
DBP450
DBP500
DBP530
DBP560
DBP600
JB/T5287.1--91
公称直径
6300~7100
56006700
5300~6300
5000~6000
4750~5600
4500~5300
4000~5000
当盘沉降西积
X10°cm2
80~130
5.1分离机的设计和制造应符合本标准,并按经规定程序批准的图样和技术文件制造。5.2分离机应能适应如下环境条件:额定处理能力
2000~4000
4000~7000
7000~10000
10000~15000
15000~20000
20000~25000
25000~35000
5.2.1使用环境温度不高于50℃,5.2.2预澄清或澄清后酵啤酒温度在0℃左右;其他使用场合时:嫩啤酒分离温度在5~8℃,冷麦汁澄清温度在7~10℃,热麦汁渡清温度在60~90℃。5.3使用性能要求
5.3.1分离机有关使用性能的通用要求应符合GB10897中3.3条规定。5.3.2分离机处理能力和分离效果应符合以下规定:5.3.2.1分离机在额定工况下处理能力应符合表1规定。2分离机在其他工况下处理能力应符合附录B(参考件)的推荐值规定。5. 3.2.2
5.3.2.3分离机在额定工况下作后酵啤酒预澄清时,酵母分离效率应不低于80%。5.3.2.4分离机作后酵啤酒直接滋清,生产散装鲜啤酒时,酵母分离效率应不低于90%。5.3.3若分离机用于过滤后不再充施CO2的啤酒工艺时,应符合以下规定:5.3.3.1分离机应设有cO,气体保压机构。5.3.3.2若进入分离机的啤酒中CO,含量符合工艺规定时,则分离后啤酒中CO2含量应符合GB4927和QB936的规定。
5.3.4分离机的澄清液出口压力量低应不小于1.47×10'Pa。5.4安全、卫生和环境保护要求。5.4.1分离机有关安全、卫生和环境保护的通用要求应符合GB10897中3.4条规定。5.4.2分离机配套电动机和电器控制箱应符合以下规定:5.4.2.1配套电动机和电器控制箱应满足分离机在规定环境条件下的使用要求。5.4.2.2若分离机在湿热带地区或潮湿发酵车间使用时,其电动机和电器控制箱应安全可靠。5.4.3分离机零部件的流道、容腔的设计与制造应充分考虑到便于清洗,不应有适于微生物滋长的死角。
5.4.4分离机与啤酒接触的零部件与密封件采用的材料应符合GB2758、GB4927或QB936的规定,不得影响啤酒的感官、色度及卫生要求。5.5外观质量要求
分离机外观质量要求应符合GB10897中3.5条规定。3
5.6材料要求
JB/T5287.191
分离机采用的材料应符合GB10897中3.6条规定。5.7制造工艺要求
分离机制造工艺要求应符合GB10897中3.7条规定。6试验方法
6.1分离机的机械性能通用试验方法应符合GB10898中第7章规定。6.2分离性能试验方法
6.2.1分离机在额定工况下运行时,以后酵啤酒进行试验,并测定:,额定处理能力;
b.分离效果;
分离前、后啤酒中CO2含量。
6.2.2以容积法或流量计法测定额定处理能力,测量时间不少于5min,取三次测量数据的算术平均值。
6:2.3分离机分离效果及啤酒中CO:含量试样的取样应符合GB4928或QB936的规定。6.2.4分离机在额定工况下试样的测试应符合以下规定:6.2.4.1分离前、后酒中酵母细胞计数测定方法应符合附录A(补充件)的规定;测定的数据按照本标准3.3条规定计算分离效率。
6.2.4.2分离前、后酒中CO;含盘测定方法应符合OB4928或QB936的规定。7检验规则
7.1分离机的机械性能通用检验规则应符合GB10897中第4章规定。7.2分离性能检验规则
7.2.1分离机的分离性能试验应在啤酒厂进行,试验工况应符合本标准3.2条规定。7.2.2分离机在额定工况下处理能力、分离效果及分离后啤酒中CO;含量应符合本标准5.3.2.1、5.3.2.3及5.3.3.2条的规定。
8标志、包装、运输、贮存
分离机的标志、包装、运输、贮存应符合GB10897中第5章规定。A1基本原则
JB/T5287.191
附录A
啤酒酵母细胞数的测定方法
(补充件)
微生物的计数方法,有直接计数和间接计数两种。前者利用血球计数板在显微镜下直接计数,能立即得到数值,但无论是死、活细胞,都计数在内。后者在平板上长成菌后再计数,反映真实,但费时较长。本附录规定是利用血球计数板,对啤酒中酵母细胞直接计数,计数前需对试样作适当稀释。按照规定方法及计算公式运算后即可得出实际数值。A2仪器和材料
生物显微镜(低倍普通型);
血计数板(汤姆氏血球计数板或希利格氏血球计数板);盖玻片,
擦镜纸;
吸管:
吸水纸,
A3计数原理
A3.1计数板的构造
血球计数板由一块比普通载玻片厚的特制玻片制成,板中央有几条槽,在其中间部分两缩两个突起部分,在这上面刻有9个大方格,而只有其中间的大方格为计数室供计数用。这1大格的长和宽各为1mm,深度为0.1mm,故其体积为0.1mm。见图A1、图A2。0.100mm
图A1血球计数板
图A2血球计数板中央网格放大
A3.2计数板使用原理与计算公式计数板常用的有希利格氏计数板及汤姆氏计数板两种:前者是1大格分16中格,而每中格又分25小格,总共400小格;后者是1大格分25中格,而每中格又分16小格,总共也是400小格;见图A3、图A.4.
16中格×25小格
图A3希利格氏计数板
JB/T5287.1—91
25中格×16小格
图A4汤姆氏计数板
两种计数板的使用原理相同,差别的是:如为希利格氏计数板,计数时按对角线方位取左上、右上、左下、右下4个中格(计100小格)的酵母细胞数;而在汤姆氏计数板上,除了取上述四个角上的4个中格外,还需加数中央的1个中格(计80小格)的酵母细胞数。根据1大格(400小格)体积为0.1mm2试样中的酵母细胞数,可计算出每毫升啤酒发酵液中所含的酵母细胞数。
16×25计数板(希利格氏)计数按式(A1)计算:细胞数(个)/mL = 100 小格内细胞数(个) × 400 × 10 00 × 稀释倍数 100
25×16计数板(汤姆氏)计数按式(A2)计算:细胞数(个)/mL = 100 小格内细胞数(个) × 400 × 10 000 × 稀释倍数 80
A4测定方法
A4.1试样稀释
为便于计数应稀释试样中酵母细胞数,以每小格内含有4~5个为宜,一般稀释10倍即可。入\4.2测定前准备
将血球计数板用擦镜纸擦净,在中央计数室上加益专用的厚型盖玻片。将稀释后的啤酒发酵液用吸管吸放数次,使酵母细胞分布均匀,然后吸取一滴置于盖玻片的边缘,试液自行渗入,多余的试液用吸水纸吸去,待数分钟后酵母细胞全部沉降到计数板表面方可转入显微镜下计数。
A4.3计数方法和步骤
A4.3.1将制备好的计数板置于显微镜下,调节显微镜找到计数室角上1中格,按照A3.2条规定,均匀移动计数板以对角线方位数规定数目中格内细胞数。A:4.3.2计数细胞时,凡在线上的计上不计下(或计下不计上),计左不计右(或计右不计左),避免重复。
A4.3.3在计数时,当出芽细胞的芽体超过细胞本身一半时,即算两个细胞。A4.3.4对每个试样重复计数三次,取其算术平均值,然后按式A1或式A2计算每豪升啤酒发酵液中所含的酵母细胞数。
A4.4计数板清洗
计数板使用完后,用水冲洗,绝不能用硬物洗刷,洗后待自行凉干或用电吹风机吹干,或用95%乙醇、无水乙醇、丙酮等有机溶剂脱水使其干燥。6
实际处理能力推荐值
JB/T5287.1-91
附录B
啤酒分离机实际处理能力推荐值和分离性能试验结果记录表
(参考件)
表B1列出了啤酒分离机处理啤酒厂其他物料的实际处理能力的推荐值,表B1
处理能力
额定处理率(%)
实际处理率(%)
处理要求
额定工况下
后酵啤酒
预澄清温度
o℃左右
后醇啤酒
澄清温度
o℃左右
50~100
符合本标准要求
嫩啤酒
分离温度
5~8℃
110~150
热变汁
温清温度
60~90℃
冷妻汁
澄清温度
符合工艺要求
注:表中所列实际处理能力推荐值数据是以额定处理率为100%时,实际处理率与额定处理率之比值。B2分离性能试验结果记录表
表B2列出了啤酒分离机分离性能试验结果记录的有关内容。表B2
试验场所
酵母品种
分离温度
出口压力
试验日期
试验人员
分离性能项目
取样时处理能力
分离前
分离效果
(醇母分
离效率)
cO:含量
(按工艺
婴求)
分离后
分离效率
分高前
分离后
取样人员
细胞数
个/mL
细胞数
个/mL
附加说明:
本标准由全国分离机械标准化技术委员会提出并归口。本标准由国营南京绿洲机器厂负贵起草。本标准主要起草人包国利、俞荣明、包风五。试样1
试样2
测定人员
试样3
平均值
中华人民共
机械行业标
碟式啤酒分离机
JB/T5287.1—91
机械电子工业部机械标准化研究所出版发行(北京8144信箱邮编100081)
版权专有
不得翻印
河北省清河县印刷厂印剧
开本880×1230
印张3/4
1991年8月第一版
字数14000
1991年8月第一次印刷
编号0034
小提示:此标准内容仅展示完整标准里的部分截取内容,若需要完整标准请到上方自行免费下载完整标准文档。
标准图片预览:





- 其它标准
- 热门标准
- 机械行业标准(JB)
- JB/T9396-1999 环块磨损试验机 技术条件
- JB/T5761.1-1999 数控弯管机 技术条件
- JB/T7422.2-1999 立式内圆珩磨机 精度检验
- JB/T7665-1995 通用机械噪声声功率级现场测定 声强法
- JB/T7732.1-1995 地膜覆盖机 技术条件
- JB/T6664.2-1993 自吸泵 技术条件
- JB/T8368.1-1996 电锤钻
- JB/T9272-1999 氨压力表
- JB/T10438-2004 额定电压450/750V及以下交联聚氯乙烯绝缘电线和电缆
- JB/T3096-1999 自动带锯磨锯机 参数
- JB/T3411.87-1999 锥柄卡口镗铰刀杆 尺寸
- JB/T9294-1999 测磁仪器 基本系列
- JB/T7273.8-1994 背面波纹手轮
- JB/T11340.3-2012 阀控式铅酸蓄电池安全阀 第3部分:橡胶帽、阀芯
- JB/T450-1992 PN16.0~32.0MPa锻造角式高压阀门、管件、紧固件 技术条件
- 行业新闻
请牢记:“bzxz.net”即是“标准下载”四个汉字汉语拼音首字母与国际顶级域名“.net”的组合。 ©2025 标准下载网 www.bzxz.net 本站邮件:bzxznet@163.com
网站备案号:湘ICP备2025141790号-2
网站备案号:湘ICP备2025141790号-2