- 您的位置:
- 标准下载网 >>
- 标准分类 >>
- 机械行业标准(JB) >>
- JB/T 4208.15-1996 冷镦模具通用件 缩径模 B型
标准号:
JB/T 4208.15-1996
标准名称:
冷镦模具通用件 缩径模 B型
标准类别:
机械行业标准(JB)
标准状态:
现行-
发布日期:
1996-09-03 -
实施日期:
1997-07-01 出版语种:
简体中文下载格式:
.rar.pdf下载大小:
70.60 KB
替代情况:
JB 4208.15-1986

点击下载
标准简介:
标准下载解压密码:www.bzxz.net
本标准规定了冷镦GB 5781、GB 5783、GB 5786六角头螺栓及GB70内六角圆柱头螺钉M4~M20B型缩径模(全螺纹)的结构型式与尺寸、技术要求和标记。 本标准适用于双击整模自动冷镦机和多工位自动冷镦机的模具。 JB/T 4208.15-1996 冷镦模具通用件 缩径模 B型 JB/T4208.15-1996

部分标准内容:
1范围
中华人民共和国机械行业标准
冷镦模具通用件
缩径模
JB/T4208.15--96
代替JB4208.15-—86
本标准规定了冷镦GB5781、GB5783.GB5786六角头螺栓及GB70内六角圆柱头螺钉M4~M20B型缩径模(全螺纹)的结构型式与尺寸、技术要求和标记。本标准适用于双击整模自动冷镦机和多工位自动冷镦机的模具。2引用标准
下列标准所包含的条文,通过在本标准中引用而构成为本标准的条文。本标准出版时,所示版本均为有效。所有标准都会被修订,使用本标准的各方应探讨使用下列标准最新版本的可能性。GB5781--86六角头螺栓全螺纹C级GB5783--86六角头螺栓全螺纹A和B级GB5786—86六角头螺栓细牙全螺纹A和B级GB70—85内六角圆柱头螺钉
GB1299—85合金工具钢技术条件GB1222—84弹簧钢
JB/T4213—96紧固件冷镦模具技术条件3结构型式与尺寸
B型缩径模(全螺纹)的结构型式如图1所示,尺寸在表1、表2中给出。RI.S
24°8g
30° +
图1B型缩径模结构型式
中华人民共和国机械工业部1996-09-03批准其余
1997-07-01实施
螺纹规格
JB/T 4208.15-96
表1B型缩径模尺寸(适用于GB5781.GB5783和GB70)M4
基本尺寸
极限偏差
基本尺寸
极限偏差
基本尺寸
极限偏差
基本尺寸
极限偏差
d2比d实际尺寸增加值
hi最大
同轴度虹
垂直度:
螺纹规格
基本尺寸www.bzxz.net
极限偏差
基本尺寸
极限偏差
基本尺寸
极限偏差
基本尺寸
极限偏差
dz比d实际尺寸
增加值
0. 02~0. 04
0. 03~~ 0. 05
2、19
根据硬质合金毛坏长度确定
0. 04 ~~0. 06
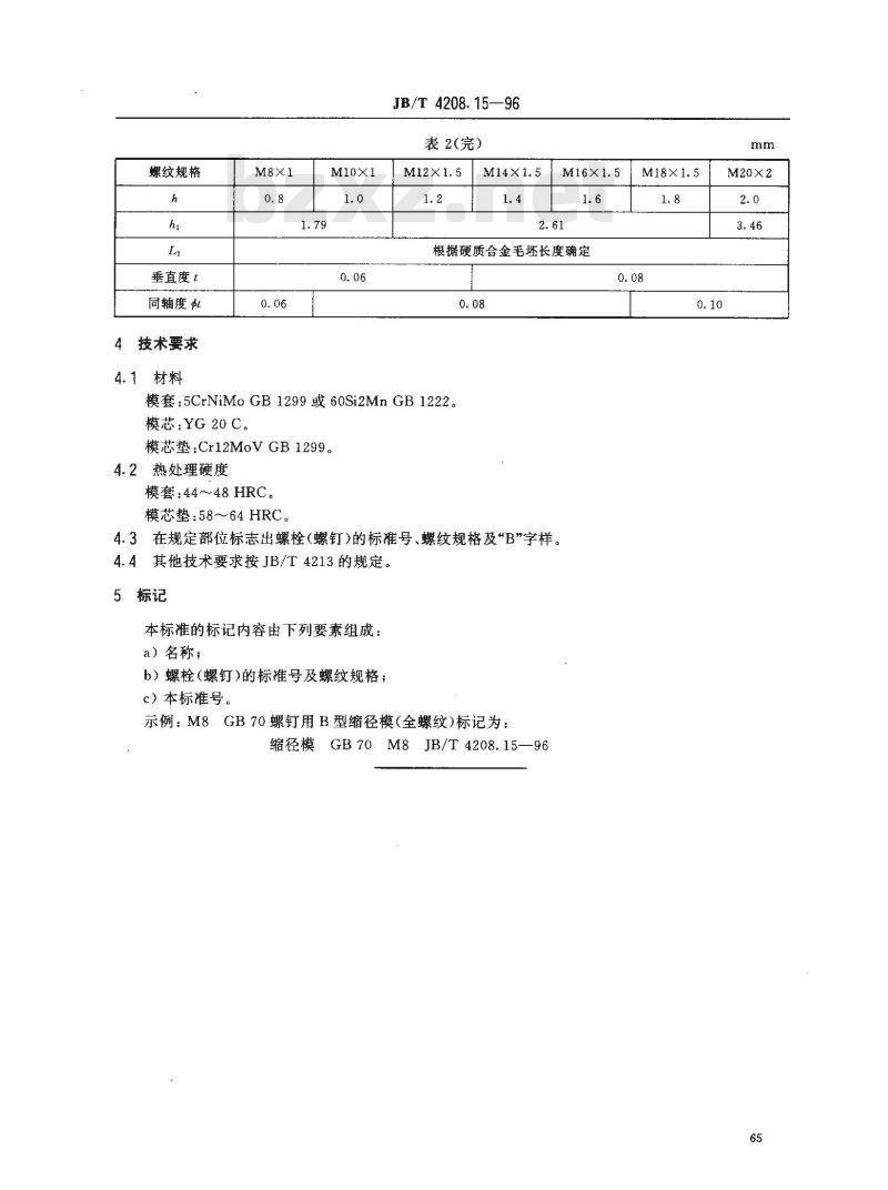
表2B型缩径模尺寸(适用于GB5786)M10x1
0.03~~0.05
0. 04~0. 06
0. 05 ~0. 07
M20×2
0. 05~~0. 07
螺纹规格
垂直度t
同轴度虹
4技术要求
4.1材料
JB/T4208.15—96
表2(完)
根据硬质合金毛坏长度确定
模套:5CrNiMoGB1299或60Si2MnGB1222。模芯:YG20C。
模芯垫:Cr12MoVGB1299。
4.2热处理硬度
模套:44~48HRC。
模芯垫:58~~64HRC。
4.3在规定部位标志出螺栓(螺钉)的标准号、螺纹规格及“B”字样。4.4其他技术要求按JB/T4213的规定。5标记
本标准的标记内容由下列要素组成:a)名称,
b)螺栓(螺钉)的标准号及螺纹规格;c)本标准号。
3GB70螺钉用B型缩径模(全螺纹)标记为:示例:M8
缩径模GB70M8JB/T 4208.15—96mm
小提示:此标准内容仅展示完整标准里的部分截取内容,若需要完整标准请到上方自行免费下载完整标准文档。
中华人民共和国机械行业标准
冷镦模具通用件
缩径模
JB/T4208.15--96
代替JB4208.15-—86
本标准规定了冷镦GB5781、GB5783.GB5786六角头螺栓及GB70内六角圆柱头螺钉M4~M20B型缩径模(全螺纹)的结构型式与尺寸、技术要求和标记。本标准适用于双击整模自动冷镦机和多工位自动冷镦机的模具。2引用标准
下列标准所包含的条文,通过在本标准中引用而构成为本标准的条文。本标准出版时,所示版本均为有效。所有标准都会被修订,使用本标准的各方应探讨使用下列标准最新版本的可能性。GB5781--86六角头螺栓全螺纹C级GB5783--86六角头螺栓全螺纹A和B级GB5786—86六角头螺栓细牙全螺纹A和B级GB70—85内六角圆柱头螺钉
GB1299—85合金工具钢技术条件GB1222—84弹簧钢
JB/T4213—96紧固件冷镦模具技术条件3结构型式与尺寸
B型缩径模(全螺纹)的结构型式如图1所示,尺寸在表1、表2中给出。RI.S
24°8g
30° +
图1B型缩径模结构型式
中华人民共和国机械工业部1996-09-03批准其余
1997-07-01实施
螺纹规格
JB/T 4208.15-96
表1B型缩径模尺寸(适用于GB5781.GB5783和GB70)M4
基本尺寸
极限偏差
基本尺寸
极限偏差
基本尺寸
极限偏差
基本尺寸
极限偏差
d2比d实际尺寸增加值
hi最大
同轴度虹
垂直度:
螺纹规格
基本尺寸www.bzxz.net
极限偏差
基本尺寸
极限偏差
基本尺寸
极限偏差
基本尺寸
极限偏差
dz比d实际尺寸
增加值
0. 02~0. 04
0. 03~~ 0. 05
2、19
根据硬质合金毛坏长度确定
0. 04 ~~0. 06
表2B型缩径模尺寸(适用于GB5786)M10x1
0.03~~0.05
0. 04~0. 06
0. 05 ~0. 07
M20×2
0. 05~~0. 07
螺纹规格
垂直度t
同轴度虹
4技术要求
4.1材料
JB/T4208.15—96
表2(完)
根据硬质合金毛坏长度确定
模套:5CrNiMoGB1299或60Si2MnGB1222。模芯:YG20C。
模芯垫:Cr12MoVGB1299。
4.2热处理硬度
模套:44~48HRC。
模芯垫:58~~64HRC。
4.3在规定部位标志出螺栓(螺钉)的标准号、螺纹规格及“B”字样。4.4其他技术要求按JB/T4213的规定。5标记
本标准的标记内容由下列要素组成:a)名称,
b)螺栓(螺钉)的标准号及螺纹规格;c)本标准号。
3GB70螺钉用B型缩径模(全螺纹)标记为:示例:M8
缩径模GB70M8JB/T 4208.15—96mm
小提示:此标准内容仅展示完整标准里的部分截取内容,若需要完整标准请到上方自行免费下载完整标准文档。

标准图片预览:



- 其它标准
- 热门标准
- 机械行业标准(JB)
- JB/T6882-2006 泵可靠性验证试验
- JB/T10398-2004 离网型风力发电系统售后技术服务规范
- JB/T9592.2-1999 全金属12角法兰面锁紧螺母 技术条件
- JB/T4718-1992 管壳式换热器用金属包垫片
- JB/T2436.1-1992 导线用铜压接端头 第一部分: 0.5~6.0mm2导线用铜压接端头
- JB8734.2-1998 额定电压 450/750V及以下聚氯乙烯绝缘电缆电线和软线第2部分: 固定布线用电缆电线
- JB/T10325-2002 锅炉除氧器 技术条件
- JB/T10187-2011 滚动轴承 深沟球轴承振动
- JB/T7991.4-2001 电镀超硬磨料制品 磨头
- JB2901-2020 汽轮机防锈技术条件
- JB/T6313.2-1992 电工铜编织线 斜纹编织线
- JB/T8854.2-2001 GⅡCL型、GⅡCLZ型鼓形齿式联轴器
- JBJ10-1996 机械工厂采暖通风与空气调节设计规范
- JB/T8103.7-2008 碟式分离机 第7部分:酵母分离机
- JB/T2740-2008 工业机械电气设备 电气图、图解和表的绘制
- 行业新闻
请牢记:“bzxz.net”即是“标准下载”四个汉字汉语拼音首字母与国际顶级域名“.net”的组合。 ©2009 标准下载网 www.bzxz.net 本站邮件:bzxznet@163.com
网站备案号:湘ICP备2023016450号-1
网站备案号:湘ICP备2023016450号-1