- 您的位置:
- 标准下载网 >>
- 标准分类 >>
- 机械行业标准(JB) >>
- JB/T 4208.18-1996 冷镦模具通用件 顶料杆 C型
标准号:
JB/T 4208.18-1996
标准名称:
冷镦模具通用件 顶料杆 C型
标准类别:
机械行业标准(JB)
标准状态:
现行-
发布日期:
1996-09-03 -
实施日期:
1997-07-01 出版语种:
简体中文下载格式:
.rar.pdf下载大小:
68.84 KB
替代情况:
JB 4208.18-1986

点击下载
标准简介:
标准下载解压密码:www.bzxz.net
本标准规定了冷镦GB 5780~5786六角头螺栓M4~M20及GB 70内六角圆柱螺钉M4~M20C型顶料杆的结构型与尺寸、技术要求和标记。 本标准适用于多工位自动冷镦机的模具。 JB/T 4208.18-1996 冷镦模具通用件 顶料杆 C型 JB/T4208.18-1996

部分标准内容:
1范围
中华人民共和国机械行业标准
冷镦模具通用件
顶料杆C型
JB/T4208.18--96
代替JB4208.18-86
本标准规定了冷镦GB5780~5786六角头螺栓M4~M20及GB70内六角圆柱头螺钉M4~~M20C型顶料杆的结构型式与尺寸、技术要求和标记。本标准适用于多工位自动冷镦机的模具。2引用标准
下列标准所包含的条文,通过在本标准中引用而构成为本标准的条文。本标准出版时,所示版本均为有效。所有标准都会被修订,使用本标准的各方应探讨使用下列标准最新版本的可能性。GB5780--86六角头螺栓
六角头螺栓
GB 5781-86
六角头螺栓
GB 5782—86
GB5783-86六角头螺栓
GB5784~-86六角头螺栓
GB5785—86六角头螺栓
全螺纹C级
A和B级
全螺纹A和B级
细杆B级
A和B级
GB5786—86六角头螺栓细牙
全螺纹A和B级
GB70—85内六角圆柱头螺钉
GB1299—85合金工具钢技术条件GB 1222—84
弹簧钢
JB/T4213-96紧固件冷徽模具技术条件3结构型式与尺寸
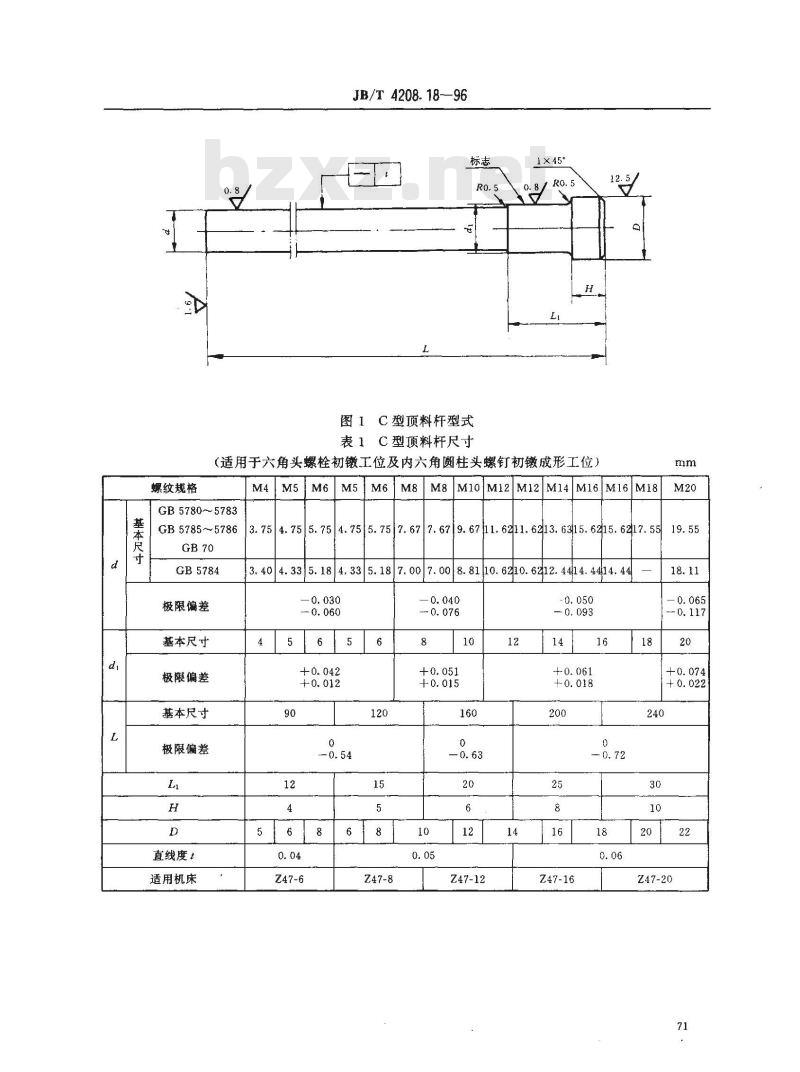
C型顶料杆的结构型式如图1所示,尺寸在表1、表2中给出。中华人民共和国机械工业部1996-09-03批准70
1997-07-01实施
螺纹规格
JB/T 4208. 18-96
图1C型顶料杆型式
表1C型顶料杆尺寸
(适用于六角头螺栓初镦工位及内六角圆柱头螺钉初成形工位)12.5/
M5M6M5
M8M10M12M12M14M16M16M18
GB 5780~5783
GB 5785~5786
GB5784
极限偏差
基本尺寸
极限偏差
基本尺寸
极限偏差
直线度:
适用机床
3.754.755.754.75 5.757.677.67|9.6711.6211.6213. 6315.6215.6217.553.404.335.184.335.187.007.008.8110.6210.6212.4414.4414.44-0.030
4565
568
Z47-12
Z47-16
Z47-20
螺纹规格
JB/T4208.18-96
表2C型顶料杆尺寸
(适用于六角头螺栓终镦工位及内六角圆柱头螺钉六角工位)M4
GB5780~5784
GB 5785~5786
极限偏差
基本尺寸
极限偏差
基本尺寸
极限偏差
直线度:
适用机床
4技术要求
4.1材料
M8|M8M10M12|M12M14M16M16|M18M203.434.365.22|4.365.227.0417.04|8.8610.6710.6712.4914.4914.4916.1418.14
7.217.219.2110.8510.8512.8514.8514.8516.8418.48
3.554.505.354.505.35
5618
螺纹规格≤12:65MnGB1222。
螺纹规格≥14:9CrSiGB1298。
4.2热处理硬度58~60HRC。
Z47-12
Z47-16
4.3在规定部位标志出螺栓(螺钉)的标推号、螺纹规格、工位代号(初镦工位~“终”)及机床型号。
4.4其他技术要求按JB/T4213的规定。5标记
本标准的标记内容由下列要素组成:a)名称;
b)螺栓(螺钉)的标准号螺纹规格及机床型号;c)本标准号。
Z47-20此内容来自标准下载网
“初”终镦工位-
示例:M10GB5782六角头螺栓,适用于Z47-12机床初镦工位用C型顶料杆的标记为:顶料杆(初)GB5782M10Z47-12JB/T4208.18—9672
小提示:此标准内容仅展示完整标准里的部分截取内容,若需要完整标准请到上方自行免费下载完整标准文档。
中华人民共和国机械行业标准
冷镦模具通用件
顶料杆C型
JB/T4208.18--96
代替JB4208.18-86
本标准规定了冷镦GB5780~5786六角头螺栓M4~M20及GB70内六角圆柱头螺钉M4~~M20C型顶料杆的结构型式与尺寸、技术要求和标记。本标准适用于多工位自动冷镦机的模具。2引用标准
下列标准所包含的条文,通过在本标准中引用而构成为本标准的条文。本标准出版时,所示版本均为有效。所有标准都会被修订,使用本标准的各方应探讨使用下列标准最新版本的可能性。GB5780--86六角头螺栓
六角头螺栓
GB 5781-86
六角头螺栓
GB 5782—86
GB5783-86六角头螺栓
GB5784~-86六角头螺栓
GB5785—86六角头螺栓
全螺纹C级
A和B级
全螺纹A和B级
细杆B级
A和B级
GB5786—86六角头螺栓细牙
全螺纹A和B级
GB70—85内六角圆柱头螺钉
GB1299—85合金工具钢技术条件GB 1222—84
弹簧钢
JB/T4213-96紧固件冷徽模具技术条件3结构型式与尺寸
C型顶料杆的结构型式如图1所示,尺寸在表1、表2中给出。中华人民共和国机械工业部1996-09-03批准70
1997-07-01实施
螺纹规格
JB/T 4208. 18-96
图1C型顶料杆型式
表1C型顶料杆尺寸
(适用于六角头螺栓初镦工位及内六角圆柱头螺钉初成形工位)12.5/
M5M6M5
M8M10M12M12M14M16M16M18
GB 5780~5783
GB 5785~5786
GB5784
极限偏差
基本尺寸
极限偏差
基本尺寸
极限偏差
直线度:
适用机床
3.754.755.754.75 5.757.677.67|9.6711.6211.6213. 6315.6215.6217.553.404.335.184.335.187.007.008.8110.6210.6212.4414.4414.44-0.030
4565
568
Z47-12
Z47-16
Z47-20
螺纹规格
JB/T4208.18-96
表2C型顶料杆尺寸
(适用于六角头螺栓终镦工位及内六角圆柱头螺钉六角工位)M4
GB5780~5784
GB 5785~5786
极限偏差
基本尺寸
极限偏差
基本尺寸
极限偏差
直线度:
适用机床
4技术要求
4.1材料
M8|M8M10M12|M12M14M16M16|M18M203.434.365.22|4.365.227.0417.04|8.8610.6710.6712.4914.4914.4916.1418.14
7.217.219.2110.8510.8512.8514.8514.8516.8418.48
3.554.505.354.505.35
5618
螺纹规格≤12:65MnGB1222。
螺纹规格≥14:9CrSiGB1298。
4.2热处理硬度58~60HRC。
Z47-12
Z47-16
4.3在规定部位标志出螺栓(螺钉)的标推号、螺纹规格、工位代号(初镦工位~“终”)及机床型号。
4.4其他技术要求按JB/T4213的规定。5标记
本标准的标记内容由下列要素组成:a)名称;
b)螺栓(螺钉)的标准号螺纹规格及机床型号;c)本标准号。
Z47-20此内容来自标准下载网
“初”终镦工位-
示例:M10GB5782六角头螺栓,适用于Z47-12机床初镦工位用C型顶料杆的标记为:顶料杆(初)GB5782M10Z47-12JB/T4208.18—9672
小提示:此标准内容仅展示完整标准里的部分截取内容,若需要完整标准请到上方自行免费下载完整标准文档。

标准图片预览:



- 其它标准
- 热门标准
- 机械行业标准(JB)
- JB/T6882-2006 泵可靠性验证试验
- JB/T10398-2004 离网型风力发电系统售后技术服务规范
- JB/T9592.2-1999 全金属12角法兰面锁紧螺母 技术条件
- JB/T4718-1992 管壳式换热器用金属包垫片
- JB/T2436.1-1992 导线用铜压接端头 第一部分: 0.5~6.0mm2导线用铜压接端头
- JB8734.2-1998 额定电压 450/750V及以下聚氯乙烯绝缘电缆电线和软线第2部分: 固定布线用电缆电线
- JB/T10325-2002 锅炉除氧器 技术条件
- JB/T10187-2011 滚动轴承 深沟球轴承振动
- JB/T7991.4-2001 电镀超硬磨料制品 磨头
- JB2901-2020 汽轮机防锈技术条件
- JB/T6313.2-1992 电工铜编织线 斜纹编织线
- JB/T8854.2-2001 GⅡCL型、GⅡCLZ型鼓形齿式联轴器
- JBJ10-1996 机械工厂采暖通风与空气调节设计规范
- JB/T8103.7-2008 碟式分离机 第7部分:酵母分离机
- JB/T2740-2008 工业机械电气设备 电气图、图解和表的绘制
- 行业新闻
请牢记:“bzxz.net”即是“标准下载”四个汉字汉语拼音首字母与国际顶级域名“.net”的组合。 ©2009 标准下载网 www.bzxz.net 本站邮件:bzxznet@163.com
网站备案号:湘ICP备2023016450号-1
网站备案号:湘ICP备2023016450号-1