- 您的位置:
- 标准下载网 >>
- 标准分类 >>
- 机械行业标准(JB) >>
- JB/T 4208.1-1996 冷镦模具通用件 切料刀 A型
标准号:
JB/T 4208.1-1996
标准名称:
冷镦模具通用件 切料刀 A型
标准类别:
机械行业标准(JB)
标准状态:
现行-
发布日期:
1996-09-03 -
实施日期:
1997-07-01 出版语种:
简体中文下载格式:
.rar.pdf下载大小:
82.24 KB
替代情况:
JB 4208.1-1986

点击下载
标准简介:
标准下载解压密码:www.bzxz.net
本标准规定了冷镦GB 5780~5786六角头螺栓M3~M12、GB 70内六角圆柱头螺钉M4~M12及屯65~69、GB 818~820螺钉M2~M10A型刀料刀的结构型式与尺寸、技术要求和标记。 本标准适用于双击整模自动冷镦机和多工位自动冷镦机的模盯。 JB/T 4208.1-1996 冷镦模具通用件 切料刀 A型 JB/T4208.1-1996

部分标准内容:
1范围
中华人民共和国机械行业标准
冷模具通用件
切料刀A型
JB/T 4208.1—96
代替JB4208.1--86
本标准规定了冷镦GB5780~5786六角头螺栓M3~M12,GB70内六角圆柱头螺钉M4~M12及GB65~~69.GB818~~820螺钉M2~~M10A型切料刀的结构型式与尺寸、技术要求和标记。本标准适用于双击整模自动冷镦机和多工位自动冷机的模具。2引用标准
下列标准所包含的条文,通过在本标准中引用而构成为本标准的条文。本标准出版时,所示版本均为有效。所有标准都会被修订,使用本标准的各方应探讨使用下列标准最新版本的可能性。5开槽圆柱头螺钉
GB 65-—85
GB 67-85
GB 68--85
GB 69—85wwW.bzxz.Net
GB70—85
开槽盘头螺钉
开槽沉头螺钉
开槽半沉头螺钉
内六角圆柱头螺钉
GB 818—85
,十字槽盘头螺钉
GB819—85
GB 820—85
十字槽沉头螺钉
十字槽半沉头螺钉
GB 5780—86
GB 5781-
GB5782—86
GB 5783-86
六角头螺栓
金C级
六角头螺栓
六角头螺栓
六角头螺栓
全螺纹C级
A和B级
全螺纹A和B级
GB 5784--86
细杆B级
六角头螺栓
GB5785-86六角头螺栓
细牙A和B级
GB5786—86六角头螺栓
细牙全螺纹A和B级
GB 699—88
优质碳素结构钢技术条件
JB/T 4213--96\
紧固件冷镦模具技术条件
3结构型式与尺寸
A型切料刀的结构型式如图1所示,尺寸在表1、表2中给出。中华人民共和国机械工业部1996-09-03批准24
1997-07-01实施
#本尺
螺纹规格
JB/T4208.1—96
5×45°
图1A型切料刀结构型式
5×45°
表1A型切料刀尺寸(适用于双击整模自动冷镦机)M2M2.5M2.5M3
GB5780~5783
GB 5785~5786
GB5784
GB 65~820
极限偏差
基本尺寸
极限偏差
基本尺寸
极限偏差
M8|M10
2.843.803.804.785.784.785.787.727.729.721. 652. 122. 12|2. 58 3. 44
3.444.365.214.365.217.047.048.853.843.844.845.844.84|5.847.80|7.80|9.80+0.060
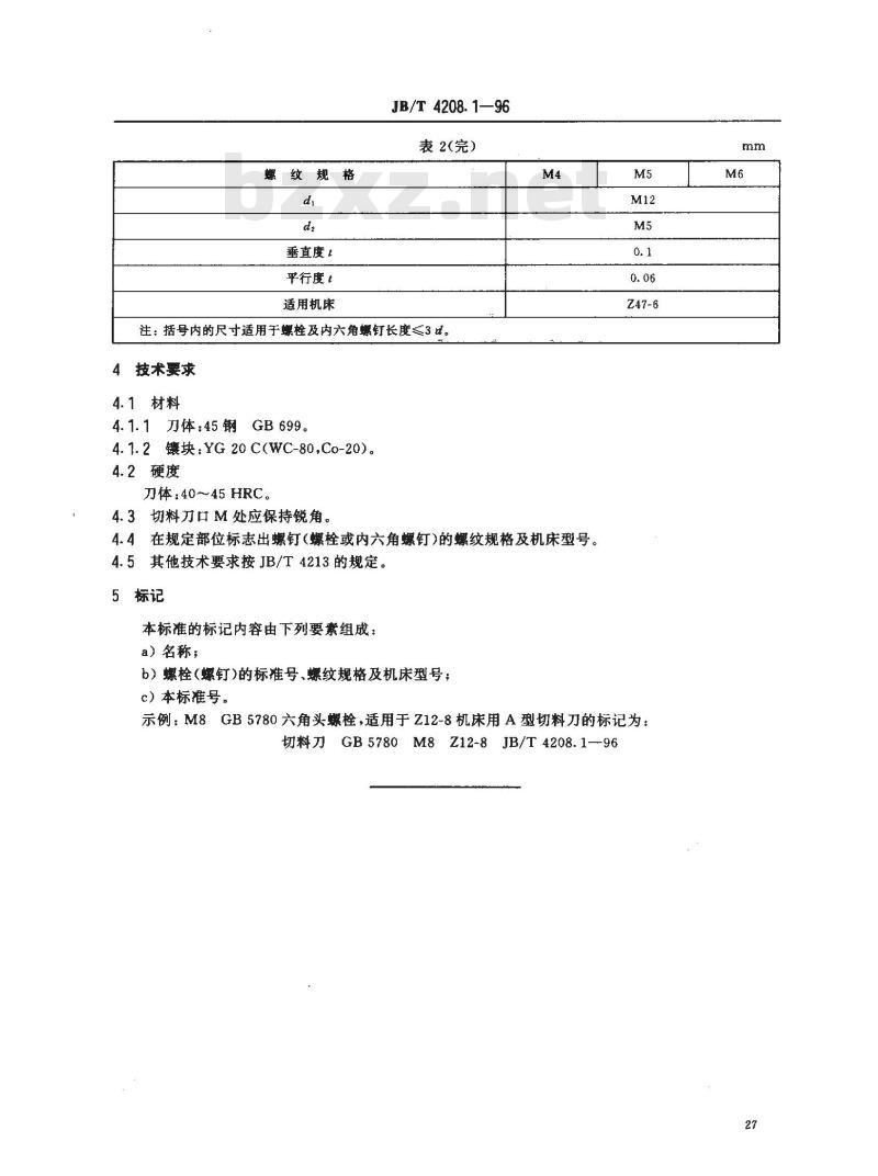
螺纹规格
垂直度:
平行度t
适用机床
JB/T4208.1-96
表1(完)
M2M2.5M2.5M3M4M4M5M6
注:括号内的尺寸适用于螺钉、内六角螺钉及螺栓长度≤3d。15
表2A型切料刀尺寸(适用于多工位自动羚镦机)螺纹规格
GB57805783,GB57855786.GB70
基本尺寸
GB5784
极限偏差
基本尺寸
极限偏差
基本尺寸
极限偏差
Z12-12
螺纹规格
垂直度:
平行度:
适用机床
JB/T 4208.1—96
表2(完)
注:括号内的尺寸适用于螺栓及内六角螺钉长度≤3。4技术要求
4.1材料
4.1.1刀体:45钢GB699。
4.1.2 镶块:YG 20 C(WC-80,Co-20)。4.2硬度
刀体:40~45HRC
4.3切料刀口M处应保持锐角。
4.4在规定部位标志出螺钉(螺栓或内六角螺钉)的螺纹规格及机床型号。4.5其他技术要求按JB/T4213的规定。5标记
本标准的标记内容由下列要素组成:a)名称;
b)螺栓(螺钉)的标准号、螺纹规格及机床型号;c)本标准号。
示例:M8GB5780六角头螺栓,适用于Z12-8机床用A型切料刀的标记为:切料刀GB5780M8Z12-8JB/T4208.1-96mm
小提示:此标准内容仅展示完整标准里的部分截取内容,若需要完整标准请到上方自行免费下载完整标准文档。
中华人民共和国机械行业标准
冷模具通用件
切料刀A型
JB/T 4208.1—96
代替JB4208.1--86
本标准规定了冷镦GB5780~5786六角头螺栓M3~M12,GB70内六角圆柱头螺钉M4~M12及GB65~~69.GB818~~820螺钉M2~~M10A型切料刀的结构型式与尺寸、技术要求和标记。本标准适用于双击整模自动冷镦机和多工位自动冷机的模具。2引用标准
下列标准所包含的条文,通过在本标准中引用而构成为本标准的条文。本标准出版时,所示版本均为有效。所有标准都会被修订,使用本标准的各方应探讨使用下列标准最新版本的可能性。5开槽圆柱头螺钉
GB 65-—85
GB 67-85
GB 68--85
GB 69—85wwW.bzxz.Net
GB70—85
开槽盘头螺钉
开槽沉头螺钉
开槽半沉头螺钉
内六角圆柱头螺钉
GB 818—85
,十字槽盘头螺钉
GB819—85
GB 820—85
十字槽沉头螺钉
十字槽半沉头螺钉
GB 5780—86
GB 5781-
GB5782—86
GB 5783-86
六角头螺栓
金C级
六角头螺栓
六角头螺栓
六角头螺栓
全螺纹C级
A和B级
全螺纹A和B级
GB 5784--86
细杆B级
六角头螺栓
GB5785-86六角头螺栓
细牙A和B级
GB5786—86六角头螺栓
细牙全螺纹A和B级
GB 699—88
优质碳素结构钢技术条件
JB/T 4213--96\
紧固件冷镦模具技术条件
3结构型式与尺寸
A型切料刀的结构型式如图1所示,尺寸在表1、表2中给出。中华人民共和国机械工业部1996-09-03批准24
1997-07-01实施
#本尺
螺纹规格
JB/T4208.1—96
5×45°
图1A型切料刀结构型式
5×45°
表1A型切料刀尺寸(适用于双击整模自动冷镦机)M2M2.5M2.5M3
GB5780~5783
GB 5785~5786
GB5784
GB 65~820
极限偏差
基本尺寸
极限偏差
基本尺寸
极限偏差
M8|M10
2.843.803.804.785.784.785.787.727.729.721. 652. 122. 12|2. 58 3. 44
3.444.365.214.365.217.047.048.853.843.844.845.844.84|5.847.80|7.80|9.80+0.060
螺纹规格
垂直度:
平行度t
适用机床
JB/T4208.1-96
表1(完)
M2M2.5M2.5M3M4M4M5M6
注:括号内的尺寸适用于螺钉、内六角螺钉及螺栓长度≤3d。15
表2A型切料刀尺寸(适用于多工位自动羚镦机)螺纹规格
GB57805783,GB57855786.GB70
基本尺寸
GB5784
极限偏差
基本尺寸
极限偏差
基本尺寸
极限偏差
Z12-12
螺纹规格
垂直度:
平行度:
适用机床
JB/T 4208.1—96
表2(完)
注:括号内的尺寸适用于螺栓及内六角螺钉长度≤3。4技术要求
4.1材料
4.1.1刀体:45钢GB699。
4.1.2 镶块:YG 20 C(WC-80,Co-20)。4.2硬度
刀体:40~45HRC
4.3切料刀口M处应保持锐角。
4.4在规定部位标志出螺钉(螺栓或内六角螺钉)的螺纹规格及机床型号。4.5其他技术要求按JB/T4213的规定。5标记
本标准的标记内容由下列要素组成:a)名称;
b)螺栓(螺钉)的标准号、螺纹规格及机床型号;c)本标准号。
示例:M8GB5780六角头螺栓,适用于Z12-8机床用A型切料刀的标记为:切料刀GB5780M8Z12-8JB/T4208.1-96mm
小提示:此标准内容仅展示完整标准里的部分截取内容,若需要完整标准请到上方自行免费下载完整标准文档。

标准图片预览:




- 其它标准
- 热门标准
- 机械行业标准(JB)
- JB/T6882-2006 泵可靠性验证试验
- JB/T10398-2004 离网型风力发电系统售后技术服务规范
- JB/T9592.2-1999 全金属12角法兰面锁紧螺母 技术条件
- JB/T4718-1992 管壳式换热器用金属包垫片
- JB/T2436.1-1992 导线用铜压接端头 第一部分: 0.5~6.0mm2导线用铜压接端头
- JB8734.2-1998 额定电压 450/750V及以下聚氯乙烯绝缘电缆电线和软线第2部分: 固定布线用电缆电线
- JB/T10325-2002 锅炉除氧器 技术条件
- JB/T10187-2011 滚动轴承 深沟球轴承振动
- JB/T7991.4-2001 电镀超硬磨料制品 磨头
- JB2901-2020 汽轮机防锈技术条件
- JB/T6313.2-1992 电工铜编织线 斜纹编织线
- JB/T8854.2-2001 GⅡCL型、GⅡCLZ型鼓形齿式联轴器
- JBJ10-1996 机械工厂采暖通风与空气调节设计规范
- JB/T8103.7-2008 碟式分离机 第7部分:酵母分离机
- JB/T2740-2008 工业机械电气设备 电气图、图解和表的绘制
- 行业新闻
请牢记:“bzxz.net”即是“标准下载”四个汉字汉语拼音首字母与国际顶级域名“.net”的组合。 ©2009 标准下载网 www.bzxz.net 本站邮件:bzxznet@163.com
网站备案号:湘ICP备2023016450号-1
网站备案号:湘ICP备2023016450号-1