- 您的位置:
- 标准下载网 >>
- 标准分类 >>
- 其他行业标准 >>
- FZ/T 92016-2012精梳毛纺环锭细纱锭子
标准号:
FZ/T 92016-2012
标准名称:
精梳毛纺环锭细纱锭子
标准类别:
其他行业标准
英文名称:
Spindles for wool textile ring spinning frame标准状态:
现行-
发布日期:
2012-05-24 -
实施日期:
2012-11-01 出版语种:
简体中文下载格式:
.pdf .zip
标准ICS号:
纺织和皮革技术>>纺织机械>>59.120.10纺纱、加捻和卷曲变形机械中标分类号:
纺织>>纺织机械与器具>>W93纺部机械与器具
替代情况:
替代FZ/T 92016-1992
点击下载
标准简介:
本标准规定了精梳毛纺环锭细纱锭子的分类及代号、要求、试验方法、检验规则、标志及包装、运输和贮存。
本标准适用于精梳毛纺环锭细纱锭子和毛纺环锭捻线锭子。
本标准按照GB/T1.1—2009给出的规则起草。
本标准代替FZ/T92016—1992《精梳毛纺环锭细纱锭子》。
本标准与FZ/T92016—1992相比主要变化如下:
———引用文件FJ527《纺织机械噪声声压级的测定方法》改为GB/T7111.1《纺织机械噪声测试规范 第1部分:通用要求》;
———增加了规范性引用文件:GB/T191《包装储运图示标志》;
———补充了特征代号(见3.1.1);
———表4中删除了筒管长度:220mm 及代号1、(230)240mm 及代号2;
———表5中删除了筒管长度:220mm、(230)240mm 及相应数据;
———表5中增加了轴承内径尺寸代号d 和螺母对边宽度S;
———表5、图1中l
1 修改为h;
———表8中铝套管的单锭噪声≤71修改为≤69dB(A)、木套管的单锭噪声≤72修改为≤70dB(A);
———润滑油按照SH/T0017—1990(1998年确认)中的L-FD类的规定;
———图3中:与锭盘中心等高≥640,修改为(640±10)mm;
———补充了试验方法(见5.6~5.11);
———增加了6.2型式检验;
———增加了6.3抽样方法及判定规则;
———增加了7.1包装储运的图示标志。
本标准由中国纺织工业联合会提出。
本标准由全国纺织机械与附件标准化技术委员会(SAC/TC215)归口。
本标准起草单位:上海良纺纺织机械专件有限公司。
本标准主要起草人:沈春辉、李铭祎、邵爱华。
本标准所代替标准的历次版本发布情况为:
———FJ/JQ58—1986;
———FZ/T92016—1992。
下列文件对于本文件的应用是必不可少的。凡是注日期的引用文件,仅注日期的版本适用于本文件。凡是不注日期的引用文件,其最新版本(包括所有的修改单)适用于本文件。
GB/T191 包装储运图示标志
GB/T7111.1 纺织机械噪声测试规范 第1部分:通用要求
FZ/T90001 纺织机械产品包装
FZ/T90106 锭子型号编写规定
SH/T0017 轴承油
部分标准内容:
中华人民共和国纺织行业标准
FZ/T92016—2012
代替FZ/T92016-1992
精梳毛纺环锭细纱锭子
Spindles for wool textile ring spinning frame2012-05-24发布
中华人民共和国工业和信息化部2012-11-01实施
本标准按照GB/T1.1一2009给出的规则起草。本标准代替FZ/T92016—1992《精梳毛纺环锭细纱锭子》。本标准与FZ/T92016—1992相比主要变化如下:FZ/T92016—2012
引用文件FJ527《纺织机械噪声声压级的测定方法》改为GB/T7111.1《纺织机械噪声测试规范第1部分:通用要求》;
-增加了规范性引用文件:GB/T191《包装储运图示标志》:—补充了特征代号(见3.1.1);-表4中删除了筒管长度:220mm及代号1、(230)240mm及代号2;表5中删除了简管长度:220mm、(230)240mm及相应数据;表5中增加了轴承内径尺寸代号d和螺母对边宽度S;-表5、图1中1修改为h;
-表8中铝套管的单锭噪声≤71修改为≤69dB(A)、木套管的单锭噪离≤72修改为≤70dB(A);润滑油按照SH/T0017—1990(1998年确认)中的L-FD类的规定;图3中:与链盘中心等高≥640,修改为(640士10)mm;—补充了试验方法(见5.6~5.11);—增加了6.2型式检验;
一增加了6.3抽样方法及判定规则;一增加了7.1包装储运的图示标志。本标准由中国纺织工业联合会提出。本标准由全国纺织机械与附件标准化技术委员会(SAC/TC215)归口。本标准起草单位:上海良纺纺织机械专件有限公司。本标准主要起草人:沈春辉、李铭、邵爱华。本标准所代替标准的历次版本发布情况为:-FJ/JQ58-1986;
-FZ/T92016—1992。
1范围
精梳毛纺环锭细纱锭子
FZ/T92016—2012
本标准规定了精梳毛纺环锭细纱锭子的分类及代号、要求、试验方法、检验规则、标志及包装、运输和贮存。
本标准适用于精梳毛纺环锭细纱锭子和毛纺环锭抢线锭子(以下简称“锭子”)。2规范性引用文件
下列文件对于本文件的应用是必不可少的。凡是注日期的引用文件,仅注日期的版本适用于本文件。凡是不注日期的引用文件,其最新版本(包括所有的修改单)适用于本文件。GB/T191包装储运图示标志
GB/T7111.1纺织机械噪声测试规范纺织机械产品包装
FZ/T90001
FZ/T90106
SH/T0017
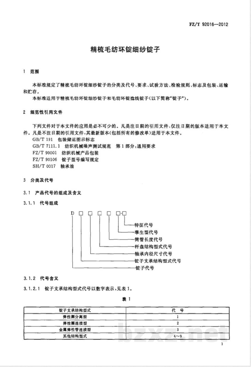
3分类及代号
锭子型号编写规定
轴承油
3.1产品代号的组成及含义
3.1.1代号组成
3.1.2代号含义
第1部分:通用要求
特征代号
擎生型代号
简管长度代号
杆盘结构型式代号
轴承内径尺寸代号
锭子支承结构型式代号
锭子代号
3.1.2.1锭子支承结构型式代号以数字表示,见表1。表1
锭子支承结构型式
弹性圈分离型
弹性圈连接型
金属弹性管连接型
其他结构型式
FZ/T92016--2012
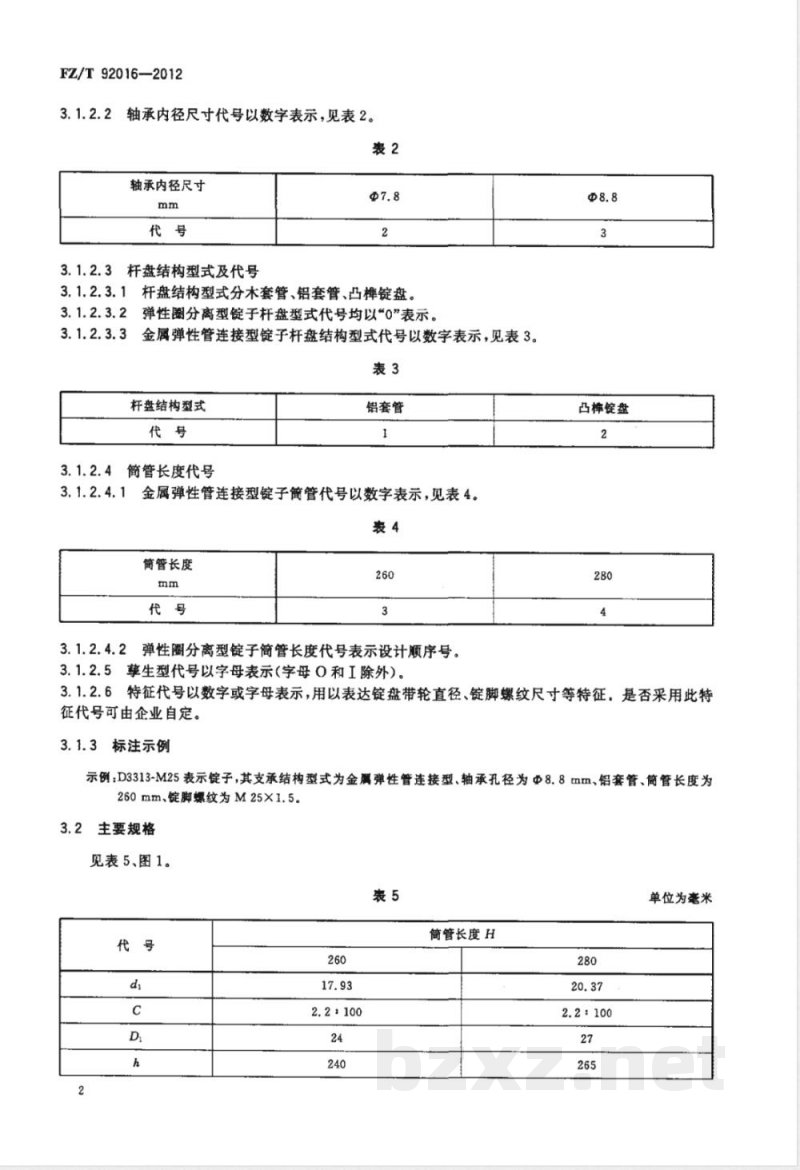
3.1.2.2轴承内径尺寸代号以数字表示,见表2。表2
轴承内径尺寸
3.1.2.3杆盘结构型式及代号
3.1.2.3.1杆盘结构型式分木套管、铝套管、凸锭盘。3.1.2.3.2弹性圈分离型锭于杆盘型式代号均以*0”表示。3.1.2.3.3金属弹性管连接型锭子杆盘结构型式代号以数字表示,见表3。表3
杆盘结构型式
3.1.2.4简管长度代号
铝套管
3.1.2.4.1金属弹性管连接型锭子简管代号以数字表示,见表4。裘4
筒管长度
3.1.2.4.2弹性圈分离型锭子简管长度代号表示设计顺序号。3.1.2.5掌生型代号以字母表示(字母0和I除外),@8.8
凸棒锭盘
3.1.2.6特征代号以数字或字母表示,用以表达锭盘带轮直径、锭脚螺纹尺寸等特征。是否采用此特征代号可由企业自定。
3.1.3标注示例
示例:D3313-M25表示锭子,其支承结构型式为金属弹性管连接型、轴承孔径为Φ8.8mm、铝套管、简管长度为260mm、锭脚螺纹为M25×1.5。
3.2主要规格
见表5、图1。
筒管长度H
单位为毫米
表5(续)
310315
设计新机时,尽量避免采用括号内尺寸。D
筒管长度H
FZ/T92016—2012
单位为毫米
单位为毫米
简管底部位置
FZ/T92016—2012
4要求
空锭在120001/min运转时,锭子振程值见表6。4.1
套管型式
铝套管
木套管
4.2空锭在12000r/min运转时,单链功率见表7。表7
轴承内径d
4.3空锭在12000r/min运转时,单锭噪声发射声压级见表8。表8
套管型式
铝套管
木套管
振程值
单锭功率
单锭噪声
清洁度以锭座结合件内腔残留杂物的质量表示,单锭平均清洁度见表9。4.4
轴承内径d
每套清洁度
单位为癌米
4.5垂直度:金属弹性管连接型锭子以锭杆轴线为基准,锭座结合件安装面在距轴线25mm处,锭子的端面圆跳动见表10。
轴承内径d
垂直度公差值
单位为毫米
4.6锭子顶端距锭座安装面高度L的极限偏差士1.0mm。4.7锭子杆盘与筒管配合处的直径D,极限偏差_0.10mm。
4.8锭盘轮直径D2极限偏差士0.05mm。4.9杆盘结合件在锭座内应回转灵活,不得有顿滞现象。4.10锭钩的作用应可靠有效,不得有杆盘难以插人、拔出或钩不住等现象。4.11刹锭装置的作用应可靠有效。5试验方法
空锭振程值(4.1)用光电式测振仪在下列条件下测量:5.1
FZ/T92016—2012
测量部位:无支持器的锭子在距离顶端10mm~15mm范围内;有支持器的锭子在支持器中a)
心以下10mm~15mm范围内。
b)测量速度:锭子转速为12000r/min。5.2单锭功率(4.2)用单锭扭矩仪在下列条件下测量:a)被测锭子应先运转20min。
b)被测锭子空锭转速为120001/min。锭带张力6N/锭,见图2所示。
试验台架
摩擦力
链盘轮
主动轮
FZ/T92016—2012
重锤质量按式(1)和式(2)计算:式中:
重锤质量,单位为于克(kg);
重力系数(为9.8N/kg);
m=(2T十f)/g
锭带张力在工方向的分力,单位为牛顿(N);f
滑块的摩擦力,单位为牛顿(N)。T, = Tcosα
式中:
T锭带张力,单位为牛顿(N);
锭带张力夹角(≤10)。
锭带应为无接头型、宽10mm、厚度0.5mm~0.65mm。d)
(1)
.(2)
将锭杆插入锭座进行油位高度检查,当锭子上下支承中心距为120mm时,油位高度应为e)
70+mm;当锭子上下支承中心距为135mm时,油位高度应为85+mm。润滑油按SH/T0017中L-FD类轴承油的规定,黏度等级为7。f)
测试环境的温度为25℃士5℃。
5.3单锭噪声发射声压级(4.3)按GB/T7111.1的规定用声级计在下列条件下测量:被测锭子应先运转20min;
被测锭子空锭转速为120001/min;b)
测试环境的本底噪声低于被测噪声10 dB(A)以上;c)
被测锭子四周2m内无障碍物;
锭带张力为6N/锭;
锭子及声级计位置如图3所示。
单位为毫米
声级计上
5.4锭子清洁度(4.4)按附录A规定的方法检验。5.5锭子的垂直度(4.5)测量方法:品
将被测量的锭座结合件倒立插入标准锭杆后回转,在标准垫块上离轴线25mm处测量端面圆跳动,如图4所示。
锭座结合件
标准垫块
标准锭杆
5.6锭子顶端距锭座安装面的高度极限偏差(4.6)用专用量具或高度尺测量。5.7锭子杆盘与简管配合处的直径(4.7)用专用量具或游标卡尺测量。5.8锭盘轮直径(4.8)用专用量具或外径于分尺测量。5.9杆盘结合件回转灵活性(4.9)用手感检查。5.10锭钩的作用(4.10)用手感及目测检验。5.11刹锭装置的作用(4.11)用手感及目测检验。6检验规则
6.1出厂检验
FZ/T92016—2012
单位为毫米
6.1.1产品由制造厂质量检查部门按本标准的规定进行检验,检验合格后方能出厂,并附有合格证。6.1.2出厂检验项目:4.1、4.5~4.11。6.2型式检验
6.2.1产品在下列情况之一时,应进行型式检验:a)新产品定型鉴定时;
b)正常生产后,如原材料、生产工艺有重大改变可能影响产品性能时;正常生产时,生产量以10万套为周期,进行一次检验;c)
d)产品停产一年以上恢复生产时;e)国家质量监督部门提出型式检验的要求时。型式检验项目:第4章。
6.3抽样方法及判定规则
按简单随机抽样法从检验批中抽取作为样本的产品,样本数为50套。6.3.2检验项目、样本数、合格率见表11。7
FZ/T92016—2012
清洁度
垂直度
空链振程值
单链功率
检验项目
单锭噪声发射声压级
锭子顶端距锭座安装面的高度极限偏差锭子杆盘与简管配合处的直径
锭盘轮直径
杆盘结合件在锭座内回转灵活性锭钩的作用
刹锭装置的作用
样本数www.bzxz.net
合格率
6.3.3成套或单项项目合格判定规则:样本经检验,其合格率达到要求,判该批产品的成套或单项项目合格;反之,判其不合格。
6.3.4成套项目及单项项目均检验合格后,方可判定该批产品符合标准要求。7标志
7.1包装储运的图示标志应符合GB/T191的规定。7.2产品上应有厂标(或商标)和制造年份。8包装、运输和贮存
8.1产品的包装按FZ/T90001的规定执行。8.2产品在运输过程中,包装箱应按规定的朝向安置,不得倾斜或改变方向。8.3产品出厂后,在良好的防雨及通风贮存条件下,包装箱内的产品防潮、防锈有效期为一年。A.1检验准备
A.1.1试剂
检验需要的试剂包括:
a)经定性分析滤纸过滤后的煤油;b)120号溶剂油;
c)分析纯石油醚。
A.1.2仪器及器具
检验需要的仪器及器具包括:
附录A
(规范性附录)
锭子清洁度检验方法
a)@7cm称量瓶2只及@12.5cm中速定性滤纸;b)三角烧瓶500mL2只,玻璃漏斗@7.5cm2只,烧杯500mL2只;c)感量为0.0001g的光电天平一台;d)烘箱、干燥箱、滴管、100 mL量杯等。A.2检验方法
A.2.1先用120号溶剂油或煤油洗净50套样本的外表并措净。FZ/T92016—2012
A.2.2将过滤好的煤油注入锭座结合件内腔约60%油腔高度,用拇指按住锭座结合件的轴承口,倒置,上下快速摆动10次,然后把含有残留物的混合液集中倒在500mL烧杯中,每套锭座结合件内腔清洗3次。
A.2.3将收集到的混合液用已烘至恒重(m1)的Φ12.5cm中速定性滤纸以倾斜法进行过滤,过滤后应自然沥干,再用120号溶剂油、分析纯石油醚清洗滤纸上的油脂,直到洗净为止。另外,把洗净油脂的滤纸置于原称量瓶中,在120℃烘箱内烘1h后取出,放在干燥箱中冷却至室温,称量,烘30min后再称至恒重(㎡2)。滤纸前、后烘于方法应相同,每次烘后冷却至室温的时间应一致。A.3计算
单锭平均清洁度G按式(A.1)计算:G=m=m×1 000
式中:
G—清洁度,单位为毫克每套(mg/套);m
滤纸和称量瓶质量,单位为克(g);m2—滤纸、称量瓶和残留物质量,单位为克(g)。..(A.1)
小提示:此标准内容仅展示完整标准里的部分截取内容,若需要完整标准请到上方自行免费下载完整标准文档。
标准图片预览:





- 其它标准
- 热门标准
- 其他行业标准
- JB/T11222-2011 低速汽车 钢板弹簧可靠性试验方法
- JB/T5331-2011 潜油电机用特种聚酰亚胺薄膜绕包铜圆线
- YS/T524-2011 合成白钨
- YS/T1050.8-2015 铅锑精矿化学分析方法 第8部分:金量和银量的测定 火试金法
- YS/T740-2010 氧化铝工业废水苛性碱度测定方法
- DGJ08-1997-2002 膜结构技术规程(附条文说明)
- CAS125-2005 在用机动车排放检测用油加注规范
- FZ/T14024-2022 棉与粘胶纤维混纺印染布
- QB/T4085-2010 磺基琥珀酸单酯二钠盐
- YS/T254.7-2011 铍精矿、绿柱石化学分析方法 第7部分:水分量的测定 重量法
- FZ/T14023-2021 涤(锦)纶防水透湿雨衣面料
- JB/T11154-2011 YZR系列起重及冶金用绕线转子三相异步电动机技术条件(机座号450~500)
- FZ/T12050-2015 针织用点子纱
- FZ/T01084-2017 粘合衬水洗后的外观及尺寸变化试验方法
- QX/T459-2018 气象视频节目中国地图地理要素的选取与表达
- 行业新闻
网站备案号:湘ICP备2025141790号-2