- 您的位置:
- 标准下载网 >>
- 标准分类 >>
- 其他行业标准 >>
- YB/T 4100-1998铁路货车滚动轴承用渗碳轴承钢
标准号:
YB/T 4100-1998
标准名称:
铁路货车滚动轴承用渗碳轴承钢
标准类别:
其他行业标准
英文名称:
Carburizing steels of bearing for freight rolling bearing标准状态:
现行-
发布日期:
1998-08-25 -
实施日期:
1998-12-01 出版语种:
简体中文下载格式:
.pdf .zip
部分标准内容:
中华人民共和国黑色治金行业标准YB4100-1998
铁路货车滚动轴承用渗碳轴承钢Carburizing steels of bearing for freight rolling bearing1998-08-25发布
国家冶金工业局发布
1998-12-01实施
YB4100—1998
铁路货车滚动轴承用渗碳钢采用G20CrNi2MoA。该钢采用电炉并经电渣重熔法冶炼。钢质纯洁、致密性好。
本标准在化学成分、尺寸允许偏差及低倍组织等方面均严于GB3203一82《渗碳轴承钢技术条件》标准的规定,并增加了对钛含量的控制。本标准由全国钢标准化技术委员会提出并归口。本标准起草单位:西宁特殊钢集团有限责任公司、西北轴承股份有限公司、大冶冶钢集团有限责任公司。
本标准主要起草人:王文学、张雅杰、王三刚、徐连奎、吴效杰、陈长西。I
1范围
中华人民共和国黑色冶金行业标准铁路货车滚动轴承用渗碳轴承钢Carburizing steels of bearing for freight rolling bearingYB4100—1998
本标准规定了渗碳轴承钢的尺寸、外形、技术要求、试验方法、检验规则、包装、标志及质量证明书。本标准适用于制造铁路货车滚动轴承套圈用热轧渗碳轴承钢棒。2引用标准
下列标准所包含的条文,通过在本标准中引用而构成为本标准的条文。本标准出版时,所示版本均为有效。所有标准都会被修订,使用本标准的各方应探讨使用下列标准最新版本的可能性。GB222—84钢的化学分析用试样取样法及成品化学成分允许偏差GB223.3一88钢铁及合金化学分析方法二安替吡甲烷磷钼酸重量法测定磷量GB/T223.5一1997钢铁及合金化学分析方法还原型硅钼酸盐光度法测定酸溶硅含量GB/T223.11一91钢铁及合金化学分析方法过硫酸铵氧化容量法测定铬量GB/T223.18一94钢铁及合金化学分析方法硫代硫酸钠分离-碘量法测定铜量GB223.19一89钢铁及合金化学分析方法新亚铜灵-三氯甲烷萃取光度法测定铜量GB/T223.23一94钢铁及合金化学分析方法丁二酮分光光度法测定镍量GB223.26一89钢铁及合金化学分析方法硫氰酸盐直接光度法测定钼量GB223.53—874
钢铁及合金化学分析方法火焰原子吸收分光光度法测定铜量GB223.59--874
钢铁及合金化学分析方法锑磷钼蓝光度法测定磷量GB/T223.60—1997钢铁及合金化学分析方法高氯酸脱水重量法测定硅含量GB223.61一88钢铁及合金化学分析方法磷钼酸铵容量法测定磷量GB223.62--88钢铁及合金化学分析方法云乙酸丁酯萃取光度法测定磷量GB223.64—88
GB223.67—89
钢铁及合金化学分析方法火焰原子吸收光谱法测定锰量钢铁及合金化学分析方法还原蒸馏-次甲基蓝光度法测定硫量GB/T223.71一1997钢铁及合金化学分析方法管式炉燃烧后重量法测定碳含量GB/T223.72一91钢铁及合金化学分析方法氧化铝色层分离-硫酸钡重量法测定硫量GB/T223.74一1997钢铁及合金化学分析方法非化合碳含量的测定钢的淬透性末端淬火试验方法
GB225--88
GB226--91
钢的低倍组织及缺陷酸蚀检验法GB228—87
金属拉伸试验方法
GB/T229—94
金属夏比缺口冲击试验方法
金属洛氏硬度试验方法
GB/T230—91
GB231-84金属布氏硬度试验方法GB1979—80结构钢低倍组织缺陷评级图GB2101一89型钢验收、包装、标志及质量证明书的一般规定国家冶金工业局1998-08-25批准1998-12-01实施
YB4100—1998
GB2975一82钢材力学及工艺性能试验取样规定GB/T4162—91锻轧钢棒超声波检验方法GB4336—84碳素钢和中低合金钢的光电发射光谱分析方法GB6397—86金属拉伸试验试样bzxz.net
GB/T13299—91钢的显微组织评定方法GB/T15711—1995钢材塔形发纹酸浸检验方法YB9一68铬轴承钢技术条件
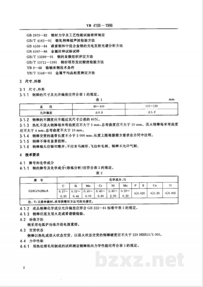
YB/T514893金属平均晶粒度测定方法3尺寸、外形
3.1尺寸、外形
3.1.1钢棒的尺寸及允许偏差应符合表1的规定。表1
允许偏差
80~100
3.1.2钢棒的不圆度应不超过其尺寸公差的60%。115~130
3.1.3热轧不退火钢棒每米弯曲度应不大于5mm,总弯曲度应不大于10mm。退火钢棒每米弯曲度应不大于4mm,总弯曲度不大于10mm。3.1.4钢棒交货的通常长度不小于3000mm,长度上限根据需方要求在合同中注明。3.1.5钢棒不得有显著扭转。
钢棒端头应锯切整齐,不应有马蹄形、飞边和毛刺。钢棒不允许气割。3.1.64
4技术要求
4.1牌号和化学成分
钢的牌号及化学成分(熔炼分析)应符合表2的规定。4.1.14
G20CrNi2MoA
注:TI元素仲裁时,采用供需双方认可的光谱仪,Cr
化学成分,%
4.1.2成品钢棒化学成分允许偏差应符合GB222-84标准中表2的规定。4.1.3钢棒应逐支用火花或看谱镜检验。4.2冶炼方法
钢采用电弧炉冶炼并经电渣重熔。4.3交货状态
钢棒以热轧或退火状态交货。以退火状态交货的钢棒硬度应不大于229HBS10/3000。4.4力学性能
4.4.1用热处理毛坏制成的试样测定钢棒纵向力学性能应符合表3的规定。2
试样毛坏直径
YB 4100—1998
热处理工艺
880℃±20℃油冷
800℃±20℃油冷
170200℃空冷
抗拉强度
力学性能不小于
伸长率
断面收缩率
冲击吸收功
4.4.2表3所列力学性能适用于直径等于80mm的钢棒。尺寸81~100mm的钢棒,允许其伸长率、断面收缩率及冲击吸收功较表3的规定分别降低1个单位、5个单位及5%;尺寸101~130mm的钢棒,允许其伸长率、断面收缩率及冲击吸收功较表3的规定分别降低2个单位、10个单位及10%。4.5淬透性
钢棒的末端淬透性应符合表4的规定。表4
硬度值,HRC
G20CrNi2MoA
4.6低倍组织和发纹
热处理制度
920℃±20℃正火
920℃±20℃水冷
距末端距离,mm
4.6.1钢棒横向酸浸试片上不应有缩孔、内部气泡、裂纹、翻皮、白点和过烧。低倍组织的中心疏松、般疏松和锭型偏析按GB1979一80标准的第一、二、三级别图评定,其合格级别均应不大于1.0级。4.6.2用塔形试样检查发纹。塔形试样尺寸第一阶梯为D一6mm,第二阶梯为D×2/3mm,第三阶梯为D×1/2mm。塔形每阶长度为50mm(D为试样直径)。钢材酸浸后用10倍放大镜检查,不得有发纹(发纹起算长度为0.6mm。在同一母线上两发纹间距小于2mm,作为一条计算。不允许有连接两阶发纹存在)。
4.7非金属夹杂物
钢棒应按YB9一68第四评级图评定非金属夹杂物。其脆性夹杂物、塑性夹杂物和点状不变形夹杂物均应不大于2.0级。
4.8晶粒度
钢棒的奥氏体晶粒度为5级~8级。采用渗碳法检验,也可以用其他方法,但仲裁时用渗碳法。4.9显微组织
钢棒的纵向带状组织应不大于3级,带状组织应在退火状态试样上检查。经供需双方协商也可在热轧状态试样上检查。采用GB/T13299一91附录A评级图中图A3带状组织评级图B系列图片。4.10表面质量
钢棒表面不得有裂纹、折叠、结疤和夹杂等缺陷。这些缺陷应清除,清除深度从实际尺寸算起不应超过该尺寸公差之半。清除宽度不小于深度的5倍。同一截面达到最大清理深度不得多于一处,不超过公差之半的个别细小划痕、压痕、麻点,允许存在。4.11超声波探伤检验
钢坏或钢棒应逐支进行超声波探伤检验。3
5试验方法
YB 4100—1998
钢棒各项检验项目的试验方法按表5的规定执行。表5
检验项目
化学戒分
拉伸试验
冲击试验
低倍组织
非金属夹杂物
带状组织
晶粒度
末端萍透性
退火硬度
超声波探伤
火花或看谱镜
6检验规则
取样数量
取样部位
GB2975不同支钢材
电渣钢头尾
6.1检查和验收
钢棒的检查和验收由供方技术监督部门进行。不同支钢材
不同支钢材
不同支钢材
试验方法
GB6397,GB228
GB1979,GB226
GB/T15711
GB/T13299
YB/T5148
GB4162B级
6.2组批规则
钢棒应按批进行检查和验收,每批由同一牌号、同一熔炼号、同一加工方法、同一尺寸、同一交货状态和同一热处理炉次(如经热处理)的钢棒组成。电渣钢可按自耗电极母炉号组批。6.3钢棒的检验
钢棒的检验项目、取样数量和取样部位应符合表5的规定。6.4复验和判定规则
所有项目检验完后,若发现某项检验结果不合格时(白点除外),允许另取双倍数量的试样,对该不合格项目进行复验。若复验仍不合格,则该批判为不合格,但供方可重新热处理或重新组批作为新的一批提交验收。
6.5需方检验及派驻厂员
需方有权按本标准进行检验或派驻供方的验收人员,对产品进行监督、检验合格后再发货。具体细则由供需双方另行商定并出具书面文件。7包装、标志及质量证明书
YB4100—1998
钢棒的包装、标志及质量证明书应符合GB2101的有关规定。供方应在质量证明书中提供电渣炉号化学成分,并在钢棒上注明母炉号。5
中华人民共和国黑色冶金
行业标准
铁路货车滚动轴承用渗碳轴承钢YB41001998
中国标准出版社出版
北京复兴门外三里河北街16号
邮政编码:100045
话:68522112
中国标准出版社秦皇岛印刷厂印刷新华书店北京发行所发行各地新华书店经售版权专有不得翻印
印张3/4字数10千字
开本880×12301/16
1999年1月第一次印刷
1999年1月第一版
印数1-1000
书号:155066·2-12454
标目360-60
小提示:此标准内容仅展示完整标准里的部分截取内容,若需要完整标准请到上方自行免费下载完整标准文档。
铁路货车滚动轴承用渗碳轴承钢Carburizing steels of bearing for freight rolling bearing1998-08-25发布
国家冶金工业局发布
1998-12-01实施
YB4100—1998
铁路货车滚动轴承用渗碳钢采用G20CrNi2MoA。该钢采用电炉并经电渣重熔法冶炼。钢质纯洁、致密性好。
本标准在化学成分、尺寸允许偏差及低倍组织等方面均严于GB3203一82《渗碳轴承钢技术条件》标准的规定,并增加了对钛含量的控制。本标准由全国钢标准化技术委员会提出并归口。本标准起草单位:西宁特殊钢集团有限责任公司、西北轴承股份有限公司、大冶冶钢集团有限责任公司。
本标准主要起草人:王文学、张雅杰、王三刚、徐连奎、吴效杰、陈长西。I
1范围
中华人民共和国黑色冶金行业标准铁路货车滚动轴承用渗碳轴承钢Carburizing steels of bearing for freight rolling bearingYB4100—1998
本标准规定了渗碳轴承钢的尺寸、外形、技术要求、试验方法、检验规则、包装、标志及质量证明书。本标准适用于制造铁路货车滚动轴承套圈用热轧渗碳轴承钢棒。2引用标准
下列标准所包含的条文,通过在本标准中引用而构成为本标准的条文。本标准出版时,所示版本均为有效。所有标准都会被修订,使用本标准的各方应探讨使用下列标准最新版本的可能性。GB222—84钢的化学分析用试样取样法及成品化学成分允许偏差GB223.3一88钢铁及合金化学分析方法二安替吡甲烷磷钼酸重量法测定磷量GB/T223.5一1997钢铁及合金化学分析方法还原型硅钼酸盐光度法测定酸溶硅含量GB/T223.11一91钢铁及合金化学分析方法过硫酸铵氧化容量法测定铬量GB/T223.18一94钢铁及合金化学分析方法硫代硫酸钠分离-碘量法测定铜量GB223.19一89钢铁及合金化学分析方法新亚铜灵-三氯甲烷萃取光度法测定铜量GB/T223.23一94钢铁及合金化学分析方法丁二酮分光光度法测定镍量GB223.26一89钢铁及合金化学分析方法硫氰酸盐直接光度法测定钼量GB223.53—874
钢铁及合金化学分析方法火焰原子吸收分光光度法测定铜量GB223.59--874
钢铁及合金化学分析方法锑磷钼蓝光度法测定磷量GB/T223.60—1997钢铁及合金化学分析方法高氯酸脱水重量法测定硅含量GB223.61一88钢铁及合金化学分析方法磷钼酸铵容量法测定磷量GB223.62--88钢铁及合金化学分析方法云乙酸丁酯萃取光度法测定磷量GB223.64—88
GB223.67—89
钢铁及合金化学分析方法火焰原子吸收光谱法测定锰量钢铁及合金化学分析方法还原蒸馏-次甲基蓝光度法测定硫量GB/T223.71一1997钢铁及合金化学分析方法管式炉燃烧后重量法测定碳含量GB/T223.72一91钢铁及合金化学分析方法氧化铝色层分离-硫酸钡重量法测定硫量GB/T223.74一1997钢铁及合金化学分析方法非化合碳含量的测定钢的淬透性末端淬火试验方法
GB225--88
GB226--91
钢的低倍组织及缺陷酸蚀检验法GB228—87
金属拉伸试验方法
GB/T229—94
金属夏比缺口冲击试验方法
金属洛氏硬度试验方法
GB/T230—91
GB231-84金属布氏硬度试验方法GB1979—80结构钢低倍组织缺陷评级图GB2101一89型钢验收、包装、标志及质量证明书的一般规定国家冶金工业局1998-08-25批准1998-12-01实施
YB4100—1998
GB2975一82钢材力学及工艺性能试验取样规定GB/T4162—91锻轧钢棒超声波检验方法GB4336—84碳素钢和中低合金钢的光电发射光谱分析方法GB6397—86金属拉伸试验试样bzxz.net
GB/T13299—91钢的显微组织评定方法GB/T15711—1995钢材塔形发纹酸浸检验方法YB9一68铬轴承钢技术条件
YB/T514893金属平均晶粒度测定方法3尺寸、外形
3.1尺寸、外形
3.1.1钢棒的尺寸及允许偏差应符合表1的规定。表1
允许偏差
80~100
3.1.2钢棒的不圆度应不超过其尺寸公差的60%。115~130
3.1.3热轧不退火钢棒每米弯曲度应不大于5mm,总弯曲度应不大于10mm。退火钢棒每米弯曲度应不大于4mm,总弯曲度不大于10mm。3.1.4钢棒交货的通常长度不小于3000mm,长度上限根据需方要求在合同中注明。3.1.5钢棒不得有显著扭转。
钢棒端头应锯切整齐,不应有马蹄形、飞边和毛刺。钢棒不允许气割。3.1.64
4技术要求
4.1牌号和化学成分
钢的牌号及化学成分(熔炼分析)应符合表2的规定。4.1.14
G20CrNi2MoA
注:TI元素仲裁时,采用供需双方认可的光谱仪,Cr
化学成分,%
4.1.2成品钢棒化学成分允许偏差应符合GB222-84标准中表2的规定。4.1.3钢棒应逐支用火花或看谱镜检验。4.2冶炼方法
钢采用电弧炉冶炼并经电渣重熔。4.3交货状态
钢棒以热轧或退火状态交货。以退火状态交货的钢棒硬度应不大于229HBS10/3000。4.4力学性能
4.4.1用热处理毛坏制成的试样测定钢棒纵向力学性能应符合表3的规定。2
试样毛坏直径
YB 4100—1998
热处理工艺
880℃±20℃油冷
800℃±20℃油冷
170200℃空冷
抗拉强度
力学性能不小于
伸长率
断面收缩率
冲击吸收功
4.4.2表3所列力学性能适用于直径等于80mm的钢棒。尺寸81~100mm的钢棒,允许其伸长率、断面收缩率及冲击吸收功较表3的规定分别降低1个单位、5个单位及5%;尺寸101~130mm的钢棒,允许其伸长率、断面收缩率及冲击吸收功较表3的规定分别降低2个单位、10个单位及10%。4.5淬透性
钢棒的末端淬透性应符合表4的规定。表4
硬度值,HRC
G20CrNi2MoA
4.6低倍组织和发纹
热处理制度
920℃±20℃正火
920℃±20℃水冷
距末端距离,mm
4.6.1钢棒横向酸浸试片上不应有缩孔、内部气泡、裂纹、翻皮、白点和过烧。低倍组织的中心疏松、般疏松和锭型偏析按GB1979一80标准的第一、二、三级别图评定,其合格级别均应不大于1.0级。4.6.2用塔形试样检查发纹。塔形试样尺寸第一阶梯为D一6mm,第二阶梯为D×2/3mm,第三阶梯为D×1/2mm。塔形每阶长度为50mm(D为试样直径)。钢材酸浸后用10倍放大镜检查,不得有发纹(发纹起算长度为0.6mm。在同一母线上两发纹间距小于2mm,作为一条计算。不允许有连接两阶发纹存在)。
4.7非金属夹杂物
钢棒应按YB9一68第四评级图评定非金属夹杂物。其脆性夹杂物、塑性夹杂物和点状不变形夹杂物均应不大于2.0级。
4.8晶粒度
钢棒的奥氏体晶粒度为5级~8级。采用渗碳法检验,也可以用其他方法,但仲裁时用渗碳法。4.9显微组织
钢棒的纵向带状组织应不大于3级,带状组织应在退火状态试样上检查。经供需双方协商也可在热轧状态试样上检查。采用GB/T13299一91附录A评级图中图A3带状组织评级图B系列图片。4.10表面质量
钢棒表面不得有裂纹、折叠、结疤和夹杂等缺陷。这些缺陷应清除,清除深度从实际尺寸算起不应超过该尺寸公差之半。清除宽度不小于深度的5倍。同一截面达到最大清理深度不得多于一处,不超过公差之半的个别细小划痕、压痕、麻点,允许存在。4.11超声波探伤检验
钢坏或钢棒应逐支进行超声波探伤检验。3
5试验方法
YB 4100—1998
钢棒各项检验项目的试验方法按表5的规定执行。表5
检验项目
化学戒分
拉伸试验
冲击试验
低倍组织
非金属夹杂物
带状组织
晶粒度
末端萍透性
退火硬度
超声波探伤
火花或看谱镜
6检验规则
取样数量
取样部位
GB2975不同支钢材
电渣钢头尾
6.1检查和验收
钢棒的检查和验收由供方技术监督部门进行。不同支钢材
不同支钢材
不同支钢材
试验方法
GB6397,GB228
GB1979,GB226
GB/T15711
GB/T13299
YB/T5148
GB4162B级
6.2组批规则
钢棒应按批进行检查和验收,每批由同一牌号、同一熔炼号、同一加工方法、同一尺寸、同一交货状态和同一热处理炉次(如经热处理)的钢棒组成。电渣钢可按自耗电极母炉号组批。6.3钢棒的检验
钢棒的检验项目、取样数量和取样部位应符合表5的规定。6.4复验和判定规则
所有项目检验完后,若发现某项检验结果不合格时(白点除外),允许另取双倍数量的试样,对该不合格项目进行复验。若复验仍不合格,则该批判为不合格,但供方可重新热处理或重新组批作为新的一批提交验收。
6.5需方检验及派驻厂员
需方有权按本标准进行检验或派驻供方的验收人员,对产品进行监督、检验合格后再发货。具体细则由供需双方另行商定并出具书面文件。7包装、标志及质量证明书
YB4100—1998
钢棒的包装、标志及质量证明书应符合GB2101的有关规定。供方应在质量证明书中提供电渣炉号化学成分,并在钢棒上注明母炉号。5
中华人民共和国黑色冶金
行业标准
铁路货车滚动轴承用渗碳轴承钢YB41001998
中国标准出版社出版
北京复兴门外三里河北街16号
邮政编码:100045
话:68522112
中国标准出版社秦皇岛印刷厂印刷新华书店北京发行所发行各地新华书店经售版权专有不得翻印
印张3/4字数10千字
开本880×12301/16
1999年1月第一次印刷
1999年1月第一版
印数1-1000
书号:155066·2-12454
标目360-60
小提示:此标准内容仅展示完整标准里的部分截取内容,若需要完整标准请到上方自行免费下载完整标准文档。
标准图片预览:





- 其它标准
- 热门标准
- 其他行业标准
- JB/T6313.3-2011 电工铜编织线 第3部分:直纹编织线
- TB/T3523.3-2018 交流传动电力机车试验方法 第3部分:温升、电气保护及辅助机组试验
- YS/T1168-2016 饰品用锗合金
- YS/T891-2013 高纯钛化学分析方法 痕量杂质元素的测定 辉光放电质谱法
- QX/T365-2016 气象卫星接收时间表格式
- YS/T515-2012 钨丝下垂试验方法
- YS/T940-2013 柠檬酸金钾
- JB/T9097-2011 加压叶滤机
- QX/T409-2017 农业气象观测规范 番茄
- YS/T3044-2022 铜冶炼侧吹炉协同处置氰渣技术规范
- FZ/T01159-2022 纺织品 定量化学分析 蚕丝与羊毛或其他动物毛纤维的混合物(盐酸法)
- DGJ08-2077-2010 危险性较大的分部分项工程安全管理规范
- NB/T33006-2013 电动汽车电池箱更换设备通用技术要求
- RB/T151-2016 食品微生物定量检测的测量不确定度评估指南
- QB/T4173-2011 碱性锌-二氧化锰电池隔膜
- 行业新闻
请牢记:“bzxz.net”即是“标准下载”四个汉字汉语拼音首字母与国际顶级域名“.net”的组合。 ©2025 标准下载网 www.bzxz.net 本站邮件:bzxznet@163.com
网站备案号:湘ICP备2025141790号-2
网站备案号:湘ICP备2025141790号-2