- 您的位置:
- 标准下载网 >>
- 标准分类 >>
- 其他行业标准 >>
- YB/T 10-1981桥梁用结构钢
标准号:
YB/T 10-1981
标准名称:
桥梁用结构钢
标准类别:
其他行业标准
标准状态:
现行-
发布日期:
1981-11-24 -
实施日期:
1982-01-01 出版语种:
简体中文下载格式:
.pdf .zip
部分标准内容:
中华人民共和国冶金工业部推荐标准桥
本标准适用于桥梁建筑用碳素结构钢和低含金结构钢钢板及型钢。1外形、尺寸
1.1尺寸及允许偏差
1.1.1钢板的尺寸及允许偏差应符合GB709-65《热轧厚钢板品种》的规定。经供需双方协议,钢板厚度偏差也可加严。1.1.2型钢的尺寸及允许偏差应符合有关标准的规定。1.2外形
1.2.1钢板应矫平。不平度,每米不得超过15毫米。1.2.2型钢端部的毛刺不得大于6mm。如需方要求,应将毛刺去除。2技术要求
2.1牌号和化学成分
钢的牌号和化学成分(熔炼分析)应符合表1的规定。2.1.1
0.12~0.20
10.12~0.20
16MnCuq
15MnVq
15MnVNq
0.12~0.20
0.10~0.18
0.12~0.25
0.20~0.60
0.20~0.60
0.20~0.60
0.20~0.60
0.40~0.70
1.20~1.60
1.20~1.60
1.20~1.60
1.30~1.70
不大于
YB(T)10—81
0.20~0.40
0.04~0.12
0.10~0.20
0.010~0.020
在保证各项性能符合本标准规定的情况下,钢中含碳量下限可不作为成品钢材的交货条件。经供需双方协议,16Mnq的碳含量可不大于0.18%,锰含量可不大于1.65%。经供需双方协议,15MnVNq的磷、硫含量可各不大于0.030%。2.1.1.415MnVNq应用铝脱氧,钢中酸溶铝含量不小于0.015%,但暂不作为交货条件。:钢中的残余元素铬、镍和铜含量各不大于0.30%。供方如能保证残余元素符合本标准规2.1.1.5
定,可不进行分析。
中华人民共和国冶金工业部1981-11-24发布1982-01-01实施
YB(T)10—81
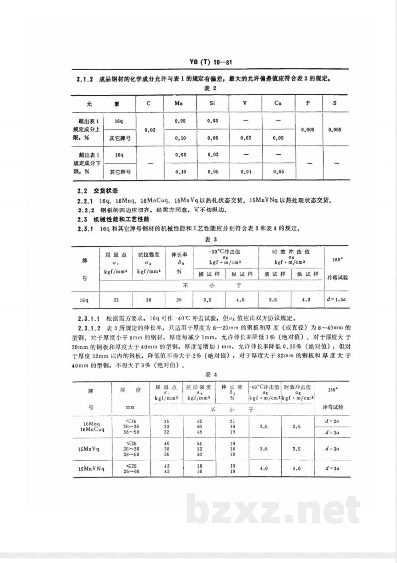
成品钢材的化学成分允许与表1的规定有偏差,量最大的允许偏秦值应符含表2的规定。2.1.2
超出表1
规定成分上
限,%
超出表1
规定成分下
限,%
其它牌号
其它牌号
2.2交货状态
2.2.116q、16Mnq、16MnCuq、15MnVq以热轧状态交货。15MnVNq以热处理状态交货。2.2.2钢板的四边应切齐。经需方同意,可不切纵边。2.3机械性能和工艺性能
16q和其它牌号钢材的机械性能和工艺性能应分别符含表3和表4的规定。2.3.1
屈服点
kgf/mm2
抗拉强度
kgf/mm2
伸长率
-20℃冲击值
kgf.m/cm2
横试样
纵试样
时效冲击值
kgf·m/cm2
横试样
根据需方要求,16q可作-40℃冲击试验,但,值应由双方协议规定。
纵试样
冷弯试验
2.3.1.2表3所规定的伸长率,只适用于厚度为8~20mm的钢板和厚度(或直径)为8~40mm的型钢。对于厚度小于8mm的钢材,厚度每减少1mm,允许伸长率降低1%(绝对值)。对于厚度大于20mm的钢板和厚度大于40mm的型钢,厚度每增加1mm,允许伸长率降低0.25%(绝对值):但对于厚度32mm以内的钢板,降低值不得大于2%(绝对值),对于厚度大于32mm的钢板和厚度大于40mm的型钢,不得大于3%(绝对值)表4
16MnCuq
15MnVq
15MnVNq
属服点
kgf/mm2
抗拉强度
kgf/mmz
伸长率
-40°C冲击值时效冲击值
kgfm/cm2jkgf.m/cm2
冷弯试验
YB (T) 10—81
2.3.2冲击值按3个或2个试样试验结果的算术平均值计算。低温冲击试验允许有1个试样的冲击值比规定的低0.5kgf·m/cm2。
2.3.3根据需方要求,可提供V型缺口冲击试验数据,但暂不作为交货条件。2.4断口
2.4.1厚度大于12mm的钢板应作断口检验。断口的组织应均匀,不得有肉眼可见的缩孔残余、气泡、夹杂、贯穿断口的裂纹和两条三分之二断口长的裂纹,2.4.2断口检验试样长度不小于250mm,宽度为60mm,刻槽深度为20mm。在室温下瞬时打断。2.5表面质量
钢板和型钢表面不得有气泡、结疤、裂纹、夹杂、折叠。钢板不得有分层。如表面有上述缺陷,允许清除,清除深度不得超过钢材厚度允许公差之半;其它缺陷允许存在。但均应保证钢材的最小厚度。清除处应圆滑无棱角,型钢表面缺陷不得横向铲除。3试验方法
每批钢材检验的试样数量、取样方法和试验方法应符合表5的规定。表5
4检验规则
检验项目
化学成分
低温冲击
时效冲击
试样数量
(每个罐号)
取样方法
GB222-—63bzxZ.net
YB15—64
YB15—64
YB15—64
YB15—64
YB15—64
试验方法
GB223—63
YB35(1-28)—78
GB228—76
GB232—63
YB19-64
GB2106-80
YB30—-64
GB1814—79
4.1钢材应成批验收。每批应由同一炉罐号、同一品种尺寸、同一轧制制度和同一热处理制度的钢材组成,重量不得大于60吨。
4.2钢材的复验应符合GB247一80《钢板和钢带验收、包装、标志及质量证明书的一般规定》、GB2101一80《型钢验收、包装、标志及质量证明书的一般规定》的规定。包装、标志及质量证明书
钢材的包装、标志及质量证明书应符合GB247-80、GB210180的有关规定。附加说明:
本标准由冶金工业部标准化研究所提出。本标准由冶金工业部标准化研究所起草。本标准主要起草人唐一凡。
本标准由冶金工业部标准化研究所负责解释。
小提示:此标准内容仅展示完整标准里的部分截取内容,若需要完整标准请到上方自行免费下载完整标准文档。
本标准适用于桥梁建筑用碳素结构钢和低含金结构钢钢板及型钢。1外形、尺寸
1.1尺寸及允许偏差
1.1.1钢板的尺寸及允许偏差应符合GB709-65《热轧厚钢板品种》的规定。经供需双方协议,钢板厚度偏差也可加严。1.1.2型钢的尺寸及允许偏差应符合有关标准的规定。1.2外形
1.2.1钢板应矫平。不平度,每米不得超过15毫米。1.2.2型钢端部的毛刺不得大于6mm。如需方要求,应将毛刺去除。2技术要求
2.1牌号和化学成分
钢的牌号和化学成分(熔炼分析)应符合表1的规定。2.1.1
0.12~0.20
10.12~0.20
16MnCuq
15MnVq
15MnVNq
0.12~0.20
0.10~0.18
0.12~0.25
0.20~0.60
0.20~0.60
0.20~0.60
0.20~0.60
0.40~0.70
1.20~1.60
1.20~1.60
1.20~1.60
1.30~1.70
不大于
YB(T)10—81
0.20~0.40
0.04~0.12
0.10~0.20
0.010~0.020
在保证各项性能符合本标准规定的情况下,钢中含碳量下限可不作为成品钢材的交货条件。经供需双方协议,16Mnq的碳含量可不大于0.18%,锰含量可不大于1.65%。经供需双方协议,15MnVNq的磷、硫含量可各不大于0.030%。2.1.1.415MnVNq应用铝脱氧,钢中酸溶铝含量不小于0.015%,但暂不作为交货条件。:钢中的残余元素铬、镍和铜含量各不大于0.30%。供方如能保证残余元素符合本标准规2.1.1.5
定,可不进行分析。
中华人民共和国冶金工业部1981-11-24发布1982-01-01实施
YB(T)10—81
成品钢材的化学成分允许与表1的规定有偏差,量最大的允许偏秦值应符含表2的规定。2.1.2
超出表1
规定成分上
限,%
超出表1
规定成分下
限,%
其它牌号
其它牌号
2.2交货状态
2.2.116q、16Mnq、16MnCuq、15MnVq以热轧状态交货。15MnVNq以热处理状态交货。2.2.2钢板的四边应切齐。经需方同意,可不切纵边。2.3机械性能和工艺性能
16q和其它牌号钢材的机械性能和工艺性能应分别符含表3和表4的规定。2.3.1
屈服点
kgf/mm2
抗拉强度
kgf/mm2
伸长率
-20℃冲击值
kgf.m/cm2
横试样
纵试样
时效冲击值
kgf·m/cm2
横试样
根据需方要求,16q可作-40℃冲击试验,但,值应由双方协议规定。
纵试样
冷弯试验
2.3.1.2表3所规定的伸长率,只适用于厚度为8~20mm的钢板和厚度(或直径)为8~40mm的型钢。对于厚度小于8mm的钢材,厚度每减少1mm,允许伸长率降低1%(绝对值)。对于厚度大于20mm的钢板和厚度大于40mm的型钢,厚度每增加1mm,允许伸长率降低0.25%(绝对值):但对于厚度32mm以内的钢板,降低值不得大于2%(绝对值),对于厚度大于32mm的钢板和厚度大于40mm的型钢,不得大于3%(绝对值)表4
16MnCuq
15MnVq
15MnVNq
属服点
kgf/mm2
抗拉强度
kgf/mmz
伸长率
-40°C冲击值时效冲击值
kgfm/cm2jkgf.m/cm2
冷弯试验
YB (T) 10—81
2.3.2冲击值按3个或2个试样试验结果的算术平均值计算。低温冲击试验允许有1个试样的冲击值比规定的低0.5kgf·m/cm2。
2.3.3根据需方要求,可提供V型缺口冲击试验数据,但暂不作为交货条件。2.4断口
2.4.1厚度大于12mm的钢板应作断口检验。断口的组织应均匀,不得有肉眼可见的缩孔残余、气泡、夹杂、贯穿断口的裂纹和两条三分之二断口长的裂纹,2.4.2断口检验试样长度不小于250mm,宽度为60mm,刻槽深度为20mm。在室温下瞬时打断。2.5表面质量
钢板和型钢表面不得有气泡、结疤、裂纹、夹杂、折叠。钢板不得有分层。如表面有上述缺陷,允许清除,清除深度不得超过钢材厚度允许公差之半;其它缺陷允许存在。但均应保证钢材的最小厚度。清除处应圆滑无棱角,型钢表面缺陷不得横向铲除。3试验方法
每批钢材检验的试样数量、取样方法和试验方法应符合表5的规定。表5
4检验规则
检验项目
化学成分
低温冲击
时效冲击
试样数量
(每个罐号)
取样方法
GB222-—63bzxZ.net
YB15—64
YB15—64
YB15—64
YB15—64
YB15—64
试验方法
GB223—63
YB35(1-28)—78
GB228—76
GB232—63
YB19-64
GB2106-80
YB30—-64
GB1814—79
4.1钢材应成批验收。每批应由同一炉罐号、同一品种尺寸、同一轧制制度和同一热处理制度的钢材组成,重量不得大于60吨。
4.2钢材的复验应符合GB247一80《钢板和钢带验收、包装、标志及质量证明书的一般规定》、GB2101一80《型钢验收、包装、标志及质量证明书的一般规定》的规定。包装、标志及质量证明书
钢材的包装、标志及质量证明书应符合GB247-80、GB210180的有关规定。附加说明:
本标准由冶金工业部标准化研究所提出。本标准由冶金工业部标准化研究所起草。本标准主要起草人唐一凡。
本标准由冶金工业部标准化研究所负责解释。
小提示:此标准内容仅展示完整标准里的部分截取内容,若需要完整标准请到上方自行免费下载完整标准文档。
标准图片预览:



- 其它标准
- 热门标准
- 其他行业标准
- JB/T6313.3-2011 电工铜编织线 第3部分:直纹编织线
- TB/T3523.3-2018 交流传动电力机车试验方法 第3部分:温升、电气保护及辅助机组试验
- YS/T1168-2016 饰品用锗合金
- YS/T891-2013 高纯钛化学分析方法 痕量杂质元素的测定 辉光放电质谱法
- QX/T365-2016 气象卫星接收时间表格式
- YS/T515-2012 钨丝下垂试验方法
- YS/T940-2013 柠檬酸金钾
- JB/T9097-2011 加压叶滤机
- QX/T409-2017 农业气象观测规范 番茄
- YS/T3044-2022 铜冶炼侧吹炉协同处置氰渣技术规范
- FZ/T01159-2022 纺织品 定量化学分析 蚕丝与羊毛或其他动物毛纤维的混合物(盐酸法)
- DGJ08-2077-2010 危险性较大的分部分项工程安全管理规范
- NB/T33006-2013 电动汽车电池箱更换设备通用技术要求
- RB/T151-2016 食品微生物定量检测的测量不确定度评估指南
- QB/T4173-2011 碱性锌-二氧化锰电池隔膜
- 行业新闻
请牢记:“bzxz.net”即是“标准下载”四个汉字汉语拼音首字母与国际顶级域名“.net”的组合。 ©2025 标准下载网 www.bzxz.net 本站邮件:bzxznet@163.com
网站备案号:湘ICP备2025141790号-2
网站备案号:湘ICP备2025141790号-2