- 您的位置:
- 标准下载网 >>
- 标准分类 >>
- 其他行业标准 >>
- YB/T 4464-2015离心球墨铸铁管用生铁
标准号:
YB/T 4464-2015
标准名称:
离心球墨铸铁管用生铁
标准类别:
其他行业标准
英文名称:
Pig iron used for centrifugal ductile iron pipes标准状态:
现行-
发布日期:
2015-04-30 -
实施日期:
2015-10-01 出版语种:
简体中文下载格式:
.pdf .zip
点击下载
标准简介:
本标准规定了离心球墨铸铁管用生铁的技术要求、试验方法、检验规则、运输和质量证明书。本标准适用于离心球墨铸铁管用生铁、铁液。
本标准按照GB/T 1.1-2009给出的规则起草。
本标准由中国钢铁工业协会提出。
本标准由全国生铁及铁合金标准化技术委员会(SAC/TC 318)归口。
本标准起草单位:安钢集团永球墨铸铁管有限责任公司、繁昌县金科机电科技有限公司、中国铸造协会铸管及管件分会、冶金工业信息标准研究院。
本标准主要起草人:叶斌、孙涛、王海玲、俞学林、俞学敏、芮开丰、薛纪二、胡家骢、陈自斌。
本标准为首次发布。
部分标准内容:
ICS77.080.10
中华人民共和国黑色冶金行业标准YB/T4464—2015
离心球墨铸铁管用生铁
Pig iron used for centrifugal ductile iron pipes2015-04-30发布
中华人民共和国工业和信息化部2015-10-01实施
本标准按照GB/T1.1一2009给出的规则起草。本标准由中国钢铁工业协会提出。本标准由全国生铁及铁合金标准化技术委员会(SAC/TC318)归口。YB/T4464—2015
本标准起草单位:安钢集团永通球墨铸铁管有限责任公司、繁昌县金科机电科技有限公司、中国铸造协会铸管及管件分会、冶金工业信息标准研究院。本标准主要起草人:叶斌、孙涛、王海玲、俞学林、俞学敏、芮开丰、薛纪二、胡家驷、陈自斌。本标准为首次发布。
1范围
离心球墨铸铁管用生铁
YB/T4464—2015
本标准规定了离心球墨铸铁管用生铁的技术要求、试验方法、检验规则、运输和质量证明书。本标准适用于离心球墨铸铁管用生铁、铁液。2规范性引用文件
下列文件对于本文件的应用是必不可少的。凡是注日期的引用文件,仅所注日期的版本适用于本文件。凡是不注日期的引用文件,其最新版本(包括所有的修改单)适用于本文件。GB/T223.5钢铁酸溶硅和全硅含量的测定还原型硅钼酸盐分光光度法GB/T223.12
GB/T223.14
GB/T223.17
GB/T223.29
GB/T223.47
GB/T223.48
GB/T223.50
GB/T223.53
GB/T223.59
GB/T223.64
GB/T223.80
GB/T223.85
GB/T223.86
GB/T20066
GB/T20123
3技术要求
钢铁及合金化学分析方法碳酸钠分离-二苯碳酰二肼光度法测定铬量钢铁及合金化学分析方法钼试剂萃取光度法测定钒含量钢铁及合金化学分析方法二安替比林甲烷光度法测定钛量钢铁及合金铅含量的测定载体沉淀-二甲酚橙分光光度法钢铁及合金化学分析方法载体沉淀-钼蓝光度法测定锑量钢铁及合金化学分析方法半二甲酚橙光度法测定铋量钢铁及合金化学分析方法苯基荧光酮-溴化十六烷基三甲基胺直接光度法测定锡量钢铁及合金化学分析方法火焰原子吸收分光光度法测定铜量钢铁及合金磷含量的测定铋磷钼蓝分光光度法和锑磷钼蓝分光光度法钢铁及合金
锰含量的测定火焰原子吸收光谱法钢铁及合金
铋和砷含量的测定氢化物发生-原子荧光光谱法硫含量的测定感应炉燃烧后红外吸收法钢铁及合金
钢铁及合金总碳含量的测定感应炉燃烧后红外吸收法钢和铁化学成分测定用试样的取样和制样方法钢铁总碳硫含量的测定高频感应炉燃烧后红外吸收法(常规方法)3.1牌号及化学成分
3.1.1生铁的牌号由代表“球”“管”字汉语拼音的首位字母QG和代表硅含量的数字组成。离心球墨铸铁管用生铁牌号及化学成分应符合表1的规定。3.1.2
表1离心球墨铸铁管用生铁牌号及化学成分牌号
基本元素
>0.50~1.00
%(质量分数)
>1.00~1.40
>0.20~0.50
>0.050~0.080
>0.015~0.030
YB/T4464—2015
合金及杂质元素
表1离心球墨铸铁管用生铁牌号及化学成分(续)牌号
>0.050~0.080
注:合金及杂质元素总含量:ZT=Ti%+Cr%+Sn%+V%+Sb%+Pb%+As%+Bi%<0.1%。3.1.3各牌号生铁必须做含碳量的分析3.1.4需方对生铁化学成分有特殊要求时,由供需双方协商规定。3.2交货状态
各牌号生铁应以铁块或铁液形态交货。3.3块重
3.3.1当生铁铸成块状时,各牌号生铁应铸成单重2kg~7kg的小块,而大于7kg与小于2kg的铁块之和,每批中应不超过总重量的10%3.3.2根据需方要求,可供应单重不大于40kg的铁块。同时铁块上应有1道~2道深度不小于铁锭厚度三分之二的凹槽。
3.4表面要求
铁块表面要洁净,如表面有炉渣和砂粒,应清除掉,但允许附有石灰和石墨。试验方法
4.1取样
取样按GB/T20066规定执行。免费标准bzxz.net
化学分析方法
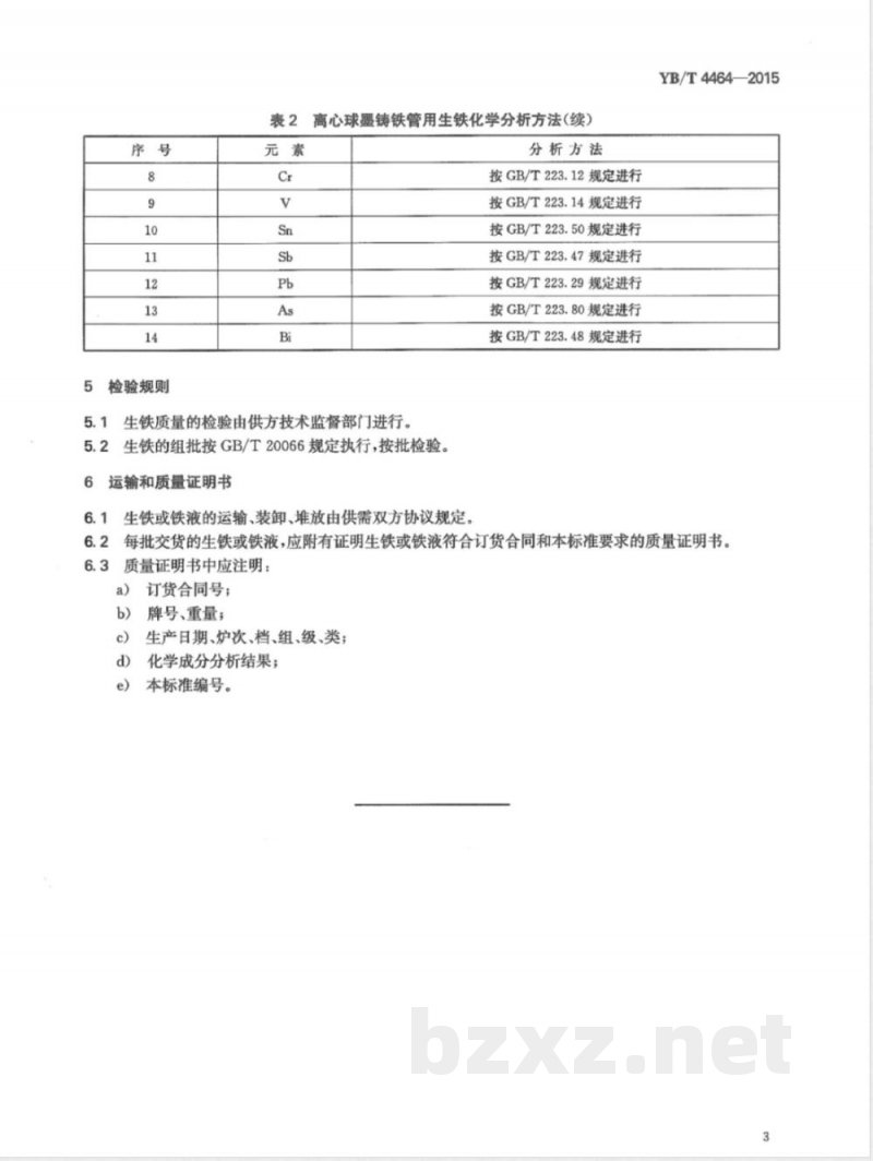
离心球墨铸铁管用生铁化学分析方法应符合表2的规定。表2
2离心球墨铸铁管用生铁化学分析方法序号
分析方法
按GB/T223.85和GB/T20123规定进行按GB/T223.86和GB/T20123规定进行按GB/T223.59规定进行
按GB/T223.5规定进行
按GB/T223.64规定进行
按GB/T223.17规定进行
按GB/T223.53规定进行
检验规则
离心球墨铸铁管用生铁化学分析方法(续)分析方法
按GB/T223.12规定进行
按GB/T223.14规定进行
按GB/T223.50规定进行
按GB/T223.47规定进行
按GB/T223.29规定进行
按GB/T223.80规定进行
按GB/T223.48规定进行
生铁质量的检验由供方技术监督部门进行。生铁的组批按GB/T20066规定执行,按批检验。运输和质量证明书
生铁或铁液的运输、装卸、堆放由供需双方协议规定。YB/T4464—2015
每批交货的生铁或铁液,应附有证明生铁或铁液符合订货合同和本标准要求的质量证明书。质量证明书中应注明:
订货合同号;
牌号、重量;
生产日期、炉次、档、组、级、类;化学成分分析结果;
本标准编号。
155024-0761
15502407615
中华人民共和国黑色冶金
行业标准
离心球墨铸铁管用生铁
YB/T4464—2015
冶金工业出版社出版发行
北京北河沿大街嵩祝院北巷39号邮政编码:100009
北京七彩京通数码快印有限公司印刷各地新华书店经销
开本880×12301/16印张0.5字数12千字2015年9月第一版
2015年9月第一次印刷
统一书号:155024·0761
定价:15.00元
小提示:此标准内容仅展示完整标准里的部分截取内容,若需要完整标准请到上方自行免费下载完整标准文档。
中华人民共和国黑色冶金行业标准YB/T4464—2015
离心球墨铸铁管用生铁
Pig iron used for centrifugal ductile iron pipes2015-04-30发布
中华人民共和国工业和信息化部2015-10-01实施
本标准按照GB/T1.1一2009给出的规则起草。本标准由中国钢铁工业协会提出。本标准由全国生铁及铁合金标准化技术委员会(SAC/TC318)归口。YB/T4464—2015
本标准起草单位:安钢集团永通球墨铸铁管有限责任公司、繁昌县金科机电科技有限公司、中国铸造协会铸管及管件分会、冶金工业信息标准研究院。本标准主要起草人:叶斌、孙涛、王海玲、俞学林、俞学敏、芮开丰、薛纪二、胡家驷、陈自斌。本标准为首次发布。
1范围
离心球墨铸铁管用生铁
YB/T4464—2015
本标准规定了离心球墨铸铁管用生铁的技术要求、试验方法、检验规则、运输和质量证明书。本标准适用于离心球墨铸铁管用生铁、铁液。2规范性引用文件
下列文件对于本文件的应用是必不可少的。凡是注日期的引用文件,仅所注日期的版本适用于本文件。凡是不注日期的引用文件,其最新版本(包括所有的修改单)适用于本文件。GB/T223.5钢铁酸溶硅和全硅含量的测定还原型硅钼酸盐分光光度法GB/T223.12
GB/T223.14
GB/T223.17
GB/T223.29
GB/T223.47
GB/T223.48
GB/T223.50
GB/T223.53
GB/T223.59
GB/T223.64
GB/T223.80
GB/T223.85
GB/T223.86
GB/T20066
GB/T20123
3技术要求
钢铁及合金化学分析方法碳酸钠分离-二苯碳酰二肼光度法测定铬量钢铁及合金化学分析方法钼试剂萃取光度法测定钒含量钢铁及合金化学分析方法二安替比林甲烷光度法测定钛量钢铁及合金铅含量的测定载体沉淀-二甲酚橙分光光度法钢铁及合金化学分析方法载体沉淀-钼蓝光度法测定锑量钢铁及合金化学分析方法半二甲酚橙光度法测定铋量钢铁及合金化学分析方法苯基荧光酮-溴化十六烷基三甲基胺直接光度法测定锡量钢铁及合金化学分析方法火焰原子吸收分光光度法测定铜量钢铁及合金磷含量的测定铋磷钼蓝分光光度法和锑磷钼蓝分光光度法钢铁及合金
锰含量的测定火焰原子吸收光谱法钢铁及合金
铋和砷含量的测定氢化物发生-原子荧光光谱法硫含量的测定感应炉燃烧后红外吸收法钢铁及合金
钢铁及合金总碳含量的测定感应炉燃烧后红外吸收法钢和铁化学成分测定用试样的取样和制样方法钢铁总碳硫含量的测定高频感应炉燃烧后红外吸收法(常规方法)3.1牌号及化学成分
3.1.1生铁的牌号由代表“球”“管”字汉语拼音的首位字母QG和代表硅含量的数字组成。离心球墨铸铁管用生铁牌号及化学成分应符合表1的规定。3.1.2
表1离心球墨铸铁管用生铁牌号及化学成分牌号
基本元素
>0.50~1.00
%(质量分数)
>1.00~1.40
>0.20~0.50
>0.050~0.080
>0.015~0.030
YB/T4464—2015
合金及杂质元素
表1离心球墨铸铁管用生铁牌号及化学成分(续)牌号
>0.050~0.080
注:合金及杂质元素总含量:ZT=Ti%+Cr%+Sn%+V%+Sb%+Pb%+As%+Bi%<0.1%。3.1.3各牌号生铁必须做含碳量的分析3.1.4需方对生铁化学成分有特殊要求时,由供需双方协商规定。3.2交货状态
各牌号生铁应以铁块或铁液形态交货。3.3块重
3.3.1当生铁铸成块状时,各牌号生铁应铸成单重2kg~7kg的小块,而大于7kg与小于2kg的铁块之和,每批中应不超过总重量的10%3.3.2根据需方要求,可供应单重不大于40kg的铁块。同时铁块上应有1道~2道深度不小于铁锭厚度三分之二的凹槽。
3.4表面要求
铁块表面要洁净,如表面有炉渣和砂粒,应清除掉,但允许附有石灰和石墨。试验方法
4.1取样
取样按GB/T20066规定执行。免费标准bzxz.net
化学分析方法
离心球墨铸铁管用生铁化学分析方法应符合表2的规定。表2
2离心球墨铸铁管用生铁化学分析方法序号
分析方法
按GB/T223.85和GB/T20123规定进行按GB/T223.86和GB/T20123规定进行按GB/T223.59规定进行
按GB/T223.5规定进行
按GB/T223.64规定进行
按GB/T223.17规定进行
按GB/T223.53规定进行
检验规则
离心球墨铸铁管用生铁化学分析方法(续)分析方法
按GB/T223.12规定进行
按GB/T223.14规定进行
按GB/T223.50规定进行
按GB/T223.47规定进行
按GB/T223.29规定进行
按GB/T223.80规定进行
按GB/T223.48规定进行
生铁质量的检验由供方技术监督部门进行。生铁的组批按GB/T20066规定执行,按批检验。运输和质量证明书
生铁或铁液的运输、装卸、堆放由供需双方协议规定。YB/T4464—2015
每批交货的生铁或铁液,应附有证明生铁或铁液符合订货合同和本标准要求的质量证明书。质量证明书中应注明:
订货合同号;
牌号、重量;
生产日期、炉次、档、组、级、类;化学成分分析结果;
本标准编号。
155024-0761
15502407615
中华人民共和国黑色冶金
行业标准
离心球墨铸铁管用生铁
YB/T4464—2015
冶金工业出版社出版发行
北京北河沿大街嵩祝院北巷39号邮政编码:100009
北京七彩京通数码快印有限公司印刷各地新华书店经销
开本880×12301/16印张0.5字数12千字2015年9月第一版
2015年9月第一次印刷
统一书号:155024·0761
定价:15.00元
小提示:此标准内容仅展示完整标准里的部分截取内容,若需要完整标准请到上方自行免费下载完整标准文档。
标准图片预览:





- 其它标准
- 热门标准
- 其他行业标准
- JB/T6313.3-2011 电工铜编织线 第3部分:直纹编织线
- TB/T3523.3-2018 交流传动电力机车试验方法 第3部分:温升、电气保护及辅助机组试验
- YS/T1168-2016 饰品用锗合金
- YS/T891-2013 高纯钛化学分析方法 痕量杂质元素的测定 辉光放电质谱法
- QX/T365-2016 气象卫星接收时间表格式
- YS/T515-2012 钨丝下垂试验方法
- YS/T940-2013 柠檬酸金钾
- JB/T9097-2011 加压叶滤机
- QX/T409-2017 农业气象观测规范 番茄
- YS/T3044-2022 铜冶炼侧吹炉协同处置氰渣技术规范
- FZ/T01159-2022 纺织品 定量化学分析 蚕丝与羊毛或其他动物毛纤维的混合物(盐酸法)
- DGJ08-2077-2010 危险性较大的分部分项工程安全管理规范
- NB/T33006-2013 电动汽车电池箱更换设备通用技术要求
- RB/T151-2016 食品微生物定量检测的测量不确定度评估指南
- QB/T4173-2011 碱性锌-二氧化锰电池隔膜
- 行业新闻
请牢记:“bzxz.net”即是“标准下载”四个汉字汉语拼音首字母与国际顶级域名“.net”的组合。 ©2025 标准下载网 www.bzxz.net 本站邮件:bzxznet@163.com
网站备案号:湘ICP备2025141790号-2
网站备案号:湘ICP备2025141790号-2