- 您的位置:
- 标准下载网 >>
- 标准分类 >>
- 其他行业标准 >>
- FZ/T 92044-2011酚醛塑料槽筒
标准号:
FZ/T 92044-2011
标准名称:
酚醛塑料槽筒
标准类别:
其他行业标准
英文名称:
Bakelite grooved drum标准状态:
现行-
发布日期:
2011-05-18 -
实施日期:
2011-08-01 出版语种:
简体中文下载格式:
.pdf .zip下载大小:
848.39 KB
标准ICS号:
纺织和皮革技术>>59.120纺织机械中标分类号:
纺织>>纺织机械与器具>>W92纺织机械用电气与自动化控制装置
替代情况:
替代FZ/T 92044-1995
起草人:
左英英起草单位:
天津宏大纺织机械有限公司提出单位:
中国纺织工业协会发布部门:
中华人民共和国工业和信息化部主管部门:
全国纺织机械与附件标准化技术委员会(SAC/TC 215)相关标签:
酚醛塑料
点击下载
标准简介:
本标准规定了酚醛塑料槽筒的产品代号及基本结构参数、要求、导纱试验、检验规则、标志及包装、运输、贮存。
本标准适用于交叉卷绕棉、毛及化学纤维纱线的非自动络筒机用的酚醛塑料槽筒。
本标准也适用于并纱机及气流纺纱机用酚醛塑料槽筒。
class="f14" style="padding-top:10px; padding-left:12px; padding-bottom:10px;">
本标准按照GB/T1.1—2009给出的规则起草。
本标准代替FZ/T92044—1995《酚醛塑料槽筒》。
本标准与FZ/T92044—1995的主要差异如下:
———增加了该标准的英文名称;
———增加了前言;
———增加了第1章“范围”;
———增加了第2章“规范性引用文件”,将原引用标准中已修订的标准转换为现行标准;
———增加了标志、运输等内容;
———其他一些编辑性修改。
本标准由中国纺织工业协会提出。
本标准由全国纺织机械与附件标准化技术委员会(SAC/TC215)归口。
本标准起草单位:天津宏大纺织机械有限公司。
本标准主要起草人:左英英。
本标准所代替标准的历次版本发布情况为:
———FJ/JQ211—88;
———FZ/T92044—1995。
下列文件对于本文件的应用是必不可少的。凡是注日期的引用文件,仅注日期的版本适用于本文件。凡是不注日期的引用文件,其最新版本(包括所有的修改单)适用于本文件。
GB/T191 包装储运图示标志
GB1404.3 塑料 粉状酚醛模塑料 第3部分:选定模塑料的要求
FZ/T90001 纺织机械产品包装
FZ/T94043—2011 络筒机
部分标准内容:
中华人民共和国纺织行业标准
FZ/T92044—2011
代替FZ/T92044--1995
酚醛塑料槽筒
Bakelitegrooved drum
2011-05-18发布
中华人民共和国工业和信息化部发布
2011-08-01实施
本标准按照GB/T1.1--2009给出的规则起草。本标准代替FZ/T92044—1995《酚醛塑料槽筒》。本标准与FZ/T92044—1995的主要差异如下:增加了该标准的英文名称:
-增加了前言;
增加了第1章“范围”;
FZ/T92044—2011
增加了第2章“规范性引用文件”,将原引用标准中已修订的标准转换为现行标准;增加了标志、运输等内容;
其他一些编辑性修改。
本标准由中国纺织工业协会提出。本标准由全国纺织机械与附件标准化技术委员会(SAC/TC215)归口。本标准起草单位:天津宏大纺织机械有限公司。本标准主要起草人:左英英。
本标准所代替标准的历次版本发布情况为:FJ/JQ211-88;
FZ/T92044—1995。
1范围
酚醛塑料槽筒
FZ/T92044—2011
本标准规定了酚醛塑料槽简的产品代号及基本结构参数、要求、导纱试验、检验规则、标志及包装、运输、贮存。
本标准适用于交叉卷绕棉、毛及化学纤维纱线的非自动络简机用的酚醛塑料槽简。本标准也适用于并纱机及气流纺纱机用酚醛塑料槽筒。2规范性引用文件
下列文件对于本文件的应用是必不可少的。凡是注日期的引用文件,仅注日期的版本适用于本文件。凡是不注日期的引用文件,其最新版本(包括所有的修改单)适用于本文件。GB/T191
包装储运图示标志
GB1404.3塑料粉状酚醛模塑料第3部分:选定模塑料的要求FZ/T90001纺织机械产品包装
FZ/T94043—2011络筒机
3产品代号及基本结构参数
3.1产品代号
一掌生型代号(用拉丁字母表示)导纱糖动程
-导纱槽围数
酚醛塑料槽简代号(用汉语拼音字母)示例:
擎生型代号(尼表1)
导纱槽动程155mm
导纱情围数 2.5 圈
酚醛塑料槽筒代号
FZ/T 92044—2011
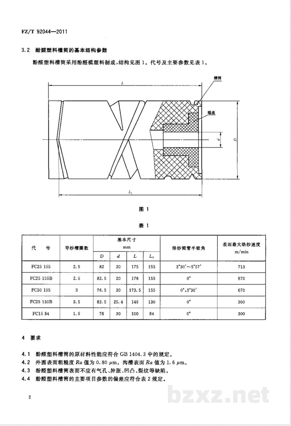
3.2酚醛塑料槽筒的基本结构参数酚醛塑料槽筒采用酚醛模塑料制成,结构见图1。代号及主要参数见表1。L
基本尺寸
FC25155
FC25155B
FC30155
FC25130B
FC1584
4要求
导纱槽圈数
4.1酚醛塑料槽简的原材料性能应符合GB1404.3中的规定。络纱简管半锥角
3°30~~5°57
0°,3°30*
4.2外圆表面粗糙度Ra值为0.80μm。沟槽表面Ra值为1.6μm。4.3酚醛塑料槽简表面不应有气孔、肿胀、凹凸、裂纹等缺陷。4.4酚醛塑料槽簡的主要项目参数的偏差应符合表2规定。2
表面最大络纱速度
长度偏差
外径偏差
内径偏差
外圆径向跳动
试验方法
FC25155
FC25155B
FC30155
酚醛塑料槽筒项目参数的检测方法应符合表3规定。表3
长度偏差
外径偏差
内径偏差
外圆径向跳动
FC25155FC25155BFC30155FC25130BFC1584±0.5
5.2酚醛塑料槽簡导纱性能在专用导纱试验机上进行。FZ/T92044--2011
单位为毫米
FC25130B
FC1584
单位为毫米
检测方式
专用卡规检测
离两端面10mm处,用专用卡
专用塞规检测
拧紧螺钉,固定芯轴上,两端V
型铁支承。离两端面5mm处用
百分表测量
5.3FC25155酚醛料槽简导纱性能在数字显示导纱试验机上进行。其导纱质量指标为在半分钟内纱线两端不到头次数不超过6次。其导纱试验条件应符合FZ/T94043一2011中5.2的规定。5.4酚醛塑料槽简在4000r/min条件下,在防爆试验机上进行防爆试验,每次抽验10只,2min内不得爆裂。bZxz.net
6检验规则
酚醛塑料槽筒在4000r/min条件下,在防爆试验机上进行防爆试验,每半年至少测试一次。6.1
6.2产品须经制造厂质量检查部门检查合格后方能出厂,并附有产品合格证。6.3用户有权按本标准复验产品质量,如发现产品有不符合本标准规定时,由制造厂负资调换。7标志、包装、运输、购存
7.1标志
每个酚醛塑料槽简的单衡法兰盘侧面上应标志厂标或商标,符合GB/T191的规定。FZ/T 92044—2011
2包装
产品的包装应符合FZ/T90001的规定。包装材料采用瓦楞纸箱。7.3运输
产品包装箱在运输中,应按规定的起吊位置起吊,并按规定的朝向放置,不得颠倒或改变方向。4赔存
产品应放在干燥、避风,室温在一5℃~40℃的库房内贮存。
小提示:此标准内容仅展示完整标准里的部分截取内容,若需要完整标准请到上方自行免费下载完整标准文档。
标准图片预览:





- 其它标准
- 热门标准
- 其他行业标准
- QB/T4785-2015 往复锯条
- FZ/T54132-2022 循环再利用涤纶膨体长丝(BCF)
- QB/T4698-2014 家用和类似用途软水机
- NB/T31048.1-2014 风力发电机用绕组线 第1部分 一般规定
- FZ/T66310-1995 特种工业用厚型带
- FZ/T92019-2021 棉纺环锭细纱机牵伸下罗拉
- QB/T1880-2008 自行车 车架
- FZ/T54073-2014 有光异形锦纶6预取向丝
- FZ/T54110-2019 涤纶中取向丝(MOY)
- FZ/T54118-2019 高收缩涤纶牵伸丝/涤纶预取向丝混纤丝
- FZ/T54114-2019 有色锦纶6牵伸丝
- QB/T1543-2014 钟用锡磷青铜带
- FZ/T54112-2019 聚对苯二甲酸丙二酯(PTT)膨体长丝(BCF)
- QB/T4922-2016 工业用缝纫机 计算机控制圆头锁钮孔缝纫机
- FZ/T61001-2019 纯毛、毛混纺毛毯
- 行业新闻
网站备案号:湘ICP备2025141790号-2