- 您的位置:
- 标准下载网 >>
- 标准分类 >>
- 其他行业标准 >>
- FZ/T 12007-2014普梳棉维混纺本色纱线
标准号:
FZ/T 12007-2014
标准名称:
普梳棉维混纺本色纱线
标准类别:
其他行业标准
英文名称:
Carded cotton and vinylon blended grey yarn标准状态:
现行-
发布日期:
2014-10-14 -
实施日期:
2015-04-01 出版语种:
简体中文下载格式:
.pdf .zip
替代情况:
替代FZ/T 12007-2005

点击下载
标准简介:
本标准规定了棉与维纶(棉型短纤维)混纺,棉纤维含量在50%及以上的普梳棉维混纺本色纱线产品的分类、标记、要求、试验方法、检验规则和标志、包装。
本标准适用于环锭纺普梳棉维混纺本色纱线。
本标准不适用于特种用途的普梳棉维混纺本色纱线。
本标准按照GB/T1.1—2009给出的规则起草。
本标准代替FZ/T12007—2005《棉维混纺本色纱线》。
本标准与FZ/T12007—2005比较主要变化如下:
———调整了标准名称,修改为“普梳棉维混纺本色纱线”;
———修改了第3章分类,将100m 标准质量和标准干燥质量的计算放入附录B中,删除线密度要求内容;
———技术要求中,调整了公称线密度范围,修改了部分项目名称,条干均匀度考核仅保留条干均匀度变异系数;
———对断裂强力变异系数、线密度变异系数、条干均匀度变异系数等指标进行了调整;
———取消顺降指标考核,按技术要求中最低一项品等评定。
本标准由中国纺织工业联合会提出。
本标准由全国纺织品标准化技术委员会棉纺织印染分技术委员会(SAC/TC209/SC2)归口。
本标准起草单位:浙江春江轻纺集团有限责任公司、青岛纺联控股集团公司、中国棉纺织行业协会、上海市纺织工业技术监督所。
本标准主要起草人:陈乃英、董晓卫、张建辉、景慎全、王憬义。
本标准所代替标准的历次版本发布情况为:
———FJ519—1982;
———FZ/T12007—1999、FZ/T12007—2005。
下列文件对于本文件的应用是必不可少的。凡是注日期的引用文件,仅注日期的版本适用于本文件。凡是不注日期的引用文件,其最新版本(包括所有的修改单)适用于本文件。
GB/T398—2008 棉本色纱线
GB/T2910.1 纺织品 定量化学分析 第1部分:试验通则
GB/T3292.1 纺织品 纱线条干不匀试验方法 第1部分:电容法
GB/T3916 纺织品 卷装纱 单根纱线断裂强力和断裂伸长率的测定(CRE法)
GB/T4743—2009 纺织品 卷装纱 绞纱法线密度的测定
FZ/T01050 纺织品 纱线疵点的分级与检验方法 电容式
FZ/T10007 棉及化纤纯纺、混纺本色纱线检验规则
FZ/T10008 棉及化纤纯纺、混纺本色纱线标志与包装

部分标准内容:
中华人民共和国纺织行业标准
FZ/T12007-2014
代替FZ/T12007—2005
普梳棉维混纺本色纱线
Carded cotton and vinylon blended grey yarn2014-10-14发布
中华人民共和国工业和信息化部发布
2015-04-01实施
本标准按照GB/T1.1-2009给出的规则起草。本标准代替FZ/T12007—2005&棉维混纺本色纱线》。本标准与FZ/T12007-—2005比较主要变化如下:调整了标准名称,修改为“普梳棉维混纺本色纱线”;FZ/T12007-2014
修改了第3章分类,将100m标准质量和标准干燥质量的计算放人附录B中,删除线密度要求内容;
-技术要求中,调整了公称线密度范围,修改了部分项目名称,条干均匀度考核仅保留条干均勾度变异系数;
对断裂强力变异系数、线密度变异系数、条干均匀度变异系数等指标进行了调整;取消顺降指标考核,按技术要求中最低一项品等评定。本标准由中国纺织工业联合会提出。本标准由全国纺织品标准化技术委员会棉纺织印染分技术委员会(SAC/TC209/SC2)归口。本标准起草单位:浙江春江轻纺集团有限责任公司、青岛纺联控股集团公司、中国棉纺织行业协会、上海市纺织工业技术监督所。
本标准主要起草人:陈乃英、董晓卫、张建辉、景慎全、王憬义。本标准所代替标准的历次版本发布情况为:-FJ519—1982
—FZ/T12007-1999,FZ/T12007-20051
1范围
普梳棉维混纺本色纱线
FZ/T12007-2014
本标准规定了棉与维纶(棉型短纤维)混纺,棉纤维含量在50%及以上的普梳棉维混纺本色纱线产品的分类、标记、要求、试验方法、检验规则和标志、包装。本标准适用于环锭纺普梳棉维混纺本色纱线,本标准不适用于特种用途的普梳棉维混纺本色纱线。2规范性引用文件
下列文件对于本文件的应用是必不可少的。凡是注日期的引用文件,仅注日期的版本适用于本文件。凡是不注日期的引用文件,其最新版本(包括所有的修改单)适用于本文件。GB/T3982008棉本色纱线
GB/T2910.1纺织品定量化学分析第1部分:试验通则GB/T3292.1纺织品纱线条干不匀试验方法第1部分:电容法GB/T3916纺织品卷装纱单纱线断裂强力和断裂伸长率的测定(CRE法)GB/T4743-2009纺织品卷装纱绞纱法线密度的测定FZ/T01050
纺织品纱线疵点的分级与检验方法电容式FZ/T10007
FZ/T10008
3产品分类、标记
棉及化纤纯纺、混纺本色纱线检验规则棉及化纤纯纺、混纺本色纱线标志与包装3.1普梳棉维混纺本色纱线以混纺比及线密度分类。3.2原料代号棉为C,维纶为V。
3.3产品纤维含量以公定质量比表示,具体表示为棉含量/维纶含量。3.4在线密度前标明纱线的原料代号、产品混纺比。示例:棉维混纺本色纱其线密度为18.5tex,棉含量为65%,维纶含量为35%,应写为:C/V65/3518.5tex。4要求
4.1项目
4.1.1普梳棉维混纺本色纱技术要求包括单纱断裂强力变异系数、线密度变异系数、单纱断裂强度、线密度偏差率、条干均匀度变异系数、千米棉结、十万米纱、纤维含量偏差等八项指标。4.1.2普梳棉维混纺本色线技术要求包括单线断裂强力变异系数、线密度变异系数、单线断裂强度、线密度偏差率、条干均匀度变异系数、纤维含量偏差等六项指标。4.2分等规定
4.2.1同一原料、同一工艺单连续生产的同一规格的产品作为一个或若干检验批。按规定的各项试验1
FZ/T120072014
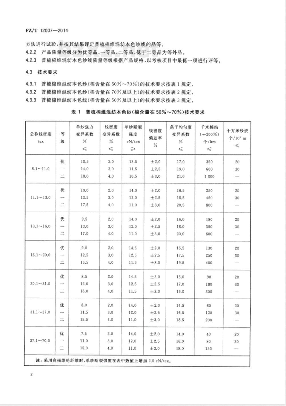
方法进行试验,并按其结果评定普梳棉维混纺本色纱线的品等,4.2.2产品质量等级分为优等品、等品、二等品,低于二等品为等外品。4.2.3普梳棉维混纺本色纱线质量等级根据产品规格,以考核项目中最低一项进行评等。4.3技术要求
4.3.1普梳棉维混纺本色纱(棉含量在50%~70%)的技术要求按表1规定。2普梳棉维混纺本色纱(棉含量在70%及以上)的技术要求按表2规定。4.3.2
普梳棉维混纺本色线(棉含量在50%及以上)的技术要求按表3规定。普梳棉维混纺本色纱(棉含量在50%~70%)技术要求表1
单纱强力wwW.bzxz.Net
公称线密度
11.1~13.0
13.1~16.0
16.1~20.0
20.1~31.0
31.1~37.0
37.1~70.0
变异系数
线密度
变异系数
单纱断裂
eN/tex
线密度
偏差率
条干均匀度
变异系数
注:采用高强维纶纤维时,单纱断裂强度在表中数值上增加2.5cN/tex。2
千米棉结
(+200%)
个/km
十万米纱疮
个/105m
公称线密度
11.1~13.0
13.1~16.0
16.1~20.0
20.1~31.0
31.1~37.0
37.1~70.0
普梳棉维混纺本色纱(棉含量在70%及以上)技术要求单纱强力
变异系数
线密度
变异系数
单纱断裂
eN/tex
线密度
偏差率
注:采用高强维纶纤维时,单纱断裂强度在表中数值上增加2.0eN/tex表3
公称线密度
8.1×2~11.0×2
11.1×213.0×2
条干均匀度
变异系数
FZ/T12007-2014
千米棉结
(+200%)
个/km
普梳棉维混纺本色线(棉含量在50%及以上)技术要求单线强力
变异系数
线密度变
异系数
单线断裂强度
eN/tex
线密度偏
十万米纱斌
个/105m
条干均勾度
变异系数
FZ/T120072014
公称线密度
13.1×2~16.0×2
16.1×2~20.0×2
20.1X2~31.0×2
31.1×237.0×2
37.1×2~70.0×2
单线强力
变异系数
表3(续)
线密度变
异系数
单线断裂强度
cN/tex
注;采用高强维纶纤维时,单线断裂强度在表中数值上增加2.0cN/tex。4.4纤维含量偏差
线密度偏
条干均勾度
变异系数
混纺产品的纤维含量允许偏差为士1.5%,例如,C/V65/35普梳棉维混纺本色纱,则允许纤维含量为:棉63.5%~66.5%,维纶33.5%~36.5%。纤维含量偏差超过士1.5%时,评该批产品为等外品。5试验方法
5.1试验条件
各项试验应在各方法标准规定的条件下进行。5.2取样规定
从检验批次中随机抽取20个筒纱,各项目所需样品数量及试验次数按表4规定执行。表4普梳棉维混纺本色纱线各项目样品数量及试验次数的规定项目
线密度变异系数、线密度偏差率断裂强度、断裂强力变异系数
筒子数
每简试验次数
总次数
条干均匀度变异系数、干米棉结十万米纱症
纤维含量偏差
表4(续)
筒子数
注1:若检验批中的简纱数小于20个,则全部抽取作为样品。每简试验次数
FZ/T12007---2014
总次数
注2:线密度变异系数、线密度偏差率、单纱(线)断裂强度、单钞(线)断裂强力变异系数、条干均匀度变异系数可进行在线产品取样,具体取样规定参见附录A,但用户对产品质量有异议时,则以成品质量检验为准。5.3线密度变异系数、线密度偏差率试验摇取绞纱长度应按GB/T4743-2009规定执行,其中线密度变异系数采用程序1,线密度采用程序3。公称线密度的100m标准质量和标准干燥质量按附录B计算,线密度偏差率将烘干后的绞纱折算至100m质量,并按式(1)计算:
_m -md ×100%
式中:
线密度偏差率,%;
\100m\试样实测于燥质量,单位为克(g);“100m\试样标准于燥质量,单位为克(g)。5.4单纱(线)断裂强度及单纱(线)断裂强力变异系数试验按GB/T3916规定执行。
5.5条干均匀度变异系数、千米棉结(+200%)试验按GB/T3292.1规定执行。
5.6十万米纱症试验
按FZ/T01050规定执行,十万米纱疵结果用A:+Ba+Ca+Dz之和表示。5.7纤维含量试验
棉维混纺含量的测定按附录C规定执行,纤维含量以公定质量比表示。5.8成包净重
按GB/T398-2008中5.9规定执行。5.9试验结果的表示
(1)
-批纱线的各种试验结果是由该种试验的全部试验值的计算结果表示,各种试验结果的计算精确度,除已规定者外,按表5规定执行。5
FZ/T12007--2014
单纱(线)断裂强度/(cN/tex)项目
单纱(线)断裂强力变异系数/%
线密度变异系数/%
线密度偏差率/%
条干均匀度变异系数/%
千米棉结(+200%)/(个/km)
十万米纱疣/(个/105m)
百米质量(每批平均))/(g/100m)平均线密度/tex
折算质量用回潮率/%
检验规则
按FZ/T10007规定执行。
标志、包装
按FZ/T10008规定执行。
5计算值的数值修约位数规定
用户对本标准有特殊要求者,供需双方可另订协议。6
保留小数位数
A.1在线产品取样周期及卷装形式附录A
(资料性附录)
在线产品取样及计算
FZ/T12007—2014
A.1.1一般两天取样试验一次,但周期经确定,不得任意变更。十万米纱症、纤维含量偏差试验周期可适当延长,但不得超过两周。2取样的卷装形式为管纱。
A.2在线产品取样数及试验次数
A.2.1各项试验应在各方法标准规定的条件下进行,如生产需要,可以在接近车间温湿度条件下进行,但试验地点的温湿度应稳定,并不得故意偏离标准条件。A.2.2在线产品取样数见表A.1。表A.1
在线产品取样数
生产同一品种的开台数
每机台上采取管纱数
总管纱数
30及以上
A.2.3线密度变异系数、线密度偏差率试验,每份试样30个管纱,每管摇取1缕,总数为30次(开台数在5台及以下的产品,线密度变异系数、线密度偏差率试验可相应减少拔管数,拔取15个管纱,每管摇取2缕)。
A.2.4单纱(线)断裂强度及单纱(线)断裂强力变异系数试验,单纱每份试样30个管纱,每管测试2次,总数为60次(开台数在5台及以下者,可每份试样15个管纱,每管测试4次),若为股线,每份试样为15个管纱,每管测试2次,总数为30次。采用全自动纱线强力试验仪的取样数,纱线均为20个管纱,每管测试5次,总数为100次。A.2.5条干均匀度变异系数需在各机台随机抽取10个管纱,试验次数为10次。FZ/T12007—2014
附录B
(规范性附录)
普梳棉维混纺本色纱线百米质量的计算B.1普梳棉维混纺本色纱线的公定回潮率可按公定质量混纺比例计算,也可按干重混纺比例计算,计算结果修约至小数点后一位。其中棉公定回潮率为8.5%,维纶公定回潮率为5.0%。以公定质量混纺比例计算公定回潮率,以百分率表示[见式(B,1):BcWc
1+We/100+1+W/100
1+W/1007
1+Wy/100
以于重混纺比例计算公定回潮率,以百分率表示[见式(B.2):W
式中:
公定回潮率,%;
棉、维纶公定回潮率,%;
WcXAc+WXAv
棉、维纶公定质量混纺百分比例:棉、维纶干燥质量混纺百分比例。-(B.1)
B.2100m纱线在公定回潮率时的标准质量(g)按式(B.3)计算,计算结果修约至小数点后三位。T
式中:
100m纱线在公定回潮率时的标准质量,单位为克(g):纱线公称线密度,单位为特克斯(tex)。B.3100m纱线的标准干燥质量(g)按式(B.4)计算,计算结果修约至小数点后三位。T.
ma=1×100+W
式中:
100m纱线标准干燥质量,单位为克(g);T:-纱线公称线密度,单位为特克斯(tex);W
公定回潮率,%。
·(B.3)
C.1适用范围
附录C
(规范性附录)
棉与维纶混纺的纤维含量试验方法FZ/T12007—2014
本附录规定了采用盐酸法测定除去非纤维物质后的维纶与棉的二组分混纺物中维纶含量的方法。C.2
用20%盐酸把维纶从已知干燥质量的混合物中溶解去除,收集残留物,清洗、烘干和称量;用修正后的质量计算其占混合物于燥质量的百分率,由差值得出维纶的百分含量。C.3试剂
C.3.1使用GB/T2910.1和本方法(C.3.2和C.3.3)规定的试剂。C.3.220%盐酸:取浓盐酸1000mL(20℃,体积质量1.19g/mL)徐徐加人800mL三级水中,待冷却到室温时,再加三级水,修正其体积质量到1.095g/mL~1.100g/mL,浓度控制在19.5%~20.5%。C.3.3稀氨水溶液:将80mL浓氨水(体积质量0.880g/mL)加水稀释至1L。器
使用GB/T2910.1规定的设备。
具塞三角烧瓶,容量不少于500mL:恒温振荡器:25℃土2℃,振荡额率60次/min士10次/min,振荡时间:30min士2min。C.4.3
试验步骤
按照GB/T2910.1规定的通用程序进行。C.5.1
C.5.2将准备好的试样放入三角烧瓶中,每克试样加入100mL20%盐酸(C.3.2),塞上玻璃塞,摇动烧瓶将试样充分润湿后,放人恒温振荡器(C.4.3)中,保持25℃土2℃,振荡额率60次/min士10次/min,放置30min。
C.5.3待维纶充分溶解后,用已知干重的玻璃砂芯埚过滤,用少量20%盐酸将残留物清洗到玻璃砂芯中。真空抽吸排液,再依次用水清洗、稀氨水溶液(C.3.3)中和,最后用水连续清洗残留物,每次洗后先用重力排液,再用真空抽吸排液。C.5.4最后将埚和残留物按GB/T2910.1规定烘干、冷却,称量。结果的计算和表示
C.6.1结果的计算和表示按GB/T2910.1规定执行。C.6.2棉的d值为1.01。
小提示:此标准内容仅展示完整标准里的部分截取内容,若需要完整标准请到上方自行免费下载完整标准文档。

标准图片预览:





- 其它标准
- 热门标准
- 其他行业标准
- FZ/T07002-2018 废旧纺织品再加工短纤维
- YS/T254.7-2011 铍精矿、绿柱石化学分析方法 第7部分:水分量的测定 重量法
- QX/T409-2017 农业气象观测规范 番茄
- QJMS0005S-2016 焦作市米奇食品饮料有限公司 果汁饮料
- HG/T4670-2014 改性塑料用阻燃剂黑点和异色点的测定
- JB/T7565.1-2011 隔爆型三相异步电动机技术条件 第1部分:YB3系列隔爆型三相异步电动机
- HG/T3766-2004 炔螨特乳油
- JB/T7673-2011 真空技术 真空设备型号编制方法
- QB/T2025-2013 平版印铁油墨
- YS/T358.1-2011 钽铁、铌铁精矿化学分析方法 第1部分:钽、铌量的测定 纸上色层重量法
- FZ/T10013.1-2011 温度与回潮率对棉及化纤纯纺、混纺制品断裂强力的修正方法 本色纱线及染色加工线断裂强力的修正方法
- 沪S/T306-2000 上海市建筑产品推荐性通用图集 44 SHF管道吊挂系统安装图
- QB/T2049.6-2013 灯用玻壳 M型玻壳尺寸系列
- FZ/T93073-2011 集聚纺纱装置
- QB/T4646-2014 丁酸二甲基苄基原酯
- 行业新闻
网站备案号:湘ICP备2023016450号-1