- 您的位置:
- 标准下载网 >>
- 标准分类 >>
- 其他行业标准 >>
- FZ/T 64031-2022成衣染色用机织粘合衬
标准号:
FZ/T 64031-2022
标准名称:
成衣染色用机织粘合衬
标准类别:
其他行业标准
英文名称:
Adhesive-bonded woven interlinings for garment dyeing标准状态:
现行-
发布日期:
2022-04-08 -
实施日期:
2022-10-01 出版语种:
简体中文下载格式:
.pdf .zip
替代情况:
替代FZ/T 64031-2012

部分标准内容:
ICS59.080.30
CCS W 13
中华人民共和国纺织行业标准
FZ/T64031—2022
代替FZ/T64031—2012
成衣染色用机织粘合衬
Adhesive-bonded woven interlinings for garment dyeing2022-04-08发布
中华人民共和国工业和信息化部中国标准出版社
2022-10-01实施
FZ/T64031—2022
本文件按照GB/T1.1一2020《标准化工作导则第1部分:标准化文件的结构和起草规则》的规定起草。
本文件代替FZ/T64031—2012《耐成衣染色用机织粘合衬》,与FZ/T64031—2012相比,主要技术变化如下:
调整了文件名称;
删除了原3.23.4术语和定义;
一产品分类增加了丝绸衬(见4.2,2012年版的4.2);理化性能中,增加了纬密偏差率、成衣染色后的剥离强力、色牢度考核项目,且剥离强力考核按照试样宽度分5cm和2.5cm设置指标(见表1,2012年版的表1);外观质量提高了局部性疵点、色差、纬斜合格品考核指标;散布性疵点增加了考核内容(见表2,2012年版的表2)。
请注意本文件的某些内容可能涉及专利。本文件的发布机构不承担识别专利的责任,本文件由中国纺织工业联合会提出。本文件由全国纺织品标准化技术委员会棉纺织品分技术委员会(SAC/TC209/SC10)归口。本文件起草单位:长兴三伟热熔胶有限公司、长兴科恩德服装材料有限公司、南通海汇科技发展有限公司、长兴县志纬服装辅料有限公司、江苏欣捷纺织科技有限责任公司、上海市纺织工业技术监督所、中国产业用纺织品行业协会。
本文件主要起草人:殷伟乔、朱雪峰、宋庆锋、曹平、章华、陈松美、左舒文、李桂梅、虞康伟。本文件所代替文件的历次版本发布情况为:-FZ/T64031—2012。
1范围
成衣染色用机织粘合衬
FZ/T64031—2022
本文件规定了成衣染色用机织粘合衬的术语和定义、产品分类、技术要求、试验和检验方法、检验规则、标志和包装。
本文件适用于本白、漂白和有色的成衣染色用机织粘合衬。2规范性引用文件
下列文件中的内容通过文中的规范性引用而构成本文件必不可少的条款。其中,注日期的引用文件,仅该日期对应的版本适用于本文件;不注日期的引用文件,其最新版本(包括所有的修改单)适用于本文件。
GB/T250
纺织品色牢度试验评定变色用灰色样卡GB/T3921-2008纺织品色牢度试验耐皂洗色牢度5纺织品织物长度和幅宽的测定
GB/T4666
GB/T4668
机织物密度的测定
GB/T46692008纺织品机织物单位长度质量和单位面积质量测定GB/T5711
纺织品色牢度试验耐四氯乙烯干洗色牢度GB/T6152一1997纺织品色牢度试验耐热压色牢度GB/T8170数值修规则与极限数值的表示和判定GB/T14801
机织物与针织物纬斜和弓纬斜试验方法GB18401国家纺织产品基本安全技术规范服装衬布检验规则
GB/T28465
GB31701婴幼儿及儿童纺织产品安全技术规范服装衬布外观疵点检验方法
GB/T31902
GB/T31903服装衬布产品命名规则、标志和包装FZ/T01081*
粘合衬热熔胶涂布量试验方法
FZ/T01082粘合衬干热尺寸变化试验方法FZ/T01085一2018粘合剥离强力试验方法FZ/T01110粘合衬粘合压烫后的渗胶试验方法FZ/T600312020服装衬布经蒸汽熨烫后的外观及尺寸变化试验方法FZ/T60034—2020粘合衬掉粉试验方法FZ/T60035一2022粘合衬成衣染色后的外观及尺寸变化试验方法3术语和定义
下列术语和定义适用于本文件。1
FZ/T 64031-2022
成衣染色用机织粘合衬adhesive-bondedwoveninterliningsforgarmentdyeing适用于成衣染色工艺的机织粘合衬。4产品分类
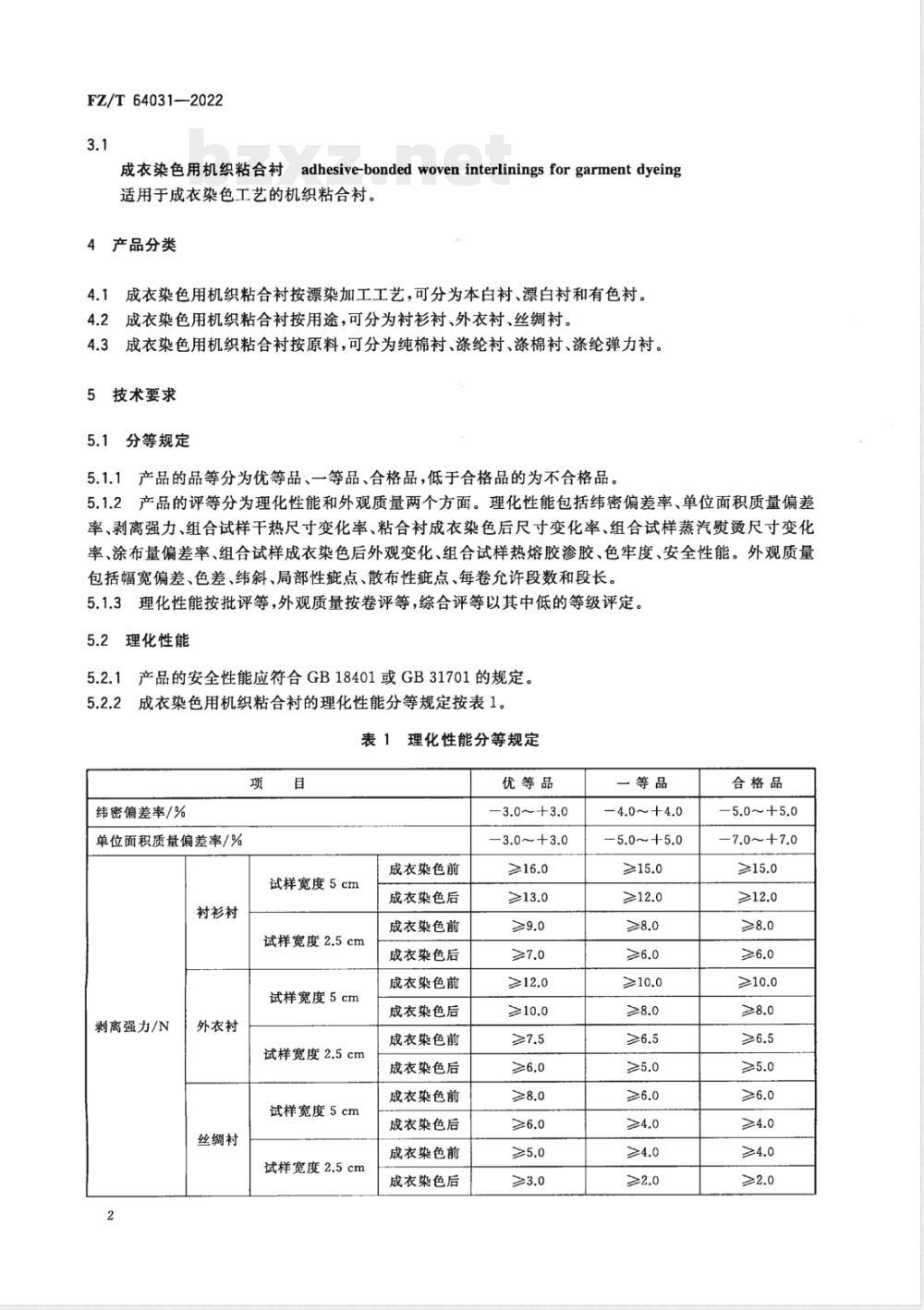
4.1成衣染色用机织粘合衬按漂染加工工艺,可分为本白衬、漂白衬和有色衬。4.2成衣染色用机织粘合衬按用途,可分为衬衫衬、外衣衬、丝绸衬。4.3成衣染色用机织粘合衬按原料,可分为纯棉衬、涤纶衬、涤棉衬、涤纶弹力衬。5技术要求
5.1分等规定
5.1.1产品的品等分为优等品、一等品、合格品,低于合格品的为不合格品。5.1.2产品的评等分为理化性能和外观质量两个方面。理化性能包括纬密偏差率、单位面积质量偏差率、剥离强力、组合试样干热尺寸变化率、粘合衬成衣染色后尺寸变化率、组合试样蒸汽熨烫尺寸变化率、涂布量偏差率、组合试样成衣染色后外观变化、组合试样热熔胶渗胶、色牢度、安全性能。外观质量包括幅宽偏差、色差、纬斜、局部性疵点、散布性疵点、每卷允许段数和段长。5.1.3理化性能按批评等,外观质量按卷评等,综合评等以其中低的等级评定。5.2理化性能
5.2.1产品的安全性能应符合GB18401或GB31701的规定。5.2.2成衣染色用机织粘合衬的理化性能分等规定按表1。表1理化性能分等规定
纬密偏差率/%
单位面积质量偏差率/%
衬衫衬
试样宽度5cm
试样宽度2.5cm
试样宽度5cm
剥离强力/N
外衣衬
试样宽度2.5cm
试样宽度5cm
丝绸衬
试样宽度2.5cm
成衣染色前
成衣染色后
成衣染色前
成衣染色后
成衣染色前
成衣染色后
成衣染色前
成衣染色后
成衣染色前
成衣染色后
成衣染色前
成衣染色后
优等品
—3.0~+3.0
一等品
—4.0~+4.0
-5.0~+5.0
合格品
—5.0~+5.0
7.0~+7.0
组合试样干
热尺寸变
化率/%
粘合村成衣
染色后尺寸
变化率/%
纯棉衬
表1理化性能分等规定(续)
优等品
涤纶衬、涤棉村、涤纶弹力衬
纯棉衬、涤纶衬、
衬衫衬
外衣衬
丝绸衬
组合试样蒸汽熨烫尺寸
变化率/%
涂布量偏差率/%
涤棉衬
涤纶弹力村
纯棉衬、涤纶衬、
涤棉衬
涤纶弹力村
组合试样成衣染色后外观变化/级组合试样热熔胶渗胶
耐干洗
色牢度\/级
耐皂洗
耐热压
-1.0~+0.5
—1.0~+0.5
-1.5~+0.5
-1.0~+0.5
-1.0~+0.5
-1.0~+0.5
-1.5~+0.5
—1.0~+0.5
—2.5~+0.5
-2.0~+0.5
-2.0~+0.5
-1.5~+0.5
—2.0~十0.5
-1.5~+0.5
0.3~+0.5
-0.3~+0.5
10.0~+10.0
≥3-4
≥3-4
一等品
FZ/T64031—2022
合格品
-1.0~+0.5
-1.0~~+0.5
—1.5~+0.5
-1.5~+0.5
-1.5~+0.5
—2.0~+0.5Www.bzxZ.net
-1.5~+0.5
-2.5~+0.5
-1.5~+0.5
—0.5~+0.5
-12.0~+12.0
正面渗胶不允许
≥3-4
≥3-4
-1.0~+0.5
-1.0~+0.5
1.5~+0.5
-1.0~+0.5
-2.0~+0.5
—2.0~+0.5
-2.5~+0.5
-2.0~+0.5
-2.5~+0.5
-2.0~+0.5
-1.5~+0.5
1.5~+0.5
1.0~+0.5
-1.0~+0.5
-15.0~+15.0
注1:剥离强力考核指标,按照贸易要求,选择试样宽度5cm或2.5cm的考核要求。有争议时,以试样宽度5cm为准。
注2:组合试样热熔胶背面渗胶按照供需双方协议执行。注3:色牢度也可以在实际使用中不影响面料外观及服装使用为原则,由供需双方协议商定。色牢度试验方法中,凡规定有两种不同纤维的贴衬织物平行试验时,用于丝绸衬的以丝绸贴衬沾色级数为依据。
5.3外观质量
散布性疵点采用以疵点程度不同逐级降等的办法。5.3.2未列人本文件的疵点,按相似疵点进行评定。外观质量分等规定按表2。
FZ/T64031--2022
幅宽偏差
局部性
散布性
采用结辫
或标记
幅宽<100cm
外观质量分等规定
幅宽100cm~130cm
幅宽>130cm
同类样布
参考样
箱内卷与卷
箱与箱
幅宽<100cm
幅宽100cm~130cm
幅宽>130cm
个/100m
个/100m
个/100m
明显的松紧边、轧皱等影响布面不能平摊明显的通匹疵、反面明显透点
每卷允许段数、段长
优等品
-1.0~+2.0
-1.5~+2.5
—2.0~+3.0
≥3-4
不允许
顺降一个等
一剪两段
一等品
-1.0~+2.0
-1.5~+2.5
-2.0~+3.0
≥3-4
≥3-4
≥3-4
按FZ/T60034执行
不允许
顺降一个等
二剪三段
每段不低于10m
每段不低于5m
注:幅宽≤100cm,1.5cm及以内的疵点不结辫;幅宽>100cm,2.0cm及以内的疵点不结辩。6试验和检验方法
合格品
-1.0~+3.0
1.5~+3.5
—2.0~+4.0
不允许
顺降一个等
三剪四段
每段不低于5m
6.1密度检验方法按GB/T4668执行,成衣染色用机织粘合衬的密度标准值由供需双方协议商定,纬密偏差率计算按式(1),计算结果按GB/T8170修约至小数点后一位。Di- D× 100
式中:
成衣染色用机织粘合衬的纬密偏差率,%;-成衣染色用机织粘合衬的纬密实测值,单位为根每10厘米(根/10cm);成衣染色用机织粘合衬的纬密标准值,单位为根每10厘米(根/10cm)。(1)
6.2单位面积质量试验方法按GB/T4669一2008中方法6执行,单位面积质量偏差率计算按式(2),计算结果按GB/T8170修约至小数点后一位。G=mi-m。,
式中:
一成衣染色用机织粘合衬的单位面积质量偏差率,%;成衣染色用机织粘合衬的单位面积质量实测值,单位为克每平方米(g/m2)成衣染色用机织粘合衬的单位面积质量标称值,单位为克每平方米(g/m2)。注:成衣染色用机织粘合衬的单位面积质量标称值为客户要求或面料设计目标值,按供需双方协议商定。4
...(2)
6.3剥离强力试验方法如下:
-成衣染色前剥离强力按FZ/T01085执行;FZ/T64031--2022
一成衣染色后剥离强力试验方法如下:按FZ/T01085一2018中6.1~6.2准备试样,其余按FZ/T60035一2022执行(选用开放式组合试样或封闭式组合试样,有争议时,采用封闭式组*合试样),最后,按FZ/T01085一2018中第7章、第8章,测定成衣染色后剥离强力。6.4组合试样干热尺寸变化率试验方法按FZ/T01082执行。6.5粘合衬成衣染色后尺寸变化率及组合试样成衣染色后外观变化试验方法按FZ/T60035一2022执行。有争议时,按封闭式组合试样执行。6.6组合试样蒸汽熨烫尺寸变化率试验方法按FZ/T60031一2020执行。有争议时,采用FZ/T60031-2020方法B。
6.7涂布量偏差率试验方法按FZ/T01081执行。6.8组合试样热熔胶渗胶试验方法按FZ/T01110执行。6.9耐干洗色牢度检验方法按GB/T5711执行。6.10
耐皂洗色牢度检验方法按GB/T3921--2008中方法A(1)执行。6.11
耐热压色牢度检验方法按GB/T6152—1997(潮压法,温度为150℃士2℃)执行。6.12
幅宽检验方法按GB/T4666执行。色差按GB/T250评定。
纬斜检验方法按GB/T14801执行。6.15
掉粉检验方法按FZ/T60034—2020方法B执行。外观质量检验方法按GB/T31902执行。7检验规则
检验规则按GB/T28465执行。
8标志和包装
标志和包装按照GB/T31903执行。9其他
特殊品种或用户有特殊要求时,由供求双方协议商定。5
小提示:此标准内容仅展示完整标准里的部分截取内容,若需要完整标准请到上方自行免费下载完整标准文档。
CCS W 13
中华人民共和国纺织行业标准
FZ/T64031—2022
代替FZ/T64031—2012
成衣染色用机织粘合衬
Adhesive-bonded woven interlinings for garment dyeing2022-04-08发布
中华人民共和国工业和信息化部中国标准出版社
2022-10-01实施
FZ/T64031—2022
本文件按照GB/T1.1一2020《标准化工作导则第1部分:标准化文件的结构和起草规则》的规定起草。
本文件代替FZ/T64031—2012《耐成衣染色用机织粘合衬》,与FZ/T64031—2012相比,主要技术变化如下:
调整了文件名称;
删除了原3.23.4术语和定义;
一产品分类增加了丝绸衬(见4.2,2012年版的4.2);理化性能中,增加了纬密偏差率、成衣染色后的剥离强力、色牢度考核项目,且剥离强力考核按照试样宽度分5cm和2.5cm设置指标(见表1,2012年版的表1);外观质量提高了局部性疵点、色差、纬斜合格品考核指标;散布性疵点增加了考核内容(见表2,2012年版的表2)。
请注意本文件的某些内容可能涉及专利。本文件的发布机构不承担识别专利的责任,本文件由中国纺织工业联合会提出。本文件由全国纺织品标准化技术委员会棉纺织品分技术委员会(SAC/TC209/SC10)归口。本文件起草单位:长兴三伟热熔胶有限公司、长兴科恩德服装材料有限公司、南通海汇科技发展有限公司、长兴县志纬服装辅料有限公司、江苏欣捷纺织科技有限责任公司、上海市纺织工业技术监督所、中国产业用纺织品行业协会。
本文件主要起草人:殷伟乔、朱雪峰、宋庆锋、曹平、章华、陈松美、左舒文、李桂梅、虞康伟。本文件所代替文件的历次版本发布情况为:-FZ/T64031—2012。
1范围
成衣染色用机织粘合衬
FZ/T64031—2022
本文件规定了成衣染色用机织粘合衬的术语和定义、产品分类、技术要求、试验和检验方法、检验规则、标志和包装。
本文件适用于本白、漂白和有色的成衣染色用机织粘合衬。2规范性引用文件
下列文件中的内容通过文中的规范性引用而构成本文件必不可少的条款。其中,注日期的引用文件,仅该日期对应的版本适用于本文件;不注日期的引用文件,其最新版本(包括所有的修改单)适用于本文件。
GB/T250
纺织品色牢度试验评定变色用灰色样卡GB/T3921-2008纺织品色牢度试验耐皂洗色牢度5纺织品织物长度和幅宽的测定
GB/T4666
GB/T4668
机织物密度的测定
GB/T46692008纺织品机织物单位长度质量和单位面积质量测定GB/T5711
纺织品色牢度试验耐四氯乙烯干洗色牢度GB/T6152一1997纺织品色牢度试验耐热压色牢度GB/T8170数值修规则与极限数值的表示和判定GB/T14801
机织物与针织物纬斜和弓纬斜试验方法GB18401国家纺织产品基本安全技术规范服装衬布检验规则
GB/T28465
GB31701婴幼儿及儿童纺织产品安全技术规范服装衬布外观疵点检验方法
GB/T31902
GB/T31903服装衬布产品命名规则、标志和包装FZ/T01081*
粘合衬热熔胶涂布量试验方法
FZ/T01082粘合衬干热尺寸变化试验方法FZ/T01085一2018粘合剥离强力试验方法FZ/T01110粘合衬粘合压烫后的渗胶试验方法FZ/T600312020服装衬布经蒸汽熨烫后的外观及尺寸变化试验方法FZ/T60034—2020粘合衬掉粉试验方法FZ/T60035一2022粘合衬成衣染色后的外观及尺寸变化试验方法3术语和定义
下列术语和定义适用于本文件。1
FZ/T 64031-2022
成衣染色用机织粘合衬adhesive-bondedwoveninterliningsforgarmentdyeing适用于成衣染色工艺的机织粘合衬。4产品分类
4.1成衣染色用机织粘合衬按漂染加工工艺,可分为本白衬、漂白衬和有色衬。4.2成衣染色用机织粘合衬按用途,可分为衬衫衬、外衣衬、丝绸衬。4.3成衣染色用机织粘合衬按原料,可分为纯棉衬、涤纶衬、涤棉衬、涤纶弹力衬。5技术要求
5.1分等规定
5.1.1产品的品等分为优等品、一等品、合格品,低于合格品的为不合格品。5.1.2产品的评等分为理化性能和外观质量两个方面。理化性能包括纬密偏差率、单位面积质量偏差率、剥离强力、组合试样干热尺寸变化率、粘合衬成衣染色后尺寸变化率、组合试样蒸汽熨烫尺寸变化率、涂布量偏差率、组合试样成衣染色后外观变化、组合试样热熔胶渗胶、色牢度、安全性能。外观质量包括幅宽偏差、色差、纬斜、局部性疵点、散布性疵点、每卷允许段数和段长。5.1.3理化性能按批评等,外观质量按卷评等,综合评等以其中低的等级评定。5.2理化性能
5.2.1产品的安全性能应符合GB18401或GB31701的规定。5.2.2成衣染色用机织粘合衬的理化性能分等规定按表1。表1理化性能分等规定
纬密偏差率/%
单位面积质量偏差率/%
衬衫衬
试样宽度5cm
试样宽度2.5cm
试样宽度5cm
剥离强力/N
外衣衬
试样宽度2.5cm
试样宽度5cm
丝绸衬
试样宽度2.5cm
成衣染色前
成衣染色后
成衣染色前
成衣染色后
成衣染色前
成衣染色后
成衣染色前
成衣染色后
成衣染色前
成衣染色后
成衣染色前
成衣染色后
优等品
—3.0~+3.0
一等品
—4.0~+4.0
-5.0~+5.0
合格品
—5.0~+5.0
7.0~+7.0
组合试样干
热尺寸变
化率/%
粘合村成衣
染色后尺寸
变化率/%
纯棉衬
表1理化性能分等规定(续)
优等品
涤纶衬、涤棉村、涤纶弹力衬
纯棉衬、涤纶衬、
衬衫衬
外衣衬
丝绸衬
组合试样蒸汽熨烫尺寸
变化率/%
涂布量偏差率/%
涤棉衬
涤纶弹力村
纯棉衬、涤纶衬、
涤棉衬
涤纶弹力村
组合试样成衣染色后外观变化/级组合试样热熔胶渗胶
耐干洗
色牢度\/级
耐皂洗
耐热压
-1.0~+0.5
—1.0~+0.5
-1.5~+0.5
-1.0~+0.5
-1.0~+0.5
-1.0~+0.5
-1.5~+0.5
—1.0~+0.5
—2.5~+0.5
-2.0~+0.5
-2.0~+0.5
-1.5~+0.5
—2.0~十0.5
-1.5~+0.5
0.3~+0.5
-0.3~+0.5
10.0~+10.0
≥3-4
≥3-4
一等品
FZ/T64031—2022
合格品
-1.0~+0.5
-1.0~~+0.5
—1.5~+0.5
-1.5~+0.5
-1.5~+0.5
—2.0~+0.5Www.bzxZ.net
-1.5~+0.5
-2.5~+0.5
-1.5~+0.5
—0.5~+0.5
-12.0~+12.0
正面渗胶不允许
≥3-4
≥3-4
-1.0~+0.5
-1.0~+0.5
1.5~+0.5
-1.0~+0.5
-2.0~+0.5
—2.0~+0.5
-2.5~+0.5
-2.0~+0.5
-2.5~+0.5
-2.0~+0.5
-1.5~+0.5
1.5~+0.5
1.0~+0.5
-1.0~+0.5
-15.0~+15.0
注1:剥离强力考核指标,按照贸易要求,选择试样宽度5cm或2.5cm的考核要求。有争议时,以试样宽度5cm为准。
注2:组合试样热熔胶背面渗胶按照供需双方协议执行。注3:色牢度也可以在实际使用中不影响面料外观及服装使用为原则,由供需双方协议商定。色牢度试验方法中,凡规定有两种不同纤维的贴衬织物平行试验时,用于丝绸衬的以丝绸贴衬沾色级数为依据。
5.3外观质量
散布性疵点采用以疵点程度不同逐级降等的办法。5.3.2未列人本文件的疵点,按相似疵点进行评定。外观质量分等规定按表2。
FZ/T64031--2022
幅宽偏差
局部性
散布性
采用结辫
或标记
幅宽<100cm
外观质量分等规定
幅宽100cm~130cm
幅宽>130cm
同类样布
参考样
箱内卷与卷
箱与箱
幅宽<100cm
幅宽100cm~130cm
幅宽>130cm
个/100m
个/100m
个/100m
明显的松紧边、轧皱等影响布面不能平摊明显的通匹疵、反面明显透点
每卷允许段数、段长
优等品
-1.0~+2.0
-1.5~+2.5
—2.0~+3.0
≥3-4
不允许
顺降一个等
一剪两段
一等品
-1.0~+2.0
-1.5~+2.5
-2.0~+3.0
≥3-4
≥3-4
≥3-4
按FZ/T60034执行
不允许
顺降一个等
二剪三段
每段不低于10m
每段不低于5m
注:幅宽≤100cm,1.5cm及以内的疵点不结辫;幅宽>100cm,2.0cm及以内的疵点不结辩。6试验和检验方法
合格品
-1.0~+3.0
1.5~+3.5
—2.0~+4.0
不允许
顺降一个等
三剪四段
每段不低于5m
6.1密度检验方法按GB/T4668执行,成衣染色用机织粘合衬的密度标准值由供需双方协议商定,纬密偏差率计算按式(1),计算结果按GB/T8170修约至小数点后一位。Di- D× 100
式中:
成衣染色用机织粘合衬的纬密偏差率,%;-成衣染色用机织粘合衬的纬密实测值,单位为根每10厘米(根/10cm);成衣染色用机织粘合衬的纬密标准值,单位为根每10厘米(根/10cm)。(1)
6.2单位面积质量试验方法按GB/T4669一2008中方法6执行,单位面积质量偏差率计算按式(2),计算结果按GB/T8170修约至小数点后一位。G=mi-m。,
式中:
一成衣染色用机织粘合衬的单位面积质量偏差率,%;成衣染色用机织粘合衬的单位面积质量实测值,单位为克每平方米(g/m2)成衣染色用机织粘合衬的单位面积质量标称值,单位为克每平方米(g/m2)。注:成衣染色用机织粘合衬的单位面积质量标称值为客户要求或面料设计目标值,按供需双方协议商定。4
...(2)
6.3剥离强力试验方法如下:
-成衣染色前剥离强力按FZ/T01085执行;FZ/T64031--2022
一成衣染色后剥离强力试验方法如下:按FZ/T01085一2018中6.1~6.2准备试样,其余按FZ/T60035一2022执行(选用开放式组合试样或封闭式组合试样,有争议时,采用封闭式组*合试样),最后,按FZ/T01085一2018中第7章、第8章,测定成衣染色后剥离强力。6.4组合试样干热尺寸变化率试验方法按FZ/T01082执行。6.5粘合衬成衣染色后尺寸变化率及组合试样成衣染色后外观变化试验方法按FZ/T60035一2022执行。有争议时,按封闭式组合试样执行。6.6组合试样蒸汽熨烫尺寸变化率试验方法按FZ/T60031一2020执行。有争议时,采用FZ/T60031-2020方法B。
6.7涂布量偏差率试验方法按FZ/T01081执行。6.8组合试样热熔胶渗胶试验方法按FZ/T01110执行。6.9耐干洗色牢度检验方法按GB/T5711执行。6.10
耐皂洗色牢度检验方法按GB/T3921--2008中方法A(1)执行。6.11
耐热压色牢度检验方法按GB/T6152—1997(潮压法,温度为150℃士2℃)执行。6.12
幅宽检验方法按GB/T4666执行。色差按GB/T250评定。
纬斜检验方法按GB/T14801执行。6.15
掉粉检验方法按FZ/T60034—2020方法B执行。外观质量检验方法按GB/T31902执行。7检验规则
检验规则按GB/T28465执行。
8标志和包装
标志和包装按照GB/T31903执行。9其他
特殊品种或用户有特殊要求时,由供求双方协议商定。5
小提示:此标准内容仅展示完整标准里的部分截取内容,若需要完整标准请到上方自行免费下载完整标准文档。

标准图片预览:





- 其它标准
- 热门标准
- 其他行业标准
- FZ/T07002-2018 废旧纺织品再加工短纤维
- YS/T254.7-2011 铍精矿、绿柱石化学分析方法 第7部分:水分量的测定 重量法
- QX/T409-2017 农业气象观测规范 番茄
- QJMS0005S-2016 焦作市米奇食品饮料有限公司 果汁饮料
- HG/T4670-2014 改性塑料用阻燃剂黑点和异色点的测定
- JB/T7565.1-2011 隔爆型三相异步电动机技术条件 第1部分:YB3系列隔爆型三相异步电动机
- HG/T3766-2004 炔螨特乳油
- JB/T7673-2011 真空技术 真空设备型号编制方法
- QB/T2025-2013 平版印铁油墨
- YS/T358.1-2011 钽铁、铌铁精矿化学分析方法 第1部分:钽、铌量的测定 纸上色层重量法
- FZ/T10013.1-2011 温度与回潮率对棉及化纤纯纺、混纺制品断裂强力的修正方法 本色纱线及染色加工线断裂强力的修正方法
- 沪S/T306-2000 上海市建筑产品推荐性通用图集 44 SHF管道吊挂系统安装图
- QB/T2049.6-2013 灯用玻壳 M型玻壳尺寸系列
- FZ/T93073-2011 集聚纺纱装置
- QB/T4646-2014 丁酸二甲基苄基原酯
- 行业新闻
请牢记:“bzxz.net”即是“标准下载”四个汉字汉语拼音首字母与国际顶级域名“.net”的组合。 ©2009 标准下载网 www.bzxz.net 本站邮件:bzxznet@163.com
网站备案号:湘ICP备2023016450号-1
网站备案号:湘ICP备2023016450号-1