- 您的位置:
- 标准下载网 >>
- 标准分类 >>
- 其他行业标准 >>
- FZ/T 64039-2014机织复膜粘合衬
标准号:
FZ/T 64039-2014
标准名称:
机织复膜粘合衬
标准类别:
其他行业标准
英文名称:
Adhesive-bonded woven interlinings with composite membrane标准状态:
状态查询中-
发布日期:
2014-05-06 -
实施日期:
2014-10-01 -
作废日期:
2026-07-01 出版语种:
简体中文下载格式:
.pdf .zip
替代情况:
被FZ/T 64039-2024代替

点击下载
标准简介:
本标准规定了机织复膜粘合衬的术语和定义、产品分类、技术要求、试验方法、检验规则及标志和包装。
本标准适用于鉴定以棉、涤为原料,经树脂整理、复膜制成的机织复膜粘合衬的品质。
本标准按照GB/T1.1—2009给出的规则起草。
本标准由中国纺织工业联合会提出。
本标准由全国纺织品标准化技术委员会棉纺织印染分技术委员会(SAC/TC209/SC2)归口。
本标准起草单位:南通江淮衬布有限公司、浙江金三发粘合衬有限公司、上海市纺织工业技术监督所、如皋市五山漂染有限责任公司、中国产业用纺织品行业协会、上海市服装研究所。
本标准主要起草人:刘建、卢小丽、严华荣、张宝庆、吴进、李桂梅、钮德顺、秦威。
下列文件对于本文件的应用是必不可少的。凡是注日期的引用文件,仅注日期的版本适用于本文件。凡是不注日期的引用文件,其最新版本(包括所有的修改单)适用于本文件。
GB/T250 纺织品 色牢度试验 评定变色用灰色样卡
GB/T4666 纺织品 织物长度和幅宽的测定
GB/T4669 纺织品 机织物 单位长度质量和单位面积质量的测定
GB/T6529 纺织品 调湿和试验用标准大气
GB/T8170 数值修约规则与极限数值的表示和判定
GB/T8629—2001 纺织品 试验用家庭洗涤和干燥程序
GB/T14801 机织物与针织物纬斜和弓纬试验方法
GB18401 国家纺织产品基本安全技术规范
GB/T28465 服装衬布检验规则
FZ/T01074 服装衬产品标识
FZ/T01075 服装衬外观疵点检验方法
FZ/T01082 热熔粘合衬干热尺寸变化试验方法
FZ/T01084 热熔粘合衬水洗后的外观及尺寸变化试验方法
FZ/T01085 热熔粘合衬剥离强力试验方法
FZ/T01110 粘合衬粘合压烫后的渗胶试验方法
FZ/T60034 粘合衬掉粉试验方法

部分标准内容:
中华人民共和国纺织行业标准
FZ/T64039-2014
机织复膜粘合衬
Adhesive-bonded woven interlinings with composite membrane2014-05-06发布
中华人民共和国工业和信息化部2014-10-01实施
本标准按照GB/T1.1—2009给出的规则起草。本标准由中国纺织工业联合会提出。FZ/T64039—2014
本标准由全国纺织品标准化技术委员会棉纺织印染分技术委员会(SAC/TC209/SC2)归口。本标准起草单位:南通江准衬布有限公司、浙江金三发粘合衬有限公司、上海市纺织工业技术监督所、如皋市五山漂染有限责任公司、中国产业用纺织品行业协会、上海市服装研究所。本标准主要起草人:刘建、卢小丽、严华荣、张宝庆、吴进、李桂梅、钮德顺、秦威。1范围
机织复膜粘合衬
FZ/T64039—2014
本标准规定了机织复膜粘合衬的术语和定义、产品分类、技术要求、试验方法、检验规则及标志和包装。
本标准适用于鉴定以棉、涤为原料,经树脂整理、复膜制成的机织复膜粘合衬的品质。2规范性引用文件
下列文件对于本文件的应用是必不可少的。凡是注日期的引用文件,仅注日期的版本适用于本文件。凡是不注日期的引用文件,其最新版本(包括所有的修改单)适用于本文件。GB/T250
GB/T4666
GB/T4669
GB/T6529
GB/T8170
色牢度试验评定变色用灰色样卡纺织品1
织物长度和幅宽的测定
纺织品
纺织品
机织物单位长度质量和单位面积质量的测定调湿和试验用标准大气
纺织品
数值修约规则与极限数值的表示和判定纺织品试验用家庭洗涤和于燥程序GB/T8629—2001
GB/T14801
GB18401
机织物与针织物纬斜和弓纬试验方法国家纺织产品基本安全技术规范GB/T28465
FZ/T01074
FZ/T01075
FZ/T01082
FZ/T01084
FZ/T01085
FZ/T01110
FZ/T60034
3术语和定义
服装衬布检验规则
服装衬产品标识
服装衬外观疵点检验方法
热熔粘合衬干热尺寸变化试验方法热熔粘合衬水洗后的外观及尺寸变化试验方法热熔粘合衬剥离强力试验方法
粘合衬粘合压烫后的渗胶试验方法粘合衬掉粉试验方法
下列术语和定义适用于本文件。3.1
机织复膜粘合衬
fadhesive-bondedwoven interlinings withcomposite membrane以棉、涤为原料的机织物,经树脂整理后,将热熔胶粒子熔融成膜,复合到机织物上而制成的粘合衬。
单层单面机织复膜粘合衬
fsingleadhesive-bondedwoven interliningswith singlecompositemembrane
在单层机织物一面复合一层膜的粘合衬。1
FZ/T64039—2014
多层单面机织复膜粘合衬
fmultilayer adhesive-bonded woven interliningswith singlecompositemembrane or adhesive
多层机织物采用复膜的方式粘合,在一面复膜或上胶的粘合衬。3.4
fsingleadhesive-bonded woven interlinings with double-sided composite单层双面机织复膜粘合衬
membrane or adhesive
在机织物的两面各复合一层膜或上胶的粘合衬。3.5
多层双面机织复膜粘合衬
fmultilayer adhesive-bonded woven interlinings with double-sidedcomposite membrane or one-sided composite membrane and another-side adhesive多层机织物采用复膜的方式粘合,在两面都复膜或上胶,或一面复膜一面上胶的粘合衬。3.6
热熔胶adhesive
将热熔胶粉经熔融转移到基布表面,在基布表面形成颗粒状的胶点。3.7
莫compositemembranewithadhesive热熔胶膜
将热熔胶粒子熔融成膜,复合到基布表面,在基布表面形成光洁整片的膜。4产品分类
4.1机织复膜粘合衬按复合织物层数不同,可分为单层单面、多层单面、单层双面、多层双面。4.2机织复膜粘合衬按复合时表面材料不同,可分为热熔胶、膜。5技术要求
5.1分等规定
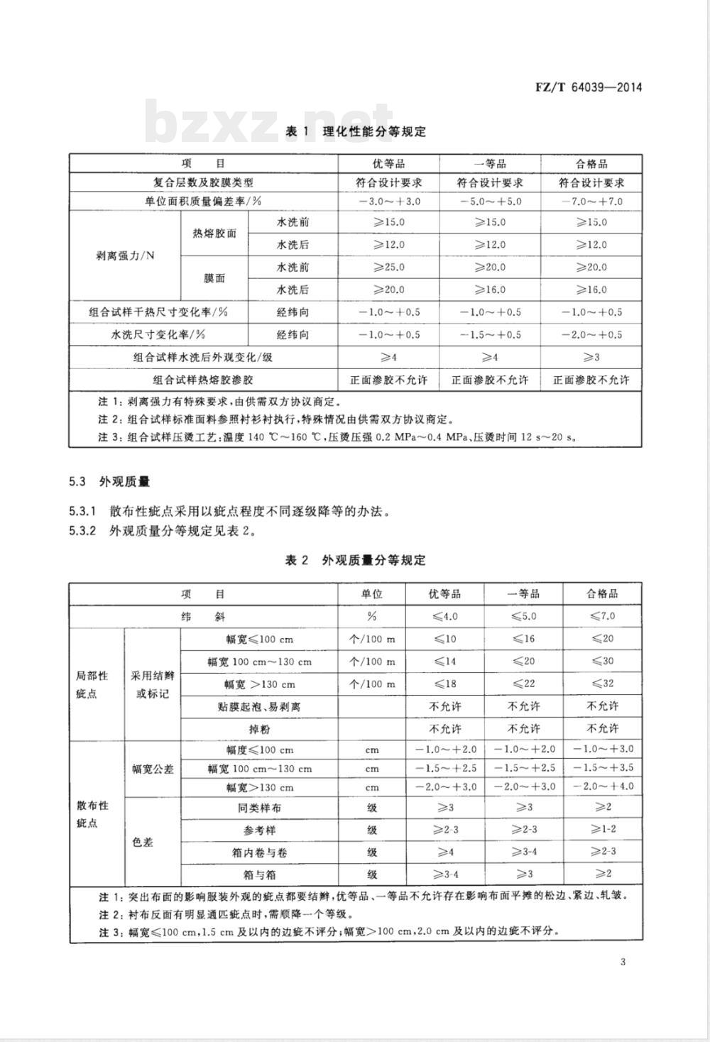
5.1.1产品的品等分为优等品、一-等品、合格品,低于合格品的为不合格品。5.1.2产品的评等分为理化性能和外观质量两个方面。理化性能包括复合层数及胶膜类型、单位面积质量偏差率、剥离强力、组合试样干热尺寸变化率、水洗尺寸变化率、组合试样水洗后外观变化、组合试样热熔胶渗胶、安全性能。外观质量包括纬斜、布面疵点(局部性疵点和散布性疵点)。5.1.3机织复膜粘合衬的理化性能按批评等,外观质量按卷评等,综合评等以其中低的等级评定。5.1.4在同一卷衬内,有两项及以上理化性能同时降等时,以最低一项评等;有两项及以上外观质量同时存在时,按严重一项评等。
5.1.5在同一卷衬内,同时存在局部性和散布性疵点时,先计算局部性疵点的结辫数评定等级,再结合散布性疵点逐级降等,作为该卷布的外观质量的等级。5.2理化性能
5.2.1产品的安全性能应符合GB18401的规定。5.2.2产品的理化性能分等规定见表1。2
复合层数及胶膜类型
单位面积质量偏差率/%
热熔胶面
剥离强力/N
组合试样干热尺寸变化率/%
水洗尺寸变化率/%
组合试样水洗后外观变化/级
组合试样热熔胶渗胶
水洗前
水洗后
水洗前
水洗后
经纬向
经纬向
理化性能分等规定
优等品
符合设计要求
-3.0~+3.0
-1.0~+0.5
-1.0~+0.5
正面渗胶不允许
注1:剥离强力有特殊要求,由供需双方协议商定。注2:组合试样标准面料参照衬衫村执行,特殊情况由供需双方协议商定,一等品
符合设计要求
-5.0~+5.0
-1.0~+0.5
-1.5~+0.5
正面渗胶不允许
FZ/T64039—2014
合格品
符合设计要求
7.0~+7.0
-2.0~+0.5
正面渗胶不允许
注3:组合试样压烫工艺:温度140℃~160℃,压烫压强0.2MPa~0.4MPa、压烫时间12s~20s。5.3
外观质量
散布性症点采用以疵点程度不同逐级降等的办法。外观质量分等规定见表2。
局部性
散布性
采用结辩
或标记
幅宽公差
幅宽≤100cm
幅宽100cm~130cmwwW.bzxz.Net
幅宽>130cm
贴膜起泡、易剥离
幅度≤100cm
幅宽100cm~130cm
幅宽>130cm
同类样布
参考样
箱内卷与卷
箱与箱
外观质量分等规定
个/100m
个/100m
个/100m
优等品
不充允许
不充允许
-1.0~+2.0
-1.5~+2.5
-2.0~+3.0
一等品
不允许
不允许
-1.0~+2.0
-1.5~+2.5
2.0~+3.0
≥2-3
合格品
不充允许
不允许
-1.0~+3.0
-1.5~+3.5
≥1-2
注1:突出布面的影响服装外观的疵点都要结辫,优等品、一等品不允许存在影响布面平摊的松边、紧边、轧皱。注2:衬布反面有明显通匹疵点时,需顺降个等级。注3:幅宽≤100cm,1.5cm及以内的边疵不评分;幅宽>100cm,2.0cm及以内的边疵不评分。3
FZ/T64039—2014
试验方法
6.1单位面积质量试验方法按GB/T4669执行,机织复膜粘合衬的单位面积质量标称值由供需双方协议商定,单位面积质量偏差率计算按式(1),计算结果按GB/T8170修约至小数点后一位。m-mo
式中:
机织复膜粘合衬的单位面积质量偏差率,%;机织复膜粘合衬的单位面积质量实测值,单位为克每平方米(g/m\);机织复膜粘合衬的单位面积质量标称值,单位为克每平方米(g/m2)。6.2水洗前后剥离强力试验方法按FZ/T01085执行。6.3组合试样于热尺寸变化率试验方法按FZ/T01082执行。水洗尺寸变化率试验方法如下:6.4
-距布边10cm,距布端1m以上剪取试样一块,尺寸为300mm×300mm。试样上不得有污渍、色渍、油渍、拆痕及漏粉、涂层不匀等影响粘合加工的外观疵点存在。将剪取的试样置于GB/T6529规定的标准状态下放置4h,用合适的打印装置在试样未涂层的一面或膜面,沿经、纬向各打上三对250mm间距的标记。各组标记须离试样布边25mm左右,每组间隔约100mm士10mm,见图1。25mm25mm
wur selhar
25mm25mm
图1同向各组标记间隔示意图
按GB/T8629一2001中程序2A洗涤一次,干燥方法采用GB/T8629一2001程序C(摊平晾于)或程序F(烘箱干燥),出现争议时,以程序C(摊平晾干)为准。并置于GB/T6529规定的标准大气中平衡4h。
测量经、纬向每个方向上三组数据,测量精确至0.5mm,分别取平均值L,,单位为毫米。经、纬向水洗尺寸变化率分别按式(2)计算,计算结果按GB/T8170修约至小数点后一位。以负号(一)表示尺寸减少(收缩),以正号(十)表示尺寸增大(伸长)。_Li- L × 100%
式中:
机织复膜粘合衬的水洗尺寸变化率,%;......(2)
L,水洗后的平均距离,单位为毫米(mm);L。水洗前的平均距离,单位为毫米(mm)。6.5组合试样水洗后外观试验方法按FZ/T01084执行。6.6组合试样热熔胶渗胶试验方法按FZ/T01110执行。6.7纬斜试验方法按GB/T14801执行。6.8
幅宽检验方法按GB/T4666执行。9色差检验方法按GB/T250执行。6.9
6.10外观质量局部性疵点检验方法按FZ/T01075执行。FZ/T64039-2014
6.11复膜易剥离辨别方法:一块机织复膜粘合衬在常温下用手剥,使机织物与膜成片分离,视为复膜易剥离。
2掉粉按FZ/T60034执行。
7检验规则
检验规则按GB/T28465执行。
标志和包装
8.1标志
每卷成品的产品标识,应符合FZ/T01074规定。8.1.14
8.1.2在外包装的两个侧面上,应标明制造者的名称和地址、产品名称、产品型号、产品色泽、生产日期、批号、包装数量、质量或体积、产品质量等级。8.2包装
8.2.1成品采用中心加硬质芯轴平幅卷装,每卷按客户要求定长,外面用厚度不低于0.04mm聚乙烯薄膜包装。
8.2.2外包装材料为塑料编织袋、瓦楞纸箱或布袋等。8.2.3编织袋缝制应牢固,搭接处不小于50mm,针迹密度不低于1针/20mm,首尾回针打结。8.2.4瓦楞纸箱外面用胶带封口,塑料打包带打包加固。9其他
特殊品种或用户有特殊要求,由供求双方协议商定。5
FZ/T64039-2014
打印H期:2014年6月27HF009A
中华人民共和国纺织
行业标准
机织复膜粘合衬
FZ/T64039—2014
中国标准出版社出版发行
北京市朝阳区和平里西街甲2号(100029)北京市西城区三里河北街16号(100045)网址www.spc.net.cn
总编室:(010)64275323
发行中心:(010)51780235
读者服务部:(010)68523946
中国标准出版社秦皇岛印刷厂印刷各地新华书店经销
开本880×12301/16
印张0.75
字数12千字
2014年6月第一版2014年6月第一次印刷*
书号:155066·2-27158定价
如有印装差错由本社发行中心调换版权专有侵权必究
举报电话:(010)68510107
小提示:此标准内容仅展示完整标准里的部分截取内容,若需要完整标准请到上方自行免费下载完整标准文档。

标准图片预览:





- 其它标准
- 热门标准
- 其他行业标准
- FZ/T07002-2018 废旧纺织品再加工短纤维
- YS/T254.7-2011 铍精矿、绿柱石化学分析方法 第7部分:水分量的测定 重量法
- QX/T409-2017 农业气象观测规范 番茄
- QJMS0005S-2016 焦作市米奇食品饮料有限公司 果汁饮料
- HG/T4670-2014 改性塑料用阻燃剂黑点和异色点的测定
- JB/T7565.1-2011 隔爆型三相异步电动机技术条件 第1部分:YB3系列隔爆型三相异步电动机
- HG/T3766-2004 炔螨特乳油
- JB/T7673-2011 真空技术 真空设备型号编制方法
- QB/T2025-2013 平版印铁油墨
- YS/T358.1-2011 钽铁、铌铁精矿化学分析方法 第1部分:钽、铌量的测定 纸上色层重量法
- FZ/T10013.1-2011 温度与回潮率对棉及化纤纯纺、混纺制品断裂强力的修正方法 本色纱线及染色加工线断裂强力的修正方法
- 沪S/T306-2000 上海市建筑产品推荐性通用图集 44 SHF管道吊挂系统安装图
- QB/T2049.6-2013 灯用玻壳 M型玻壳尺寸系列
- FZ/T93073-2011 集聚纺纱装置
- QB/T4646-2014 丁酸二甲基苄基原酯
- 行业新闻
网站备案号:湘ICP备2023016450号-1