- 您的位置:
- 标准下载网 >>
- 标准分类 >>
- 机械行业标准(JB) >>
- JB/T 7019-1993 盘式制动器 制动盘
标准号:
JB/T 7019-1993
标准名称:
盘式制动器 制动盘
标准类别:
机械行业标准(JB)
英文名称:
disc brake disc标准状态:
现行-
发布日期:
1993-09-21 -
实施日期:
1994-07-01 出版语种:
简体中文下载格式:
.rar.pdf下载大小:
141.09 KB
中标分类号:
机械>>通用零部件>>J19联轴器、制动器与变速器
点击下载
标准简介:
标准下载解压密码:www.bzxz.net
本标准规定了盘式制动器用制动盘的型式、尺寸、技术要求及检验规则等。 本标准适用于单盘工各型制动器用的制动盘。 本标准不适用于多盘和湿式盘式制动器。 JB/T 7019-1993 盘式制动器 制动盘 JB/T7019-1993
部分标准内容:
中华人民共和国机械行业标准
盘式制动器
主题内容与适用范围
制动盘
JB/T 7019--93
本标准规定了盘式制动器用制动盘(以下简称制动盘)的型式、尺寸、技术要求及检验规则等本标准适用于单盘式各型制动器用的制动盘。本标准不适用于多盘和湿式盘式制动器,2引用标准
GB 699
优质碳素结构钢
技术条件
GB1348
球墨铸铁件
GB1569
GB3077
圆柱形轴伸
合金结构钢技术条件
GB3852联轴器轴孔和键槽型式及尺小GB11352
GB11357
+般工程用铸造碳钢件
带轮的材质、表面粗糙度及平衡机电产品包装通用技术条件
GB/T 13384
JB/ZQ4297合金铸钢
3型式和尺寸
3.1.1制动盘的型式按其结构分为A型制动盘和B型制动盘。a.A型制动盘的结构特征是制动盘与轮毂为-整体,如图1所示。制动盘有实体制动盘(代号为S)、直通风道制动盘(代号为Z)和曲线通风道制动盘(代号为Q)。三种制动盘的代号分别为:ASF、AZP.AQP
b.B型制动盘的结构特征是制动盘与轮毂为可拆卸连接,如图2所示。制动盘也有实体制动盘、直通风道制动盘和曲线通风道制动盘。三种制动盘的代号分别为:BSP、BZP、BQP。制动盘不要求与图示结构完全相符,但必须符合所给定的尺寸3.1.2型号表示方法
XOXDXL
轮毂长度1.mm
-轴孔直径d,,mm
厚度hmm
外径dz,mm
制动盘代号
3.1.3标记示例
A型实体制动盘,外径为500mm,厚度为30mm,轴孔直径为80mm,轮毂长度为160mm,标记为:中华人民共和国机械工业部1993-09-21批准1994-07-01实施
JB/T7019-.93
制动盘ASP500×30×80X160JB/T7019-93B型曲线通风道制动盘.外径为500mm,厚度为30mm,轴孔直径为80mm,轮毂长度为160mm,标记为:
制动盘BQP500×30×80X160JB/T7019.-933.2尺小
3.2.1A型制动盘的尺寸应符合图1和表1的规定、图1
基本尺寸免费标准下载网bzxz
极限偏差
A10004
(42)
d,(H7)
注:1)轮毅长度2,按GB1569中的伸长系列确定,键槽型式及尺寸按GB3852中长圆柱形轴孔确定2)数值前带者应优先采用。
3)b=15mm只有实体制动盘:bz=3(mm有实体制动盘和通风道制动盘;bl=42mm、h=80mm、h,112mm无实体制动盘.括号内的b值推荐拥外秘d:的线速度大于40m/s的制动盘。4)当αz大于1000mm时推荐采用R10系列优先数,,等F30mm(线速度小于40m/s),JB/T 7019--93
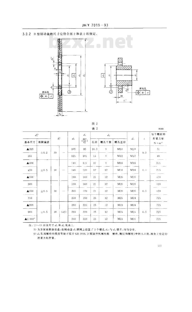
3.2.2B型制动盘的尺寸应符合图2和表2的规定。排
所有孢
基本尺寸极限偏差
A10004)
注:1)~)以及尺寸d,和d,见表d.
螺孔个数
螺孔直径
所有孔
每个螺栓的
柠紧力矩
5)为方便更换制动盘,在制动盘d。圆周上设置了33个螺孔注。,与错开,均匀分布6)d:孔用螺栓的强度等级不低于GB3098.1《紧固件机械性能螺栓、螺钉和螺柱》中的8.8级,按表2给定的拧紧力矩拧紧,
4技术要求
JB/T 7019—
4.1制动盘的制造方法和材料按表3的规定。表3
制造方法
钢板(割制)
4.2质量要求
材料名称
含金铸钢
球墨铸铁
优质碳素结构钢
合金结构钢
材料牌号
ZG 310-570
ZG A2CrMo
QT450-10
QT 600-3
35CrMoy
标雅号
GB11352
JB/2Q1297
GB1348
GB3077
4.2.1制动盘的轴孔和键槽型式及尺寸应符合GB3852的规定。4.2.2按表3规定制造的制动盘,均应消除内应力。铸造的制动盘应无裂纹、砂眼、气孔等缺陷,具有通风道的铸造制动盘,应很好清理通风道内部。对锻造或钢板割制的制动盘,不允许有表面裂纹和影响使用性能的内部夹层等缺陷。
4.2.3表1和表2中的d,和d,的圆度公差为其直径公差的1/2,制动盘摩擦面对轴孔中心线的全跳动为轴孔的公差。
4.2.4制动盘除通风道不进行机械加工外,摩擦表面的表面粗糙度Ra为3.2um,u,和d,表面粗糙度Ra为1.6um,d及其他部位的表面粗糙度Ra为6.3μm。4.2.5加工后的制动盘,其加工表面应作防锈处理。4.2.6对材料为钢的铸造和锻造制动盘进行调质处理时,硬度为273~302HB。摩擦表面如需淬火,淬硬层深度为2~3mm,硬度为35~45HRC(热处理方式的选择由供需双方协商确定)。4.2.7制动盘需要作静平衡,静平衡应使制动盘在其外径上的偏心残留量小于下列两值中之较大值:0.005kg:
制动盘和相匹配轮毂等附件质量的0.2%。b.
注:如有特殊要求,供需双方在订货时协商确定。5检验规则
5.1出!检验
每个制动盘应由生产厂质量检验部门按本标摊的规定进行出厂检验·检验合格后方可山厂,并附有产品合格证。
5.1.1出厂检验项目及方法
用目测法和通用量、卡具及测量仪,检测生产图样中有公差要求的尺寸和第4.2.1~~4.2.5条中的各项。
受检制动盘的检验项目必须全部合格。5.2型式检验
5.2.1有下列情况之--时,应进行型式检验:新产品定型或老产品转厂生产试制鉴定时;a.
正式生产后,制动盘的设计、工艺有较大改变。可能影响产品性能时;产品停户达二年以上恢复生产时;d.产品正常生产时,每“年进行一次型式检验; 12
JB/T 7019
e.国家质量监督部门提出检验要求时5.2.2型式检验采用抽样方法进行。产品正常生产时.按产品盘径的大小顺序,每两种盘径中抽取种规格,每个系列至少抽取三种规格,每个规格至少抽取两个样品。国家质量监督部门提出进行型式检验时,抽取的数量不限;其他情况下的型式检验,每种盘径的产品中应抽取·种规格,每种规格至少应抽取两个样品。
5.2.3检验内容
用目测法和通用量、卡具及测量仪,对生产图样所有尺寸和第4章逐项检验5.2.4抽取的受检产品,检验项目必须全部合格。如有不合格项.允许加倍抽取同批、同规格的产品复检·次,复检产品必须全部合格。6包装、运输与贮存
6.1产品包装应符合GB/T13384的规定,并必须随带产品合格证及使用说明书。6.2在运输装御中,严禁磕碰并应有防止雨、雪和水侵袭的措施,保证产品不受损伤和锈蚀。6.3制动盘贮存在清洁通风,温度在一25~十40℃,能防止雨,需和水等侵袭的地方。不得在日光下长期爆嗮,不充许锈蚀。
7质量保证期
在用户遵守产品保臂和使用规则的条件下,从使用之目起6个月内(但不得超过发货之日起18个月),确因制造质量不能正常工作时,制造厂应无偿为用户修理或更换。附加说明:
本标准由机械工业部北京起重运输机械研究所提出并归门,本标准由太原重型机械学院负责起草。本标准主要起草人唐风、华小洋、吴景刚。1
小提示:此标准内容仅展示完整标准里的部分截取内容,若需要完整标准请到上方自行免费下载完整标准文档。
盘式制动器
主题内容与适用范围
制动盘
JB/T 7019--93
本标准规定了盘式制动器用制动盘(以下简称制动盘)的型式、尺寸、技术要求及检验规则等本标准适用于单盘式各型制动器用的制动盘。本标准不适用于多盘和湿式盘式制动器,2引用标准
GB 699
优质碳素结构钢
技术条件
GB1348
球墨铸铁件
GB1569
GB3077
圆柱形轴伸
合金结构钢技术条件
GB3852联轴器轴孔和键槽型式及尺小GB11352
GB11357
+般工程用铸造碳钢件
带轮的材质、表面粗糙度及平衡机电产品包装通用技术条件
GB/T 13384
JB/ZQ4297合金铸钢
3型式和尺寸
3.1.1制动盘的型式按其结构分为A型制动盘和B型制动盘。a.A型制动盘的结构特征是制动盘与轮毂为-整体,如图1所示。制动盘有实体制动盘(代号为S)、直通风道制动盘(代号为Z)和曲线通风道制动盘(代号为Q)。三种制动盘的代号分别为:ASF、AZP.AQP
b.B型制动盘的结构特征是制动盘与轮毂为可拆卸连接,如图2所示。制动盘也有实体制动盘、直通风道制动盘和曲线通风道制动盘。三种制动盘的代号分别为:BSP、BZP、BQP。制动盘不要求与图示结构完全相符,但必须符合所给定的尺寸3.1.2型号表示方法
XOXDXL
轮毂长度1.mm
-轴孔直径d,,mm
厚度hmm
外径dz,mm
制动盘代号
3.1.3标记示例
A型实体制动盘,外径为500mm,厚度为30mm,轴孔直径为80mm,轮毂长度为160mm,标记为:中华人民共和国机械工业部1993-09-21批准1994-07-01实施
JB/T7019-.93
制动盘ASP500×30×80X160JB/T7019-93B型曲线通风道制动盘.外径为500mm,厚度为30mm,轴孔直径为80mm,轮毂长度为160mm,标记为:
制动盘BQP500×30×80X160JB/T7019.-933.2尺小
3.2.1A型制动盘的尺寸应符合图1和表1的规定、图1
基本尺寸免费标准下载网bzxz
极限偏差
A10004
(42)
d,(H7)
注:1)轮毅长度2,按GB1569中的伸长系列确定,键槽型式及尺寸按GB3852中长圆柱形轴孔确定2)数值前带者应优先采用。
3)b=15mm只有实体制动盘:bz=3(mm有实体制动盘和通风道制动盘;bl=42mm、h=80mm、h,112mm无实体制动盘.括号内的b值推荐拥外秘d:的线速度大于40m/s的制动盘。4)当αz大于1000mm时推荐采用R10系列优先数,,等F30mm(线速度小于40m/s),JB/T 7019--93
3.2.2B型制动盘的尺寸应符合图2和表2的规定。排
所有孢
基本尺寸极限偏差
A10004)
注:1)~)以及尺寸d,和d,见表d.
螺孔个数
螺孔直径
所有孔
每个螺栓的
柠紧力矩
5)为方便更换制动盘,在制动盘d。圆周上设置了33个螺孔注。,与错开,均匀分布6)d:孔用螺栓的强度等级不低于GB3098.1《紧固件机械性能螺栓、螺钉和螺柱》中的8.8级,按表2给定的拧紧力矩拧紧,
4技术要求
JB/T 7019—
4.1制动盘的制造方法和材料按表3的规定。表3
制造方法
钢板(割制)
4.2质量要求
材料名称
含金铸钢
球墨铸铁
优质碳素结构钢
合金结构钢
材料牌号
ZG 310-570
ZG A2CrMo
QT450-10
QT 600-3
35CrMoy
标雅号
GB11352
JB/2Q1297
GB1348
GB3077
4.2.1制动盘的轴孔和键槽型式及尺寸应符合GB3852的规定。4.2.2按表3规定制造的制动盘,均应消除内应力。铸造的制动盘应无裂纹、砂眼、气孔等缺陷,具有通风道的铸造制动盘,应很好清理通风道内部。对锻造或钢板割制的制动盘,不允许有表面裂纹和影响使用性能的内部夹层等缺陷。
4.2.3表1和表2中的d,和d,的圆度公差为其直径公差的1/2,制动盘摩擦面对轴孔中心线的全跳动为轴孔的公差。
4.2.4制动盘除通风道不进行机械加工外,摩擦表面的表面粗糙度Ra为3.2um,u,和d,表面粗糙度Ra为1.6um,d及其他部位的表面粗糙度Ra为6.3μm。4.2.5加工后的制动盘,其加工表面应作防锈处理。4.2.6对材料为钢的铸造和锻造制动盘进行调质处理时,硬度为273~302HB。摩擦表面如需淬火,淬硬层深度为2~3mm,硬度为35~45HRC(热处理方式的选择由供需双方协商确定)。4.2.7制动盘需要作静平衡,静平衡应使制动盘在其外径上的偏心残留量小于下列两值中之较大值:0.005kg:
制动盘和相匹配轮毂等附件质量的0.2%。b.
注:如有特殊要求,供需双方在订货时协商确定。5检验规则
5.1出!检验
每个制动盘应由生产厂质量检验部门按本标摊的规定进行出厂检验·检验合格后方可山厂,并附有产品合格证。
5.1.1出厂检验项目及方法
用目测法和通用量、卡具及测量仪,检测生产图样中有公差要求的尺寸和第4.2.1~~4.2.5条中的各项。
受检制动盘的检验项目必须全部合格。5.2型式检验
5.2.1有下列情况之--时,应进行型式检验:新产品定型或老产品转厂生产试制鉴定时;a.
正式生产后,制动盘的设计、工艺有较大改变。可能影响产品性能时;产品停户达二年以上恢复生产时;d.产品正常生产时,每“年进行一次型式检验; 12
JB/T 7019
e.国家质量监督部门提出检验要求时5.2.2型式检验采用抽样方法进行。产品正常生产时.按产品盘径的大小顺序,每两种盘径中抽取种规格,每个系列至少抽取三种规格,每个规格至少抽取两个样品。国家质量监督部门提出进行型式检验时,抽取的数量不限;其他情况下的型式检验,每种盘径的产品中应抽取·种规格,每种规格至少应抽取两个样品。
5.2.3检验内容
用目测法和通用量、卡具及测量仪,对生产图样所有尺寸和第4章逐项检验5.2.4抽取的受检产品,检验项目必须全部合格。如有不合格项.允许加倍抽取同批、同规格的产品复检·次,复检产品必须全部合格。6包装、运输与贮存
6.1产品包装应符合GB/T13384的规定,并必须随带产品合格证及使用说明书。6.2在运输装御中,严禁磕碰并应有防止雨、雪和水侵袭的措施,保证产品不受损伤和锈蚀。6.3制动盘贮存在清洁通风,温度在一25~十40℃,能防止雨,需和水等侵袭的地方。不得在日光下长期爆嗮,不充许锈蚀。
7质量保证期
在用户遵守产品保臂和使用规则的条件下,从使用之目起6个月内(但不得超过发货之日起18个月),确因制造质量不能正常工作时,制造厂应无偿为用户修理或更换。附加说明:
本标准由机械工业部北京起重运输机械研究所提出并归门,本标准由太原重型机械学院负责起草。本标准主要起草人唐风、华小洋、吴景刚。1
小提示:此标准内容仅展示完整标准里的部分截取内容,若需要完整标准请到上方自行免费下载完整标准文档。
标准图片预览:





- 其它标准
- 热门标准
- 机械行业标准(JB)
- JB/T10056-1999 直流电流互感器 技术条件
- JB/T2756-2006 无轨电车用炭滑块
- JB/T8679-2008 炭弧气刨炭棒 物理及使用性能试验方法
- JB/T7895-2008 永磁筒式磁选机
- JB/T8840-2013 电热器具用电源开关
- JB/T11340.3-2012 阀控式铅酸蓄电池安全阀 第3部分:橡胶帽、阀芯
- JB/T9713-1999 工程机械 湿式铜基摩擦件 技术条件
- JB/T6316-2006 Z4系列直流电动机技术条件(机座号100~450)
- JB/T4328.10-1999 电工专用设备 球墨铸铁件通用技术条件
- JB∕T12675-2016 拖拉机液压系统清洁度限值及测量方法
- JB/T10677-2006 投影机 光源
- JB/T9580-2008 炭石墨 产品分类及型号编制方法
- JB/T10930-2010 200级耐电晕漆包铜圆线
- JB/T10573-2006 工具显微镜
- JB∕T12848-2016 拖拉机性能试验用跑道要求
- 行业新闻
请牢记:“bzxz.net”即是“标准下载”四个汉字汉语拼音首字母与国际顶级域名“.net”的组合。 ©2025 标准下载网 www.bzxz.net 本站邮件:bzxznet@163.com
网站备案号:湘ICP备2025141790号-2
网站备案号:湘ICP备2025141790号-2