- 您的位置:
- 标准下载网 >>
- 标准分类 >>
- 农业行业标准(NY) >>
- NY 5028-2008 无公害食品 畜禽产品加工用水水质
标准号:
NY 5028-2008
标准名称:
无公害食品 畜禽产品加工用水水质
标准类别:
农业行业标准(NY)
标准状态:
现行-
发布日期:
2008-05-16 -
实施日期:
2008-07-01 出版语种:
简体中文下载格式:
.rar.pdf下载大小:
586.97 KB
标准ICS号:
环保、保健与安全>>13.060中标分类号:
环境保护>>环境质量标准>>Z51专业环境质量标准
替代情况:
替代NY 5028-2001
部分标准内容:
ICS13.060
中华人民共和国农业行业标准
NY5028—2008
代替NY5028-2001
无公害食品
2008-05-16发布
畜禽产品加工用水水质
2008-07-01实施
中华人民共和国农业部发布
本标准代替NY5028一2001《无公害食品畜禽产品加工用水水质》。本标准与NY5028—2001相比,主要修改如下:水质指标检验方法引用GB/T5750《生活饮用水标准检验方法》;一将化学指标中“硫酸”改为“硫酸盐”,将“总溶解性固体”改为“溶解性总固体”将深加工用水水质卫生要求改为“应符合GB/T5749的要求”;一增加了感官指标、总大肠菌群和粪大肠菌群检测方法;增加了检验规则。
本标准由中华人民共和国农业部市场与经济信息司提出并归口。NY50282008
本标准起草单位:农业部农产品质量安全中心、中国农业科学院北京畜牧兽医研究所、徐州师范大学。下载标准就来标准下载网
本标准主要起草人:张春雷、侯水生、丁保华、廖超子、樊红平、黄苇、王艳红、谢明。本标准于2001年9月首次发布,本次为第一次修订。1范围
无公害食品畜禽产品加工用水水质NY5028-2008
本标准规定了无公害畜禽产品加工用水水质的术语和定义、要求、试验方法和检验规则。本标准适用于无公害畜禽产品的加工用水水质要求。2规范性引用文件
下列文件中的条款通过本标准的引用而成为本标准的条款。凡是注日期的引用文件,其随后所有的修改单(不包括勘误的内容)或修订版均不适用于本标准,然而,鼓励根据本标准达成协议的各方研究是否可使用这些文件的最新版本。凡是不注日期的引用文件,其最新版本适用于本标准。GB5749生活饮用水卫生标准
GB/T5750.2生活饮用水标准检验方法水样的采集与保存GB/T5750.4生活饮用水标准检验方法感观性状和物理指标GB/T5750.5生活饮用水标准检验方法无机非金属指标GB/T5750.6生活饮用水标准检验方法金属指标GB/T5750.12生活饮用水标准检验方法微生物指标GB/T18920城市污水再生利用城市杂用水水质3术语和定义
下列术语和定义适用于本标准。3.1
屠宰加工用水
在特定的屠宰车间内将畜禽屠宰加工成体或初分割过程中需要的生产性用水。畜禽制品深加工用水
畜禽产品(包括肉、蛋、奶)加工成制品(成品)或半制品(初级产品或分割制品)过程中需要的生产性用水,包括添加水和原料洗涤用水。4要求
4.1屠宰加工用水水质卫生要求
卫生安全指标应符合表1规定。
表1安全指标
感官指标
浑浊度
臭和味
肉眼可见物
卫生要求
≤20°
不得有异臭,异味
不得含有
NY5028—2008
化学指标
微生物指标
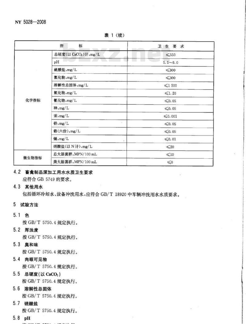
总硬度(以CaCO.)计,mg/L
硫酸盐,mg/L
氯化物,mg/L
溶解性总固体,mg/L
氟化物,mg/L
氰化物,mg/L
砷,mg/L
汞,mg/L
铅,mg/L
铬(六价),mg/L
,mg/L
硝酸盐(以N计),mg/L
总大肠菌群,MPN/100mL
粪大肠菌群,MPN/100mL
4.2膏禽制品深加工用水水质卫生要求应符合GB5749的要求。
4.3其他用水
表1 (续)
卫生要求
≤300
≤1500
包括循环冷却水、设备冲洗用水,应符合GB/T18920中车辆冲洗用水水质要求。5试验方法
按GB/T5750.4规定执行。
5.2浑浊度
按GB/T5750.4规定执行。
5.3臭和味
按GB/T5750.4规定执行。
5.4肉眼可见物
按GB/T5750.4规定执行。
5.5总硬度(以CaCO.)
按GB/T5750.4规定执行。
5.6溶解性总固体
按GB/T5750.4规定执行。
5.7硫酸盐
按GB/T5750.4规定执行。
按GB/T5750.4规定执行。
5.9铬(六价)
按GB/T5750.6规定执行。
按GB/T5750.6规定执行。
按GB/T5750.6规定执行。
按GB/T5750.6规定执行。
5.13硝酸盐
按GB/T5750.5规定执行。
5.14氟化物
按GB/T5750.5规定执行。
按GB/T5750.6规定执行。
5.16氰化物
按GB/T5750.5规定执行。
5.17氯化物
按GB/T5750.5规定执行。
5.18总大肠菌群
按GB/T5750.12规定执行。
5.19粪大肠菌群
按GB/T5750.12规定执行。
检验规则
6.1水样的采集与保存
按GB5750.2规定执行。
6.2型式检验
型式检验应检验技术要求中全部项目。在下列情况之一时应进行型式检验:a)申请无公害农产品认证和进行无公害农产品年度抽查检验;b)更换设备或长期停产再恢复生产时。6.3判定规则
6.3.1全部检验项目均符合本标准时,判为合格,否则,判为不合格。NY5028—2008
6.3.2对检验结果有争议时,应对留存样品进行复检。对不合格项复检,以复检结果为准。3
小提示:此标准内容仅展示完整标准里的部分截取内容,若需要完整标准请到上方自行免费下载完整标准文档。
中华人民共和国农业行业标准
NY5028—2008
代替NY5028-2001
无公害食品
2008-05-16发布
畜禽产品加工用水水质
2008-07-01实施
中华人民共和国农业部发布
本标准代替NY5028一2001《无公害食品畜禽产品加工用水水质》。本标准与NY5028—2001相比,主要修改如下:水质指标检验方法引用GB/T5750《生活饮用水标准检验方法》;一将化学指标中“硫酸”改为“硫酸盐”,将“总溶解性固体”改为“溶解性总固体”将深加工用水水质卫生要求改为“应符合GB/T5749的要求”;一增加了感官指标、总大肠菌群和粪大肠菌群检测方法;增加了检验规则。
本标准由中华人民共和国农业部市场与经济信息司提出并归口。NY50282008
本标准起草单位:农业部农产品质量安全中心、中国农业科学院北京畜牧兽医研究所、徐州师范大学。下载标准就来标准下载网
本标准主要起草人:张春雷、侯水生、丁保华、廖超子、樊红平、黄苇、王艳红、谢明。本标准于2001年9月首次发布,本次为第一次修订。1范围
无公害食品畜禽产品加工用水水质NY5028-2008
本标准规定了无公害畜禽产品加工用水水质的术语和定义、要求、试验方法和检验规则。本标准适用于无公害畜禽产品的加工用水水质要求。2规范性引用文件
下列文件中的条款通过本标准的引用而成为本标准的条款。凡是注日期的引用文件,其随后所有的修改单(不包括勘误的内容)或修订版均不适用于本标准,然而,鼓励根据本标准达成协议的各方研究是否可使用这些文件的最新版本。凡是不注日期的引用文件,其最新版本适用于本标准。GB5749生活饮用水卫生标准
GB/T5750.2生活饮用水标准检验方法水样的采集与保存GB/T5750.4生活饮用水标准检验方法感观性状和物理指标GB/T5750.5生活饮用水标准检验方法无机非金属指标GB/T5750.6生活饮用水标准检验方法金属指标GB/T5750.12生活饮用水标准检验方法微生物指标GB/T18920城市污水再生利用城市杂用水水质3术语和定义
下列术语和定义适用于本标准。3.1
屠宰加工用水
在特定的屠宰车间内将畜禽屠宰加工成体或初分割过程中需要的生产性用水。畜禽制品深加工用水
畜禽产品(包括肉、蛋、奶)加工成制品(成品)或半制品(初级产品或分割制品)过程中需要的生产性用水,包括添加水和原料洗涤用水。4要求
4.1屠宰加工用水水质卫生要求
卫生安全指标应符合表1规定。
表1安全指标
感官指标
浑浊度
臭和味
肉眼可见物
卫生要求
≤20°
不得有异臭,异味
不得含有
NY5028—2008
化学指标
微生物指标
总硬度(以CaCO.)计,mg/L
硫酸盐,mg/L
氯化物,mg/L
溶解性总固体,mg/L
氟化物,mg/L
氰化物,mg/L
砷,mg/L
汞,mg/L
铅,mg/L
铬(六价),mg/L
,mg/L
硝酸盐(以N计),mg/L
总大肠菌群,MPN/100mL
粪大肠菌群,MPN/100mL
4.2膏禽制品深加工用水水质卫生要求应符合GB5749的要求。
4.3其他用水
表1 (续)
卫生要求
≤300
≤1500
包括循环冷却水、设备冲洗用水,应符合GB/T18920中车辆冲洗用水水质要求。5试验方法
按GB/T5750.4规定执行。
5.2浑浊度
按GB/T5750.4规定执行。
5.3臭和味
按GB/T5750.4规定执行。
5.4肉眼可见物
按GB/T5750.4规定执行。
5.5总硬度(以CaCO.)
按GB/T5750.4规定执行。
5.6溶解性总固体
按GB/T5750.4规定执行。
5.7硫酸盐
按GB/T5750.4规定执行。
按GB/T5750.4规定执行。
5.9铬(六价)
按GB/T5750.6规定执行。
按GB/T5750.6规定执行。
按GB/T5750.6规定执行。
按GB/T5750.6规定执行。
5.13硝酸盐
按GB/T5750.5规定执行。
5.14氟化物
按GB/T5750.5规定执行。
按GB/T5750.6规定执行。
5.16氰化物
按GB/T5750.5规定执行。
5.17氯化物
按GB/T5750.5规定执行。
5.18总大肠菌群
按GB/T5750.12规定执行。
5.19粪大肠菌群
按GB/T5750.12规定执行。
检验规则
6.1水样的采集与保存
按GB5750.2规定执行。
6.2型式检验
型式检验应检验技术要求中全部项目。在下列情况之一时应进行型式检验:a)申请无公害农产品认证和进行无公害农产品年度抽查检验;b)更换设备或长期停产再恢复生产时。6.3判定规则
6.3.1全部检验项目均符合本标准时,判为合格,否则,判为不合格。NY5028—2008
6.3.2对检验结果有争议时,应对留存样品进行复检。对不合格项复检,以复检结果为准。3
小提示:此标准内容仅展示完整标准里的部分截取内容,若需要完整标准请到上方自行免费下载完整标准文档。
标准图片预览:





- 其它标准
- 热门标准
- 农业行业标准(NY)
- NY/T5295-2004 无公害食品 产地环境评价准则
- NY/T598-2002 食用绿豆
- NY5086-2002 无公害食品 鲜食葡萄
- NY/T797-2004 硅肥
- NY/T1858.2-2010 番茄主要病害抗病性鉴定技术规程 第2部分:番茄抗叶霉病鉴定技术规程
- NY/T1153.4-2013 农药登记用白蚁防治剂药效试验方法及评价 第4部分农药木材处理预防白蚁
- NY/T2669-2014 热带作物品种审定规范 木薯
- NY/T456-2001 茉莉花茶
- NY/T5161-2002 无公害食品 虹鳟养殖技术规范
- NY5187-2002 无公害食品 罐装金针菇
- NY/T749-2003 绿色食品 食用菌
- NY/T889-2004 土壤速效钾和缓效钾含量的测定
- NY/T1378-2007 土壤氯离子含量的测定
- NY/T1364-2007 温室齿条开窗机
- NY/T1159-2006 中华蜜蜂种蜂王
- 行业新闻
请牢记:“bzxz.net”即是“标准下载”四个汉字汉语拼音首字母与国际顶级域名“.net”的组合。 ©2025 标准下载网 www.bzxz.net 本站邮件:bzxznet@163.com
网站备案号:湘ICP备2025141790号-2
网站备案号:湘ICP备2025141790号-2