- 您的位置:
- 标准下载网 >>
- 标准分类 >>
- 农业行业标准(NY) >>
- NY/T 959-2006 脱水蔬菜根菜类
标准号:
NY/T 959-2006
标准名称:
脱水蔬菜根菜类
标准类别:
农业行业标准(NY)
英文名称:
Dehydrated vegetable -- Vegetable for roots标准状态:
现行-
发布日期:
2006-01-26 -
实施日期:
2006-04-01 出版语种:
简体中文下载格式:
.rar.pdf下载大小:
578.27 KB
标准ICS号:
食品技术>>水果、蔬菜及其制品>>67.080.20蔬菜及其制品中标分类号:
农业、林业>>经济作物>>B31瓜果、蔬菜种植与产品
点击下载
标准简介:
标准下载解压密码:www.bzxz.net
本标准规定了脱水蔬菜根菜类的要求、试验方法、检验规则、标志、包装、运输和贮存。本标准适用于脱水蔬菜根菜类的生产、运输、贮存及销售。 NY/T 959-2006 脱水蔬菜根菜类 NY/T959-2006
本标准规定了脱水蔬菜根菜类的要求、试验方法、检验规则、标志、包装、运输和贮存。
本标准适用于脱水蔬菜根菜类的生产、运输、贮存及销售。
部分标准内容:
ICS67.080.20
中华人民共和国农业行业标准
NY/T959—2006
脱水蔬菜免费标准bzxz.net
根菜类
Dehydrated vegetableVegetable for roots2006-01-26发布
2006-04-01实施
中华人民共和国农业部发布
本标准由中华人民共和国农业部提出并归口。NY/T9592006
本标准起草单位:西北农林科技大学、农业部食品质量监督检验测试中心(成都)、西安莱富现代食品有限公司。
本标准主要起草人:刘兴华、任亚梅、罗安伟、寇莉萍、胡谟彪、梁建国。1
1范围
脱水蔬菜
根菜类
NY/T959—2006
本标准规定了脱水蔬菜根菜类的要求、试验方法、检验规则、标志、包装、运输和贮存。本标准适用于脱水蔬菜根菜类的生产,运输、贮存及销售。2规范性引用文件
下列文件中的条款通过本标准的引用而成为本标准的条款。凡是注日期的引用文件,其随后所有的修改单(不包括勘误的内容)或修订版均不适用于本标准。然而,鼓励根据本标准达成协议的各方研究是否可使用这些文件的最新版本。凡是不注日期的引用文件,其最新版本适用于本标准。GB191包装贮运图示标志
GB4789食品卫生检验微生物学部分GB4789.2食品卫生微生物学检验菌落总数测定GB4789.3
食品卫生微生物学检验
大肠菌群测定
GB/T 5009.3
食品中水分的测定
GB/T5009.11
GB/T5009.12
GB/T5009.15
GB/T 5009.17
GB/T5009.33
GB/T5009.34
食品中总砷及无机神的测定
食品中铅的测定
食品中镉的测定
食品中总汞及无机汞的测定
食品中亚硝酸盐与硝酸盐的测定食品中亚硫酸盐的测定
GB7718食品标签通用标准
水果、蔬菜产品的总灰分及总灰分和水溶性灰分的碱度测定方法GB/T8857
GB/T10473水果、蔬菜产品中盐酸不溶性灰分的测定方法NY/T714脱水蔬菜通用技术条件
JJF1070定量包装商品净含量检验规则3要求
3.1原料
应符合NY/T714的规定。
3.2感官指标
脱水蔬菜根菜类感官指标应符合表1的规定。表1脱水蔬菜根菜类的感官指标
气味和溢味
复水性
与原料固有的色泽相近或一致
各种形态产品的规格应均匀一致,无黏结具有原料固有的气味和滋味,无异味95C热水没泡2min,基本恢复脱水前的状态1
NY/T9592006
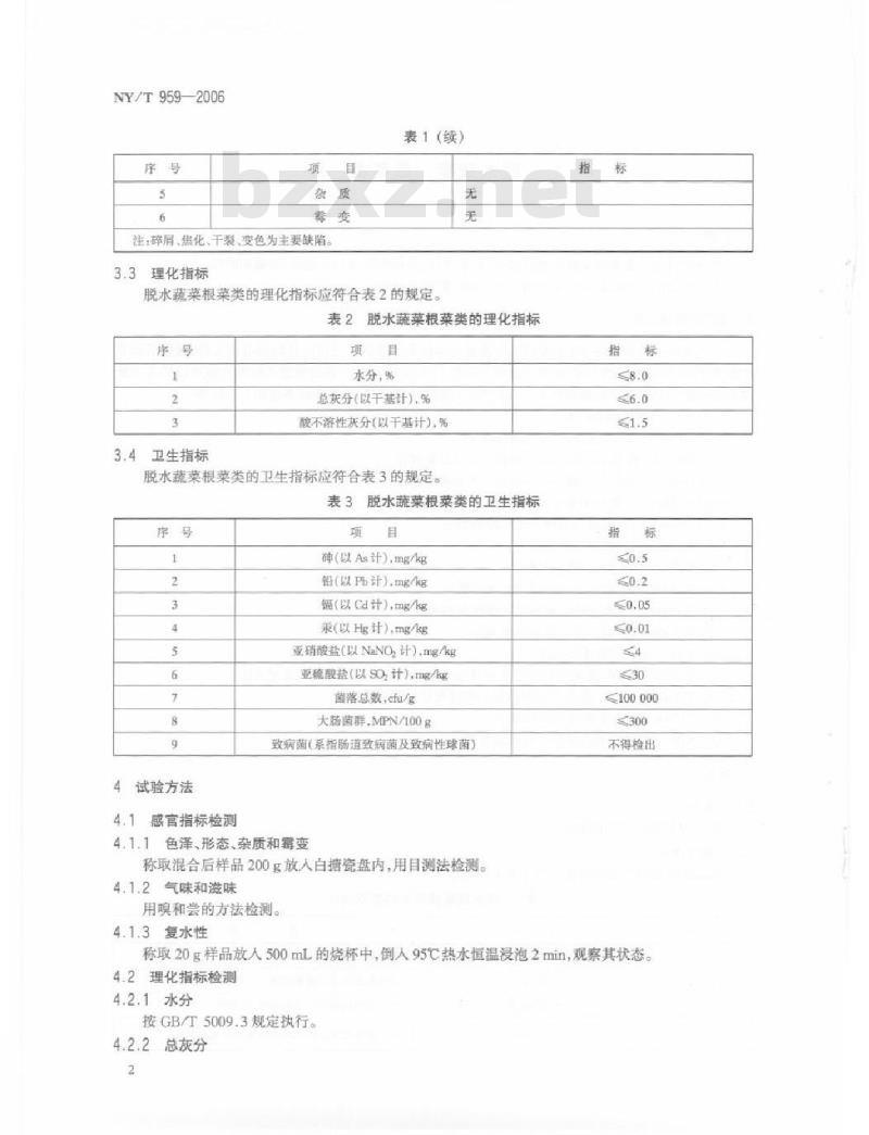
注:碎屑、焦化、干裂、变色为主要缺陷。3.3
理化指标
表1(续)
脱水蔬菜根菜类的理化指标应符合表2的规定。表2脱水蔬菜根菜类的理化指标
卫生指标
水分,%
总灰分(以干基计),%
酸不落性灰分(以干基计),%
脱水蔬菜根菜类的卫生指标应符合表3的规定。表3脱水蔬菜根菜类的卫生指标
试验方法
感官指标检测
神(以As计),mg/kg
铅(以Pb计)mg/kg
辐(以Cd计),mg/kg
乘(以Hg计),mg/kg
亚硝酸盐(以NaNO,计),mg/kg
亚硫酸盐(以SO计),mg/kg
茵落总数,cfug
大肠菌群,MIPN/100g
致病菌(系指肠道致病菌及致病性球菌)色泽、形态、杂质和霉变
称取混合后样品200名放人白携瓷盘内,用目测法检测。4.1.2气味和滋味
用嗅和尝的方法检测。
4.1.3复水性
100000
≤300
不得检出
称取20g样品放人500mL的烧杯中,倒人95℃热水恒温浸泡2min,观察其状态。4.2理化指标检测
4.2.1水分
按GB/T5009.3规定执行。
4.2.2总灰分
按GB/T8857规定执行。
4.2.3酸不溶性灰分
按GB/T10473规定执行。
4.3卫生指标检测
接GB/T5009.11规定执行。
按GB/T5009.12规定执行。
按GB/T5009.15规定执行。
按GB/T5009.17规定执行。
4.3.5亚硝酸盐
接GB/T5009.33规定执行。
4.3.6亚硫酸盐
按GB/T5009.34规定执行。
4.3.7菌落总数
按GB4789.2规定执行
4.3.8大肠菌群
按GB4789.3规定执行。
4.3.9致病菌
按GB4789规定执行。
5检验规则
5.1检验分类
5.1.1型式检验
NY/T959—2006
型式检验是对产品进行全面考核,即对本标准规定的全部要求进行检验。有下列情形之一者应进行型式检验。
a)新产品定型鉴定时:
原材料、设备或工艺有较大改变,可能影响产品质量时;b
停产3个月以上,又恢复生产时;出厂检验结果与上次型式检验有较大差异时;d
国家质量监督部门或主管部门提出型式检验要求时:e
)合同规定时。
5.1.2交收检验
每批产品交收前,生产单位都要进行交收检验。交收检验内容包括感官指标、微生物、标志和包装。检验合格并附合格证后方可交收。5.2组批规则
同批生产的产品作为一个检验批次。5.3抽样方法
5.3.1从批量货物的不同位置随机抽取样品,抽样数量按表4规定执行。3
NY/T959—2006
5.3.2缩减样品
批量范围,箱(装)
101~300
301~500
5011000
≥1000
表4检验样品的抽样件数
样本数,箱(袋)
15(最低限度)
从抽取的每件样品中,随机各取500g~1000名,混合均匀,作为检验样品。5.3.3检验单与货物不符,应由生产单位整理后再行抽样。5.4包装检验
按GB7718规定执行。
5.5判定规则
5.5.1每批受检产品抽样检验时,对不符合感官要求的产品做各项记录。如果一个样品同时出现多种缺陷,选择一种主要的缺陷,按一个残次品计算。不合格品的百分率按公式(1)计算,计算结果精确到小数点后一位。
式中:
单项不合格的百分率,单位为百分率,%;单项不合格样品的质量,单位为克,;mi
检验样品的质量,单位为克,g。各单位有缺陷样品百分率之和即为被检样品的总不合格百分率。5.5.2限度范围
每批次受检样品的不合格率按其所检单位(如箱、袋、包等)的平均值计算,其值不应超过规定限度:
b)同一批次受检样品的总不合格百分率不超过5%,单位样品的不合格百分率不超过10%。5.5.3卫生指标有一项不合格,则该批次产品视为不合格。5.5.4复验
该批次产品的标志、包装,净含量不合格,允许复验一次:感官、理化和卫生指标不合格,不进行复验。
6标志
按GB7718和GB191规定执行。
7包装、运输和贮存
7.1包装
7.1.1包装材料要符合食品卫生要求,应防潮、防污染7.1.2按产品的品种、规格包装,单件的净含量误差应符合JJF1070的规定。4
7.2运输
NY/T959—2006
在运输中严禁日晒、雨淋,要防潮;运输工具应清洁卫生:不应与有毒、有害、潮湿物品混装、混运。搬运时应轻搬、轻放。
3贮存
应在阴凉、干燥、通风条件下贮存。堆垛下应有防潮垫,不能与地面直接接触,不能与易燃、腐蚀、有毒、潮湿物品共同存放,贮存场所应有防鼠、防虫、防尘措施。5
小提示:此标准内容仅展示完整标准里的部分截取内容,若需要完整标准请到上方自行免费下载完整标准文档。
中华人民共和国农业行业标准
NY/T959—2006
脱水蔬菜免费标准bzxz.net
根菜类
Dehydrated vegetableVegetable for roots2006-01-26发布
2006-04-01实施
中华人民共和国农业部发布
本标准由中华人民共和国农业部提出并归口。NY/T9592006
本标准起草单位:西北农林科技大学、农业部食品质量监督检验测试中心(成都)、西安莱富现代食品有限公司。
本标准主要起草人:刘兴华、任亚梅、罗安伟、寇莉萍、胡谟彪、梁建国。1
1范围
脱水蔬菜
根菜类
NY/T959—2006
本标准规定了脱水蔬菜根菜类的要求、试验方法、检验规则、标志、包装、运输和贮存。本标准适用于脱水蔬菜根菜类的生产,运输、贮存及销售。2规范性引用文件
下列文件中的条款通过本标准的引用而成为本标准的条款。凡是注日期的引用文件,其随后所有的修改单(不包括勘误的内容)或修订版均不适用于本标准。然而,鼓励根据本标准达成协议的各方研究是否可使用这些文件的最新版本。凡是不注日期的引用文件,其最新版本适用于本标准。GB191包装贮运图示标志
GB4789食品卫生检验微生物学部分GB4789.2食品卫生微生物学检验菌落总数测定GB4789.3
食品卫生微生物学检验
大肠菌群测定
GB/T 5009.3
食品中水分的测定
GB/T5009.11
GB/T5009.12
GB/T5009.15
GB/T 5009.17
GB/T5009.33
GB/T5009.34
食品中总砷及无机神的测定
食品中铅的测定
食品中镉的测定
食品中总汞及无机汞的测定
食品中亚硝酸盐与硝酸盐的测定食品中亚硫酸盐的测定
GB7718食品标签通用标准
水果、蔬菜产品的总灰分及总灰分和水溶性灰分的碱度测定方法GB/T8857
GB/T10473水果、蔬菜产品中盐酸不溶性灰分的测定方法NY/T714脱水蔬菜通用技术条件
JJF1070定量包装商品净含量检验规则3要求
3.1原料
应符合NY/T714的规定。
3.2感官指标
脱水蔬菜根菜类感官指标应符合表1的规定。表1脱水蔬菜根菜类的感官指标
气味和溢味
复水性
与原料固有的色泽相近或一致
各种形态产品的规格应均匀一致,无黏结具有原料固有的气味和滋味,无异味95C热水没泡2min,基本恢复脱水前的状态1
NY/T9592006
注:碎屑、焦化、干裂、变色为主要缺陷。3.3
理化指标
表1(续)
脱水蔬菜根菜类的理化指标应符合表2的规定。表2脱水蔬菜根菜类的理化指标
卫生指标
水分,%
总灰分(以干基计),%
酸不落性灰分(以干基计),%
脱水蔬菜根菜类的卫生指标应符合表3的规定。表3脱水蔬菜根菜类的卫生指标
试验方法
感官指标检测
神(以As计),mg/kg
铅(以Pb计)mg/kg
辐(以Cd计),mg/kg
乘(以Hg计),mg/kg
亚硝酸盐(以NaNO,计),mg/kg
亚硫酸盐(以SO计),mg/kg
茵落总数,cfug
大肠菌群,MIPN/100g
致病菌(系指肠道致病菌及致病性球菌)色泽、形态、杂质和霉变
称取混合后样品200名放人白携瓷盘内,用目测法检测。4.1.2气味和滋味
用嗅和尝的方法检测。
4.1.3复水性
100000
≤300
不得检出
称取20g样品放人500mL的烧杯中,倒人95℃热水恒温浸泡2min,观察其状态。4.2理化指标检测
4.2.1水分
按GB/T5009.3规定执行。
4.2.2总灰分
按GB/T8857规定执行。
4.2.3酸不溶性灰分
按GB/T10473规定执行。
4.3卫生指标检测
接GB/T5009.11规定执行。
按GB/T5009.12规定执行。
按GB/T5009.15规定执行。
按GB/T5009.17规定执行。
4.3.5亚硝酸盐
接GB/T5009.33规定执行。
4.3.6亚硫酸盐
按GB/T5009.34规定执行。
4.3.7菌落总数
按GB4789.2规定执行
4.3.8大肠菌群
按GB4789.3规定执行。
4.3.9致病菌
按GB4789规定执行。
5检验规则
5.1检验分类
5.1.1型式检验
NY/T959—2006
型式检验是对产品进行全面考核,即对本标准规定的全部要求进行检验。有下列情形之一者应进行型式检验。
a)新产品定型鉴定时:
原材料、设备或工艺有较大改变,可能影响产品质量时;b
停产3个月以上,又恢复生产时;出厂检验结果与上次型式检验有较大差异时;d
国家质量监督部门或主管部门提出型式检验要求时:e
)合同规定时。
5.1.2交收检验
每批产品交收前,生产单位都要进行交收检验。交收检验内容包括感官指标、微生物、标志和包装。检验合格并附合格证后方可交收。5.2组批规则
同批生产的产品作为一个检验批次。5.3抽样方法
5.3.1从批量货物的不同位置随机抽取样品,抽样数量按表4规定执行。3
NY/T959—2006
5.3.2缩减样品
批量范围,箱(装)
101~300
301~500
5011000
≥1000
表4检验样品的抽样件数
样本数,箱(袋)
15(最低限度)
从抽取的每件样品中,随机各取500g~1000名,混合均匀,作为检验样品。5.3.3检验单与货物不符,应由生产单位整理后再行抽样。5.4包装检验
按GB7718规定执行。
5.5判定规则
5.5.1每批受检产品抽样检验时,对不符合感官要求的产品做各项记录。如果一个样品同时出现多种缺陷,选择一种主要的缺陷,按一个残次品计算。不合格品的百分率按公式(1)计算,计算结果精确到小数点后一位。
式中:
单项不合格的百分率,单位为百分率,%;单项不合格样品的质量,单位为克,;mi
检验样品的质量,单位为克,g。各单位有缺陷样品百分率之和即为被检样品的总不合格百分率。5.5.2限度范围
每批次受检样品的不合格率按其所检单位(如箱、袋、包等)的平均值计算,其值不应超过规定限度:
b)同一批次受检样品的总不合格百分率不超过5%,单位样品的不合格百分率不超过10%。5.5.3卫生指标有一项不合格,则该批次产品视为不合格。5.5.4复验
该批次产品的标志、包装,净含量不合格,允许复验一次:感官、理化和卫生指标不合格,不进行复验。
6标志
按GB7718和GB191规定执行。
7包装、运输和贮存
7.1包装
7.1.1包装材料要符合食品卫生要求,应防潮、防污染7.1.2按产品的品种、规格包装,单件的净含量误差应符合JJF1070的规定。4
7.2运输
NY/T959—2006
在运输中严禁日晒、雨淋,要防潮;运输工具应清洁卫生:不应与有毒、有害、潮湿物品混装、混运。搬运时应轻搬、轻放。
3贮存
应在阴凉、干燥、通风条件下贮存。堆垛下应有防潮垫,不能与地面直接接触,不能与易燃、腐蚀、有毒、潮湿物品共同存放,贮存场所应有防鼠、防虫、防尘措施。5
小提示:此标准内容仅展示完整标准里的部分截取内容,若需要完整标准请到上方自行免费下载完整标准文档。
标准图片预览:





- 其它标准
- 热门标准
- 农业行业标准(NY)
- NY∕T3212-2018 拖拉机和联合收割机登记证书
- NY/T5357-2007 无公害食品 海洋水产品捕捞生产管理规范
- NY/T2444-2013 菠萝叶纤维
- NY2188-2012 联合收割机号牌座设置技术要求
- NY/T2686-2015 旱作玉米全膜覆盖技术规范
- NY/T2493-2013 植物新品种特异性、一致性和稳定性测试指南 荞麦
- NY/T2520-2013 植物新品种特异性、一致性和稳定性测试指南 树莓
- NY/T605-2006 焙炒咖啡
- NY/T2423-2013 植物新品种特异性、一致性和稳定性测试指南 小豆
- NY/T1178-2006 牧区牛羊棚圈建设技术规范
- NY/T2484-2013 植物新品种特异性 一致性和稳定性测试指南 无芒雀麦
- NY/T2251-2012 香蕉花叶心腐病和束顶病病原分子检测技术规范
- NY/T2618-2014 农业机械传动变速箱 修理质量
- NY/T2409-2013 有机茄果类蔬菜生产质量控制技术规范
- NY/T2464-2013 马铃薯收获机 作业质量
- 行业新闻
请牢记:“bzxz.net”即是“标准下载”四个汉字汉语拼音首字母与国际顶级域名“.net”的组合。 ©2025 标准下载网 www.bzxz.net 本站邮件:bzxznet@163.com
网站备案号:湘ICP备2025141790号-2
网站备案号:湘ICP备2025141790号-2