- 您的位置:
- 标准下载网 >>
- 标准分类 >>
- 农业行业标准(NY) >>
- NY 5144-2002 无公害食品 咸鸭蛋
标准号:
NY 5144-2002
标准名称:
无公害食品 咸鸭蛋
标准类别:
农业行业标准(NY)
标准状态:
现行-
发布日期:
2002-07-25 -
实施日期:
2002-09-01 出版语种:
简体中文下载格式:
.rar.pdf下载大小:
158.39 KB
标准ICS号:
食品技术>>水果、蔬菜及其制品>>67.080.20蔬菜及其制品中标分类号:
食品>>食品加工与制品>>X18禽、蛋加工与制品
点击下载
标准简介:
标准下载解压密码:www.bzxz.net
本标准规定了无公害咸鸭蛋的术语、技术要求、检验方法、检验规则以及标志、包装、运输、贮存、保质期要求。本标准适用于以鲜鸭蛋为原料经由食盐等辅料配成的料液或料泥加工而成的咸鸭蛋。 NY 5144-2002 无公害食品 咸鸭蛋 NY5144-2002
部分标准内容:
ICS 67.120. 20
中华人民共和国农业行业标准
NY5144—2002
无公害食品
2002-07-25发布
咸鸭蛋
200209-01实施
中华人民共和国农业部 发布
NY5144-2002
本标由中华人民共和国农业部提出。本标准起草单位:浙江省农业科学院畜牧兽医研究所、农业部农产品质检中心(杭州)、温岭市畜牧兽医站、温岭市质量技术监督局、浙江省农业厅畜牧管理局。本标雁主要起草人:卢立志、陶争荣、戴夏友、王小骊、金良、任娇云、沈军达。326
1范围
咸鸭蛋
无公害食品
NY 5144--2002
本标准规定了无公害咸鸭蛋的术语、技术要求、检验方法、检验规则以及标志、标签、包装、运输、贮存、保质期要求。
本标准适用于以鲜鸭蛋为原料经由食盐等辅料配成的料液或料泥加工而成的咸鸭蛋。2规范性引用文件
下列文件中的条款通过本标准的引用而成为本标准的条款。凡是注日期的引用文件,其随后所有的修改单(不包括勘误的内容)或修订版均不适用于本标准,然而,鼓励根据本标准达成协议的各方研究是否可使用这些文件的最新版本。凡是不注日期的引用文件,其最新版本适用于本标准。GB4789.2食品卫生微生物学检验菌落总数测定
大肠菌群测定
GB4789.3食品卫生微生物学检验GB 4789. 4
GB 4789. 5
GB4789. 10
GB4789. 11
食品卫生微生物学检验
食品卫生微生物学检验
沙门氏菌检验
志贺氏菌检验
食品卫生微生物学检验
金黄色葡萄球菌检验
食品卫生微生物学检验
溶血性链球菌检验
GB/T 5009.11
GB/T 5009. 12
GB/T 5009.15
GB/T 5009.17
食品中总砷的测定方法
食品中铅的测定方法
食品中的测定方法
食品中总汞的测定方法
GB/T5009.19食品中六六六、滴滴涕残留量的测定方法GB7718食品标签通用标准
畜禽肉中土素、四环素、金素残留测定方法(高效液相色谱法)GB/T 14931.1
GB/T 14962
3术语
食品中铬的测定方法
下列术语与定义适用于本标准。3.1
咸鸭蛋 salted duck egg
以鲜鸭蛋经食盐为主要辅料腌制的鸭蛋制品。3.2
破损蛋broken egg
蛋壳有不同程度破损的蛋。
裂纹蛋flawegg
蛋壳有明显或不明显的裂纹。
NY 5144--2002
酪窝蛋
sunken egg
蛋壳局部向里凹陷,但内容物尚未暴露。3.3
次蛋inferior egg
蛋内在质量较差的蛋。
sticky shell egg
粘壳蛋
部分蛋白在剃壳时粘壳。
peculiar smell egg
异味蛋
产生了不正常气味的蛋。
破次率 ratio of broken and inferior egg破碎蛋和次蛋所占百分比。
劣蛋 bad egg
蛋内在质量低劣不能食用的蛋,主要是臭蛋,发臭变质不能食用。3.6
劣蛋率
ratio of bad egg
劣蛋所占百分比。
包泥蛋egg wrapped withmud
按传统方法在成品蛋外包-一层料泥并裹一层稻壳或草木灰的蛋。3.8
光身蛋bare egg
不包涂任何物质而直接出售的成品蛋。3.9
包膜蛋egg packed with film
用塑料薄膜(厚度0.015mm~~0.025mm)包裹的成品蛋。3.10
vacuum-packed egg
真空包装蛋
用塑料真空袋包装的成品蛋。
高温灭菌真空包装蛋vacuum-packed egg through high temperature用塑料袋真空包装经121C高温灭菌的成品蛋。4技术要求
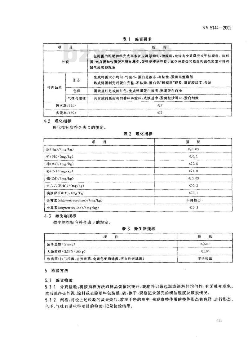
4.1感官要求
感官应符合表1的要求。
蛋内品质
气味与滋味
破次率/(%)
劣强率/(%)
理化指标
表1感官要求
NY5144—2002
包泥蛋的泥层和稻壳或草木灰应薄厚均勾,微湿润,允许有少数露壳或干枯现象。涂料蛋、光身蛋和包膜蛋不得有霉变,蛋壳要清洁完整,真空包装蛋和高游灭菌包装蛋不得有漏气或胀袋现象
生咸鸭蛋大小均匀,气室小,蛋白液态,有粘性,蛋黄完整隆起熟威鸭蛋剩壳后蛋白宽整,不粘壳,蛋白无“蜂窝状”现象,蛋黄较结实,含油蛋黄呈红色淡红色·生咸鸭蛋蛋白透明,熟蛋蛋白白净具有减鸭關有的香味和滋味,威淡适中。蛋黄松沙可,蛋白细嫩7
理化指标应符合表2的规定。
表2理化指标
汞(Hg)/(mg/kg)
铅(Ib)/(mg/kg)
弹(As)/(mg/kg)bZxz.net
铬(Cr)/(mmg/kg)
(Cd)/(mg/kg)
六六六(BHC)/(mg/kg)
滴滴沸(DDT)/(mg/kg)
金醇素(chlortetracyeline)/(m/kg)土素(oxytetracyline)/(mg/kg)4.3
微生物指标
微生物指标应符合表3的规定。
菌落总数/(cfu/g)
大肠菌群/(MPN/100g)
表3微生物指标
致病菌(沙门氏菌、贺氏菌、金黄色葡葡球菌、溶血性链球菌)5检验方法
5.1感官检验
不得检出
不得检出
5.1.1外观检验:将按抽样方法取样品蛋依次摆开,观察并记录包泥或涂料的均匀性,有无群变现象。然后洗净壳外泥、涂料或去除塑料包装膜、袋,擦干,观察记录蛋壳的清洁程度及破情况。5.1.2检:将经上述检验的蛋去壳后,放在干净的盘中,先观察整体蛋的整体形态和色泽进行形态、色泽、气味和滋味等项目的检验,记录检验结巢。329
NY 5144—2002
5.2理化检验
5.2.1汞:按GB/T5009.17规定方法测定。5.2.2铅:按GB/T5009.12规定方法测定。5.2.3碑:按GB/T5009.11规定方法测定。5.2.4铬:按GB/T14962规定方法测定。5.2.5镉:按GB/T5009.15规定方法测定。5.2.6六六六、滴滴:按GB/T5009.19规定方法测定。5.2.7金霉素、土素:按GB/T14931.1规定方法测定。5.3微生物检验
5.3.1菌落总数:按GB4789.2规定方法检验。5.3.2大肠菌落:按GB4789.3规定方法检验。5.3.3致病菌:按GB4789.4、GB4789.5、GB4789.10、GB4789.11规定方法检验。6检验规则
6.1检验分类
6.1.1型式检验
型式检验是对产品进行全面考核,即对本标准规定的全部要求(指标)进行检验。有下列情形之一时应进行型式检验:
a)因人为或自然因素使生产环境发生较大变化;b)国家质量监督机构或主管部门提出型式检验要求;c)合同纠纷导致的仲裁检验。
6.1.2出厂检验
海批产品出厂前,生产单位都应进行出厂检验,出厂检验内容包括包装、标志、感官要求等,检验合格并附合格证的产品方可出厂。6.2检验批次
同一生产基地,同一品种,同一包装日期的咸鸭蛋为一个检验批次。6.3抽样方法
按批次分别在货件不同部位随机抽样,抽样件数按式(1)计算。抽取每件总数的3%合并在一一起进行检验。剖检时,如果样品量过大,可随机抽样20枚再进行剖验。m
式中:
S—--抽样件数;
㎡同批货的总件数。
样品的检验结果适用于整个检验批次。6.4判定规则
6.4.1感官要求
6.4.1.1感官指标中的外观、形态、颜色、气滋味不作为皮蛋的合格或不合格项判定,可以符合或不符合项形式作为品质指标的参考。6.4.1.2威鸭蛋破次率超过7%(不含7%)或劣蛋率超过1%(不含1%)判为该样品不合格。6.4.2理化检验
有-一个项目不合格,即判定该样品不合格。6.4.3微生物指标
有一个项目不合格,即判定该样品不合格。NY5144—2002
6.5复检
对检验结果有争议时,应对留存样进行复检,或在同批次产品中按本标准6.3的规定重新加倍抽样,对不合格项复验,以复验结果为准。7标签
咸鸭蛋产品标签应标明产品名称、数量、产地、包装日期、生产单位、卫生许可证号、执行标准代号及保质期,定量包装产品的外包装标签还应符合GB7718的规定。8包装、运输、贮存、保质期
8.1包装
咸鸭蛋包装材料应符合相应的国家卫生标准。8.2运输
运输工具必须清洁卫生,无异味,在运输过程中应轻拿轻放,严防受潮、雨淋、曝晒和其他污染。特别寒冷的地方要防冻,高温地区要防过热。8.3贮存
应在通风条件良好的场地贮存,不得同有毒、有害、有异味的物品混存。8.4保质期
在包装完好的情况下保质期3个月。331
小提示:此标准内容仅展示完整标准里的部分截取内容,若需要完整标准请到上方自行免费下载完整标准文档。
中华人民共和国农业行业标准
NY5144—2002
无公害食品
2002-07-25发布
咸鸭蛋
200209-01实施
中华人民共和国农业部 发布
NY5144-2002
本标由中华人民共和国农业部提出。本标准起草单位:浙江省农业科学院畜牧兽医研究所、农业部农产品质检中心(杭州)、温岭市畜牧兽医站、温岭市质量技术监督局、浙江省农业厅畜牧管理局。本标雁主要起草人:卢立志、陶争荣、戴夏友、王小骊、金良、任娇云、沈军达。326
1范围
咸鸭蛋
无公害食品
NY 5144--2002
本标准规定了无公害咸鸭蛋的术语、技术要求、检验方法、检验规则以及标志、标签、包装、运输、贮存、保质期要求。
本标准适用于以鲜鸭蛋为原料经由食盐等辅料配成的料液或料泥加工而成的咸鸭蛋。2规范性引用文件
下列文件中的条款通过本标准的引用而成为本标准的条款。凡是注日期的引用文件,其随后所有的修改单(不包括勘误的内容)或修订版均不适用于本标准,然而,鼓励根据本标准达成协议的各方研究是否可使用这些文件的最新版本。凡是不注日期的引用文件,其最新版本适用于本标准。GB4789.2食品卫生微生物学检验菌落总数测定
大肠菌群测定
GB4789.3食品卫生微生物学检验GB 4789. 4
GB 4789. 5
GB4789. 10
GB4789. 11
食品卫生微生物学检验
食品卫生微生物学检验
沙门氏菌检验
志贺氏菌检验
食品卫生微生物学检验
金黄色葡萄球菌检验
食品卫生微生物学检验
溶血性链球菌检验
GB/T 5009.11
GB/T 5009. 12
GB/T 5009.15
GB/T 5009.17
食品中总砷的测定方法
食品中铅的测定方法
食品中的测定方法
食品中总汞的测定方法
GB/T5009.19食品中六六六、滴滴涕残留量的测定方法GB7718食品标签通用标准
畜禽肉中土素、四环素、金素残留测定方法(高效液相色谱法)GB/T 14931.1
GB/T 14962
3术语
食品中铬的测定方法
下列术语与定义适用于本标准。3.1
咸鸭蛋 salted duck egg
以鲜鸭蛋经食盐为主要辅料腌制的鸭蛋制品。3.2
破损蛋broken egg
蛋壳有不同程度破损的蛋。
裂纹蛋flawegg
蛋壳有明显或不明显的裂纹。
NY 5144--2002
酪窝蛋
sunken egg
蛋壳局部向里凹陷,但内容物尚未暴露。3.3
次蛋inferior egg
蛋内在质量较差的蛋。
sticky shell egg
粘壳蛋
部分蛋白在剃壳时粘壳。
peculiar smell egg
异味蛋
产生了不正常气味的蛋。
破次率 ratio of broken and inferior egg破碎蛋和次蛋所占百分比。
劣蛋 bad egg
蛋内在质量低劣不能食用的蛋,主要是臭蛋,发臭变质不能食用。3.6
劣蛋率
ratio of bad egg
劣蛋所占百分比。
包泥蛋egg wrapped withmud
按传统方法在成品蛋外包-一层料泥并裹一层稻壳或草木灰的蛋。3.8
光身蛋bare egg
不包涂任何物质而直接出售的成品蛋。3.9
包膜蛋egg packed with film
用塑料薄膜(厚度0.015mm~~0.025mm)包裹的成品蛋。3.10
vacuum-packed egg
真空包装蛋
用塑料真空袋包装的成品蛋。
高温灭菌真空包装蛋vacuum-packed egg through high temperature用塑料袋真空包装经121C高温灭菌的成品蛋。4技术要求
4.1感官要求
感官应符合表1的要求。
蛋内品质
气味与滋味
破次率/(%)
劣强率/(%)
理化指标
表1感官要求
NY5144—2002
包泥蛋的泥层和稻壳或草木灰应薄厚均勾,微湿润,允许有少数露壳或干枯现象。涂料蛋、光身蛋和包膜蛋不得有霉变,蛋壳要清洁完整,真空包装蛋和高游灭菌包装蛋不得有漏气或胀袋现象
生咸鸭蛋大小均匀,气室小,蛋白液态,有粘性,蛋黄完整隆起熟威鸭蛋剩壳后蛋白宽整,不粘壳,蛋白无“蜂窝状”现象,蛋黄较结实,含油蛋黄呈红色淡红色·生咸鸭蛋蛋白透明,熟蛋蛋白白净具有减鸭關有的香味和滋味,威淡适中。蛋黄松沙可,蛋白细嫩7
理化指标应符合表2的规定。
表2理化指标
汞(Hg)/(mg/kg)
铅(Ib)/(mg/kg)
弹(As)/(mg/kg)bZxz.net
铬(Cr)/(mmg/kg)
(Cd)/(mg/kg)
六六六(BHC)/(mg/kg)
滴滴沸(DDT)/(mg/kg)
金醇素(chlortetracyeline)/(m/kg)土素(oxytetracyline)/(mg/kg)4.3
微生物指标
微生物指标应符合表3的规定。
菌落总数/(cfu/g)
大肠菌群/(MPN/100g)
表3微生物指标
致病菌(沙门氏菌、贺氏菌、金黄色葡葡球菌、溶血性链球菌)5检验方法
5.1感官检验
不得检出
不得检出
5.1.1外观检验:将按抽样方法取样品蛋依次摆开,观察并记录包泥或涂料的均匀性,有无群变现象。然后洗净壳外泥、涂料或去除塑料包装膜、袋,擦干,观察记录蛋壳的清洁程度及破情况。5.1.2检:将经上述检验的蛋去壳后,放在干净的盘中,先观察整体蛋的整体形态和色泽进行形态、色泽、气味和滋味等项目的检验,记录检验结巢。329
NY 5144—2002
5.2理化检验
5.2.1汞:按GB/T5009.17规定方法测定。5.2.2铅:按GB/T5009.12规定方法测定。5.2.3碑:按GB/T5009.11规定方法测定。5.2.4铬:按GB/T14962规定方法测定。5.2.5镉:按GB/T5009.15规定方法测定。5.2.6六六六、滴滴:按GB/T5009.19规定方法测定。5.2.7金霉素、土素:按GB/T14931.1规定方法测定。5.3微生物检验
5.3.1菌落总数:按GB4789.2规定方法检验。5.3.2大肠菌落:按GB4789.3规定方法检验。5.3.3致病菌:按GB4789.4、GB4789.5、GB4789.10、GB4789.11规定方法检验。6检验规则
6.1检验分类
6.1.1型式检验
型式检验是对产品进行全面考核,即对本标准规定的全部要求(指标)进行检验。有下列情形之一时应进行型式检验:
a)因人为或自然因素使生产环境发生较大变化;b)国家质量监督机构或主管部门提出型式检验要求;c)合同纠纷导致的仲裁检验。
6.1.2出厂检验
海批产品出厂前,生产单位都应进行出厂检验,出厂检验内容包括包装、标志、感官要求等,检验合格并附合格证的产品方可出厂。6.2检验批次
同一生产基地,同一品种,同一包装日期的咸鸭蛋为一个检验批次。6.3抽样方法
按批次分别在货件不同部位随机抽样,抽样件数按式(1)计算。抽取每件总数的3%合并在一一起进行检验。剖检时,如果样品量过大,可随机抽样20枚再进行剖验。m
式中:
S—--抽样件数;
㎡同批货的总件数。
样品的检验结果适用于整个检验批次。6.4判定规则
6.4.1感官要求
6.4.1.1感官指标中的外观、形态、颜色、气滋味不作为皮蛋的合格或不合格项判定,可以符合或不符合项形式作为品质指标的参考。6.4.1.2威鸭蛋破次率超过7%(不含7%)或劣蛋率超过1%(不含1%)判为该样品不合格。6.4.2理化检验
有-一个项目不合格,即判定该样品不合格。6.4.3微生物指标
有一个项目不合格,即判定该样品不合格。NY5144—2002
6.5复检
对检验结果有争议时,应对留存样进行复检,或在同批次产品中按本标准6.3的规定重新加倍抽样,对不合格项复验,以复验结果为准。7标签
咸鸭蛋产品标签应标明产品名称、数量、产地、包装日期、生产单位、卫生许可证号、执行标准代号及保质期,定量包装产品的外包装标签还应符合GB7718的规定。8包装、运输、贮存、保质期
8.1包装
咸鸭蛋包装材料应符合相应的国家卫生标准。8.2运输
运输工具必须清洁卫生,无异味,在运输过程中应轻拿轻放,严防受潮、雨淋、曝晒和其他污染。特别寒冷的地方要防冻,高温地区要防过热。8.3贮存
应在通风条件良好的场地贮存,不得同有毒、有害、有异味的物品混存。8.4保质期
在包装完好的情况下保质期3个月。331
小提示:此标准内容仅展示完整标准里的部分截取内容,若需要完整标准请到上方自行免费下载完整标准文档。
标准图片预览:





- 其它标准
- 上一篇: NY 5186-2002 无公害食品 干制金针菇
- 下一篇: SC/T 3113-2002 冻虾
- 热门标准
- 农业行业标准(NY)
- NY/T2498-2013 植物新品种特异性、一致性和稳定性测试指南 茭白
- NY/T1112-2006 配方肥料
- NY/T5295-2004 无公害食品 产地环境评价准则
- NY/T2572-2014 植物新品种特异性、一致性和稳定性测试指南 薏苡
- NY/T598-2002 食用绿豆
- NY/T1858.2-2010 番茄主要病害抗病性鉴定技术规程 第2部分:番茄抗叶霉病鉴定技术规程
- NY/T1153.4-2013 农药登记用白蚁防治剂药效试验方法及评价 第4部分农药木材处理预防白蚁
- NY/T1052-2014 绿色食品 豆制品
- NY/T2519-2013 植物新品种特异性、一致性和稳定性测试指南 番木瓜
- NY/T2589-2014 植物新品种特异性一致性和稳定性测试指南 柴胡与狭叶柴胡
- NY/T2669-2014 热带作物品种审定规范 木薯
- NY/T456-2001 茉莉花茶
- NY/T5161-2002 无公害食品 虹鳟养殖技术规范
- NY/T423-2000 绿色食品 鲜梨
- NY5187-2002 无公害食品 罐装金针菇
- 行业新闻
请牢记:“bzxz.net”即是“标准下载”四个汉字汉语拼音首字母与国际顶级域名“.net”的组合。 ©2025 标准下载网 www.bzxz.net 本站邮件:bzxznet@163.com
网站备案号:湘ICP备2025141790号-2
网站备案号:湘ICP备2025141790号-2