- 您的位置:
- 标准下载网 >>
- 标准分类 >>
- 机械行业标准(JB) >>
- JB/T 7947-1999 等压式焊炬、割炬
标准号:
JB/T 7947-1999
标准名称:
等压式焊炬、割炬
标准类别:
机械行业标准(JB)
英文名称:
Isobaric welding torch and cutting torch标准状态:
现行-
发布日期:
1999-06-24 -
实施日期:
2000-01-01 出版语种:
简体中文下载格式:
.rar.pdf下载大小:
190.31 KB
点击下载
标准简介:
标准下载解压密码:www.bzxz.net
JB/T 7947-1999 本标准是对 JB/T 7947-95《等压式焊炬、割炬》的修订。 本标准适用于一般单焰等压式焊炬、割炬和焊割两用炬。它供金属的氧乙炔焊接、切割及其它各种火焰加工(钎焊、预热等)之用。 本标准于 1985 年 4 月 2 日以 GB 5108-85 首次发布,于 1996 年 4 月调整为 JB/T 7947-95。 JB/T 7947-1999 等压式焊炬、割炬 JB/T7947-1999
部分标准内容:
JB/T7947—1999
本标准是对JB/T7947—95等压式焊炬,割炬》进行的修订。本标准自实施之日起代替JB/T7947—95。本标准由全国焊接标准化技术委员会提出并归口。本标准起草单位:哈尔滨焊接研究所。本标准主要起草人:吕振杰、刘红戈、张喜和。595
中华人民共和国机械行业标准
等压式焊炬、割炬
Equal pressure welding torch and cutting torchJB/T 7947--1999
代替JB/T7947-95
本标推适用于一般单焰等压式焊炬、割炬和焊割两用炬。它供金属的氧-乙炔焊接,切割及其他各种火焰加工(钎焊、预热等)之用。2型式及基本参数
2.1焊炬采用换管式,割炬采用更换孔径大小不同的割嘴,以适应焊接和切割不同厚度工件的需要。焊割两用炬的型式按照焊炬、割炬的型式。2.2型号:焊割炬的型号由汉语拼音字母、代表结构的序号数及规格组成。焊割炬的型号见表1。表1焊割炬的型号
表1中符号:
H02-12
H02-20
表示焊(Han)的第
个字母
表示割(Ge)的第一个字母;
表示手工记
表示等压式;
12;20—-表示最大的焊接低碳钢厚度,mm;100;200300-—表示最大的切割低碳钢厚度,mm。2.3焊割炬的示意图见图1和图2。2
G02-100
G02-300
1—焊赚32—混合管燥母;3—混合管接头;4-氧气接头螺纹;5—氧气螺母6—氧气软管接头;7--乙炔接头螺纹;8—乙炔螺母;9—乙炔软管接头图1焊炬示意图
国机械工业局1999-06-24批准
焊割两用炬
HG 02-12/100
HG02-20/200
2000-01-01实施
JB/T7947-1999
G02-100型
1-割嘴;2—舒嘴螺母+3—削嘴接头;4一氧气接头螺纹;5一氧气螺母;6—氧气软管接头,7乙炔接头螺纹:8—乙炔螺母,9—乙炔软管接头E
G02-300型
1—割嘴,2—-割嘴螺母;3--割嘴接头:4氧气接头螺纹;5—氧气螺母;6-氧气软管接头?7—乙炔接头螺纹,8—乙块螺母=9—乙快软管接头图2割炬示意图
焊割炬的主要参数和基本参数见表2、表3、表4和表52.4
表2焊割炬的主要参数
焊割两用炬
H02-12
H02-12
H02-20
G02-100
G02-300
HG02-12/100
HG02-20/200
焊接低碳钢厚度
表3焊炬的基本参数
氧气工作压力
乙炔工作压力
切割低碳钢厚度
3~~100
3~300
3~200
焰芯长度
焊炬总长度
H02-20
G02-100
G02-300
HG02-12/100
JB/T 7947--1999
表3(完)
氧气工作压力
乙块工作压力
表注·割炬的基本塞数
切静氧批控
氧气工作压力
乙块工作压力
表5焊制两用炬的基本参数
氧气工雅压力
乙炔工作压力
焰芯长度
可见切氧流长度
≥100
≥100
≥130
≥150
≥170
焰芯长度
焊炬总长度
焊炬总长度
可见切割氧流长度
≥100
焊割炬
总长度
HG02-20/200
3技术要求
JB/T 7947—1999www.bzxz.net
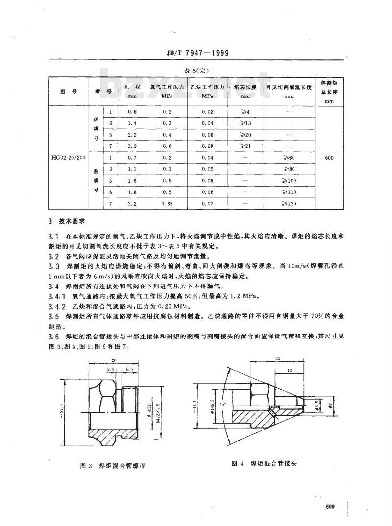
表5(完)
氧气工作压力
乙炔工作压力
焰芯长度
「可见切割流长度
≥100
≥110
≥130
焊割炬
总长度
3.1在本标准规定的氧气、乙炔工作压力下,将火焰调节成中性焰,其火焰应清晰。焊炬的焰芯长度和割炬的可见切割氧流长度应不低于表3~表5中有关规定。3.2各气阀应保证灵活地关闭气路及均匀地调节流量。3.3焊割炬的火焰应燃烧稳定,不得有偏斜、弯曲、回火倒袭和爆鸣等现象。当10m/s(焊嘴孔径在1 mm以下者为6 m/s)的风垂直吹向火焰时,火焰的焰芯应保持稳定。3.4焊割炬所有连接处和气阀在下列进气压力下不得气。3.4.1氧气通路内:按最大氧气工作压力提高50%,但最高为1.2MPa。3.4.2乙炔和混合气通路内:压力为0.25MPa。3.5焊割炬所有气体通路零件应用抗腐蚀材料制造。乙炔通路的零件不得用含铜量大于70%的合金制造。
3.6焊炬的混合管接头与中部连接体和割炬的割嘴与割嘴接头的配合面应保证气密和互换,其尺寸见图3、图4、图5、图6和图7。
图3焊炬混合普螺母
图4焊炬混合管接头
图5割嘴
9'1X7W
JB/T7947-1999
11-- [3
图?割接头
图6割嘴螺母
3.7后部接体的氧气接头螺纹、乙炔接头螺纹、氧气管接头、乙炔管接头、氧气螺母及乙炔螺应符合如下规定:
氧气接头:螺纹接头M16×1.5
乙炔接头:螺纹接头M16×1.5
氧气管接头:氧气软管接头B型5.2乙炔管接头:燃气软管接头B型$6.2氧气螺母:氧气螺母M16×1.5
乙块螺母:燃气螺母M16X1.5
3.8在装配之前,凡属气体通路的零件必须脱脂处理。3.9焊割炬外表应美观整洁。
3.9.1焊接部位焊料应均勾,无明显外流。3.9.2外表无明显机械损伤、弯典不正和表面缺陷。3.9.3手柄、手轮等连接部位不得有松动现象。3.10焊、割嘴单独供应时,应符合2.4、3.1、3.3~3.6有关规定。600
4试验方法及验收规则
4.1试验方法
4.1.1气密性试验
JB/T 7947.1999
焊割炬在3.4所规定的压力下,通人不含油脂的气体,在气阀关闭和打开两种状态下,放在水中持续20s,各气阀和所有连接处均不得漏气。4.1.2燃烧试验
在本标准所规定的氧气、乙炔工作压力下,进行燃烧试验,检查焊割炬是否符合3.1和3.2的规定。4.1.3焊炬抗回火试验
a)试验条件
抗回火试验板(见图8)。
试验焊炬H02-12型用3号焊嘴,H02-20型用4号焊嘴,焊嘴端面与试板平行,其距离为2mm,并固定焊炬(见图9)。
在 6i(r 表面上径向布置
104个坡口,缠口间的
径向夹角为(.573
第一亲口中心线
材料:紫铜
图8抗回火试验板
试验板旋转速度为10r/min。
试验半径R100(1+0.41ogQ)(mm),Q为焊炬燃烧燃气的额定流量(L/h)。b)试验程序
引燃焊炬,按额定流量调节成中性火焰,稳定30s后开始旋转(在旋转期不能调节火焰),每饮试验旋转5圈。
c)验收要求
JB/T7947--1999
图9抗回火试验
回火试验板
焊炬经过旋转5圈后不发生回火(允许连续爆鸣)为合格。若发生持续回火则必须停止试验,将焊炬(嘴)冷却清理后再重复两次试验(每次试验后进行冷却),不发生回火(允许连续爆鸣)仍为合格。4.1.4风中稳定性试验
将装有焊(割)嘴的焊(割)炬(H02-12型为3号嘴,H02-20型为4号嘴;G02-100型为3号嘴,G02300型为5号嘴)引燃并按规定流量调节成中性火焰,稳定30s后,使火焰与风向垂直,置于风速为10m/s处,若焊(割)炬的焰芯在10s内能正常燃烧为合格。若焰芯跳动、灭火或回火则重复试验两次,焰芯能正常燃烧者仍为合格。
4.2验收规
4.2.1外表质量应符合3.9规定。4.2.2产品出厂必须附有产品合格证和使用说明书。4.2.3用户有权对所交产品,按本标准所规定的试验方法和验收规则进行检查。4.2.4外表、气密性试验、燃烧试验及主要零部件的主要尺寸检查,其抽检数量为每批交货数量的0.5%,但不少于5套。
4.2.5抽检时,如有不合格的项目,则应加倍取样复检不合格的项目。复检全部合格时,仅将初检的不合格品返修,复检后若仍有不合格项目,不论多少,则视该批产品为不合格,须整修后重新提交验收。5标志与包装
5.1标志焊割炬应标明:制造厂名、商标、型号、制造年月和氧气、乙炔进气部位。氧气阀应有蓝色标志,乙块阀应有红色标志。焊割嘴应标明商标,型号和号码。各种标志的位置应明显,字迹、图案应清晰。5.2小包装应美观、坚固,并标明品名、型号和制造厂名。大包装应坚固,符合运输要求及有关规定,并标明品名、型号、数量、毛重、净重、体积、制造年月和厂名。字体端正,字迹清晰。5.3焊、割单独供应时,应用小纸盒或塑料袋(盒)包装。每个纸盒或塑料袋(盒)只能装一个型号的焊、割嘴,并标明品名,型号、嘴号、数量、商标或厂名。大包装应符合5.2规定。602
小提示:此标准内容仅展示完整标准里的部分截取内容,若需要完整标准请到上方自行免费下载完整标准文档。
本标准是对JB/T7947—95等压式焊炬,割炬》进行的修订。本标准自实施之日起代替JB/T7947—95。本标准由全国焊接标准化技术委员会提出并归口。本标准起草单位:哈尔滨焊接研究所。本标准主要起草人:吕振杰、刘红戈、张喜和。595
中华人民共和国机械行业标准
等压式焊炬、割炬
Equal pressure welding torch and cutting torchJB/T 7947--1999
代替JB/T7947-95
本标推适用于一般单焰等压式焊炬、割炬和焊割两用炬。它供金属的氧-乙炔焊接,切割及其他各种火焰加工(钎焊、预热等)之用。2型式及基本参数
2.1焊炬采用换管式,割炬采用更换孔径大小不同的割嘴,以适应焊接和切割不同厚度工件的需要。焊割两用炬的型式按照焊炬、割炬的型式。2.2型号:焊割炬的型号由汉语拼音字母、代表结构的序号数及规格组成。焊割炬的型号见表1。表1焊割炬的型号
表1中符号:
H02-12
H02-20
表示焊(Han)的第
个字母
表示割(Ge)的第一个字母;
表示手工记
表示等压式;
12;20—-表示最大的焊接低碳钢厚度,mm;100;200300-—表示最大的切割低碳钢厚度,mm。2.3焊割炬的示意图见图1和图2。2
G02-100
G02-300
1—焊赚32—混合管燥母;3—混合管接头;4-氧气接头螺纹;5—氧气螺母6—氧气软管接头;7--乙炔接头螺纹;8—乙炔螺母;9—乙炔软管接头图1焊炬示意图
国机械工业局1999-06-24批准
焊割两用炬
HG 02-12/100
HG02-20/200
2000-01-01实施
JB/T7947-1999
G02-100型
1-割嘴;2—舒嘴螺母+3—削嘴接头;4一氧气接头螺纹;5一氧气螺母;6—氧气软管接头,7乙炔接头螺纹:8—乙炔螺母,9—乙炔软管接头E
G02-300型
1—割嘴,2—-割嘴螺母;3--割嘴接头:4氧气接头螺纹;5—氧气螺母;6-氧气软管接头?7—乙炔接头螺纹,8—乙块螺母=9—乙快软管接头图2割炬示意图
焊割炬的主要参数和基本参数见表2、表3、表4和表52.4
表2焊割炬的主要参数
焊割两用炬
H02-12
H02-12
H02-20
G02-100
G02-300
HG02-12/100
HG02-20/200
焊接低碳钢厚度
表3焊炬的基本参数
氧气工作压力
乙炔工作压力
切割低碳钢厚度
3~~100
3~300
3~200
焰芯长度
焊炬总长度
H02-20
G02-100
G02-300
HG02-12/100
JB/T 7947--1999
表3(完)
氧气工作压力
乙块工作压力
表注·割炬的基本塞数
切静氧批控
氧气工作压力
乙块工作压力
表5焊制两用炬的基本参数
氧气工雅压力
乙炔工作压力
焰芯长度
可见切氧流长度
≥100
≥100
≥130
≥150
≥170
焰芯长度
焊炬总长度
焊炬总长度
可见切割氧流长度
≥100
焊割炬
总长度
HG02-20/200
3技术要求
JB/T 7947—1999www.bzxz.net
表5(完)
氧气工作压力
乙炔工作压力
焰芯长度
「可见切割流长度
≥100
≥110
≥130
焊割炬
总长度
3.1在本标准规定的氧气、乙炔工作压力下,将火焰调节成中性焰,其火焰应清晰。焊炬的焰芯长度和割炬的可见切割氧流长度应不低于表3~表5中有关规定。3.2各气阀应保证灵活地关闭气路及均匀地调节流量。3.3焊割炬的火焰应燃烧稳定,不得有偏斜、弯曲、回火倒袭和爆鸣等现象。当10m/s(焊嘴孔径在1 mm以下者为6 m/s)的风垂直吹向火焰时,火焰的焰芯应保持稳定。3.4焊割炬所有连接处和气阀在下列进气压力下不得气。3.4.1氧气通路内:按最大氧气工作压力提高50%,但最高为1.2MPa。3.4.2乙炔和混合气通路内:压力为0.25MPa。3.5焊割炬所有气体通路零件应用抗腐蚀材料制造。乙炔通路的零件不得用含铜量大于70%的合金制造。
3.6焊炬的混合管接头与中部连接体和割炬的割嘴与割嘴接头的配合面应保证气密和互换,其尺寸见图3、图4、图5、图6和图7。
图3焊炬混合普螺母
图4焊炬混合管接头
图5割嘴
9'1X7W
JB/T7947-1999
11-- [3
图?割接头
图6割嘴螺母
3.7后部接体的氧气接头螺纹、乙炔接头螺纹、氧气管接头、乙炔管接头、氧气螺母及乙炔螺应符合如下规定:
氧气接头:螺纹接头M16×1.5
乙炔接头:螺纹接头M16×1.5
氧气管接头:氧气软管接头B型5.2乙炔管接头:燃气软管接头B型$6.2氧气螺母:氧气螺母M16×1.5
乙块螺母:燃气螺母M16X1.5
3.8在装配之前,凡属气体通路的零件必须脱脂处理。3.9焊割炬外表应美观整洁。
3.9.1焊接部位焊料应均勾,无明显外流。3.9.2外表无明显机械损伤、弯典不正和表面缺陷。3.9.3手柄、手轮等连接部位不得有松动现象。3.10焊、割嘴单独供应时,应符合2.4、3.1、3.3~3.6有关规定。600
4试验方法及验收规则
4.1试验方法
4.1.1气密性试验
JB/T 7947.1999
焊割炬在3.4所规定的压力下,通人不含油脂的气体,在气阀关闭和打开两种状态下,放在水中持续20s,各气阀和所有连接处均不得漏气。4.1.2燃烧试验
在本标准所规定的氧气、乙炔工作压力下,进行燃烧试验,检查焊割炬是否符合3.1和3.2的规定。4.1.3焊炬抗回火试验
a)试验条件
抗回火试验板(见图8)。
试验焊炬H02-12型用3号焊嘴,H02-20型用4号焊嘴,焊嘴端面与试板平行,其距离为2mm,并固定焊炬(见图9)。
在 6i(r 表面上径向布置
104个坡口,缠口间的
径向夹角为(.573
第一亲口中心线
材料:紫铜
图8抗回火试验板
试验板旋转速度为10r/min。
试验半径R100(1+0.41ogQ)(mm),Q为焊炬燃烧燃气的额定流量(L/h)。b)试验程序
引燃焊炬,按额定流量调节成中性火焰,稳定30s后开始旋转(在旋转期不能调节火焰),每饮试验旋转5圈。
c)验收要求
JB/T7947--1999
图9抗回火试验
回火试验板
焊炬经过旋转5圈后不发生回火(允许连续爆鸣)为合格。若发生持续回火则必须停止试验,将焊炬(嘴)冷却清理后再重复两次试验(每次试验后进行冷却),不发生回火(允许连续爆鸣)仍为合格。4.1.4风中稳定性试验
将装有焊(割)嘴的焊(割)炬(H02-12型为3号嘴,H02-20型为4号嘴;G02-100型为3号嘴,G02300型为5号嘴)引燃并按规定流量调节成中性火焰,稳定30s后,使火焰与风向垂直,置于风速为10m/s处,若焊(割)炬的焰芯在10s内能正常燃烧为合格。若焰芯跳动、灭火或回火则重复试验两次,焰芯能正常燃烧者仍为合格。
4.2验收规
4.2.1外表质量应符合3.9规定。4.2.2产品出厂必须附有产品合格证和使用说明书。4.2.3用户有权对所交产品,按本标准所规定的试验方法和验收规则进行检查。4.2.4外表、气密性试验、燃烧试验及主要零部件的主要尺寸检查,其抽检数量为每批交货数量的0.5%,但不少于5套。
4.2.5抽检时,如有不合格的项目,则应加倍取样复检不合格的项目。复检全部合格时,仅将初检的不合格品返修,复检后若仍有不合格项目,不论多少,则视该批产品为不合格,须整修后重新提交验收。5标志与包装
5.1标志焊割炬应标明:制造厂名、商标、型号、制造年月和氧气、乙炔进气部位。氧气阀应有蓝色标志,乙块阀应有红色标志。焊割嘴应标明商标,型号和号码。各种标志的位置应明显,字迹、图案应清晰。5.2小包装应美观、坚固,并标明品名、型号和制造厂名。大包装应坚固,符合运输要求及有关规定,并标明品名、型号、数量、毛重、净重、体积、制造年月和厂名。字体端正,字迹清晰。5.3焊、割单独供应时,应用小纸盒或塑料袋(盒)包装。每个纸盒或塑料袋(盒)只能装一个型号的焊、割嘴,并标明品名,型号、嘴号、数量、商标或厂名。大包装应符合5.2规定。602
小提示:此标准内容仅展示完整标准里的部分截取内容,若需要完整标准请到上方自行免费下载完整标准文档。
标准图片预览:





- 其它标准
- 热门标准
- 机械行业标准(JB)
- JB/T2756-2006 无轨电车用炭滑块
- JB/T10056-1999 直流电流互感器 技术条件
- JB/T8679-2008 炭弧气刨炭棒 物理及使用性能试验方法
- JB/T7895-2008 永磁筒式磁选机
- JB/T8840-2013 电热器具用电源开关
- JB/T11340.3-2012 阀控式铅酸蓄电池安全阀 第3部分:橡胶帽、阀芯
- JB/T6316-2006 Z4系列直流电动机技术条件(机座号100~450)
- JB/T4328.10-1999 电工专用设备 球墨铸铁件通用技术条件
- JB/T9713-1999 工程机械 湿式铜基摩擦件 技术条件
- JB∕T12675-2016 拖拉机液压系统清洁度限值及测量方法
- JB/T10677-2006 投影机 光源
- JB/T10930-2010 200级耐电晕漆包铜圆线
- JB/T10573-2006 工具显微镜
- JB∕T12848-2016 拖拉机性能试验用跑道要求
- JB3704-1984 特种调压器用碳电阻片柱电气机械性能试验方法
- 行业新闻
请牢记:“bzxz.net”即是“标准下载”四个汉字汉语拼音首字母与国际顶级域名“.net”的组合。 ©2025 标准下载网 www.bzxz.net 本站邮件:bzxznet@163.com
网站备案号:湘ICP备2025141790号-2
网站备案号:湘ICP备2025141790号-2