- 您的位置:
 - 标准下载网 >>
 - 标准分类 >>
 - 轻工行业标准(QB) >>
 - QB 1363-1991 红烧牛肉罐头
 
标准号:
QB 1363-1991
标准名称:
红烧牛肉罐头
标准类别:
轻工行业标准(QB)
标准状态:
现行- 
          	
发布日期:
1991-12-31 - 
		 
实施日期:
1992-08-01 出版语种:
简体中文下载格式:
.rar.pdf下载大小:
94.73 KB
替代情况:
QB 415-76
点击下载
标准简介:
										 标准下载解压密码:www.bzxz.net
					 					 
						 
	        
	      本标准规定了红烧牛肉罐头的产品分类、技术要求、试验方法、检验规则和标志、包装、运输、贮存的基本要求。本标准适用于以牛肉为原料,经去皮等加工处理、预煮、调味、装峭、密封、杀菌制成的红烧牛肉罐头。 QB 1363-1991 红烧牛肉罐头 QB1363-1991
部分标准内容:
					
					中华人民共和国行业标准
红烧牛肉罐头
Canned stewed beef
1主题内容与适用范围
QB1363-91
本标准规定了红烧牛肉罐头的产品分类、技术要求、试验方法、检验规则和标志、包装、运输、贮存的基本要求。
本标准适用于以牛肉为原料,经去皮等加工处理、预煮、调味、装罐、密封、杀菌制成的红烧牛肉头。
2引用标准
GB9960鲜、冻四分体带骨牛肉
GB5461食用盐
GB317.1白砂糖
GB7652八角
GB10781.1浓香型白酒
GB10781.2清香型白酒
GB1975食品添加剂琼胶
GB 4789. 26
食品卫生微生物学检验罐头食品商业无菌的检验GB5009.6食品中脂肪的测定方法GB 5009. 11
GB 5009. 12
GB 5009. 13
GB 5009. 16
GB 5009. 17
GB/T 12457
食品中总砷的测定方法
食品中铅的测定方法
食品中铜的测定方法
食品中锡的测定方法
食品中总汞的测定方法
食品中氟化钠的测定方法
QB1006罐头食品检验规则
QB1007
头食品净重和固形物含量的测定ZB X70 004
ZB X70 005
3术语
3.1粗组织膜
罐头食品的感官检验
罐头食品包装、标志、运输和贮存嚼不烂、不透明的筋膜。
3.2瘀血
因屠宰时放血不良,血液停滞在肉体组织内或因受外伤引起局部血管破裂,血液沉积的现象。3.3块状红烧牛肉头
中华人民共和国轻工业部1991-12-31批准300
1992-08-01实施
QB 1363-—91
用长宽各约25~40mm的牛肉块制成的罐头。3.4片状红烧牛肉罐头
用厚8~12mm、长宽各约30~50mm的牛肉制成的罐头。4产品分类
红烧牛肉头按内容物形状分成块状和片状两类。4.1块状红烧牛肉头的产品代号为157。4.2片状红烧牛肉头的产品代号为1571。5技术要求
5.1原辅材料
5.1.1牛肉:应符合GB9960的要求。5.1.2酱油:应符合GB2717的要求。5.1.3白砂糖:应符合GB-317.1的要求。5.1.4黄酒:色黄澄清,味醇正常,含酒精12度以上:5.1.5日
白酒:应符合GB10781.1和GB10781.2的要求。葱:色香正常的葱。
姜:采用辣味浓,无莓烂的鲜、干生姜。5.1.8八角:应符合GB7652的要求。5.1.9
茴香、桂皮、花椒:干燥、无霉变,香味正常。5.1.10琼胶:应符合GB1975的要求。5.2
感官要求
应符合表 1 的要求。
表1感官要求
滋味、气味
优级品
肉呈酱红色或棕红色,有光泽
肉呈酱红色或棕红色,稍有光
具有红烧牛肉髓头应有的滋味和气味,无异味组织柔嫩,软硬适度,块形大
小大致均勾,允许添秤小块1
块,不允许粗组织膜及糜血存在5.3理化指标
组织较柔嫩,软硬较适度,块
形大小较均勾,允许添秤小块2
块,不允许粗组织膜及痰血存在合格品
肉呈酱红色或棕红色
组织软硬尚适度,块形大小尚
均匀,允许添秤小块2块;允许
个别肉块有粗组织膜及瘀血
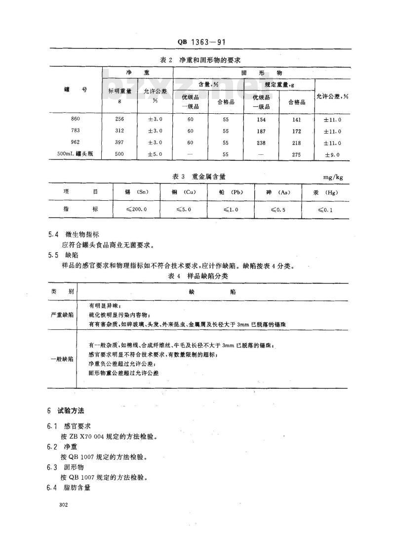
5.3.1净重:应符合表2中有关净重的要求,每批产品平均净重应不低于标明重量,5.3.2固形物:应符合表2中有关固形物含量的要求,每批产品平均固形物重应不低于规定重量。其中,熔化油加肥肉的量平均应不超过固形物重的30%。5.3.3氟化钠含量:1.5%~2.5%。5.3.4重金属含量:应符合表3的要求。301
500mL罐头瓶
微生物指标
标明重量
QB 136391
净重和固形物的要求
允许公差
锡(Sn)
应符合罐头食品商业无菌要求。5.5缺陷
含量,%
优级品
一级品
合格品
表3重金属含量
铜(Cu)
铅 (Pb)
规定重量·8
优级品
一级品
合格品
样品的感官要求和物理指标如不符合技术要求,应计作缺陷。缺陷按表4分类。表4样品缺陷分类
严重缺陷
一般缺陷免费标准bzxz.net
6试验方法
有明显异味;
硫化铁明显污染内容物
有有害杂质,如碎玻璃、头发、外来昆虫、金膳屑及长径大于3mm已脱落的锡珠有一般杂质,如棉线、合成纤维丝、牛毛及长径不大于3mm已脱落的珠,感官要求明显不符合技术要求,有数量限制的超标,净重负公差超过允许公差,
固形物熏公差超过允许公差
6.1感官要求
按ZBX70004规定的方法检验。
6.2净重
按QB1007规定的方法检验。
6.3固形物
按QB1007规定的方法检验。
6.4脂肪含量
允许公差,%
汞(Hg)
按GB5009.6规定的方法检验。
6.5氯化钠含量
按GB/T12457规定的方法检验。
6.6重金属含量
QB1363-91
按GB5009.16、GB5009.13、GB5009.12、GB5009,11、GB5009.17规定的方法分别测定锡、铜、铅、砷和汞。
6.7微生物指标
按GB4789.26规定的方法检验。
检验规则
按QB1006执行。
8标志、包装、运输、贮存
按ZBX70005的规定进行。
附加说明:
本标准由轻工业部食品工业司提出。本标准由全国食品发酵标准化中心归口。本标准由天津罐头厂负责起草。本标准主要起草人朱瑞安。
自本标准实施之日起,原中华人民共和国轻工业部发布的部标准QB415-76《红烧牛肉罐头》作废。
小提示:此标准内容仅展示完整标准里的部分截取内容,若需要完整标准请到上方自行免费下载完整标准文档。
	 
	        
	      红烧牛肉罐头
Canned stewed beef
1主题内容与适用范围
QB1363-91
本标准规定了红烧牛肉罐头的产品分类、技术要求、试验方法、检验规则和标志、包装、运输、贮存的基本要求。
本标准适用于以牛肉为原料,经去皮等加工处理、预煮、调味、装罐、密封、杀菌制成的红烧牛肉头。
2引用标准
GB9960鲜、冻四分体带骨牛肉
GB5461食用盐
GB317.1白砂糖
GB7652八角
GB10781.1浓香型白酒
GB10781.2清香型白酒
GB1975食品添加剂琼胶
GB 4789. 26
食品卫生微生物学检验罐头食品商业无菌的检验GB5009.6食品中脂肪的测定方法GB 5009. 11
GB 5009. 12
GB 5009. 13
GB 5009. 16
GB 5009. 17
GB/T 12457
食品中总砷的测定方法
食品中铅的测定方法
食品中铜的测定方法
食品中锡的测定方法
食品中总汞的测定方法
食品中氟化钠的测定方法
QB1006罐头食品检验规则
QB1007
头食品净重和固形物含量的测定ZB X70 004
ZB X70 005
3术语
3.1粗组织膜
罐头食品的感官检验
罐头食品包装、标志、运输和贮存嚼不烂、不透明的筋膜。
3.2瘀血
因屠宰时放血不良,血液停滞在肉体组织内或因受外伤引起局部血管破裂,血液沉积的现象。3.3块状红烧牛肉头
中华人民共和国轻工业部1991-12-31批准300
1992-08-01实施
QB 1363-—91
用长宽各约25~40mm的牛肉块制成的罐头。3.4片状红烧牛肉罐头
用厚8~12mm、长宽各约30~50mm的牛肉制成的罐头。4产品分类
红烧牛肉头按内容物形状分成块状和片状两类。4.1块状红烧牛肉头的产品代号为157。4.2片状红烧牛肉头的产品代号为1571。5技术要求
5.1原辅材料
5.1.1牛肉:应符合GB9960的要求。5.1.2酱油:应符合GB2717的要求。5.1.3白砂糖:应符合GB-317.1的要求。5.1.4黄酒:色黄澄清,味醇正常,含酒精12度以上:5.1.5日
白酒:应符合GB10781.1和GB10781.2的要求。葱:色香正常的葱。
姜:采用辣味浓,无莓烂的鲜、干生姜。5.1.8八角:应符合GB7652的要求。5.1.9
茴香、桂皮、花椒:干燥、无霉变,香味正常。5.1.10琼胶:应符合GB1975的要求。5.2
感官要求
应符合表 1 的要求。
表1感官要求
滋味、气味
优级品
肉呈酱红色或棕红色,有光泽
肉呈酱红色或棕红色,稍有光
具有红烧牛肉髓头应有的滋味和气味,无异味组织柔嫩,软硬适度,块形大
小大致均勾,允许添秤小块1
块,不允许粗组织膜及糜血存在5.3理化指标
组织较柔嫩,软硬较适度,块
形大小较均勾,允许添秤小块2
块,不允许粗组织膜及痰血存在合格品
肉呈酱红色或棕红色
组织软硬尚适度,块形大小尚
均匀,允许添秤小块2块;允许
个别肉块有粗组织膜及瘀血
5.3.1净重:应符合表2中有关净重的要求,每批产品平均净重应不低于标明重量,5.3.2固形物:应符合表2中有关固形物含量的要求,每批产品平均固形物重应不低于规定重量。其中,熔化油加肥肉的量平均应不超过固形物重的30%。5.3.3氟化钠含量:1.5%~2.5%。5.3.4重金属含量:应符合表3的要求。301
500mL罐头瓶
微生物指标
标明重量
QB 136391
净重和固形物的要求
允许公差
锡(Sn)
应符合罐头食品商业无菌要求。5.5缺陷
含量,%
优级品
一级品
合格品
表3重金属含量
铜(Cu)
铅 (Pb)
规定重量·8
优级品
一级品
合格品
样品的感官要求和物理指标如不符合技术要求,应计作缺陷。缺陷按表4分类。表4样品缺陷分类
严重缺陷
一般缺陷免费标准bzxz.net
6试验方法
有明显异味;
硫化铁明显污染内容物
有有害杂质,如碎玻璃、头发、外来昆虫、金膳屑及长径大于3mm已脱落的锡珠有一般杂质,如棉线、合成纤维丝、牛毛及长径不大于3mm已脱落的珠,感官要求明显不符合技术要求,有数量限制的超标,净重负公差超过允许公差,
固形物熏公差超过允许公差
6.1感官要求
按ZBX70004规定的方法检验。
6.2净重
按QB1007规定的方法检验。
6.3固形物
按QB1007规定的方法检验。
6.4脂肪含量
允许公差,%
汞(Hg)
按GB5009.6规定的方法检验。
6.5氯化钠含量
按GB/T12457规定的方法检验。
6.6重金属含量
QB1363-91
按GB5009.16、GB5009.13、GB5009.12、GB5009,11、GB5009.17规定的方法分别测定锡、铜、铅、砷和汞。
6.7微生物指标
按GB4789.26规定的方法检验。
检验规则
按QB1006执行。
8标志、包装、运输、贮存
按ZBX70005的规定进行。
附加说明:
本标准由轻工业部食品工业司提出。本标准由全国食品发酵标准化中心归口。本标准由天津罐头厂负责起草。本标准主要起草人朱瑞安。
自本标准实施之日起,原中华人民共和国轻工业部发布的部标准QB415-76《红烧牛肉罐头》作废。
小提示:此标准内容仅展示完整标准里的部分截取内容,若需要完整标准请到上方自行免费下载完整标准文档。
标准图片预览:




- 其它标准
 
- 上一篇: QB/T 1362-1991 红烧猪肉罐头
 - 下一篇: QB 1364-1991 红烧鸡罐头
 
- 热门标准
 - 轻工行业标准(QB)
 
- QB/T5302-2018 生活用干纸巾流延聚乙烯(CPE) 包装膜
 - QB/T2833-2006 运动营养食品 能量控制食品
 - QB/T1640-1992 陶瓷模用石膏粉物理性能测试方法
 - QB/T4701-2014 毛发护理器具环境意识设计导则
 - QB/T1949-2004 扬琴
 - QB/T2421-1998 铝及铝合金不粘锅
 - QB/T2173-2001 尼龙拉链
 - QB/T1272-2012 毛皮 化学试验样品的准备
 - QB/T2094.5-1995 鸡尾锯
 - QB/T1334-2013 水嘴通用技术条件
 - QB/T4427-2012 芸香浸膏 枫香树脂提取物
 - QB/T2049.5-1994 电光源玻壳K型玻壳尺寸系列
 - QB6005-1992 麦芽厂设计规范
 - QB/T4704-2014 腿脚按摩器
 - QB/T1753.3-1993 轻机产品图样及设计文件规定格式及填写要求
 
- 行业新闻
 
请牢记:“bzxz.net”即是“标准下载”四个汉字汉语拼音首字母与国际顶级域名“.net”的组合。 ©2025 标准下载网 www.bzxz.net 本站邮件:bzxznet@163.com
网站备案号:湘ICP备2025141790号-2
网站备案号:湘ICP备2025141790号-2