- 您的位置:
- 标准下载网 >>
- 标准分类 >>
- 轻工行业标准(QB) >>
- QB 1358-1991 皱油猪蹄罐头
标准号:
QB 1358-1991
标准名称:
皱油猪蹄罐头
标准类别:
轻工行业标准(QB)
标准状态:
现行-
发布日期:
1991-12-31 -
实施日期:
1992-08-01 出版语种:
简体中文下载格式:
.rar.pdf下载大小:
90.95 KB
替代情况:
QB 395-64
起草人:
徐德中、李玉蓉、杜红玲起草单位:
四川省轻工业研究所归口单位:
全国食品发酵标准化中心提出单位:
轻工业部食品工业司发布部门:
中华人民共和国轻工业部相关标签:
罐头
点击下载
标准简介:
标准下载解压密码:www.bzxz.net
本标准规定了皱油猪蹄罐头的产品分类、技术要求、试验方法、检验规则和标志、包装、运输、贮存的基本要求。本标准适用于以猪蹄为原料,经剔整预煮、油炸、装罐、调味、密封、杀菌制成的皱油猪蹄罐头 QB 1358-1991 皱油猪蹄罐头 QB1358-1991
部分标准内容:
中华人民共和国行业标准
皱油猪蹄罐头
Canned braised pork leg
1主题内容与适用范围
QB 1358-91
本标准规定了皱油猪蹄罐头的产品分类、技术要求、试验方法、检验规则和标志、包装、运输、贮存的基本要求。
本标推适用于以猪蹄为原料,经剔整预煮、油炸、装、调味、密封、杀菌制成的皱油猪蹄罐头。2引用标准
GB9959.1#
带皮鲜、冻片猪肉
GB 317.1 白砂糖
GB1534
GB 1535
GB1536
:GB1537
GB5461
GB2717
GB8967
花生油
大豆油
莱籽油
精炼棉籽油
食用盐
酱油卫生标准
谷氮酸钠
GB4789.26
GB 5009.11
GB5009.12
GB5009.13
GB5009.16
GB5009.17
GB/T 12457
食品卫生微生物学检验
食品中总砷的测定方法
食品中铅的测定方法
食品中铜的测定方法
食品中锡的测定方法
食品中总汞的测定方法
罐头食品商业无菌的检验
食品中氯化钠的测定方法
QB1006罐头食品检验规则
QB1007
罐头食品净重和固形物含量的测定ZB X70 004
ZB X70 005
3.术语·
3.1皱纹
罐头食品的感管检验
罐头食品包装、标志、运输和贮存经油炸的猪蹄敬冷水中急速冷却后形成的皱纹。3.2破口
猪蹄在加工过程中不慎被刀割破形成的破皮,中华人民共和国轻工业部1991-12-31批准1992-08-01实施
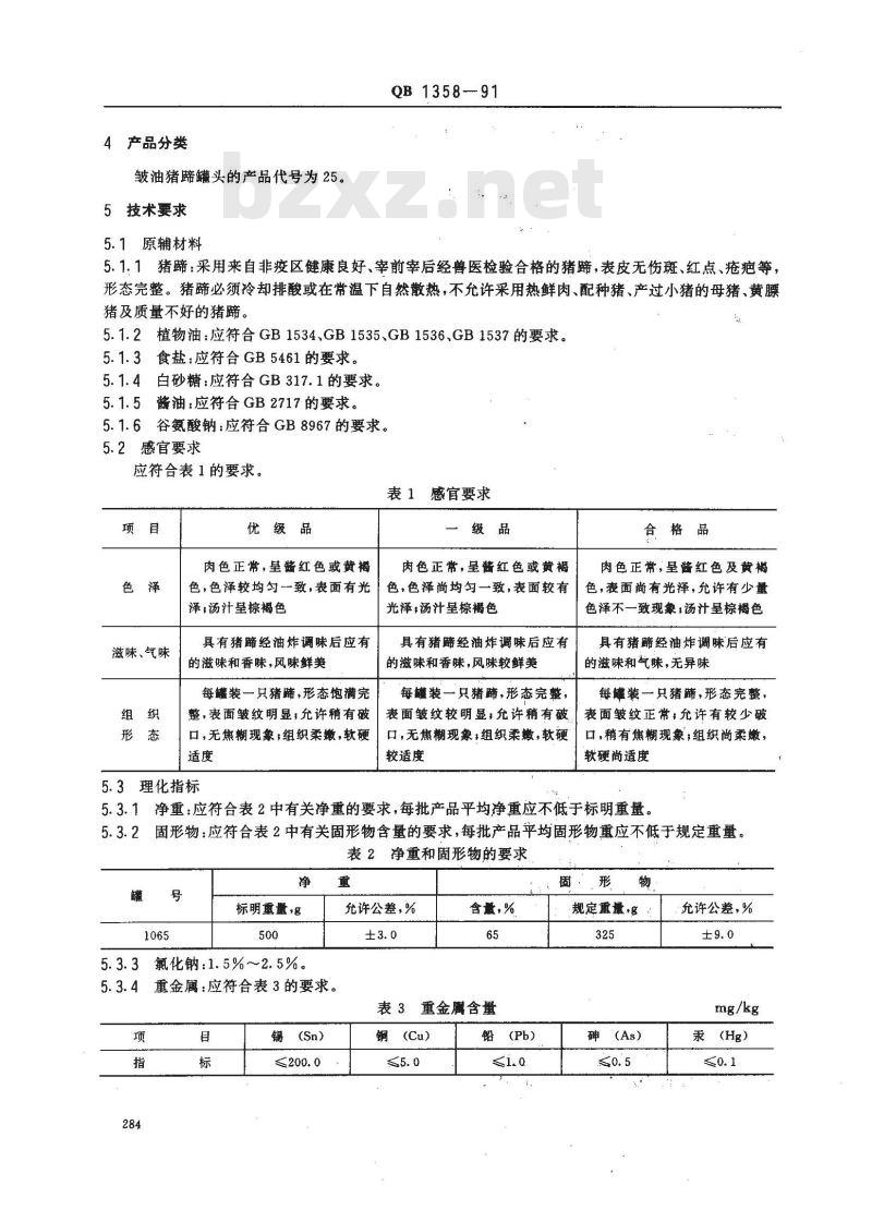
4产品分类
皱油猪蹄罐头的产品代号为25。5技术要求
5.1原辅材料
QB1358-91
5.1.1猪蹄:采用来自非疫区健康良好、宰前宰后经兽医检验合格的猪蹄,表皮无伤斑、红点、疮疤等!形态完整。猪蹄必须冷却排酸或在常温下自然散热,不允许采用热鲜肉、配种猪、产过小猪的母猪、黄猪及质量不好的猪蹄。
5.1.2植物油:应符合GB1534、GB1535、GB1536、GB1537的要求。5.1.3食盐:应符合GB5461的要求。5.1.4白砂糖:应符合GB317.1的要求。5.1.5酱油:应符合GB2717的要求。5.1.6谷氨酸钠:应符合GB8967的要求。5.2感官要求
应符合表1的要求。
表1感官要求
滋味、气味
优级品
肉色正常,呈酱红色或黄褐
色,色泽较均匀一致,表面有光泽;汤汁呈棕褐色
具有猪经油炸调味后应有
的滋味和香味,风味鲜美
每罐装一只猪蹄,形态饱满完
整,表面皱纹明显;允许稍有破口,无焦糊现象,组织柔嫩,软硬适度
5.3理化指标
肉色正常,呈酱红色或黄褐
色,色泽尚均匀一致,表面较有光泽,汤汁呈棕褐色
具有猪蹄经油炸调味后应有
的滋味和香味,风味较鲜美
每罐装一只猪蹄,形态完整,
表面皱纹较明显,允许稍有破
口,无焦糊现象,组织柔嫩,软硬较适度
合格品
肉色正常,呈酱红色及黄褐
色,表面尚有光泽,允许有少量色泽不一致现象,汤汁呈棕褐色具有猪蹄经油炸调味后应有
的滋味和气味,无异味
每罐装一只猪蹄,形态完整,
表面皱纹正常;允许有较少破
口,稍有焦糊现象,组织尚柔嫩,软硬尚适度
净重:应符合表2中有关净重的要求,每批产品平均净重应不低于标明重量。固形物:应符合表2中有关固形物含量的要求,每批产品平均固形物重应不低于规定重量。表2净重和固形物的要求
标明重量,g
5.3.3氯化钠:1.5%~2.5%。
允许公差,%
重金属:应符合表3的要求。
含最,%
表3重金属含量
锡(Sn)
铜(Cu)
铅(Pb)
规定重量·B
砷(As)
允许公差,%
汞(Hg)
5.4微生物指标
应符合罐头食品商业无菌要求。5.5缺陷
QB 1358-91
样品的感官要求和物理指标如不符合技术要求,应计作缺陷。缺陷按表4分类表4样品缺陷分类
严重缺陷
般缺陷
6试验方法
有明显异味;
硫化铁明显污染内容物:
有有害杂质,如碎玻璃、外来昆虫、头发、金属屑及长径大于 3mm 已脱落的珠有一般杂质,如棉线合成纤维丝、猪毛及长径不太于3mm已脱落的珠,净重负公差超过允许公差;
圖形物重公羞超过允许公拳,
感官要求明不符合技术要求,有数量限制的超标6.1感官要求
按ZBX70004规定的方法检验。
6.2净重
按QB1007规定的方法检验。
6.3固形物
按QB1007规定的方法检验。
6.4氯化钠含量
按GB/T12457规定的方法检验。
6.5重金属含量
按GB5009.16、GB5009.13、GB5009.12、GB5009.11、GB5009.17中规定的方法测定锡、铜、铅、砷和汞。
6.6微生物指标bzxZ.net
按GB4789.26规定的方法检验。
7检验规则
按QB1006执行。
8标志、包装、运输、贮存
按ZBX70005的规定进行。
附加说明:
本标准由轻工业部食品工业司提出本标准由全国食品发酵标准化中心归口。本标准由四川省轻工业研究所负责起草。本标准主要起草人徐德中、李玉蓉、杜红玲。自本标准实施之日起,原中华人民共和国轻工业部发布的部标准QB395一64《皱油猪蹄罐头》作废。
小提示:此标准内容仅展示完整标准里的部分截取内容,若需要完整标准请到上方自行免费下载完整标准文档。
皱油猪蹄罐头
Canned braised pork leg
1主题内容与适用范围
QB 1358-91
本标准规定了皱油猪蹄罐头的产品分类、技术要求、试验方法、检验规则和标志、包装、运输、贮存的基本要求。
本标推适用于以猪蹄为原料,经剔整预煮、油炸、装、调味、密封、杀菌制成的皱油猪蹄罐头。2引用标准
GB9959.1#
带皮鲜、冻片猪肉
GB 317.1 白砂糖
GB1534
GB 1535
GB1536
:GB1537
GB5461
GB2717
GB8967
花生油
大豆油
莱籽油
精炼棉籽油
食用盐
酱油卫生标准
谷氮酸钠
GB4789.26
GB 5009.11
GB5009.12
GB5009.13
GB5009.16
GB5009.17
GB/T 12457
食品卫生微生物学检验
食品中总砷的测定方法
食品中铅的测定方法
食品中铜的测定方法
食品中锡的测定方法
食品中总汞的测定方法
罐头食品商业无菌的检验
食品中氯化钠的测定方法
QB1006罐头食品检验规则
QB1007
罐头食品净重和固形物含量的测定ZB X70 004
ZB X70 005
3.术语·
3.1皱纹
罐头食品的感管检验
罐头食品包装、标志、运输和贮存经油炸的猪蹄敬冷水中急速冷却后形成的皱纹。3.2破口
猪蹄在加工过程中不慎被刀割破形成的破皮,中华人民共和国轻工业部1991-12-31批准1992-08-01实施
4产品分类
皱油猪蹄罐头的产品代号为25。5技术要求
5.1原辅材料
QB1358-91
5.1.1猪蹄:采用来自非疫区健康良好、宰前宰后经兽医检验合格的猪蹄,表皮无伤斑、红点、疮疤等!形态完整。猪蹄必须冷却排酸或在常温下自然散热,不允许采用热鲜肉、配种猪、产过小猪的母猪、黄猪及质量不好的猪蹄。
5.1.2植物油:应符合GB1534、GB1535、GB1536、GB1537的要求。5.1.3食盐:应符合GB5461的要求。5.1.4白砂糖:应符合GB317.1的要求。5.1.5酱油:应符合GB2717的要求。5.1.6谷氨酸钠:应符合GB8967的要求。5.2感官要求
应符合表1的要求。
表1感官要求
滋味、气味
优级品
肉色正常,呈酱红色或黄褐
色,色泽较均匀一致,表面有光泽;汤汁呈棕褐色
具有猪经油炸调味后应有
的滋味和香味,风味鲜美
每罐装一只猪蹄,形态饱满完
整,表面皱纹明显;允许稍有破口,无焦糊现象,组织柔嫩,软硬适度
5.3理化指标
肉色正常,呈酱红色或黄褐
色,色泽尚均匀一致,表面较有光泽,汤汁呈棕褐色
具有猪蹄经油炸调味后应有
的滋味和香味,风味较鲜美
每罐装一只猪蹄,形态完整,
表面皱纹较明显,允许稍有破
口,无焦糊现象,组织柔嫩,软硬较适度
合格品
肉色正常,呈酱红色及黄褐
色,表面尚有光泽,允许有少量色泽不一致现象,汤汁呈棕褐色具有猪蹄经油炸调味后应有
的滋味和气味,无异味
每罐装一只猪蹄,形态完整,
表面皱纹正常;允许有较少破
口,稍有焦糊现象,组织尚柔嫩,软硬尚适度
净重:应符合表2中有关净重的要求,每批产品平均净重应不低于标明重量。固形物:应符合表2中有关固形物含量的要求,每批产品平均固形物重应不低于规定重量。表2净重和固形物的要求
标明重量,g
5.3.3氯化钠:1.5%~2.5%。
允许公差,%
重金属:应符合表3的要求。
含最,%
表3重金属含量
锡(Sn)
铜(Cu)
铅(Pb)
规定重量·B
砷(As)
允许公差,%
汞(Hg)
5.4微生物指标
应符合罐头食品商业无菌要求。5.5缺陷
QB 1358-91
样品的感官要求和物理指标如不符合技术要求,应计作缺陷。缺陷按表4分类表4样品缺陷分类
严重缺陷
般缺陷
6试验方法
有明显异味;
硫化铁明显污染内容物:
有有害杂质,如碎玻璃、外来昆虫、头发、金属屑及长径大于 3mm 已脱落的珠有一般杂质,如棉线合成纤维丝、猪毛及长径不太于3mm已脱落的珠,净重负公差超过允许公差;
圖形物重公羞超过允许公拳,
感官要求明不符合技术要求,有数量限制的超标6.1感官要求
按ZBX70004规定的方法检验。
6.2净重
按QB1007规定的方法检验。
6.3固形物
按QB1007规定的方法检验。
6.4氯化钠含量
按GB/T12457规定的方法检验。
6.5重金属含量
按GB5009.16、GB5009.13、GB5009.12、GB5009.11、GB5009.17中规定的方法测定锡、铜、铅、砷和汞。
6.6微生物指标bzxZ.net
按GB4789.26规定的方法检验。
7检验规则
按QB1006执行。
8标志、包装、运输、贮存
按ZBX70005的规定进行。
附加说明:
本标准由轻工业部食品工业司提出本标准由全国食品发酵标准化中心归口。本标准由四川省轻工业研究所负责起草。本标准主要起草人徐德中、李玉蓉、杜红玲。自本标准实施之日起,原中华人民共和国轻工业部发布的部标准QB395一64《皱油猪蹄罐头》作废。
小提示:此标准内容仅展示完整标准里的部分截取内容,若需要完整标准请到上方自行免费下载完整标准文档。
标准图片预览:



- 其它标准
- 上一篇: QB 1357-1991 香菇猪脚腿罐头
- 下一篇: QB 1359-1991 五香肉丁罐头
- 热门标准
- 轻工行业标准(QB)
- QB/T5302-2018 生活用干纸巾流延聚乙烯(CPE) 包装膜
- QB/T2833-2006 运动营养食品 能量控制食品
- QB/T1640-1992 陶瓷模用石膏粉物理性能测试方法
- QB/T4701-2014 毛发护理器具环境意识设计导则
- QB/T1949-2004 扬琴
- QB/T2421-1998 铝及铝合金不粘锅
- QB/T2173-2001 尼龙拉链
- QB/T2094.5-1995 鸡尾锯
- QB/T1272-2012 毛皮 化学试验样品的准备
- QB/T1334-2013 水嘴通用技术条件
- QB6005-1992 麦芽厂设计规范
- QB/T4704-2014 腿脚按摩器
- QB/T1753.3-1993 轻机产品图样及设计文件规定格式及填写要求
- QB/T1819-1993 R6纸板电池生产线
- QB/T2058-1994 照相灯泡
- 行业新闻
请牢记:“bzxz.net”即是“标准下载”四个汉字汉语拼音首字母与国际顶级域名“.net”的组合。 ©2025 标准下载网 www.bzxz.net 本站邮件:bzxznet@163.com
网站备案号:湘ICP备2025141790号-2
网站备案号:湘ICP备2025141790号-2