- 您的位置:
- 标准下载网 >>
- 标准分类 >>
- 其他行业标准 >>
- FZ/T 95019-2013圆网闷头
标准号:
FZ/T 95019-2013
标准名称:
圆网闷头
标准类别:
其他行业标准
英文名称:
Rotary screen end ring标准状态:
已作废-
发布日期:
2013-07-22 -
实施日期:
2013-12-01 -
作废日期:
2021-07-01 出版语种:
简体中文下载格式:
.pdf .zip
标准ICS号:
纺织和皮革技术>>纺织机械>>59.120.50印染和整理机械设备中标分类号:
纺织>>纺织机械与器具>>W95染整机械与器具
替代情况:
被FZ/T 95019-2021代替
点击下载
标准简介:
本标准规定了圆网闷头的参数与标记、要求、试验方法、检验规则和标志、包装、运输、贮存。
本标准适用于纺织印染行业的印花镍网配套用闷头。
本标准按照GB/T1.1—2009给出的规则起草。
本标准由中国纺织工业联合会提出。
本标准由全国纺织机械与附件标准化技术委员会纺纱、染整机械分技术委员会(SAC/TC215/SC1)归口。
本标准起草单位:晋江市佶龙机械工业有限公司、江阴市镍网厂有限公司、国家纺织机械质量监督检验中心、江苏宏特印染机械有限公司、福建晋江聚旺印染机械有限公司、西安德高印染自动化工程有限公司、江苏小太阳机械科技有限公司、黄石经纬纺织机械有限公司。
本标准主要起草人:翁少华、孙兴焕、杨春、李立平、王永鱼、马公书、张瑞南、彭国洲。
下列文件对于本文件的应用是必不可少的。凡是注日期的引用文件,仅注日期的版本适用于本文件。凡是不注日期的引用文件,其最新版本(包括所有的修改单)适用于本文件。
GB/T191 包装储运图示标志
GB/T1173 铸造铝合金
GB/T2828.1—2003 计数抽样检验程序 第1部分:按接收质量限(AQL)检索的逐批检验抽样计划
FZ/T90001 纺织机械产品包装
部分标准内容:
中华人民共和国纺织行业标准
FZ/T95019—2013
圆网闷头
Rotary screen end ring
2013-07-22发布
中华人民共和国工业和信息化部2013-12-01实施
中华人民共和国纺织
行业标
圆网阀头
FZ/T95019—2013
中国标准出版社出版发行
北京市朝阳区和平里西街甲2号(100013)北京市西城区三里河北街16号(100045)网址www.spc.net.cn
发行中心:(010)51780235
总编室:(010)64275323
读者服务部:(010)68523946
中国标准出版社秦皇岛印刷厂印刷各地新华书店经销
字数10千字
印张0.5
开本880×1230
反2013年10月第一次印刷
2013年10月第一版
书号:155066·2-26033定价14.00元由本社发行中心调换
如有印装差错
版权专有
侵权必究
举报电话:(010)68510107
本标准按照GB/T1.12009给出的规则起草。本标准由中国纺织工业联合会提出。FZ/T95019—2013
本标准由全国纺织机械与附件标准化技术委员会纺纱、染整机械分技术委员会(SAC/TC215/SC 1)归口。
本标准起草单位:晋江市估龙机械工业有限公司、江阴市镍网厂有限公司、国家纺织机械质量监督检验中心、江苏宏特印染机械有限公司、福建晋江聚旺印染机械有限公司、西安德高印染自动化工程有限公司、江苏小太阳机械科技有限公司、黄石经纬纺织机械有限公司。本标准主要起草人:翁少华、孙兴焕、杨春、李立平、王永鱼、马公书、张瑞南、彭国洲范围
圆网阀头
FZ/T95019—2013
本标准规定了圆网闷头的标记和参数、要求、试验方法、检验规则、标志、包装、运输和贮存。本标准适用于纺织印染行业的印花镍网配套用闷头。2规范性引用文件
下列文件对于本文件的应用是必不可少的。凡是注日期的引用文件,仅注日期的版本适用于本文件。凡是不注日期的引用文件,其最新版本(包括所有的修改单)适用于本文件。包装储运图示标志
GB/T191
铸造铝合金
GB/T1173
GB/T2828.1—2003
3计数抽样检验程序
FZ/T90001
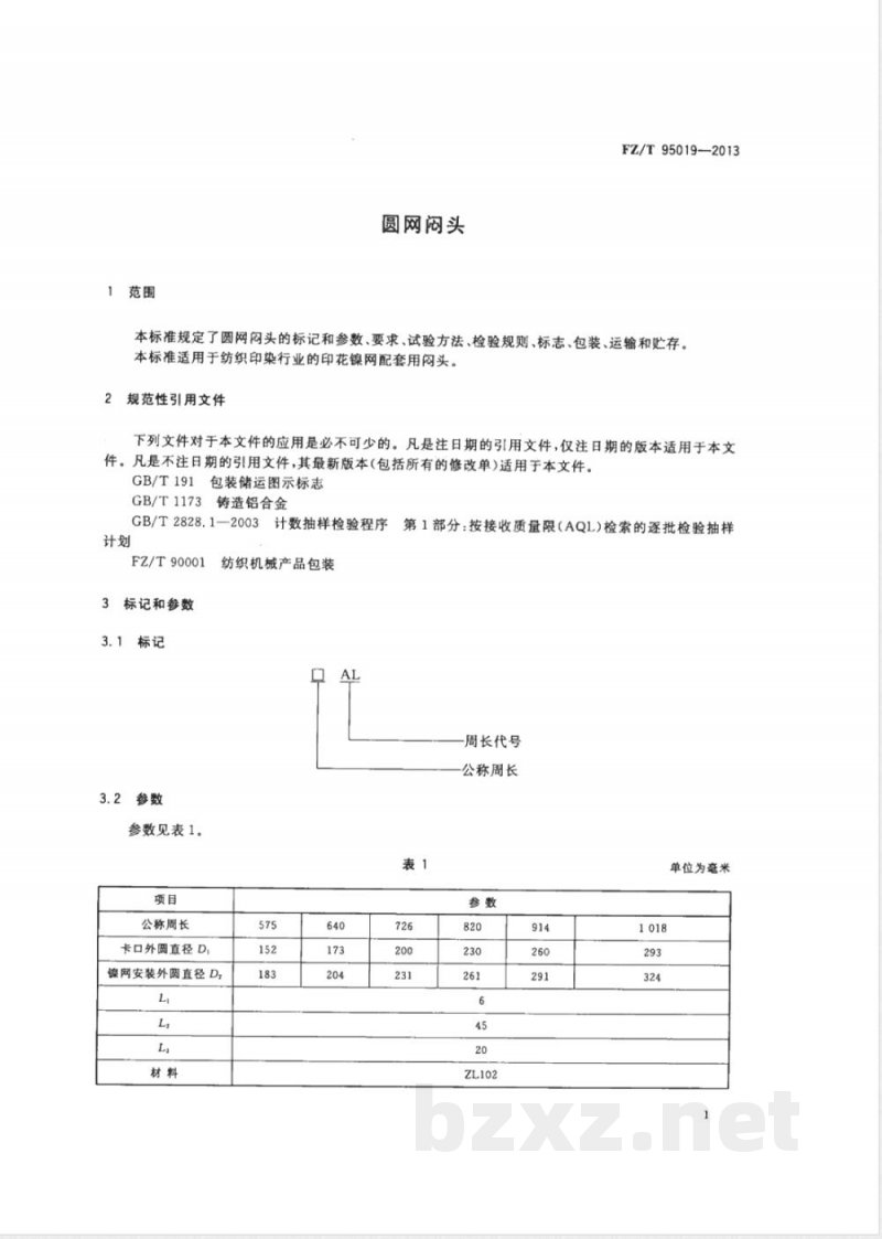
3标记和参数
3.1标记
3.2参数
参数见表1。
公称周长
卡口外圆直径D,
纺织机械产品包装
镍网安装外圆直径D;
第1部分:按接收质量限(AQL)检索的逐批检验抽样周长代号
公称周长
单位为毫米
FZ/T95019—2013
4要求
4.1圆网阀头材料
材料应耐腐蚀;抗拉强度≥143MPa;其他理化性能应符合GB/T1173的规定。4.2尺寸公差(见图1)
4.2.1卡口外圆直径D,公差f8。
4.2.2卡口厚度L,公差d。
4.2.3镍网安装外圆直径D,公差f7。4.3圆网闷头形位公差
镍网安装外圆直径D,对卡口外圆直径D,的同轴度公差t1见图1,应符合表2的规定。表2
公称周长Www.bzxZ.net
同轴度公差ti
圆网闪头壁厚
应符合表3的规定。
≤820
单位为毫米
公称周长
5卡口外圆接触面的表面粗糙度
为Ra3.2μm。
4.6外观质量
≤726
表面无气孔、凹坑、夹渣和毛刺等质量缺陷。试验方法
材料(4.1),按GB/T1173的规定检测,表3
FZ/T95019—2013
单位为毫米
卡口外圆直径D公差(4.2.1)、镍网安装外圆直径D2公差(4.2.3),用外径千分尺检测。5.2
卡口厚度L,公差(4.2.2),用游标卡尺检测。镍网安装外圆直径D,对卡口外圆直径D,的同轴度公差(4.3),用千分表检测。5.4
圆网闷头壁厚(4.4),用超声波测厚仪或壁厚千分尺检测。5.5
5.6卡口外圆接触面的表面粗糙度(4.5),用表面粗糙度样板比对检验或用表面粗糙度仪测定。5.7
其余项目,感官检测。
6检验规则
型式检验
产品在下列情况之-时,应进行型式检验:新产品鉴定时;
生产过程中,如结构、材料、工艺有较大改变,可能影响产品性能时;正常生产时,定期或积累一定产量后,应进行一次周期性检验;出厂检验结果与上次型式检验有较大差异时;第三方进行质量检验时。
检验项目:见第4章。
出厂检验
6.2.1产品均应经生产企业检验部门检验合格,并附有合格证方能出厂。检验项目:见4.2、4.3、4.5、4.6。6.2.2
6.3抽样方法和判定规则
6.3.1按GB/T2828.1一2003的规定,采用正常检验一次抽样方案,从正常检验开始,选用一般检验水平I,接收质量限AQL为1.0。
2样本经过检验,若不合格品数小于拒收数,则判定该样本符合标准的要求;反之,判定该样本不6.3.2
FZ/T95019—2013
符合标准的要求。
6.3.3用户在安装调试过程中,发现有项目不符合本标准时,生产企业应会同用户共同处理。7标志
圆网阅头的非工作面上标识产品标记。7.2
包装箱上的储运图示标志,按GB/T191的规定。8包装、运输和贮存
8.1产品的包装,按FZ/T90001的规定,8.2产品在运输过程中,包装箱应按规定的朝向安置,不得倾斜或改变方向。8.3产品出厂后,在良好的防雨及通风贮存条件下,包装箱内的产品防潮、防锈有效期为一年。版权专有
侵权必究
书号:155066·2-26033
FZ/T95019-2013
打印日期:2013年11月8日F009
定价:
小提示:此标准内容仅展示完整标准里的部分截取内容,若需要完整标准请到上方自行免费下载完整标准文档。
标准图片预览:





- 其它标准
- 热门标准
- 其他行业标准
- YS/T227.7-2010 碲化学分析方法 第7部分:硫量的测定 电感耦合等离子体原子发射光谱法
- QB/T4645-2014 大茴香醛
- FZ/T73018-2021 毛针织品
- YS/T961-2014 空调与制冷设备用内螺纹铝包铜管
- YS/T990.17-2015 冰铜化学分析方法 第17部分:钴量的测定 原子吸收光谱法
- JB/T11120-2010 印刷机械 网版印刷紫外线光固机
- FZ/T01125-2014 纺织品 定量化学分析 壳聚糖纤维与某些其他纤维的混合物(胶体滴定法)
- QB/T4762-2014 铅酸蓄电池护板用纸
- FZ/T72020-2014 针织横机领
- YS/T990.18-2014 冰铜化学分析方法 第18部分:铅、锌、镍、砷、铋、锑、钙、镁、镉、钴量的测定 电感耦合等离子体原子发射光谱法
- JB/T1308.19-2011 PN2500超高压阀门和管件 第19部分:等径三通、等径四通
- CNCA-C11-11:2014 强制性产品认证实施规则 汽车燃油箱
- FZ/T98009-2011 电子单纤维强力仪
- FZ/T13020-2016 纱罗色织布
- FZ/T12024-2021 靛蓝染色棉纱线
- 行业新闻
网站备案号:湘ICP备2025141790号-2