- 您的位置:
- 标准下载网 >>
- 标准分类 >>
- 其他行业标准 >>
- FZ/T 95014-2014轧光机 弹性辊
标准号:
FZ/T 95014-2014
标准名称:
轧光机 弹性辊
标准类别:
其他行业标准
英文名称:
Calender—Elastic roller标准状态:
现行-
发布日期:
2014-05-06 -
实施日期:
2014-10-01 出版语种:
简体中文下载格式:
.pdf .zip下载大小:
1.80 MB
标准ICS号:
纺织和皮革技术>>纺织机械>>59.120.50印染和整理机械设备中标分类号:
纺织>>纺织机械与器具>>W95染整机械与器具
替代情况:
替代FZ/T 95014-1999
起草人:
张益、彭宝瑛、沈宏伟、顾荣夫、缪建伟起草单位:
江阴市国光轧光机纤维辊有限公司、国家纺织机械质量监督检验中心、江阴博路威机械有限公司、江阴伟益尼龙辊有限公司、江阴市利伟轧辊印染机械有限公司提出单位:
中国纺织工业联合会发布部门:
中华人民共和国工业和信息化部主管部门:
全国纺织机械与附件标准化技术委员会纺纱、染整机械分技术委员会(SAC/TC 215/SC 1)相关标签:
弹性
点击下载
标准简介:
本标准规定了轧光机 用弹性辊的分类、参数与标记、要求、试验方法、检验规则及标志、包装、运输和贮存。
本标准适用于纺织染整、非织造布设备中轧光机的弹性辊。
本标准按照GB/T1.1—2009给出的规则起草。
本标准代替FZ/T95014—1999《轧光机 弹性辊》。
本标准与FZ/T95014—1999相比主要技术变化如下:
———在规范性引用文件里引用了新的标准:GB/T531.1《硫化橡胶或热塑料性橡胶压入硬度试验方法 第1部分:邵氏硬度计法》;GB/T9239.1—2006《机械振动 恒态(刚性)转子平衡品质要求 第1部分:规范和平衡允差的检验》;HG/T2447—2003《胶辊 第4部分 印染胶辊》(见第2章);
———增加了橡胶辊的分类及技术要求(见3.1、第4章);
———修改了辊体的公称宽度、线压力、直径规格(见3.2);
———增加了辊体标记内容(见3.3);
———修改了尼龙辊体的硬度(见4.1);
———增加了辊体表面粗糙度的要求(见4.6);
———增加了辊体的中高度轮廓公差等技术要求(见4.4);
———增加了橡胶辊贮运、包装要求(见8.3)。
本标准由中国纺织工业联合会提出。
本标准由全国纺织机械与附件标准化技术委员会纺纱、染整机械分技术委员会(SAC/TC215/SC1)归口。
本标准起草单位:江阴市国光轧光机纤维辊有限公司、国家纺织机械质量监督检验中心、江阴博路威机械有限公司、江阴伟益尼龙辊有限公司、江阴市利伟轧辊印染机械有限公司。
本标准主要起草人:张益、彭宝瑛、沈宏伟、顾荣夫、缪建伟。
本标准于1999年11月首次发布,本次为第一次修订。
下列文件对于本文件的应用是必不可少的。凡是注日期的引用文件,仅注日期的版本适用于本文件。凡是不注日期的引用文件,其最新版本(包括所有的修改单)适用于本文件。
下列文件对于本文件的应用是必不可少的。凡是注日期的引用文件,仅所注日期的版本适用于本文件。凡是不注日期的引用文件,其最新版本(包括所有的修改单)适用于本文件。
GB/T191 包装贮运图示标志
GB/T531.1 硫化橡胶或热塑性橡胶压入硬度试验方法 第1部分:邵氏硬度计法(邵尔硬度)
GB/T9239.1—2006 机械振动 恒态(刚性)转子平衡品质要求 第1部分:规范和平衡允差的检验
FZ/T90001 纺织机械产品包装
FZ/T90089.1 纺织机械铭牌 型式、尺寸及技术要求
FZ/T90089.2 纺织机械铭牌 内容
HG/T2447—2003 胶辊 第4部分:印染胶辊
部分标准内容:
中华人民共和国纺织行业标准
FZ/T95014—2014
代替FZ/T95014-1999
轧光机
弹性辊
CalenderElastic roller
2014-05-06发布
中华人民共和国工业和信息化部发布
2014-10-01实施
本标准按照GB/T1.12009给出的规则起草。本标准代替FZ/T95014—1999《轧光机弹性辑》。本标准与FZ/T95011-1999相比主要技术变化如下:FZ/T95014—2014
在规范性引用文件里引用了新的标准:GB/T531.1《硫化橡胶或热塑料性橡胶压入硬度试验方法第1部分:邵氏硬度计法》;GB/T9239.1-2006《机械振动恒态(刚性)转子平衡品质要求第1部分:规范和平衡允差的检验》;HG/T2447一2003《胶辊第4部分印染胶辊》(见第2章);
增加了橡胶辊的分类及技术要求(见3.1、第4章);修改了辑体的公称宽度、线压力、直径规格(见3.2):增加了辊体标记内容(见3.3);修改了尼龙辊体的硬度(见4.1);增加了辊体表面粗糙度的要求(见1.6);增加了辑体的中高度轮廓公差等技术要求(见4.4);增加了橡胶辊贮运、包装要求(见8.3)。本标准由中国纺织工业联合会提出。本标准由全国纺织机械与附件标准化技术委员会纺纱、染整机械分技术委员会(SAC/TC215/SC1)归口。
本标准起草单位:江阴市国光轧光机纤维辊有限公司、国家纺织机械质量监督检验中心、江阴博路威机械有限公司、江阴伟益尼龙辊有限公司、江阴市利伟轧辊印染机械有限公司。本标准主要起草人:张益、彭宝瑛、沈宏伟、顾荣大、缪建伟。本标准于1999年11月首次发布,本次为第-次修订。1范围
轧光机
弹性辊
FZ/T95014—2014
本标准规定了轧光机用弹性辑的分类、参数与标记、要求、试验方法、检验规则及标志、包装、运输和存。
本标准适用于纺织染整、非织造布设备中轧光机的弹性辑。2
规范性引用文件
下列文件对于本文件的应用是必不可少的。凡是注日期的引用文件,仅注H期的版本适用于本文件。凡是不注日期的引用文件,其最新版本(包括所有的修改单)适用于本文件。下列文件对于本文件的应用是必不可少的。凡是注日期的引用文件,仅所注日期的版本适用于本文件。凡是不注日期的引用文件,其最新版本(包括所有的修改单)适用于本文件。GB/T191包装购运图示标志
GB/T531.1硫化橡胶或热塑性橡胶压入硬度试验方法第1部分:邵氏硬度计法(邵尔硬度)GB/T9239.1一2006机械振动恒态(刚性)转子平衡品质要求第1部分:规范和平衡允差的检验
FZ/T90001
纺织机械产品包装
FZ/T90089.1纺织机械铭牌
型式、尺寸及技术要求
FZ/T90089.2
纺织机械铭牌
HG/T2447—2003
3分类、参数与标记
3.1分类
民第4部分:印染胶辊
按弹性辊工作面材质分为四类:尼龙辑、棉花、羊毛纸辑、橡胶辊。3.2参数
参数见表1。
公称宽度/mm
辊体直径/mm
最大线压力/(N/mm)
600,800,1000,1200,1600,1800,2000,2200.2400,2600,2800,3200,3400,3600,3800,4800.6000
280,300,380,400,435,450,500,530,560,600,650,700,750,800110,220,330,440,550,660FZ/T95014—2014
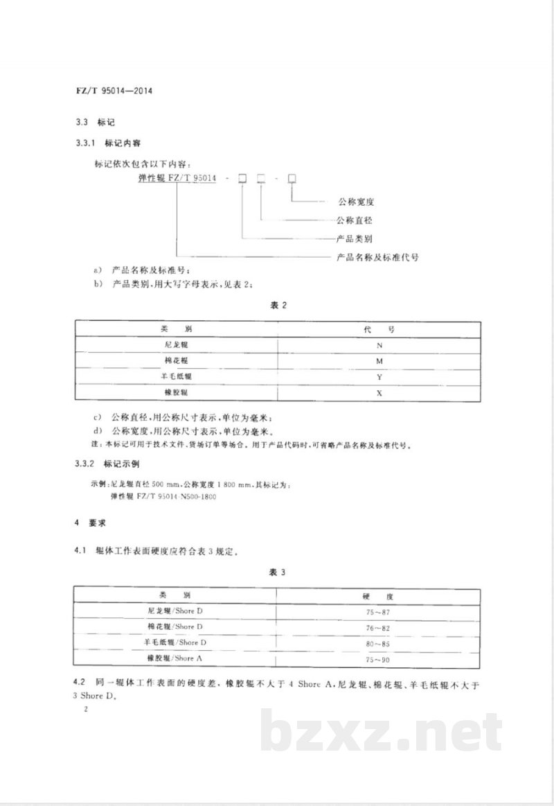
3标记
3.3.1标记内容
标记依次包含以下内容:
弹性辊FZ/T95014
产品名称及标准号:
产品类别,用大写字母表示,见表2;类
尼龙辊
棉花棍
羊毛纸辊
橡胶辊
公称直径,用公称尺寸表示,单位为毫米;c
公称宽度,用公称尺寸表示,单位为毫米。d)
公称宽度
公称直径
产品类别
产品名称及标准代号Www.bzxZ.net
注:本标记可用于技术文件、货场订单等场合。用于产品代码时,可省略产品名称及标准代号。3.3.2
标记示例
示例:尼龙辑直径500mm,公称宽度1800mm.其标记为:弹性辑F7./T95014-N500-1800
辑体工作表面硬度应符合表3规定。4.1
尼龙辊/ShoreD
棉花辑/ShoreD
羊毛纸辊/ShoreD
橡胶耗/ShoreA
4.2同一辑体工作表面的硬度差,橡胶辊不大于4ShoruA,尼龙辑、棉花辊、羊毛纸辊不大于3ShoreD,
辑体工作表面对轴线的径向圆跳动应符合表4规定。表4
尼龙辑
棉花辑、羊毛纸辑
橡胶辊
公称宽度
>2200~3600
径向圆跳动公差
中高轧辊中高度轮廊公差应符合表5的规定表5
尼龙辑、棉花辑、
羊毛纸辊
橡胶辑
>0.16~0.40
中高度·
>0.40~1.00
中高度轮廊公差
:中高度为弹性辊体中央截面直径与其端面截面直径之间的差值。FZ/T95014—2014
单位为毫米
单位为毫米
>1.00~2.00
>2.00~4.00
中高度轮廊的公差带是包络一系列直径为公差值的圆的两包络线之间的区域,各圆圆心位于理想轮廊线上。4.5
辑体的许用剩余不平衡量的平衡质量等级,符合GB/T9239.1一2006中G6.3级的要求。辑体工作表面的粗糙度,棉花、橡胶辑、羊毛纸辊Ra值为不大于3.2μm,尼龙辊Rα值为不大于1.6μm。
辊体表面平整光滑,不得有划伤、碰伤、气孔、裂纹等影响使用的缺陷。不得有金属等硬质异物。橡胶包覆层厚度为15mm~25mm。
橡胶辑各层之间应黏合牢固,不得有脱层与裂口现象。4.9
橡胶辊辊面应耐磨、耐老化、耐化学腐触,橡胶层胶料的物理性能应不低于HG/T2447一2003中5.2的有关规定。
在正常使用下,辑体工作表面能经受的最高温度应符合表6的规定。表6
尼龙辊
棉花辑、橡胶辊
羊毛纸辊
≤100
FZ/T95014—2014
试验方法
5.1辊体的工作表面硬度(4.1,4.2),按GB/T531.1规定的方法测定。5.2辑体.T.作表面对轴线的径向圆跳动(4.3),用千分表分别在距离辊体两端100mm的位置检测,中间部位公称宽度不大于1000mm按300mm间隔左、右分段测量,公称宽度1000mm以上按500mm间隔左、右分段测量。
5.3中高轧中高度轮廊公差(4.4),用外径千分尺检测。测量时从胶辊两端部50mm处开始,以中心截面为对称中心面,向两边均匀测量n个对称位置的截面直径,公称宽度不大于3000mm的轧辊,n取3共测7处,公称宽度3000mm以上的轧辑,n取4共测9处,各处的测量直径与理论直径相比较。理论直径Dx(见图1)按式(1)、式(2)和式(3)计算:式中:
式中:
式中:
辑体曲面半径,单位为毫米(mm);辑体曲面公称宽度的一半,单位为毫米(mm);体的单面中高,单位为毫米(mm)。HxH-R+R?-X
辑体曲面任意位置的单面中高,单位为毫米(rmm);辊体曲面任意位置到中心位置的水平距离,单位为毫米(mm),D×=D+2Hx
轧辑直径,单位为毫米(mm)。2
轧辑的许用剩余不平衡量(4.5),用静平衡检测法测量。辊体表面粗糙度(4.6),用表面粗糙度仪测定。5.5
辊体包履层厚度(4.8)、用钢直尺在两端测量。5.7
橡胶层与辊体的黏合(4.9),用小锤敲击进行检查。橡胶层胶料物理机械性能(4.10),按HG/T24472003的有关规定检测。5.9
辑体正常使用能经受的最高温度(4.11),用表面温度计测量。其余项目,感官检测。
(3)
6检验规则
型式检验
产品在下列情况之一时,应进行型式检验。a)
新产品鉴定时;
生产过程中结构、材料、工艺有较大改变,可能影响产品性能时;正常生产每两年进行一次;
出厂检验结果与上次型式检验有较大差异时;第三方进行质量检验时。
检验项目;第4章。
出厂检验
产品均应经生产企业检验部门检验合格,并附有产品合格证,方能出厂。2检验项目:4.1~4.9。
判定规则
全部项目检验合格,判定该产品符合标准要求6.4其他
FZ/T95014—2014
用户在安装调试过程中,发现有项目不符合本标准时,生产企业应会同用户共同处理,7标志
包装箱上储运图示标志,按GB/T191的规定7.2产品铭牌按FZ/T90089.1、FZ/T90089.2的规定。8
包装、运输和贴存
8.1产品的包装应符合FZ/T90001规定。辊体包装时,两端应搁置固定,表面用软性材料包缠,8.2产品在运输过程中应按规定的起吊位置起吊,包装箱按规定的朝向安置,不得倾斜或改变方向。8.3产品出厂后应保存在良好的防雨设施及通风贮存环境中。包装箱内钢铁零件防潮、防锈,有效期为一年。尼龙辊、橡胶辊应贮存在0℃~40℃以及远离酸碱、油类、有机溶剂的环境条件下,避免阳光直射,与热源相距2m以外,如运往寒冷地区应注意保温,5
FZ/T95014-2014
打印H期:2014年6月27FF009A
中华人民共和国纺织
行业标准
轧光机弹性辊
FZ/T 95014-2014
中国标准出版社出版发行
北京市朝阳区和平里西街甲2号(100029)北京市西城区-里河北街16号(100045)网址:www.spc.net.cn
总编室:(010)64275323
发行中心:(010)51780235
读者服务部:(010)68523946
中国标准出版社秦皇岛印剧厂印刷各地新华书店经销
开本880×1230
2014年6月第一版
印张0.75
字数12千字
2014年6月第一次印刷
书号:155066·2-27147定价
告由本社发行中心调换
如有印装差错
版权专有侵权必究
举报电话:(010)68510107
小提示:此标准内容仅展示完整标准里的部分截取内容,若需要完整标准请到上方自行免费下载完整标准文档。
标准图片预览:





- 其它标准
- 上一篇: FZ/T 95013-2021平网印花机
- 下一篇: FZ/T 95015-2011高温卷染机
- 热门标准
- 其他行业标准
- QB/T4698-2014 家用和类似用途软水机
- QB/T4785-2015 往复锯条
- NB/T31048.1-2014 风力发电机用绕组线 第1部分 一般规定
- YB/T5315-2016 硅钙合金 磷含量的测定 磷钼蓝分光光度法
- FZ/T54132-2022 循环再利用涤纶膨体长丝(BCF)
- FZ/T54068-2013 聚苯硫醚牵伸丝
- QB/T1880-2008 自行车 车架
- FZ/T66310-1995 特种工业用厚型带
- YS/T131-2010 炭素制品生产炉窑能耗限额
- FZ/T92019-2021 棉纺环锭细纱机牵伸下罗拉
- FZ/T73043-2012 针织衬衫
- FZ/T54073-2014 有光异形锦纶6预取向丝
- FZ/T61008-2015 摇粒绒毯
- QB/T1543-2014 钟用锡磷青铜带
- QB/T1907-2014 手表防震器
- 行业新闻
网站备案号:湘ICP备2025141790号-2