- 您的位置:
- 标准下载网 >>
- 标准分类 >>
- 其他行业标准 >>
- YS/T 74.3-2010镉化学分析方法 第3部分:镍量的测定 电热原子吸收光谱法
标准号:
YS/T 74.3-2010
标准名称:
镉化学分析方法 第3部分:镍量的测定 电热原子吸收光谱法
标准类别:
其他行业标准
英文名称:
Methods for chemical analysis of cadmium—Part 3:Determination of nickel content—Electrothermal atomic absorption spectrometric method标准状态:
现行-
发布日期:
2010-11-22 -
实施日期:
2011-03-01 出版语种:
简体中文下载格式:
.pdf .zip
标准ICS号:
冶金>>有色金属>>77.120.70镉、钴及其合金中标分类号:
冶金>>金属化学分析方法>>H13重金属极其合金分析方法
替代情况:
替代YS/T 74.3-1994
点击下载
标准简介:
本部分规定了镉中镍量的测定方法。
本部分适用于镉中镍量的测定。测定范围:0.0004%~0.010%。
YS/T74—2010《镉化学分析方法》分为11个部分:
———第1部分:砷量的测定 氢化物发生-原子荧光光谱法;
———第2部分:锑量的测定 氢化物发生-原子荧光光谱法;
———第3部分:镍量的测定 电热原子吸收光谱法;
———第4部分:铅量的测定 火焰原子吸收光谱法;
———第5部分:铜量的测定 二乙基二硫代氨基甲酸铅分光光度法;
———第6部分:锌量的测定 火焰原子吸收光谱法;
———第7部分:铁量的测定 1,10-二氮杂菲分光光度法;
———第8部分:铊量的测定 结晶紫分光光度法;
———第9部分:锡量的测定 氢化物发生-原子荧光光谱法;
———第10部分:银量的测定 火焰原子吸收光谱法;
———第11部分:砷、锑、镍、铅、铜、锌、铁、铊、锡和银量的测定 电感耦合等离子体原子发射光谱法。
本部分为第3部分。
本部分按照GB/T1.1—2009给出的规则起草。
本部分代替YS/T74.3—1994《镉化学分析方法 丁二酮肟分光光度法测定镍量》,本部分与原标准相比,主要有如下变动:
———分析方法改为电热原子吸收光谱法;
———补充了精密度、质量保证和控制条款;
———增加了警告性提示;
———增加了试验报告条款。
本部分由全国有色金属标准化技术委员会(SAC/TC243)归口。
本部分负责起草单位:中冶葫芦岛有色金属集团有限公司。
本部分起草单位:株洲冶炼集团股份有限公司。
本部分参加起草单位:北京矿冶研究总院、广州有色金属研究院。
本部分主要起草人:叶世源、周益、姜求韬、袁玉霞、戴凤英、刘晓辉。
本部分所代替标准的历次版本发布情况为:
———YS/T74.3—1994;
———GB/T3827—1983。
部分标准内容:
中华人民共和国有色金属行业标准YS/T74.3-2010
代替YS/T74.3-1994
镉化学分析方法
第3部分:镍量的测定
电热原子吸收光谱法
Methods for chemical analysis of cadmium-Part 3:Determination of nickel content-Electrothermal atomic absorption spectrometric method2010-11-22发布
中华人民共和国工业和信息化部发布
2011-03-01实施
YS/T74一2010《镉化学分析方法》分为11个部分:第1部分:砷量的测定
第2部分:锑量的测定
第3部分:镍量的测定
第4部分:铅量的测定
第5部分:铜量的测定
第6部分:锌量的测定
氢化物发生-原子荧光光谱法;
氢化物发生-原子荧光光谱法:
电热原子吸收光谱法;
火焰原子吸收光谱法;
二乙基二硫代氨基甲酸铅分光光度法:火焰原子吸收光谱法;
第7部分:铁量的测定
1,10-二氮杂菲分光光度法;
第8部分:铊量的测定
结晶紫分光光度法;
第9部分:锡量的测定
氢化物发生-原子荧光光谱法;
第10部分:银量的测定火焰原子吸收光谱法;YS/T74.3—2010
第11部分:砷、锑、镍、铅、铜、锌、铁、铊、锡和银量的测定电感耦合等离子体原子发射光
谱法。
本部分为第3部分。
本部分按照GB/T1.1一2009给出的规则起草。本部分代替YS/T74.3--1994《镉化学分析方法丁二酮分光光度法测定镍量》,本部分与原标准相比,主要有如下变动:
分析方法改为电热原子吸收光谱法;补充了精密度、质量保证和控制条款;增加了警告性提示;
增加了试验报告条款。
本部分由全国有色金属标准化技术委员会(SAC/TC243)归口。本部分负责起草单位:中冶葫芦岛有色金属集团有限公司。本部分起草单位:株洲冶炼集团股份有限公司。本部分参加起草单位:北京矿冶研究总院、广州有色金属研究院。本部分主要起草人:叶世源、周益、姜求韬、袁玉霞、戴凤英、刘晓辉。本部分所代替标准的历次版本发布情况为:-YS/T74.3—1994;
-GB/T3827-1983。
镐化学分析方法
第3部分:镍量的测定
电热原子吸收光谱法
YS/T74.3—2010
警告一一使用本部分的人员应有正规实验室工作的实践经验,并具备使用电热原子吸收光谱仪的技能,严格按照电热原子吸收光谱仪安全操作规程操作。1范围
YS/T74的本部分规定了镉中镍量的测定方法。本部分适用于镉中镍量的测定。测定范围:0.0004%~0.010%。2方法原理
试料用硝酸溶解,将一定体积的试液注入电热原子化器中,用塞曼效应原子吸收光谱仪在波长232.0nm处测量镍的吸光度,按工作曲线法计算镍的质量分数。3试剂
除非另有说明,在分析中仅使用确认为分析纯的试剂和蒸馏水或相当纯度的水。实验所用器血均用硝酸(3.3)浸泡12h后,用蒸馏水彻底清洗。3.1硝酸(pl.42g/mL),优级纯。3.2硝酸(1+1)。
3.3硝酸(1十99)。
3.4镍标准贮存溶液:称取1.0000g金属镍(wni≥99.99%)于100mL烧杯中,加人40mL硝酸(3.2)盖上表,低温加热使其溶解,除去氮的氧化物,冷却,将溶液移人1000mL容量瓶中,用硝酸(2十98)稀释至刻度,混匀。此溶液1mL含1.0mg镍。3.5镍标准溶液:移取1.00mL镍标准贮存溶液(3.4)于500mL容量瓶中,用硝酸(2十98)稀释至刻度,混匀。此溶液1mL含2.0ug镍。4仪器
4.1石墨炉原子吸收光谱仪:配备电热原子化器、微量取样器或自动进样器,镍空心阴极灯及塞曼效应背景校正装置。
4.2所用石墨炉原子吸收光谱仪应达到下列指标:一灵敏度:工作曲线中所用等差系列标准溶液中浓度最大者,其吸光度应不低于0.300。一工作曲线的相关系数不低于0.995。精密度:用最高浓度的标准溶液,测量10次吸光度,计算其平均值和标准偏差。该标准偏差不应超过该吸光度平均值的1.5%。用最低浓度的标准溶液(不是浓度为零的标准溶液),测量10次吸光度,计算其标准偏差。该标准偏差不应超过最高浓度标准溶液吸光度平均值的0.5%。
YS/T74.3—2010
仪器参考工作条件见附录A。
5分析步骤
5.1试料
称取1.000g试样,精确至0.0001g。表1分取及测定试液体积
镍的质量分数/%
0.0004~0.002 0
>0. 002 0~0. 010
5.2空白试验
随同试料做空白试验。
5.3测定
分取试液体积/mL
测定试液体积/mL
5.3.1将试料(5.1)置于100mL烧杯中,加入5mL硝酸(3.2)盖上表皿,低温溶解完全,取下冷却,移入200mL容量瓶中,用水稀释至刻度,混匀。5.3.2镍量>0.0020%,取20.00mL试液(5.3.1)于100mL容量瓶中,用硝酸(3.3)稀释至刻度,混匀。
5.3.3调整仪器参数至最佳状态,并按所选的条件调整电热原子仪工作程序,空烧石墨管两次。5.3.4将被测试液注入原子化器中,按原子化程序原子化,于波长232.0nm处测定镍的吸光度,每份试液测定两次,取其平均值,减去空白溶液吸光度的平均值,在工作曲线上查出相应的镍的浓度。5.4工作曲线的绘制
5.4.1移取0.00mL、1.00mL、2.00mL、3.00mL、4.00mL、5.00mL镍标准溶液(3.5)置于一组100mL容量瓶中,用硝酸(3.3)稀释至刻度,混匀。5.4.2与试料相同条件下,测定标准溶液的吸光度,每份试液测定两次,取其平均值,减去标准系列“零”浓度溶液的吸光度的平均值。以镍浓度为横坐标,吸光度平均值为纵坐标,绘制工作曲线。6分析结果的计算
镍含量以镍的质量分数Wni计,数值以%表示,按式(1)计算:wns =p. Vo; Vi×10-
式中:
从工作曲线上查得的试液镍浓度,单位为微克每毫升(μug/mL);V。—-试液总体积,单位为毫升(mL);测定试液体积,单位为毫升(mL);Vi
分取试液体积,单位为毫升(mL);m
试料的质量,单位为克(g)。
(1)
分析结果保留两位有效数字。bzxZ.net
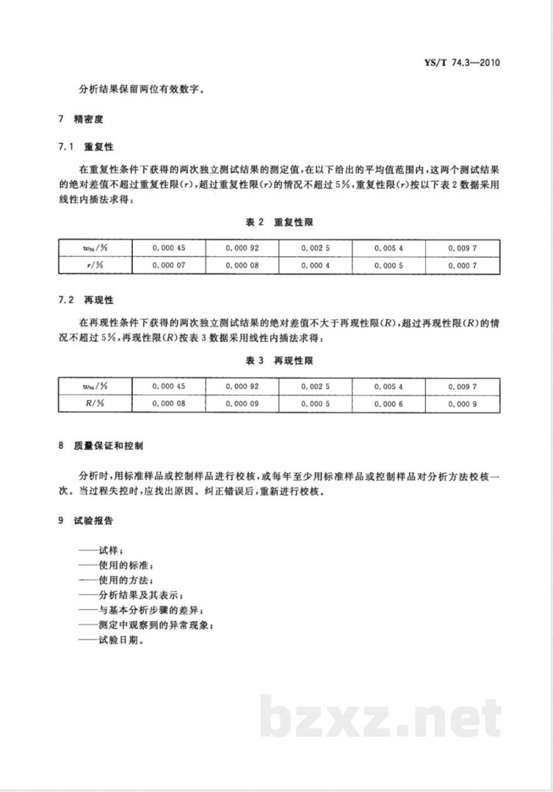
7精密度
7.1重复性
YS/T74.3—2010
在重复性条件下获得的两次独立测试结果的测定值,在以下给出的平均值范围内,这两个测试结果的绝对差值不超过重复性限(r),超过重复性限(r)的情况不超过5%,重复性限(r)按以下表2数据采用线性内插法求得:
表2重复性限
再现性
在再现性条件下获得的两次独立测试结果的绝对差值不大于再现性限(R),超过再现性限(R)的情况不超过5%,再现性限(R)按表3数据采用线性内插法求得:表3再现性限
质量保证和控制
分析时,用标准样品或控制样品进行校核,或每年至少用标准样品或控制样品对分析方法校核次。当过程失控时,应找出原因。纠正错误后,重新进行校核。9试验报告
试样;
使用的标准;
使用的方法;
分析结果及其表示;
与基本分析步骤的差异;
测定中观察到的异常现象;
试验日期。
YS/T74.3—2010
波长/nm
灯电流/mA
石墨管
进样量
扣背景类型
YS/T74.3-2010
P-E型
20 μL
塞曼扣背景
打印日期:2011年2月24日F009
附录A
(资料性附录)
仪器参考工作条件
仪器参考工作条件
原子化
原子化程序
温度/℃
斜坡/s
保持/s
版权专有
侵权必究
书号:155066·2-21439
定价:
0105' /S
小提示:此标准内容仅展示完整标准里的部分截取内容,若需要完整标准请到上方自行免费下载完整标准文档。
标准图片预览:





- 热门标准
- 其他行业标准
- JB/T2231.3-2011 往复活塞压缩机零部件 第3部分:薄壁轴瓦
- QB/T1151-2011 订书钉
- CECS:7094 建筑安装工程金属熔化焊焊缝射线照相检测标准CECS70:94
- JB/T1308.14-2011 PN2500超高压阀门和管件 第14部分:双头螺柱
- YS/T953.6-2014 火法冶炼镍基体料化学分析方法 第6部分:钴量的测定 5-Cl-PADAB分光光度法和火焰原子吸收光谱法
- FZ/T92065-2006 不锈钢焊接式烘筒
- FZ/T94063-2015 挠性剑杆织机用导剑钩
- YS/T861.2-2013 铌钛合金化学分析方法 第2部分:氧、氮量的测定 惰气熔融红外吸收/热导法
- FZ/T95012-2019 单层拉幅定形机
- JB/T11210-2011 制冷空调系统用气液分离器
- QB/T4814-2015 香料 丙酸三环癸烯酯
- QB/T1658.3-2012 单簧管
- QB/T4661-2014 异甲基紫罗兰酮
- JB/T7744-2011 阀门密封面等离子弧堆焊用合金粉末
- FZ/T98018-2018 纺织品标准光源箱
- 行业新闻
网站备案号:湘ICP备2025141790号-2