- 您的位置:
- 标准下载网 >>
- 标准分类 >>
- 其他行业标准 >>
- FZ/T 14041-2018灯芯绒涤棉混纺印染布
标准号:
FZ/T 14041-2018
标准名称:
灯芯绒涤棉混纺印染布
标准类别:
其他行业标准
英文名称:
Corduroy printed and dyed polyester/cotton blended fabric标准状态:
现行-
发布日期:
2018-04-30 -
实施日期:
2018-09-01 出版语种:
简体中文下载格式:
.pdf .zip
标准ICS号:
纺织和皮革技术>>纺织产品>>59.080.30纺织物中标分类号:
纺织>>印染制品>>W71棉与棉混纺织物印染品
点击下载
标准简介:
本标准规定了灯芯绒涤棉混纺印染布的术语和定义、分类、要求、试验和检验方法、检验规则、标志和包装。
本标准适用于机织生产的各类漂白、染色和印花的灯芯绒涤棉混纺印染布。
部分标准内容:
ICS59.080.30
中华人民共和国纺织行业标准
FZ/T14041-2018
灯芯绒涤棉混纺印染布
Corduroy printed and dyed polyester/cotton blended fabric2018-04-30发布
中华人民共和国工业和信息化部发布
2018-09-01实施
本标准按照GB/T1.1一2009给出的规则起草。本标准由中国纺织工业联合会提出。FZ/T14041-—2018
本标准由全国纺织品标准化技术委员会印染制品分技术委员会(SAC/TC209/SC11)归口。本标准起草单位:常州市武进城南纺织品有限公司、南通金仕达超微阻燃材料有限公司、上海市纺织工业技术监督所、中国印染行业协会。本标准主要起草人:杨伟忠、刘炎英、王月华、张宝庆、黄中权。I
1范围
灯芯绒涤棉混纺印染布
FZ/T14041—2018免费标准下载网bzxz
本标准规定了灯芯绒涤棉混纺印染布的术语和定义、分类、要求、试验和检验方法、检验规则、标志和包装。
本标准适用于机织生产的各类漂白、染色和印花的灯芯绒涤棉混纺印染布。其他同类产品可参照执行。
规范性引用文件
下列文件对于本文件的应用是必不可少的。凡是注日期的引用文件,仅注日期的版本适用于本文件。凡是不注日期的引用文件,其最新版本(包括所有的修改单)适用于本文件。GB/T250
GB/T251
GB/T406-
GB/T411
纺织品
纺织品
色牢度试验评定变色用灰色样卡色牢度试验评定沾色用灰色样卡棉本色布
棉印染布
GB/T2910.11
GB/T3917.1
GB/T3920
纺织品
纺织品
纺织品
1—2008
GB/T3921
GB/T3922—2013
GB/T3923.1
GB/T4666
GB/T4668
定量化学分析
第11部分:纤维素纤维与聚酯纤维的混合物(硫酸法)织物撕破性能第1部分:冲击摆锤法撕破强力的测定色牢度试验耐摩擦色牢度
纺织品
纺织品
纺织品
纺织品
耐皂洗色牢度
色牢度试验
色牢度试验
耐汗渍色牢度
织物拉伸性能第1部分:断裂强力和断裂伸长率的测定(条样法)织物长度和幅宽的测定
机织物密度的测定
—2008
GB/T4669
GB/T6152—1997
GB/T8170
GB/T8427
GB/T8628
纺织品
纺织品
机织物
单位长度质量和单位面积质量的测定耐热压色牢度
色牢度试验
数值修约规则与极限数值的表示和判定2008
纺织品
纺织品
9—2001
GB/T8629
GB/T8630
GB/T14311
GB/T14801
GB18401
色牢度试验耐人造光色牢度:氙弧测定尺寸变化的试验中织物试样和服装的准备、标记及测量纺织品
纺织品
试验用家庭洗涤和干燥程序
洗涤和干燥后尺寸变化的测定
棉印染灯芯绒
机织物与针织物纬斜和弓纬试验方法国家纺织产品基本安全技术规范GB/T29862
GB31701
纺织品纤维含量的标识
婴幼儿及儿童纺织产品安全技术规范FZ/T01057(所有部分)
纺织纤维鉴别试验方法
FZ/T01101
FZ/T10005
FZ/T10010
纺织品
纤维含量的测定物理法
棉及化纤纯纺、混纺印染布检验规则棉及化纤纯纺、混纺印染布标志与包装1
FZ/T14041—2018
3术语和定义
GB/T411、GB/T14311界定的以及下列术语和定义适用于本文件。3.1
灯芯绒涤棉混纺印染布
corduroy printed and dyed polyester/cotton blended fabric经向为涤棉混纺纱线,纬向为棉纱线与涤纶长丝按比例排列,经织造、染整加工的灯芯绒机织物。4分类
4.1灯芯绒涤棉混纺印染布按品种、规格分类,产品的品种和规格根据客户合同或用户需要确定。灯芯绒涤棉混纺印染布加工系数按照附录A执行。4.2灯芯绒涤棉混纺印染布产品可分为粗条灯芯绒、中条灯芯绒、细条灯芯绒、特细条灯芯绒。注:粗条灯芯绒是指2.5cm内有8条及以下的灯芯绒;中条灯芯绒是指2.5cm内有8条以上~18条的灯芯绒;细条灯芯绒是指2.5cm内有18条以上~24条的灯芯绒;特细条灯芯绒是指2.5cm内有24条以上的灯芯绒。5要求
1要求内容
灯芯绒涤棉混纺印染布的要求分为内在质量和外观质量两个方面。内在质量包括密度偏差率、纤维含量偏差、单位面积质量偏差率、断裂强力、撕破强力、水洗尺寸变化率、色牢度、安全性能8项;外观质量包括幅宽偏差、色差、歪斜、局部性疵点和散布性疵点5项。5.2分等规定
5.2.1产品的品等分为优等品、一等品、二等品,低于二等品的为等外品。5.2.2灯芯绒涤棉混纺印染布的评等,内在质量按批评等,外观质量按匹(段)评等,以内在质量和外观质量中最低一项评等作为该匹(段)布的评等。5.2.3在同一匹(段)布内,局部性疵点采用每百平方米允许评分的办法评定等级;散布性疵点按严重一项评等。
5.3内在质量
5.3.1产品的安全性能应符合GB18401或GB31701的规定。5.3.2内在质量评等规定按表1。内在质量评等规定
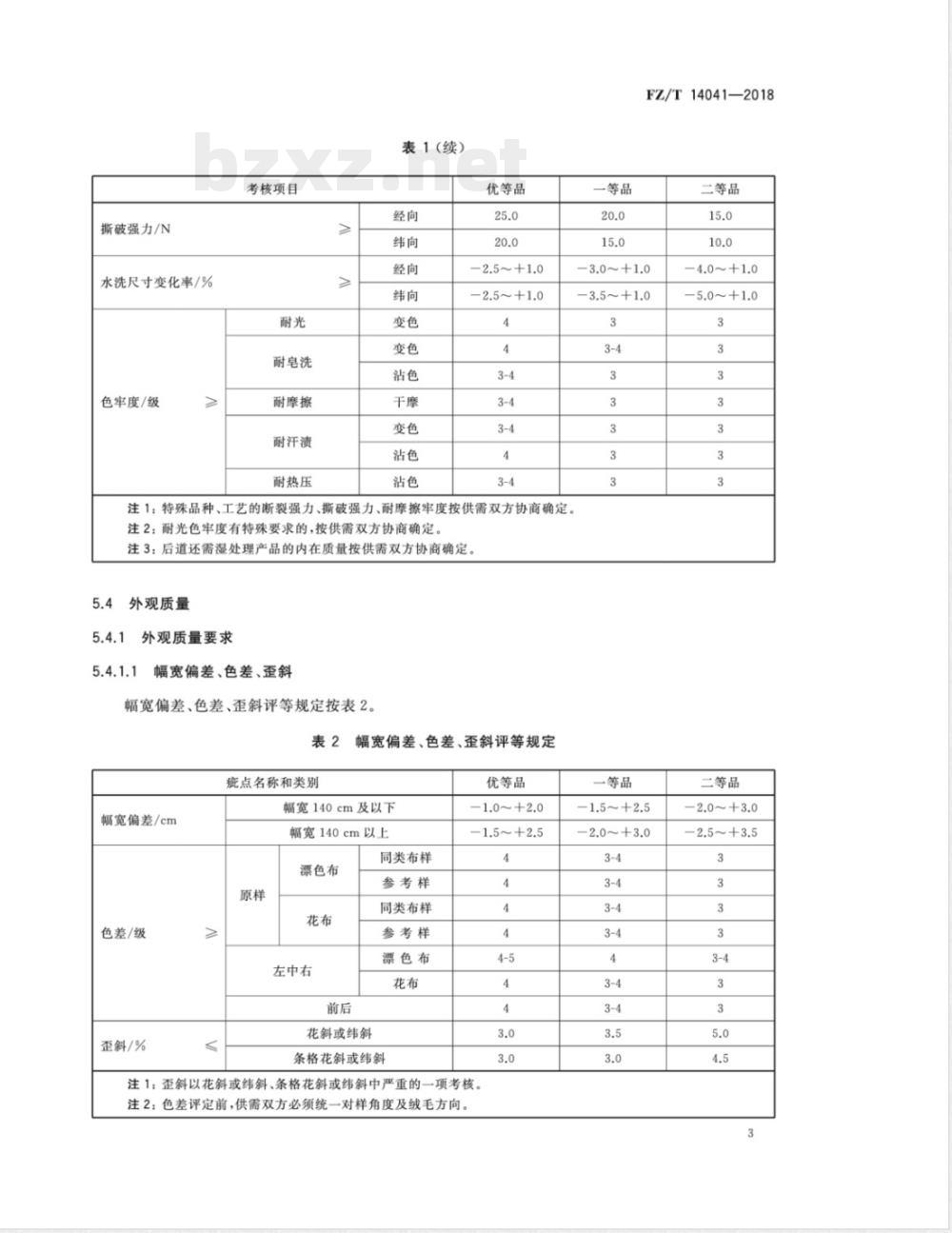
考核项目
密度偏差率/%
纤维含量偏差/%
单位面积质量偏差率/%
断裂强力/N
优等品
-2.0~+1.5
-2.0~+1.5
一等品
-3.0~+2.0
—2.5~+2.0
二等品
-4.0~+3.0
—3.0~+2.5
按GB/T29862的规定执行
-5.0~+5.0
撕破强力/N
水洗尺寸变化率/%
色牢度/级
考核项目
耐皂洗
耐摩擦
耐汗渍
耐热压
表1(续)
优等品
-2.5~+1.0
-2.5~+1.0
注1:特殊品种、工艺的断裂强力、撕破强力、耐摩擦牢度按供需双方协商确定。注2:耐光色牢度有特殊要求的,按供需双方协商确定。注3:后道还需湿处理产品的内在质量按供需双方协商确定。5.4
外观质量
外观质量要求
幅宽偏差、色差、歪斜
幅宽偏差、色差、歪斜评等规定按表2。表2
疵点名称和类别
幅宽偏差/cm
色差/级
歪斜/%
幅宽偏差、色差、歪斜评等规定优等品
幅宽140cm及以下
幅宽140cm以上
漂色布
左中右
花斜或纬斜
同类布样
参考样
同类布样
参考样
漂色布
条格花斜或纬斜
-1.0~+2.0
-1.5~+2.5
注1:歪斜以花斜或纬斜、条格花斜或纬斜中严重的一项考核。注2:色差评定前,供需双方必须统一对样角度及绒毛方向。一等品
FZ/T14041—2018
三等品
-3.5~+1.0
一等品
-1.5~+2.5
-4.0~+1.0
三等品
FZ/T14041—2018
局部性疵点
5.4.1.2.1
5.4.1.2.1.1
5.4.1.2.1.2
式中:
5.4.1.2.2
5.4.1.2.2.1
局部性疵点允许评分数的规定
每匹(段)布的局部性疵点允许评分数规定按表3。表3局部性疵点允许评分数规定
优等品
一等品
单位为分每百平方米
二等品
每匹(段)布的局部性疵点允许总评分按式(1),计算结果按GB/T8170修约至个位数。A=(a×L×W)/100
每匹(段)布的局部性疵点允许总评分,单位为分;每百平方米允许评分数,单位为分每百平方米(分/100m2);匹(段)长,单位为米(m);
标准幅宽,单位为米(m)。
局部性疵点评分规定
局部性疵点评分规定按表4。
疵点长度
8.0cm及以下
8.0cm以上~16.0cm及以下
16.0cm以上~24.0cm及以下
24.0cm以上
局部性疵点评分规定
注1:布面疵点具体内容见GB/T406—2008附录B,疵点名称说明见GB/T406—2008附录C。注2:单丝、漏割、补刀条、绒经缝补按相应疵点计分。1m评分不得超过4分。
5.4.1.2.2.2
.......(1)
距边2.0cm以上的所有破洞(断纱3根及以上,或者经纬各断1根且明显的、0.3cm以上5.4.1.2.2.3
的跳花)不论大小,均评4分;距边2.0cm及以内的破损性疵点评2分。难以数清、不易量计的分散斑渍,根据其分散的最大长度和宽度,按照表4分别量计,累计5.4.1.2.2.4
评分。
5.4.1.2.3
局部性症点评分说明
5.4.1.2.3.1
5.4.1.2.3.2
5.4.1.2.3.3
疵点长度按经向或纬向的最大长度量计。除破损和边疵外,距边1.0cm及以内的其他疵点不评分评定布面疵点时,均以布匹正面为准。反面有通匹、散布性的严重疵点时应降一个等级。散布性疵点
散布性疵点允许程度规定按表5。点名称和类别
花纹不符、染色不匀
棉结杂质、深浅细点
刷毛档、压皱印
注1:花纹不符以用户确认样为准。5散布性疵点评等规定
优等品
不影响外观
不影响外观
不影响外观
注2:印花布的绒面症点根据对总体效果的影响程度评定。一等品
不影响外观
不影响外观
不影响外观
FZ/T14041—2018
二等品
影响外观
影响外观
影响外观
注3:割绒条花经向轻微、纬向两面看得出者为显著;细条经向明显、纬向两面看得出者为显著注4:横档正向轻微侧向较明显但后道柔洗湿处理后显著减轻,不影响外观者,不做降级处理。5.4.2优等品疵点说明
优等品不允许有下列疵点:
单独一处评4分的局部性疵点;
破损性症点。
一等品破损性症点说明
-等品不允许有破损性疵点。
5.5假开剪和拼件的规定
5.5.1在优等品中不允许假开剪。5.5.2假开剪的疵点应是评为4分的疵点或评为3分的严重疵点,假开剪后各段布都应是一等品,5.5.3凡用户允许假开剪或拼件的,可实行假开剪和拼件。距布端5m以内及长度在30m以下不允许假开剪,最低拼件长度不低于10m;假开剪按60m不允许超过2处,长度每增加30m,假开剪可相应增加1处。
5.5.4假开剪和拼件率合计不允许超过20%,其中拼件率不得超过10%。5.5.5假开剪位置应做明显标记,附假开剪段长记录单。试验和检验方法
试验方法
6.1.1密度检验方法按GB/T4668执行,经纬向密度偏差率按式(2)计算,按GB/T8170修约至小数点后1位。
式中:
经纬向密度偏差率;
D,-D×100%
灯芯绒涤棉混纺印染布标准(经、纬纱)密度,单位为根每10厘米(根/10cm);灯芯绒涤棉混纺印染布实测(经、纬纱)密度,单位为根每10厘米(根/10cm)。(2)
6.1.2纤维含量试验方法按GB/T2910.11、FZ/T01057(所有部分)、FZ/T01101执行,纤维含量结果5
FZ/T14041—2018
以净干质量结合公定回潮率计算的公定质量百分率表示。6.1.3单位面积质量试验方法按GB/T4669一2008中方法6执行,单位面积质量偏差率按式(3)计算,按GB/T8170修约至小数点后1位。G=ml-mx
×100%
式中:
单位面积质量偏差率;
灯芯绒涤棉混纺印染布单位面积质量标称值,单位为克每平方米(g/m);m
灯芯绒涤棉混纺印染布单位面积质量实测值,单位为克每平方米(g/m)。注:单位面积质量标称值为客户要求或面料设计目标克值,按供需双方协议商定。断裂强力试验方法按GB/T3923.1执行。6.1.4
6.1.5撕破强力试验方法按GB/T3917.1执行。.(3)
6.1.6水洗尺寸变化率试验方法按GB/T8628、GB/T8629—2001(采用洗涤程序4A,干燥程序F)和GB/T8630执行。
耐光色牢度试验方法按GB/T8427—2008中方法3执行。6.1.7
耐皂洗色牢度试验方法按GB/T3921一2008中A(1)单纤维贴衬执行6.1.9耐摩擦色牢度试验方法按GB/T3920执行。试样经向应与摩擦柱前后往返直线成22.5°土0.5°,只试经向。评级前应刷去试样布面有色纤维,然后评级。6.1.10
耐汗渍色牢度试验方法按GB/T3922一2013中单纤维贴衬执行。耐热压色牢度试验方法按GB/T6152—1997中潮压法,温度为150℃士2℃执行。幅度检验方法按GB/T4666执行。变色、色差按GB/T250评定;沾色按GB/T251评定。歪斜按GB/T14801执行。
6.2外观质量检验条件和方法
6.2.1采用灯光检验时,以40W加罩青光日光灯管3根~4根,照度不低于7501x,光源与布面距离为1.0m~1.2m。
6.2.2验布机验布板角度为45°,布行速度最高为40m/min。布匹的评等检验,按验布机上做出疵点标记,评分评等。
6.2.3布匹的复验、验收应将布平摊在验布台上,按纬向逐幅展开检验。检验人员的视线应正视布面,眼睛与布面的距离为55.0cm~60.0cm。6.2.4规定检验布的绒面。
7检验规则
检验规则按FZ/T10005执行。
8标志和包装
标志和包装按FZ/T10010执行。
9其他
特殊品种及用户对产品有特殊要求的,由供需双方另订协议。6
幅宽、密度的加工系数
幅宽、密度加工系数按表A.1。
幅宽加工系数
A.2计算方法
附录A
(规范性附录)
灯芯绒涤棉混纺印染布加工系数表A.1加工系数
经密加工系数
FZ/T14041—2018
纬密加工系数
标准幅宽按式(A.1)计算,计算结果按GB/T8170修约至小数点后2位。A.2.1
式中:
灯芯绒涤棉混纺印染布标准幅宽,单位为米(m);灯芯绒涤棉混纺本色布标准幅宽,单位为米(m);灯芯绒涤棉混纺印染布幅宽加工系数。A.2.2
标准(经、纬纱)密度按式(A.2)计算,计算结果按GB/T8170修约至个位数。Dt.w=d.wXct.wXk
式中:
灯芯绒涤棉混纺印染布标准(经、纬纱)密度,单位为根每10厘米(根/10cm);灯芯绒涤棉混纺本色布标准(经、纬纱)密度,单位为根每10厘米(根/10cm);灯芯绒涤棉混纺印染布(经、纬纱)密度加工系数;灯芯绒涤棉混纺印染布割绒加工系数。割绒加工系数按式(A.3)计算,计算结果按GB/T8170修约至个位数。A.2.3
式中:
一个完全组织的地纬根数;
个完全组织的总纬根数。
·(A.1)
.(A.2)
.(A.3)
FZ/T14041-2018
中华人民共和国纺织
行业标准
灯芯绒涤棉混纺印染布
FZ/T14041—2018
中国标准出版社出版发行
北京市朝阳区和平里西街甲2号(100029)北京市西城区三里河北街16号(100045)网址www.spc.net.cn
总编室:(010)68533533发行中心:(010)51780238读者服务部:(010)68523946
中国标准出版社秦皇岛印刷厂印刷各地新华书店经销
开本880×12301/16
2018年5月第一版
印张0.75
字数16千字
2018年5月第一次印刷
书号:1550662-33084
定价16.00元
由本社发行中心调换
如有印装差错
版权专有侵权必究
举报电话:(010)68510107
小提示:此标准内容仅展示完整标准里的部分截取内容,若需要完整标准请到上方自行免费下载完整标准文档。
中华人民共和国纺织行业标准
FZ/T14041-2018
灯芯绒涤棉混纺印染布
Corduroy printed and dyed polyester/cotton blended fabric2018-04-30发布
中华人民共和国工业和信息化部发布
2018-09-01实施
本标准按照GB/T1.1一2009给出的规则起草。本标准由中国纺织工业联合会提出。FZ/T14041-—2018
本标准由全国纺织品标准化技术委员会印染制品分技术委员会(SAC/TC209/SC11)归口。本标准起草单位:常州市武进城南纺织品有限公司、南通金仕达超微阻燃材料有限公司、上海市纺织工业技术监督所、中国印染行业协会。本标准主要起草人:杨伟忠、刘炎英、王月华、张宝庆、黄中权。I
1范围
灯芯绒涤棉混纺印染布
FZ/T14041—2018免费标准下载网bzxz
本标准规定了灯芯绒涤棉混纺印染布的术语和定义、分类、要求、试验和检验方法、检验规则、标志和包装。
本标准适用于机织生产的各类漂白、染色和印花的灯芯绒涤棉混纺印染布。其他同类产品可参照执行。
规范性引用文件
下列文件对于本文件的应用是必不可少的。凡是注日期的引用文件,仅注日期的版本适用于本文件。凡是不注日期的引用文件,其最新版本(包括所有的修改单)适用于本文件。GB/T250
GB/T251
GB/T406-
GB/T411
纺织品
纺织品
色牢度试验评定变色用灰色样卡色牢度试验评定沾色用灰色样卡棉本色布
棉印染布
GB/T2910.11
GB/T3917.1
GB/T3920
纺织品
纺织品
纺织品
1—2008
GB/T3921
GB/T3922—2013
GB/T3923.1
GB/T4666
GB/T4668
定量化学分析
第11部分:纤维素纤维与聚酯纤维的混合物(硫酸法)织物撕破性能第1部分:冲击摆锤法撕破强力的测定色牢度试验耐摩擦色牢度
纺织品
纺织品
纺织品
纺织品
耐皂洗色牢度
色牢度试验
色牢度试验
耐汗渍色牢度
织物拉伸性能第1部分:断裂强力和断裂伸长率的测定(条样法)织物长度和幅宽的测定
机织物密度的测定
—2008
GB/T4669
GB/T6152—1997
GB/T8170
GB/T8427
GB/T8628
纺织品
纺织品
机织物
单位长度质量和单位面积质量的测定耐热压色牢度
色牢度试验
数值修约规则与极限数值的表示和判定2008
纺织品
纺织品
9—2001
GB/T8629
GB/T8630
GB/T14311
GB/T14801
GB18401
色牢度试验耐人造光色牢度:氙弧测定尺寸变化的试验中织物试样和服装的准备、标记及测量纺织品
纺织品
试验用家庭洗涤和干燥程序
洗涤和干燥后尺寸变化的测定
棉印染灯芯绒
机织物与针织物纬斜和弓纬试验方法国家纺织产品基本安全技术规范GB/T29862
GB31701
纺织品纤维含量的标识
婴幼儿及儿童纺织产品安全技术规范FZ/T01057(所有部分)
纺织纤维鉴别试验方法
FZ/T01101
FZ/T10005
FZ/T10010
纺织品
纤维含量的测定物理法
棉及化纤纯纺、混纺印染布检验规则棉及化纤纯纺、混纺印染布标志与包装1
FZ/T14041—2018
3术语和定义
GB/T411、GB/T14311界定的以及下列术语和定义适用于本文件。3.1
灯芯绒涤棉混纺印染布
corduroy printed and dyed polyester/cotton blended fabric经向为涤棉混纺纱线,纬向为棉纱线与涤纶长丝按比例排列,经织造、染整加工的灯芯绒机织物。4分类
4.1灯芯绒涤棉混纺印染布按品种、规格分类,产品的品种和规格根据客户合同或用户需要确定。灯芯绒涤棉混纺印染布加工系数按照附录A执行。4.2灯芯绒涤棉混纺印染布产品可分为粗条灯芯绒、中条灯芯绒、细条灯芯绒、特细条灯芯绒。注:粗条灯芯绒是指2.5cm内有8条及以下的灯芯绒;中条灯芯绒是指2.5cm内有8条以上~18条的灯芯绒;细条灯芯绒是指2.5cm内有18条以上~24条的灯芯绒;特细条灯芯绒是指2.5cm内有24条以上的灯芯绒。5要求
1要求内容
灯芯绒涤棉混纺印染布的要求分为内在质量和外观质量两个方面。内在质量包括密度偏差率、纤维含量偏差、单位面积质量偏差率、断裂强力、撕破强力、水洗尺寸变化率、色牢度、安全性能8项;外观质量包括幅宽偏差、色差、歪斜、局部性疵点和散布性疵点5项。5.2分等规定
5.2.1产品的品等分为优等品、一等品、二等品,低于二等品的为等外品。5.2.2灯芯绒涤棉混纺印染布的评等,内在质量按批评等,外观质量按匹(段)评等,以内在质量和外观质量中最低一项评等作为该匹(段)布的评等。5.2.3在同一匹(段)布内,局部性疵点采用每百平方米允许评分的办法评定等级;散布性疵点按严重一项评等。
5.3内在质量
5.3.1产品的安全性能应符合GB18401或GB31701的规定。5.3.2内在质量评等规定按表1。内在质量评等规定
考核项目
密度偏差率/%
纤维含量偏差/%
单位面积质量偏差率/%
断裂强力/N
优等品
-2.0~+1.5
-2.0~+1.5
一等品
-3.0~+2.0
—2.5~+2.0
二等品
-4.0~+3.0
—3.0~+2.5
按GB/T29862的规定执行
-5.0~+5.0
撕破强力/N
水洗尺寸变化率/%
色牢度/级
考核项目
耐皂洗
耐摩擦
耐汗渍
耐热压
表1(续)
优等品
-2.5~+1.0
-2.5~+1.0
注1:特殊品种、工艺的断裂强力、撕破强力、耐摩擦牢度按供需双方协商确定。注2:耐光色牢度有特殊要求的,按供需双方协商确定。注3:后道还需湿处理产品的内在质量按供需双方协商确定。5.4
外观质量
外观质量要求
幅宽偏差、色差、歪斜
幅宽偏差、色差、歪斜评等规定按表2。表2
疵点名称和类别
幅宽偏差/cm
色差/级
歪斜/%
幅宽偏差、色差、歪斜评等规定优等品
幅宽140cm及以下
幅宽140cm以上
漂色布
左中右
花斜或纬斜
同类布样
参考样
同类布样
参考样
漂色布
条格花斜或纬斜
-1.0~+2.0
-1.5~+2.5
注1:歪斜以花斜或纬斜、条格花斜或纬斜中严重的一项考核。注2:色差评定前,供需双方必须统一对样角度及绒毛方向。一等品
FZ/T14041—2018
三等品
-3.5~+1.0
一等品
-1.5~+2.5
-4.0~+1.0
三等品
FZ/T14041—2018
局部性疵点
5.4.1.2.1
5.4.1.2.1.1
5.4.1.2.1.2
式中:
5.4.1.2.2
5.4.1.2.2.1
局部性疵点允许评分数的规定
每匹(段)布的局部性疵点允许评分数规定按表3。表3局部性疵点允许评分数规定
优等品
一等品
单位为分每百平方米
二等品
每匹(段)布的局部性疵点允许总评分按式(1),计算结果按GB/T8170修约至个位数。A=(a×L×W)/100
每匹(段)布的局部性疵点允许总评分,单位为分;每百平方米允许评分数,单位为分每百平方米(分/100m2);匹(段)长,单位为米(m);
标准幅宽,单位为米(m)。
局部性疵点评分规定
局部性疵点评分规定按表4。
疵点长度
8.0cm及以下
8.0cm以上~16.0cm及以下
16.0cm以上~24.0cm及以下
24.0cm以上
局部性疵点评分规定
注1:布面疵点具体内容见GB/T406—2008附录B,疵点名称说明见GB/T406—2008附录C。注2:单丝、漏割、补刀条、绒经缝补按相应疵点计分。1m评分不得超过4分。
5.4.1.2.2.2
.......(1)
距边2.0cm以上的所有破洞(断纱3根及以上,或者经纬各断1根且明显的、0.3cm以上5.4.1.2.2.3
的跳花)不论大小,均评4分;距边2.0cm及以内的破损性疵点评2分。难以数清、不易量计的分散斑渍,根据其分散的最大长度和宽度,按照表4分别量计,累计5.4.1.2.2.4
评分。
5.4.1.2.3
局部性症点评分说明
5.4.1.2.3.1
5.4.1.2.3.2
5.4.1.2.3.3
疵点长度按经向或纬向的最大长度量计。除破损和边疵外,距边1.0cm及以内的其他疵点不评分评定布面疵点时,均以布匹正面为准。反面有通匹、散布性的严重疵点时应降一个等级。散布性疵点
散布性疵点允许程度规定按表5。点名称和类别
花纹不符、染色不匀
棉结杂质、深浅细点
刷毛档、压皱印
注1:花纹不符以用户确认样为准。5散布性疵点评等规定
优等品
不影响外观
不影响外观
不影响外观
注2:印花布的绒面症点根据对总体效果的影响程度评定。一等品
不影响外观
不影响外观
不影响外观
FZ/T14041—2018
二等品
影响外观
影响外观
影响外观
注3:割绒条花经向轻微、纬向两面看得出者为显著;细条经向明显、纬向两面看得出者为显著注4:横档正向轻微侧向较明显但后道柔洗湿处理后显著减轻,不影响外观者,不做降级处理。5.4.2优等品疵点说明
优等品不允许有下列疵点:
单独一处评4分的局部性疵点;
破损性症点。
一等品破损性症点说明
-等品不允许有破损性疵点。
5.5假开剪和拼件的规定
5.5.1在优等品中不允许假开剪。5.5.2假开剪的疵点应是评为4分的疵点或评为3分的严重疵点,假开剪后各段布都应是一等品,5.5.3凡用户允许假开剪或拼件的,可实行假开剪和拼件。距布端5m以内及长度在30m以下不允许假开剪,最低拼件长度不低于10m;假开剪按60m不允许超过2处,长度每增加30m,假开剪可相应增加1处。
5.5.4假开剪和拼件率合计不允许超过20%,其中拼件率不得超过10%。5.5.5假开剪位置应做明显标记,附假开剪段长记录单。试验和检验方法
试验方法
6.1.1密度检验方法按GB/T4668执行,经纬向密度偏差率按式(2)计算,按GB/T8170修约至小数点后1位。
式中:
经纬向密度偏差率;
D,-D×100%
灯芯绒涤棉混纺印染布标准(经、纬纱)密度,单位为根每10厘米(根/10cm);灯芯绒涤棉混纺印染布实测(经、纬纱)密度,单位为根每10厘米(根/10cm)。(2)
6.1.2纤维含量试验方法按GB/T2910.11、FZ/T01057(所有部分)、FZ/T01101执行,纤维含量结果5
FZ/T14041—2018
以净干质量结合公定回潮率计算的公定质量百分率表示。6.1.3单位面积质量试验方法按GB/T4669一2008中方法6执行,单位面积质量偏差率按式(3)计算,按GB/T8170修约至小数点后1位。G=ml-mx
×100%
式中:
单位面积质量偏差率;
灯芯绒涤棉混纺印染布单位面积质量标称值,单位为克每平方米(g/m);m
灯芯绒涤棉混纺印染布单位面积质量实测值,单位为克每平方米(g/m)。注:单位面积质量标称值为客户要求或面料设计目标克值,按供需双方协议商定。断裂强力试验方法按GB/T3923.1执行。6.1.4
6.1.5撕破强力试验方法按GB/T3917.1执行。.(3)
6.1.6水洗尺寸变化率试验方法按GB/T8628、GB/T8629—2001(采用洗涤程序4A,干燥程序F)和GB/T8630执行。
耐光色牢度试验方法按GB/T8427—2008中方法3执行。6.1.7
耐皂洗色牢度试验方法按GB/T3921一2008中A(1)单纤维贴衬执行6.1.9耐摩擦色牢度试验方法按GB/T3920执行。试样经向应与摩擦柱前后往返直线成22.5°土0.5°,只试经向。评级前应刷去试样布面有色纤维,然后评级。6.1.10
耐汗渍色牢度试验方法按GB/T3922一2013中单纤维贴衬执行。耐热压色牢度试验方法按GB/T6152—1997中潮压法,温度为150℃士2℃执行。幅度检验方法按GB/T4666执行。变色、色差按GB/T250评定;沾色按GB/T251评定。歪斜按GB/T14801执行。
6.2外观质量检验条件和方法
6.2.1采用灯光检验时,以40W加罩青光日光灯管3根~4根,照度不低于7501x,光源与布面距离为1.0m~1.2m。
6.2.2验布机验布板角度为45°,布行速度最高为40m/min。布匹的评等检验,按验布机上做出疵点标记,评分评等。
6.2.3布匹的复验、验收应将布平摊在验布台上,按纬向逐幅展开检验。检验人员的视线应正视布面,眼睛与布面的距离为55.0cm~60.0cm。6.2.4规定检验布的绒面。
7检验规则
检验规则按FZ/T10005执行。
8标志和包装
标志和包装按FZ/T10010执行。
9其他
特殊品种及用户对产品有特殊要求的,由供需双方另订协议。6
幅宽、密度的加工系数
幅宽、密度加工系数按表A.1。
幅宽加工系数
A.2计算方法
附录A
(规范性附录)
灯芯绒涤棉混纺印染布加工系数表A.1加工系数
经密加工系数
FZ/T14041—2018
纬密加工系数
标准幅宽按式(A.1)计算,计算结果按GB/T8170修约至小数点后2位。A.2.1
式中:
灯芯绒涤棉混纺印染布标准幅宽,单位为米(m);灯芯绒涤棉混纺本色布标准幅宽,单位为米(m);灯芯绒涤棉混纺印染布幅宽加工系数。A.2.2
标准(经、纬纱)密度按式(A.2)计算,计算结果按GB/T8170修约至个位数。Dt.w=d.wXct.wXk
式中:
灯芯绒涤棉混纺印染布标准(经、纬纱)密度,单位为根每10厘米(根/10cm);灯芯绒涤棉混纺本色布标准(经、纬纱)密度,单位为根每10厘米(根/10cm);灯芯绒涤棉混纺印染布(经、纬纱)密度加工系数;灯芯绒涤棉混纺印染布割绒加工系数。割绒加工系数按式(A.3)计算,计算结果按GB/T8170修约至个位数。A.2.3
式中:
一个完全组织的地纬根数;
个完全组织的总纬根数。
·(A.1)
.(A.2)
.(A.3)
FZ/T14041-2018
中华人民共和国纺织
行业标准
灯芯绒涤棉混纺印染布
FZ/T14041—2018
中国标准出版社出版发行
北京市朝阳区和平里西街甲2号(100029)北京市西城区三里河北街16号(100045)网址www.spc.net.cn
总编室:(010)68533533发行中心:(010)51780238读者服务部:(010)68523946
中国标准出版社秦皇岛印刷厂印刷各地新华书店经销
开本880×12301/16
2018年5月第一版
印张0.75
字数16千字
2018年5月第一次印刷
书号:1550662-33084
定价16.00元
由本社发行中心调换
如有印装差错
版权专有侵权必究
举报电话:(010)68510107
小提示:此标准内容仅展示完整标准里的部分截取内容,若需要完整标准请到上方自行免费下载完整标准文档。
标准图片预览:





- 其它标准
- 热门标准
- 其他行业标准
- FZ/T54085-2016 阻燃涤纶低弹丝
- FZ/T54087-2016 粘合活化型涤纶工业长丝
- FZ/T54088-2016 锦纶6全牵伸单丝
- FZ/T54089-2016 有色锦纶6弹力丝
- FZ/T92036-2017 弹簧加压摇架
- YS/T433-2016 银精矿
- FZ/T54082-2015 锦纶6膨体长丝(BCF)
- QB/T4698-2014 家用和类似用途软水机
- QB/T4207-2011 一字槽螺钉旋具头
- FZ/T61002-2019 化纤仿毛毛毯
- FZ/T62036-2017 乳胶枕、垫
- JB/T4212.6-2014 内六角圆柱头螺钉冷镦模 第6部分:凹模
- NB/T31048.1-2014 风力发电机用绕组线 第1部分 一般规定
- T/CMAJY047-2021 加油机在线监督管理规范
- FZ/T73022-2019 针织保暖内衣
- 行业新闻
请牢记:“bzxz.net”即是“标准下载”四个汉字汉语拼音首字母与国际顶级域名“.net”的组合。 ©2025 标准下载网 www.bzxz.net 本站邮件:bzxznet@163.com
网站备案号:湘ICP备2025141790号-2
网站备案号:湘ICP备2025141790号-2