- 您的位置:
- 标准下载网 >>
- 标准分类 >>
- 其他行业标准 >>
- FZ/T 93085-2012包覆纱机
标准号:
FZ/T 93085-2012
标准名称:
包覆纱机
标准类别:
其他行业标准
英文名称:
Covering machine标准状态:
现行-
发布日期:
2012-12-28 -
实施日期:
2013-06-01 出版语种:
简体中文下载格式:
.pdf .zip下载大小:
2.77 MB
标准ICS号:
纺织和皮革技术>>纺织机械>>59.120.10纺纱、加捻和卷曲变形机械中标分类号:
纺织>>纺织机械与器具>>W93纺部机械与器具
起草人:
高瑞明、邵志军、胡弘波、史伟民、顾叶琴、章颉、徐跃新、洪东、王向东、姚旦鸣、李章存、夏苗良起草单位:
浙江精功科技股份有限公司、浙江理工大学现代纺织装备技术教育部工程研究中心、浙江汇豪科技有限公司、浙江省纺织机械标准化技术委员会、浙江方正轻纺机械检测中心有限公司、浙江国兴机械股份有限公司提出单位:
中国纺织工业联合会发布部门:
中华人民共和国工业和信息化部主管部门:
全国纺织机械与附件标准化技术委员会相关标签:
包覆
点击下载
标准简介:
本标准规定了包覆纱机的型式、主要参数、要求、试验方法、检验规则、标志、包装、运输和贮存。
本标准适用于对锦纶丝、氨纶丝、真丝、橡筋线、金银丝(合纤)和棉纱等进行单、双层包覆加工生产的包覆纱机。
本标准按照GB/T1.1—2009给出的规则起草。
本标准由中国纺织工业联合会提出。
本标准由全国纺织机械与附件标准化技术委员会负责归口。
本标准起草单位:浙江精功科技股份有限公司、浙江理工大学现代纺织装备技术教育部工程研究中心、浙江汇豪科技有限公司、浙江省纺织机械标准化技术委员会、浙江方正轻纺机械检测中心有限公司、浙江国兴机械股份有限公司。
本标准主要起草人:高瑞明、邵志军、胡弘波、史伟民、顾叶琴、章颉、徐跃新、洪东、王向东、姚旦鸣、李章存、夏苗良。
下列文件对于本文件的应用是必不可少的。凡是注日期的引用文件,仅注日期的版本适用于本文件。凡是不注日期的引用文件,其最新版本(包括所有的修改单)适用于本文件。
GB/T191 包装储运图示标志
GB2894 安全标志及其使用导则
GB5226.1—2008 机械电气安全 机械电气设备 第1部分:通用技术条件
GB/T7111.1 纺织机械噪声测试规范 第1部分:通用要求
GB/T7111.4 纺织机械噪声测试规范 第4部分:纱线加工、绳索加工机械
FZ/T90001 纺织机械产品包装
FZ/T90074 纺织机械产品涂装
FZ/T90089.1 纺织机械铭牌 型式、尺寸及技术要求
FZ/T90089.2 纺织机械铭牌 内容
部分标准内容:
中华人民共和国纺织行业标准
FZ/T93085—2012
包覆纱机
Covering machine
2012-12-28发布
中华人民共和国工业和信息化部发布
2013-06-01实施
本标准按照GB/T1.1一2009给出的规则起草。本标准由中国纺织工业联合会提出。本标准由全国纺织机械与附件标准化技术委员会负责归口。FZ/T93085-—2012
本标准起草单位:浙江精功科技股份有限公司、浙江理工大学现代纺织装备技术教育部工程研究中心、浙江汇豪科技有限公司、浙江省纺织机械标准化技术委员会、浙江方正轻纺机械检测中心有限公司、浙江国兴机械股份有限公司。
本标准主要起草人:高瑞明、邵志军、胡弘波、史伟民、顾叶琴、章额、徐跃新、洪东、王向东、姚旦鸣、李章存、夏苗良。
1范围
包覆纱机
FZ/T93085—2012
本标准规定了包覆纱机的型式和主要参数、要求、试验方法、检验规则以及标志、包装、运输和贮存。本标准适用于对锦纶丝、氨纶丝、真丝、橡筋线、金银丝(合纤)和棉纱等进行单、双层包覆加工生产的包覆纱机。bzxz.net
规范性引用文件
下列文件对于本文件的应用是必不可少的。凡是注日期的引用文件,仅注日期的版本适用于本文件。凡是不注日期的引用文件,其最新版本(包括所有的修改单)适用于本文件。GB/T191包装储运图示标志
GB2894安全标志及其使用导则
GB5226.1一2008机械电气安全机械电气设备第1部分:通用技术条件GB/T7111.1纺织机械噪声测试规范第1部分:通用要求GB/T7111.4纺织机械噪声测试规范第4部分:纱线加工、绳索加工机械FZ/T90001纺织机械产品包装
FZ/T90074纺织机械产品涂装
FZ/T90089.1
纺织机械铭牌型式、尺寸及技术要求FZ/T90089.2
型式和主要参数
纺织机械铭牌内容
3.1产品型式与分类
结构型式:双面双层、双面单层。卷绕成形:机械式、电控式;集体成形、单锭独立成形。包覆类型:单包、双包。
3.2主要参数
主要参数见表1。
最高机械锭速/(r/min)
基本锭数
氨纶丝包覆纱机
低速机型
192、208
高速机型
橡筋丝包覆纱机
金银丝(合纤)包覆纱机
FZ/T93085-—2012
每节锭数
锭距/mm
主电机最大额定功率/kW
包覆纱成纱纤度/D
最高卷取速度/(m/min)
包覆抢度/(T/m)
牵伸倍数范围
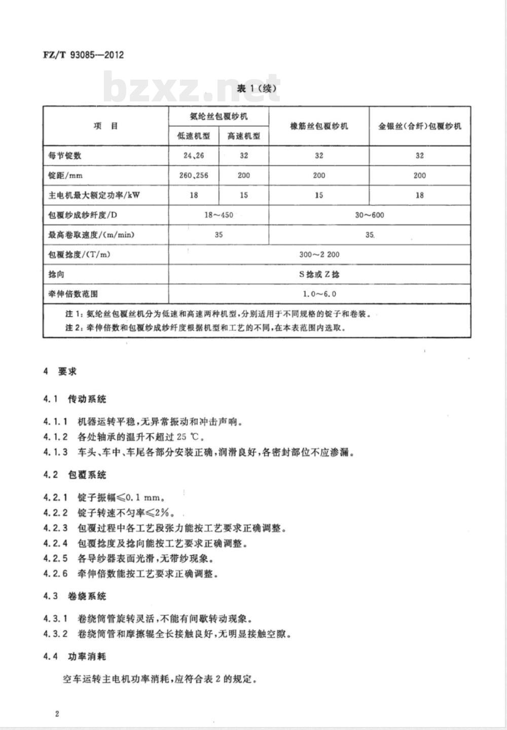
表1(续)
氨纶丝包覆纱机
低速机型
24、26
260、256
高速机型
18~450
橡筋丝包覆纱机
300~2200
S拾或Z捻
金银丝(合纤)包覆纱机
注1:氨纶丝包覆丝机分为低速和高速两种机型,分别适用于不同规格的锭子和卷装。注2:牵伸倍数和包覆纱成纱纤度根据机型和工艺的不同,在本表范围内选取。4要求
传动系统
机器运转平稳,无异常振动和冲击声响。各处轴承的温升不超过25℃。
车头、车中、车尾各部分安装正确,润滑良好,各密封部位不应渗漏。4.2
包覆系统
锭子振幅<0.1mm。
锭子转速不匀率≤2%。
包覆过程中各工艺段张力能按工艺要求正确调整。包覆抢度及抢向能按工艺要求正确调整。各导纱器表面光滑,无带纱现象。牵伸倍数能按工艺要求正确调整卷绕系统
卷绕筒管旋转灵活,不能有间歌转动现象卷绕筒管和摩擦辊全长接触良好,无明显接触空隙。4.4
功率消耗
空车运转主电机功率消耗,应符合表2的规定。2
最高机械锭速/(r/min)
功耗/kW
噪声/dB(A)
4.5噪声
氨纶丝包覆纱机
低速机型
高速机型
橡筋丝包覆纱机
空车运转时全机噪声(发射声压级)应符合表2的规定。4.6成形质量
卷绕筒简管表面纱线平整,无叠纱、塌边现象。4.7
电气设备安全性能
各防护罩安全可靠。
所有控制按钮动作灵敏、准确。电气设备的连接和布线,应符合GB5226.1一2008中13.1的规定。电气设备的导线标识,应符合GB5226.12008中13.2的规定。FZ/T93085—2012
金银丝(合纤)包覆纱机
电气设备保护联接电路连续性,应符合GB5226.1一2008中18.2.2的规定。电气设备的绝缘性能,应符合GB5226.1一2008中18.3的规定。电气设备的耐压试验,应符合GB5226.1-2008中18.4的规定。外观质量
涉及外观质量的零件表面平整、光滑、无损伤现象。产品表面涂装应符合FZ/T90074的规定。配套器材
配套器材应符合相关行业标准。5试验方法
检验方法
轴承温升用温度计在轴承座的外壳处测试。锭子振幅用锭子测振仪在锭子顶端下部20mm处测试。锭速不匀率用闪光测速仪检测,按式(1)计算:X=2n(-)×100% =2n(-2)
式中:
锭速不匀率(%);
2×100%
(1)
FZ/T93085--2012
平均锭速以下的锭子数;
平均锭速以下锭速平均数,单位为转每分(r/min);平均锭速以上的锭子数;
平均锭速以上锭速平均数,单位为转每分(r/min);锭速的平均值,单位为转每分(r/min);全机锭子数。
5.1.4主电机功率消耗用三相功率表检测。5.1.5整机噪声(发射声压级)按GB/T7111.1和GB/T7111.4的规定测试。5.1.6电气设备的连接和布线按GB5226.1一2008中13.1的规定,目测接线是否牢固,两端子之间的导线和电缆是否有接头和拼接点,电缆和电缆束的附加长度是否满足连接和拆卸的需要等。5.1.7电气设备导线的标识按GB5226.1-2008中13.2的规定,检查导线的每个端部是否有标记;如果用颜色作导线标记时,应符合标准的规定。5.1.8电气设备保护联接电路连续性按GB5226.12008中18.2.2的规定测试。5.1.9电气设备的绝缘性能按GB5226.1一2008中18.3的规定测试。5.1.10电气设备的耐压性能按GB5226.1一2008中18.4的规定测试。5.1.11其余项目,用目测、手感、听觉检测。5.2空载运转试验
5.2.1试验条件
各润滑部件加注规定的润滑剂。5.2.1.14
5.2.1.2电源电压:380V士38V频率:50Hz士1Hz。5.2.1.3试验速度:最高机械锭速的80%。5.2.1.4运转时间:4h。
5.2.2检验项目
本标准的4.1,4.2.1,4.2.2,4.2.5,4.3~4.5,4.7,4.8。5.3工作负荷试验
5.3.1试验条件
5.3.1.1空载运转试验合格后进行。5.3.1:2电源电压:380V士38V;频率:50Hz士1Hz。5.3.1.3有关包覆抢度、抢向、牵伸倍数、锭速等均按制造厂所提供的工艺方案配置。5.3.1.4原丝质量达到有关行业标准所规定的一等品指标值。5.3.1.5环境条件:温度为25℃士5℃,相对湿度为60%~70%。5.3.2检验项目
本标准的4.2.3,4.2.4,4.2.6,4.6。6检验规则
6.1出厂检验
6.1.1制造厂每批产品至少抽出一台进行全装,并需经空车运转试验。4
2·每台产品均应经制造厂检验部门检验合格,并附有合格证方能出厂。6.2
型式检验
产品在下列情况之一时,应进行型式检验:新产品鉴定时;
生产过程中,如结构、材料、工艺有较大改变,可能影响产品性能时;出厂检验结果与上次型式检验有较大差异时;第三方进行质量检验时。
检验项目:第4章。
6.3判定规则
FZ/T93085—2012
全部项目检验合格,判该批产品符合标准要求。反之,判该批产品不符合标准要求。安装调试
用户在安装调试过程中,发现有项目不符合本标准时,制造厂应会同用户共同处理。7标志、包装、运输和贮存
7.1标志
7.1.1产品的安全标志应符合GB2894的规定。包装储运的图示标志应符合GB/T191的规定。7.1.2
产品铭牌按FZ/T90089.1和FZ/T90089.2的规定。7.2包装
产品包装按FZ/T90001的规定。
7.3运输
产品在运输过程中应按规定位置起吊,包装箱按规定的朝向放置,不得倾斜或改变方向。7.4贮存
产品出厂后,在有良好防雨及通风贮存的条件下,包装箱内的零件防潮、防锈有效期为一年。5
FZ/T93085-2012
中华人民共和国纺织
行业标准
包覆纱
FZ/T93085—2012
中国标准出版社出版发行
北京市朝阳区和平里西街甲2号(100013)北京市西城区三里河北街16号(100045)网址www.spc.net,cn
总编室:(010)64275323发行中心:((010)51780235读者服务部:(010)68523946
中国标准出版社秦皇岛印刷厂印刷各地新华书店经销
开本880×12301/16印张0.75
5字数11千字
2013年6月第一版2013年6月第一次印刷*
书号:155066·2-24831定价
如有印装差错
由本社发行中心调换
版权专有侵权必究
举报电话:(010)68510107
小提示:此标准内容仅展示完整标准里的部分截取内容,若需要完整标准请到上方自行免费下载完整标准文档。
标准图片预览:





- 其它标准
- 热门标准
- 其他行业标准
- FZ/T54085-2016 阻燃涤纶低弹丝
- FZ/T54087-2016 粘合活化型涤纶工业长丝
- FZ/T54089-2016 有色锦纶6弹力丝
- FZ/T54088-2016 锦纶6全牵伸单丝
- FZ/T54080-2015 有光异形锦纶66弹力丝
- FZ/T92036-2017 弹簧加压摇架
- YS/T433-2016 银精矿
- FZ/T54082-2015 锦纶6膨体长丝(BCF)
- QB/T4698-2014 家用和类似用途软水机
- QB/T4207-2011 一字槽螺钉旋具头
- FZ/T61002-2019 化纤仿毛毛毯
- FZ/T62036-2017 乳胶枕、垫
- JB/T4212.6-2014 内六角圆柱头螺钉冷镦模 第6部分:凹模
- T/CMAJY047-2021 加油机在线监督管理规范
- FZ/T73022-2019 针织保暖内衣
- 行业新闻
网站备案号:湘ICP备2025141790号-2