- 您的位置:
- 标准下载网 >>
- 标准分类 >>
- 其他行业标准 >>
- FZ/T 14038-2017涤纶转移印花布
标准号:
FZ/T 14038-2017
标准名称:
涤纶转移印花布
标准类别:
其他行业标准
英文名称:
Polyester transfer printing fabric标准状态:
现行-
发布日期:
2017-04-12 -
实施日期:
2017-10-01 出版语种:
简体中文下载格式:
.pdf .zip下载大小:
2.74 MB
标准ICS号:
纺织和皮革技术>>纺织产品>>59.080.30纺织物中标分类号:
纺织>>印染制品>>W71棉与棉混纺织物印染品
点击下载
标准简介:
本标准规定了涤纶转移印花布的术语和定义、分类、要求、试验和检验方法、检验规则、标志和包装。
本标准适用于以涤纶低弹丝、牵伸丝为主要原料,机织生产的涤纶转移印花布。
部分标准内容:
ICS59.080.30
中华人民共和国纺织行业标准
FZ/T14038—2017
涤纶转移印花布
Polyestertransferprintingfabric2017-04-21发布
中华人民共和国工业和信息化部2017-10-01实施
本标准按照GB/T1.1一2009给出的规则起草。本标准由中国纺织工业联合会提出。FZ/T14038—2017
本标准由全国纺织品标准化技术委员会印染制品分技术委员会(SAC/TC209/SC11)归口。本标准起草单位:浙江省现代纺织工业研究院、卓尚服饰(杭州)有限公司、莱美科技股份有限公司、鲁丰织染有限公司、浙江盛发纺织印染有限公司、浙江恒祥检测技术服务有限公司、上海市纺织工业技术监督所、中国印染行业协会。本标准主要起草人:樊健美、傅婷婷、丁武杰、张超民、于滨、杨皓、高金霞、张宝庆、董淑秀。1范围
涤纶转移印花布
FZ/T14038—2017
本标准规定了涤纶转移印花布的术语和定义、分类、要求、试验和检验方法、检验规则、标志和包装本标准适用于以涤纶低弹丝、牵伸丝为主要原料,机织生产的涤纶转移印花布。2规范性引用文件
下列文件对于本文件的应用是必不可少的。凡是注日期的引用文件,仅注日期的版本适用于本文件。凡是不注日期的引用文件,其最新版本(包括所有的修改单)适用于本文件。GB/T250
GB/T251
纺织品
色牢度试验评定变色用灰色样卡纺织品
GB/T406—2008
GB/T411
色牢度试验
评定沾色用灰色样卡
棉本色布
棉印染布
GB/T3917.1
GB/T3920
GB/T3921
GB/T3922-
纺织品
织物撕破性能
第1部分:冲击摆锤法撕破强力的测定纺织品
色牢度试验耐摩擦色牢度
GB/T3923.1
GB/T4666
GB/T4668
GB/T4669
纺织品色牢度试验耐皂洗色牢度纺织品
纺织品
金耐汗渍色牢度
色牢度试验
织物拉伸性能
第1部分:断裂强力和断裂伸长率的测定(条样法)纺织品
织物长度和幅宽的测定
机织物密度的测定
机织物单位长度质量和单位面积质量的测定纺织品
GB/T4841.3
染料染色标准深度色卡2/1、1/3、1/6、1/12、1/25消费品使用说明第4部分:纺织品和服装1997
GB/T6152
GB/T8170
纺织品
色牢度试验耐热压色牢度
数值修约规则与极限数值的表示和判定GB/T8427-
GB/T8628
色牢度试验耐人造光色牢度:氙弧纺织品
纺织品测定尺寸变化的试验中织物试样和服装的准备、标记及测量纺织品试验用家庭洗涤和干燥程序GB/T8629
GB/T8630
GB/T14801
GB18401
纺织品洗涤和干燥后尺寸变化的测定机织物与针织物纬斜和弓纬试验方法国家纺织产品基本安全技术规范FZ/T10005
FZ/T10010
3术语和定义
棉及化纤纯纺、混纺印染布检验规则棉及化纤纯纺、混纺印染布标志与包装GB/T411界定的以及下列术语和定义适用于本文件。1
FZ/T14038—2017
涤纶转移印花布
polyestertransferprintingfabric以涤纶长丝为原料,机织生产的面料为底布,用转移印花纸等材料经压烫将花型转移至面料上,制成的织物。
涤纶转移印花布按品种、规格分类,产品的品种和规格根据客户合同或用户需要确定。涤纶转移印花布加工系数按照附录A执行。
5要求
要求内容
涤纶转移印花布的要求分为内在质量和外观质量两个方面。内在质量包括密度偏差率、单位面积质量偏差率、断裂强力、撕破强力、水洗尺寸变化率、色牢度、安全性能七项:外观质量包括局部性症点和散布性疵点两项。
5.2分等规定
5.2.1产品的品等分为优等品、一等品、二等品,低于二等品的为等外品。5.2.2涤纶转移印花布的评等,内在质量按批评等,外观质量按匹(段)评等,以内在质量和外观质量中最低一项品等作为该匹(段)布的品等。5.2.3在同一匹(段)布内,局部性症点采用每百平方米允许评分的办法评定等级;散布性疵点按严重一项评等。
内在质量
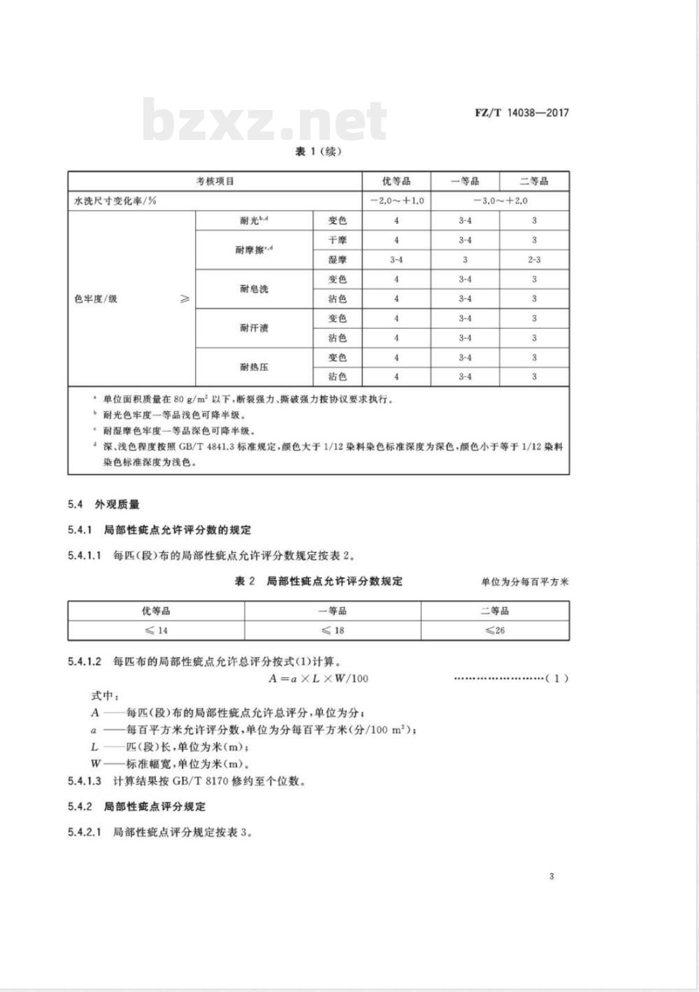
5.3.1产品的安全性能应符合GB18401的规定。内在质量评等规定按表1。
考核项目
密度偏差率/%
单位面积质量偏差率/%
125g/m以下
断裂强力/N
内在质量评等规定
优等品
经纬向
125g/m及以上
125g/m以下
撕破强力\/N
125g/m及以上
-2.0~+2.0
一等品
二等品
-4.0~+4.0
水洗尺寸变化率/%
色牢度/级
考核项目
耐摩擦d
耐皂洗
耐汗溃
耐热压
表1(续)
优等品
-2.0~+1.0
单位面积质量在80g/m以下,断裂强力、撕破强力按协议要求执行。耐光色牢度一等品浅色可降半级。耐湿摩色牢度一等品深色可降半级FZ/T14038—2017
一等品
二等品
-3.0~+2.0
深、浅色程度按照GB/T4841.3标准规定,颜色大于1/12染料染色标准深度为深色,颜色小于等于1/12染料d
染色标准深度为浅色。
外观质量
局部性症点允许评分数的规定
每匹(段)布的局部性疵点允许评分数规定按表2。表2
优等品
局部性疵点允许评分数规定
一等品
每匹布的局部性疵点充许总评分按式(1)计算。A=aXL×W/100
式中:
每匹(段)布的局部性疵点允许总评分,单位为分;每百平方米允许评分数,单位为分每百平方米(分/100m);匹(段)长,单位为米(m);
标准幅宽,单位为米(m)。
计算结果按GB/T8170修约至个位数。局部性症点评分规定
局部性症点评分规定按表3。
单位为分每百平方米
二等品
...............(I)
FZ/T14038—2017
疵点长度
疵点在8.0cm及以下
点在8.0cm以上至16.0cm及以下
症点在16.0cm以上至24.0cm及以下概点在24.0cm以上
局部性疵点评分规定
注:布面概点具体内容见GB/T406—2008附录B,疵点名称说明见GB/T406—2008附录C。5.4.2.2
4分。
在1m及以内,除破损外的各种疵点同时存在时,应分别量计、累计评分,其最多评分数不超过距边2.0cm以上的所有破洞(断纱3根及以上,或者经纬各断1根且明显的)不论大小,均评4分;距边2.0cm及以内的破损性疵点评2分。5.4.3
局部性症点评分说明
疵点长度按经向或纬向的最大长度量计。重叠疵点,按评分数最大的评定除破损和边症外,距边1.0cm及以内的其他疵点不评分。评定布面疵点时,均以布匹正面为准,反面有通匹、散布性的严重疵点时须降降一个等级。
印花布的布面疵点应根据对总体效果的影响程度评定。散布性疲点充许程度规定
散布性疵点允许程度规定按表4。表4
瘫点名称和类别
幅宽140cm及以下
幅宽偏差/em
色差/级
歪斜/%
幅宽140cm~240cm
幅宽240cm以上
同类布样
参考样
左中右
花斜、纬斜
条格斜花斜、纬斜
花纹不符、颜色不匀
深浅细点
散布性疵点允许程度规定
优等品
-1.0~+2.0
-1.5~+2.5
-2.5~+3.5
符合要求
不影响外观
不影响外观
注1:歪斜以花斜、纬斜或条格斜中严重的一项考核。注2:花纹不符、颜色不匀按用户确认样为准。注3:印花布的布面疵点应根据对总体效果的影响程度评定。4
一等品
-2.0~+3.0
-3.0~+4.0
符合要求
不影响外观
不影响外观
二等品
-2.5~+3.5
-3.5~+4.5
符合要求
影响外观
影响外观
5.4.5优等品疵点说明
优等品不允许有下列疵点:
单独一处评4分的局部性疵点;
破损性疵点。
一等品破损性症点说明
等品不允许有破损性症点。
5.5假开剪和拼件的规定
5.5.1在优等品中不允许假开剪。FZ/T14038—2017
5.5.2假开剪的疵点应是评为4分的疵点或评为3分的严重疵点假开剪后各段布都应是一等品。5.5.3凡用户允许假开剪或拼件的,可实行假开剪和拼件。距布端5m以内及长度在30m以下不允许假开剪,最低拼件长度不低于10m;假开剪按60m不允许超过2处,长度每增加30m,假开剪可相应增加1处。
假开剪和拼件率合计不允许超过20%,其中拼件率不得超过10%。5.5.5
假开剪布应作明显标记,附假开剪段长记录单。6试验和检验方法
6.1试验方法
6.1.1密度检验方法按GB/T4668执行,经纬向密度偏差率按式(2)计算,结果按GB/T8170修约至小数点后一位。
式中:
经纬向密度偏差率,%;
Di-D×100
D,——涤纶转移印花布实测(经、纬纱)密度,单位为根每十厘米(根/10cm);Dw
涤纶转移印花布标准(经、纬纱)密度,单位为根每十厘米(根/10cm)。..(2)
6.1.2单位面积质量偏差率试验方法按GB/T4669执行,单位面积质量偏差率按式(3)计算,结果按GB/T8170修约至小数点后一位。my-m
式中:
单位面积质量偏差率,%;
涤纶转移印花布单位面积质量实测值,单位为克每平方米(g/m);涤纶转移印花布单位面积质量标称值,单位为克每平方米(g/m)。6.1.3
断裂强力试验方法按GB/T3923.1执行。6.1.4
撕破强力试验方法按GB/T3917.1执行。(3)
6.1.5水洗尺寸变化率试验方法按GB/T8628、GB/T8629一2001(采用洗涤程序4A,干燥程序E)和GB/T8630执行。
6.1.6耐摩擦色牢度试验方法按GB/T3920执行。6.1.7
耐皂洗色牢度试验方法按GB/T3921—2008中采用C(3)单纤维贴衬执行。5www.bzxz.net
FZ/T14038—2017
6.1.8耐汗渍色牢度试验方法按GB/T3922—2013中单纤维贴衬执行。6.1.9耐热压色牢度试验方法按GB/T6152—1997潮压法,温度为150C士2℃执行。耐光色牢度试验方法按GB/T8427一2008中方法3执行,选用1~4级蓝色羊毛标样与试样6.1.10
起曝晒,以4级蓝色羊毛标样晒至4级灰卡,试验结果用曝晒后的试样对照曝晒后的蓝色羊毛标样相应级别评定。
幅宽检验方法按GB/T4666执行。变色、色差按GB/T250、沾色按GB/T251评定。6.1.13
歪斜(花斜、纬斜、条格斜)按GB/T14801执行。6.2外观质量检验条件和方法
6.2.1采用灯光检验时,以40W加罩青光日光灯管3根~4根,照度不低于7501x,光源与布面距离为1.0m~1.2m。
6.2.2验布机验布板角度为45,布行速度最高为40m/min。布匹的评等检验,按验布机上作出的疵点标记,评分评等。
6.2.3布匹的复验、验收应将布平摊在验布台上,按纬向逐幅展开检验,检验人员的视线应正视布面,眼睛与布面的距离为55.0cm~60.0cm。6.2.4规定检验布的正面(盖梢印的一面为反面)。斜纹织物:纱织物以左斜“K”为正面;线织物以右斜“”为正面。
7检验规则
检验规则按FZ/T10005执行。
8标志和包装
标志和包装按FZ/T10010执行,内包装的标志按GB5296.4执行。9其他
特殊品种及用户对产品有特殊要求的,由供需双方另订协议。6
幅宽、密度的加工系数
加工系数按表A.1。
产品类别
计算方法
附录A
(规范性附录)
涤纶转移印花布加工系数
加工系数
幅宽加工系数(b)
标准幅宽按式(A.1)计算。
式中:
涤纶转移印花布标准幅宽,单位为米(m);本色布标准幅宽,单位为米(m);涤纶转移印花布幅宽加工系数。标准(经、纬纱)密度按式(A.2)计算。D.w=d.wXc
式中:
FZ/T14038—2017
密度加工系数(c)
涤纶转移印花布标准(经、纬纱)密度,单位为根每十厘米(根/10cm);dw
-本色布标准(经、纬纱)密度,单位为根每十厘米(根/10cm);涤纶转移印花布(经、纬纱)密度加工系数。.......(A.l)
FZ/T14038-2017
中华人民共和国纺织
行业标准
涤纶转移印花布
FZ/T14038—2017
中国标准出版社出版发行
北京市朝阳区和平里西街甲2号(100029)北京市西城区三里河北街16号(100045)网址www.spc.net.cn
总编室:(010)68533533发行中心:(010)51780238读者服务部:(010)68523946
中国标准出版社秦皇岛印刷厂印刷各地新华书店经销
开本880×12301/16
印张0.75字数16千字
2017年8月第一版
2017年8月第一次印刷
书号:155066·2-31712定价16.00元如有印装差错
由本社发行中心调换
版权专有侵权必究
举报电话:(010)68510107
小提示:此标准内容仅展示完整标准里的部分截取内容,若需要完整标准请到上方自行免费下载完整标准文档。
中华人民共和国纺织行业标准
FZ/T14038—2017
涤纶转移印花布
Polyestertransferprintingfabric2017-04-21发布
中华人民共和国工业和信息化部2017-10-01实施
本标准按照GB/T1.1一2009给出的规则起草。本标准由中国纺织工业联合会提出。FZ/T14038—2017
本标准由全国纺织品标准化技术委员会印染制品分技术委员会(SAC/TC209/SC11)归口。本标准起草单位:浙江省现代纺织工业研究院、卓尚服饰(杭州)有限公司、莱美科技股份有限公司、鲁丰织染有限公司、浙江盛发纺织印染有限公司、浙江恒祥检测技术服务有限公司、上海市纺织工业技术监督所、中国印染行业协会。本标准主要起草人:樊健美、傅婷婷、丁武杰、张超民、于滨、杨皓、高金霞、张宝庆、董淑秀。1范围
涤纶转移印花布
FZ/T14038—2017
本标准规定了涤纶转移印花布的术语和定义、分类、要求、试验和检验方法、检验规则、标志和包装本标准适用于以涤纶低弹丝、牵伸丝为主要原料,机织生产的涤纶转移印花布。2规范性引用文件
下列文件对于本文件的应用是必不可少的。凡是注日期的引用文件,仅注日期的版本适用于本文件。凡是不注日期的引用文件,其最新版本(包括所有的修改单)适用于本文件。GB/T250
GB/T251
纺织品
色牢度试验评定变色用灰色样卡纺织品
GB/T406—2008
GB/T411
色牢度试验
评定沾色用灰色样卡
棉本色布
棉印染布
GB/T3917.1
GB/T3920
GB/T3921
GB/T3922-
纺织品
织物撕破性能
第1部分:冲击摆锤法撕破强力的测定纺织品
色牢度试验耐摩擦色牢度
GB/T3923.1
GB/T4666
GB/T4668
GB/T4669
纺织品色牢度试验耐皂洗色牢度纺织品
纺织品
金耐汗渍色牢度
色牢度试验
织物拉伸性能
第1部分:断裂强力和断裂伸长率的测定(条样法)纺织品
织物长度和幅宽的测定
机织物密度的测定
机织物单位长度质量和单位面积质量的测定纺织品
GB/T4841.3
染料染色标准深度色卡2/1、1/3、1/6、1/12、1/25消费品使用说明第4部分:纺织品和服装1997
GB/T6152
GB/T8170
纺织品
色牢度试验耐热压色牢度
数值修约规则与极限数值的表示和判定GB/T8427-
GB/T8628
色牢度试验耐人造光色牢度:氙弧纺织品
纺织品测定尺寸变化的试验中织物试样和服装的准备、标记及测量纺织品试验用家庭洗涤和干燥程序GB/T8629
GB/T8630
GB/T14801
GB18401
纺织品洗涤和干燥后尺寸变化的测定机织物与针织物纬斜和弓纬试验方法国家纺织产品基本安全技术规范FZ/T10005
FZ/T10010
3术语和定义
棉及化纤纯纺、混纺印染布检验规则棉及化纤纯纺、混纺印染布标志与包装GB/T411界定的以及下列术语和定义适用于本文件。1
FZ/T14038—2017
涤纶转移印花布
polyestertransferprintingfabric以涤纶长丝为原料,机织生产的面料为底布,用转移印花纸等材料经压烫将花型转移至面料上,制成的织物。
涤纶转移印花布按品种、规格分类,产品的品种和规格根据客户合同或用户需要确定。涤纶转移印花布加工系数按照附录A执行。
5要求
要求内容
涤纶转移印花布的要求分为内在质量和外观质量两个方面。内在质量包括密度偏差率、单位面积质量偏差率、断裂强力、撕破强力、水洗尺寸变化率、色牢度、安全性能七项:外观质量包括局部性症点和散布性疵点两项。
5.2分等规定
5.2.1产品的品等分为优等品、一等品、二等品,低于二等品的为等外品。5.2.2涤纶转移印花布的评等,内在质量按批评等,外观质量按匹(段)评等,以内在质量和外观质量中最低一项品等作为该匹(段)布的品等。5.2.3在同一匹(段)布内,局部性症点采用每百平方米允许评分的办法评定等级;散布性疵点按严重一项评等。
内在质量
5.3.1产品的安全性能应符合GB18401的规定。内在质量评等规定按表1。
考核项目
密度偏差率/%
单位面积质量偏差率/%
125g/m以下
断裂强力/N
内在质量评等规定
优等品
经纬向
125g/m及以上
125g/m以下
撕破强力\/N
125g/m及以上
-2.0~+2.0
一等品
二等品
-4.0~+4.0
水洗尺寸变化率/%
色牢度/级
考核项目
耐摩擦d
耐皂洗
耐汗溃
耐热压
表1(续)
优等品
-2.0~+1.0
单位面积质量在80g/m以下,断裂强力、撕破强力按协议要求执行。耐光色牢度一等品浅色可降半级。耐湿摩色牢度一等品深色可降半级FZ/T14038—2017
一等品
二等品
-3.0~+2.0
深、浅色程度按照GB/T4841.3标准规定,颜色大于1/12染料染色标准深度为深色,颜色小于等于1/12染料d
染色标准深度为浅色。
外观质量
局部性症点允许评分数的规定
每匹(段)布的局部性疵点允许评分数规定按表2。表2
优等品
局部性疵点允许评分数规定
一等品
每匹布的局部性疵点充许总评分按式(1)计算。A=aXL×W/100
式中:
每匹(段)布的局部性疵点允许总评分,单位为分;每百平方米允许评分数,单位为分每百平方米(分/100m);匹(段)长,单位为米(m);
标准幅宽,单位为米(m)。
计算结果按GB/T8170修约至个位数。局部性症点评分规定
局部性症点评分规定按表3。
单位为分每百平方米
二等品
...............(I)
FZ/T14038—2017
疵点长度
疵点在8.0cm及以下
点在8.0cm以上至16.0cm及以下
症点在16.0cm以上至24.0cm及以下概点在24.0cm以上
局部性疵点评分规定
注:布面概点具体内容见GB/T406—2008附录B,疵点名称说明见GB/T406—2008附录C。5.4.2.2
4分。
在1m及以内,除破损外的各种疵点同时存在时,应分别量计、累计评分,其最多评分数不超过距边2.0cm以上的所有破洞(断纱3根及以上,或者经纬各断1根且明显的)不论大小,均评4分;距边2.0cm及以内的破损性疵点评2分。5.4.3
局部性症点评分说明
疵点长度按经向或纬向的最大长度量计。重叠疵点,按评分数最大的评定除破损和边症外,距边1.0cm及以内的其他疵点不评分。评定布面疵点时,均以布匹正面为准,反面有通匹、散布性的严重疵点时须降降一个等级。
印花布的布面疵点应根据对总体效果的影响程度评定。散布性疲点充许程度规定
散布性疵点允许程度规定按表4。表4
瘫点名称和类别
幅宽140cm及以下
幅宽偏差/em
色差/级
歪斜/%
幅宽140cm~240cm
幅宽240cm以上
同类布样
参考样
左中右
花斜、纬斜
条格斜花斜、纬斜
花纹不符、颜色不匀
深浅细点
散布性疵点允许程度规定
优等品
-1.0~+2.0
-1.5~+2.5
-2.5~+3.5
符合要求
不影响外观
不影响外观
注1:歪斜以花斜、纬斜或条格斜中严重的一项考核。注2:花纹不符、颜色不匀按用户确认样为准。注3:印花布的布面疵点应根据对总体效果的影响程度评定。4
一等品
-2.0~+3.0
-3.0~+4.0
符合要求
不影响外观
不影响外观
二等品
-2.5~+3.5
-3.5~+4.5
符合要求
影响外观
影响外观
5.4.5优等品疵点说明
优等品不允许有下列疵点:
单独一处评4分的局部性疵点;
破损性疵点。
一等品破损性症点说明
等品不允许有破损性症点。
5.5假开剪和拼件的规定
5.5.1在优等品中不允许假开剪。FZ/T14038—2017
5.5.2假开剪的疵点应是评为4分的疵点或评为3分的严重疵点假开剪后各段布都应是一等品。5.5.3凡用户允许假开剪或拼件的,可实行假开剪和拼件。距布端5m以内及长度在30m以下不允许假开剪,最低拼件长度不低于10m;假开剪按60m不允许超过2处,长度每增加30m,假开剪可相应增加1处。
假开剪和拼件率合计不允许超过20%,其中拼件率不得超过10%。5.5.5
假开剪布应作明显标记,附假开剪段长记录单。6试验和检验方法
6.1试验方法
6.1.1密度检验方法按GB/T4668执行,经纬向密度偏差率按式(2)计算,结果按GB/T8170修约至小数点后一位。
式中:
经纬向密度偏差率,%;
Di-D×100
D,——涤纶转移印花布实测(经、纬纱)密度,单位为根每十厘米(根/10cm);Dw
涤纶转移印花布标准(经、纬纱)密度,单位为根每十厘米(根/10cm)。..(2)
6.1.2单位面积质量偏差率试验方法按GB/T4669执行,单位面积质量偏差率按式(3)计算,结果按GB/T8170修约至小数点后一位。my-m
式中:
单位面积质量偏差率,%;
涤纶转移印花布单位面积质量实测值,单位为克每平方米(g/m);涤纶转移印花布单位面积质量标称值,单位为克每平方米(g/m)。6.1.3
断裂强力试验方法按GB/T3923.1执行。6.1.4
撕破强力试验方法按GB/T3917.1执行。(3)
6.1.5水洗尺寸变化率试验方法按GB/T8628、GB/T8629一2001(采用洗涤程序4A,干燥程序E)和GB/T8630执行。
6.1.6耐摩擦色牢度试验方法按GB/T3920执行。6.1.7
耐皂洗色牢度试验方法按GB/T3921—2008中采用C(3)单纤维贴衬执行。5www.bzxz.net
FZ/T14038—2017
6.1.8耐汗渍色牢度试验方法按GB/T3922—2013中单纤维贴衬执行。6.1.9耐热压色牢度试验方法按GB/T6152—1997潮压法,温度为150C士2℃执行。耐光色牢度试验方法按GB/T8427一2008中方法3执行,选用1~4级蓝色羊毛标样与试样6.1.10
起曝晒,以4级蓝色羊毛标样晒至4级灰卡,试验结果用曝晒后的试样对照曝晒后的蓝色羊毛标样相应级别评定。
幅宽检验方法按GB/T4666执行。变色、色差按GB/T250、沾色按GB/T251评定。6.1.13
歪斜(花斜、纬斜、条格斜)按GB/T14801执行。6.2外观质量检验条件和方法
6.2.1采用灯光检验时,以40W加罩青光日光灯管3根~4根,照度不低于7501x,光源与布面距离为1.0m~1.2m。
6.2.2验布机验布板角度为45,布行速度最高为40m/min。布匹的评等检验,按验布机上作出的疵点标记,评分评等。
6.2.3布匹的复验、验收应将布平摊在验布台上,按纬向逐幅展开检验,检验人员的视线应正视布面,眼睛与布面的距离为55.0cm~60.0cm。6.2.4规定检验布的正面(盖梢印的一面为反面)。斜纹织物:纱织物以左斜“K”为正面;线织物以右斜“”为正面。
7检验规则
检验规则按FZ/T10005执行。
8标志和包装
标志和包装按FZ/T10010执行,内包装的标志按GB5296.4执行。9其他
特殊品种及用户对产品有特殊要求的,由供需双方另订协议。6
幅宽、密度的加工系数
加工系数按表A.1。
产品类别
计算方法
附录A
(规范性附录)
涤纶转移印花布加工系数
加工系数
幅宽加工系数(b)
标准幅宽按式(A.1)计算。
式中:
涤纶转移印花布标准幅宽,单位为米(m);本色布标准幅宽,单位为米(m);涤纶转移印花布幅宽加工系数。标准(经、纬纱)密度按式(A.2)计算。D.w=d.wXc
式中:
FZ/T14038—2017
密度加工系数(c)
涤纶转移印花布标准(经、纬纱)密度,单位为根每十厘米(根/10cm);dw
-本色布标准(经、纬纱)密度,单位为根每十厘米(根/10cm);涤纶转移印花布(经、纬纱)密度加工系数。.......(A.l)
FZ/T14038-2017
中华人民共和国纺织
行业标准
涤纶转移印花布
FZ/T14038—2017
中国标准出版社出版发行
北京市朝阳区和平里西街甲2号(100029)北京市西城区三里河北街16号(100045)网址www.spc.net.cn
总编室:(010)68533533发行中心:(010)51780238读者服务部:(010)68523946
中国标准出版社秦皇岛印刷厂印刷各地新华书店经销
开本880×12301/16
印张0.75字数16千字
2017年8月第一版
2017年8月第一次印刷
书号:155066·2-31712定价16.00元如有印装差错
由本社发行中心调换
版权专有侵权必究
举报电话:(010)68510107
小提示:此标准内容仅展示完整标准里的部分截取内容,若需要完整标准请到上方自行免费下载完整标准文档。
标准图片预览:





- 其它标准
- 热门标准
- 其他行业标准
- FZ/T54085-2016 阻燃涤纶低弹丝
- FZ/T54087-2016 粘合活化型涤纶工业长丝
- FZ/T54088-2016 锦纶6全牵伸单丝
- FZ/T54089-2016 有色锦纶6弹力丝
- FZ/T92036-2017 弹簧加压摇架
- YS/T433-2016 银精矿
- FZ/T54082-2015 锦纶6膨体长丝(BCF)
- QB/T4698-2014 家用和类似用途软水机
- QB/T4207-2011 一字槽螺钉旋具头
- FZ/T61002-2019 化纤仿毛毛毯
- FZ/T62036-2017 乳胶枕、垫
- JB/T4212.6-2014 内六角圆柱头螺钉冷镦模 第6部分:凹模
- NB/T31048.1-2014 风力发电机用绕组线 第1部分 一般规定
- T/CMAJY047-2021 加油机在线监督管理规范
- FZ/T73022-2019 针织保暖内衣
- 行业新闻
请牢记:“bzxz.net”即是“标准下载”四个汉字汉语拼音首字母与国际顶级域名“.net”的组合。 ©2025 标准下载网 www.bzxz.net 本站邮件:bzxznet@163.com
网站备案号:湘ICP备2025141790号-2
网站备案号:湘ICP备2025141790号-2