- 您的位置:
- 标准下载网 >>
- 标准分类 >>
- 其他行业标准 >>
- JB/T 1308.5-2011PN2500超高压阀门和管件 第5部分:凹穴接头
标准号:
JB/T 1308.5-2011
标准名称:
PN2500超高压阀门和管件 第5部分:凹穴接头
标准类别:
其他行业标准
英文名称:
PN 2500 ultrahigh pressure valves and fittings —Part 5:Socket joints标准状态:
现行-
发布日期:
2011-05-18 -
实施日期:
2011-08-01 出版语种:
简体中文下载格式:
.pdf .zip
替代情况:
替代JB/T 1308.5-1999
点击下载
标准简介:
本标准规定了超高压阀门用凹穴接头型式、尺寸和技术要求。
本标准适用于公称压力PN2500、公称尺寸为DN3~DN15的乙烯、聚乙烯等非腐蚀性介质的锻造钢制阀门的凹穴接头。
部分标准内容:
ICS23.060.01
备案号:32078—2011
中华人民共和国机械行业标准
JB/T1308.5-2011
代替JB/T1308.5—1999
PN2500超高压阀门和管件
第5部分:凹穴接头
PN2500 ultrahigh pressure valves and fittingsPart5:Socketjoints
2011-05-18发布
2011-08-01实施
JB/T1308.52011
本部分按照GB/T1.1--2009给出的规则起草。JB/T1308(PN2500超高压阀门和管件》分为21个部分:第1部分:阀门型式和基本参数;第2部分:朗门、管件和紧固件;第3部分:管子端部;
第4部分:带颈接头:bzxz.net
第5部分:凹穴接头:
第6部分:锥面垫、维面育垫:
第7部分:螺套;
第8部分:内外螺母;
第9部分:接头螺母;
-第10部分:外螺母:
第11部分:内外螺套:
第12部分:定位环:
第13部分:法兰:
第14部分:双头螺柱:
第15部分:阶端双头螺柱:
第16部分:螺母:
第17部分:异径管:
第18部分:异径接头:
第19部分:等径三通、等径四通;第20部分:异径三通、异径四通:-第21部分:弯管。
本部分为JB/T1308的第5部分。
本部分代替GB/T1308.5一1999《PN250MPa凹穴接头型式、尺寸和技术条件》。本部分与(B/T1308.5—1999相比主要技术变化如下:修改了标准名称:
将公称压力PN250MPa,改为公称压力PN2500:一在范围中增加了公称尺寸的要求,并指明了是锻造钢制的钢门。本部分由中国机械工业联合会提出。本部分由全国阀门标准化技术委员会(SACTC188)归口。本部分负责起草单位:兰州高压阀门有限公司、合肥通用机械研究院、大连大高阀门有限公司本部分主要起草人:陈清流、朱绍源、于国良、消肖箭、刘晓春。本部分所代替标准的历次版本发布情况为:JB1312—1973;
JB/T 1308.5—1999。
1范围
PN2500超高压阀门和管件
第5部分:凹穴接头
JB/1308的本部分规定了超高压阀门用凹穴接头的形式、尺寸和技术要求。JB/T1308.5—2011
本部分适用于公称压力PN2500,公称尺寸为DN3~DN15,介质为乙烯、聚乙烯等非腐蚀性介质的锻造钢制阀门的凹穴接头。
规范性引用文件
下列文件对于本文件的应用是必不可少的。凡是注日期的引用文件,仅所注日期的版本适用于本文件。凡是不注日期的引用文件,其最新版本(包括所有的修改单)适用于本文件。GB/T196普通螺纹基本尺寸
GB.T197—2003普通螺纹公差
GBT1804--般公差末注公差的线性和角度尺寸的公差JB/T1308.2PN2500超高压阀门和管件第2部分:阀门、管件和紧固件结构形式及尺寸
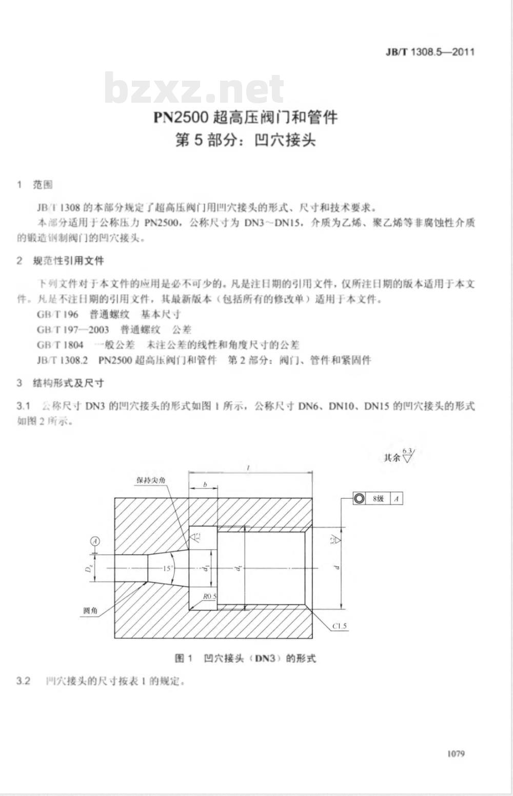
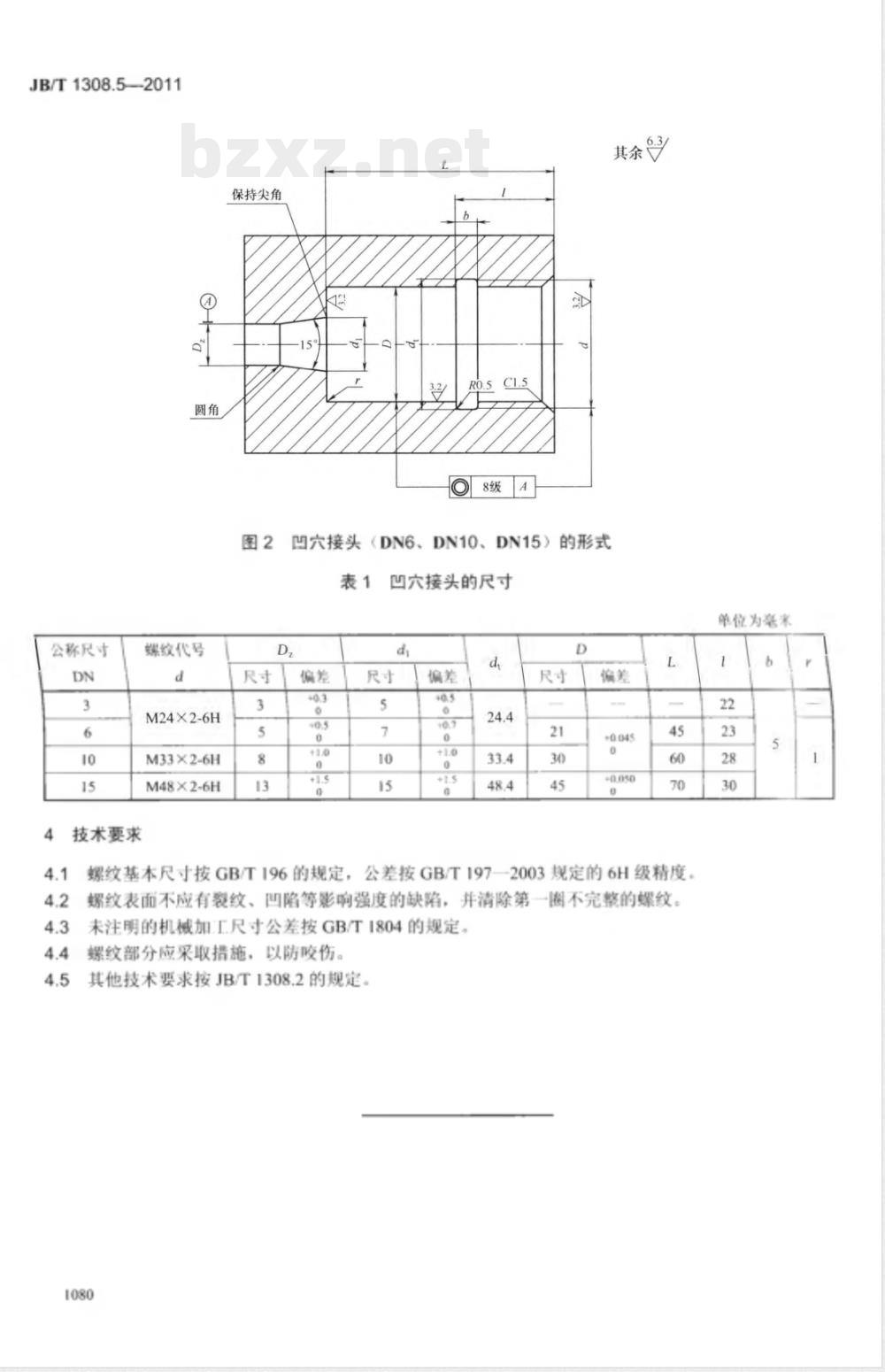
3.1公称尺寸DN3的凹穴接头的形式如图1所示,公称尺寸DN6、DN10、DN15的凹穴接头的形式如图2所示。
保持尖角
凹穴接头《DN3)的形式
叫穴接头的尺寸按表1的规定。
JB/T1308.52011
公称尺寸
保持尖角
图2凹穴接头(DN6、DN10、DN15)的形式表1
螺纹代号
M24X2-6H
M33×2-6H
M48×2-6H
技术要求
凹穴接头的尺寸
螺纹基本尺寸按GB/T196的规定,公差按GB/T197一2003规定的6H级精度螺纹表面不应有裂纹、凹陷等影响强度的缺陷,并清除第一圈不完整的螺纹。未注明的机械加工尺寸公差按GB/T1804的规定。螺纹部分应采取措施,以防咬伤。其他技术要求按JB/T1308.2的规定。4.5
单位为毫米
小提示:此标准内容仅展示完整标准里的部分截取内容,若需要完整标准请到上方自行免费下载完整标准文档。
备案号:32078—2011
中华人民共和国机械行业标准
JB/T1308.5-2011
代替JB/T1308.5—1999
PN2500超高压阀门和管件
第5部分:凹穴接头
PN2500 ultrahigh pressure valves and fittingsPart5:Socketjoints
2011-05-18发布
2011-08-01实施
JB/T1308.52011
本部分按照GB/T1.1--2009给出的规则起草。JB/T1308(PN2500超高压阀门和管件》分为21个部分:第1部分:阀门型式和基本参数;第2部分:朗门、管件和紧固件;第3部分:管子端部;
第4部分:带颈接头:bzxz.net
第5部分:凹穴接头:
第6部分:锥面垫、维面育垫:
第7部分:螺套;
第8部分:内外螺母;
第9部分:接头螺母;
-第10部分:外螺母:
第11部分:内外螺套:
第12部分:定位环:
第13部分:法兰:
第14部分:双头螺柱:
第15部分:阶端双头螺柱:
第16部分:螺母:
第17部分:异径管:
第18部分:异径接头:
第19部分:等径三通、等径四通;第20部分:异径三通、异径四通:-第21部分:弯管。
本部分为JB/T1308的第5部分。
本部分代替GB/T1308.5一1999《PN250MPa凹穴接头型式、尺寸和技术条件》。本部分与(B/T1308.5—1999相比主要技术变化如下:修改了标准名称:
将公称压力PN250MPa,改为公称压力PN2500:一在范围中增加了公称尺寸的要求,并指明了是锻造钢制的钢门。本部分由中国机械工业联合会提出。本部分由全国阀门标准化技术委员会(SACTC188)归口。本部分负责起草单位:兰州高压阀门有限公司、合肥通用机械研究院、大连大高阀门有限公司本部分主要起草人:陈清流、朱绍源、于国良、消肖箭、刘晓春。本部分所代替标准的历次版本发布情况为:JB1312—1973;
JB/T 1308.5—1999。
1范围
PN2500超高压阀门和管件
第5部分:凹穴接头
JB/1308的本部分规定了超高压阀门用凹穴接头的形式、尺寸和技术要求。JB/T1308.5—2011
本部分适用于公称压力PN2500,公称尺寸为DN3~DN15,介质为乙烯、聚乙烯等非腐蚀性介质的锻造钢制阀门的凹穴接头。
规范性引用文件
下列文件对于本文件的应用是必不可少的。凡是注日期的引用文件,仅所注日期的版本适用于本文件。凡是不注日期的引用文件,其最新版本(包括所有的修改单)适用于本文件。GB/T196普通螺纹基本尺寸
GB.T197—2003普通螺纹公差
GBT1804--般公差末注公差的线性和角度尺寸的公差JB/T1308.2PN2500超高压阀门和管件第2部分:阀门、管件和紧固件结构形式及尺寸
3.1公称尺寸DN3的凹穴接头的形式如图1所示,公称尺寸DN6、DN10、DN15的凹穴接头的形式如图2所示。
保持尖角
凹穴接头《DN3)的形式
叫穴接头的尺寸按表1的规定。
JB/T1308.52011
公称尺寸
保持尖角
图2凹穴接头(DN6、DN10、DN15)的形式表1
螺纹代号
M24X2-6H
M33×2-6H
M48×2-6H
技术要求
凹穴接头的尺寸
螺纹基本尺寸按GB/T196的规定,公差按GB/T197一2003规定的6H级精度螺纹表面不应有裂纹、凹陷等影响强度的缺陷,并清除第一圈不完整的螺纹。未注明的机械加工尺寸公差按GB/T1804的规定。螺纹部分应采取措施,以防咬伤。其他技术要求按JB/T1308.2的规定。4.5
单位为毫米
小提示:此标准内容仅展示完整标准里的部分截取内容,若需要完整标准请到上方自行免费下载完整标准文档。
标准图片预览:




- 热门标准
- 其他行业标准
- FZ/T54089-2016 有色锦纶6弹力丝
- FZ/T54087-2016 粘合活化型涤纶工业长丝
- FZ/T54088-2016 锦纶6全牵伸单丝
- YS/T433-2016 银精矿
- FZ/T54082-2015 锦纶6膨体长丝(BCF)
- FZ/T62036-2017 乳胶枕、垫
- QB/T4698-2014 家用和类似用途软水机
- QB/T4207-2011 一字槽螺钉旋具头
- FZ/T61002-2019 化纤仿毛毛毯
- JB/T4212.6-2014 内六角圆柱头螺钉冷镦模 第6部分:凹模
- NB/T31048.1-2014 风力发电机用绕组线 第1部分 一般规定
- T/CMAJY047-2021 加油机在线监督管理规范
- FZ/T73022-2019 针织保暖内衣
- QB/T1999-1994 密胺塑料餐具
- FZ/T52039-2014 再生聚苯硫醚短纤维
- 行业新闻
请牢记:“bzxz.net”即是“标准下载”四个汉字汉语拼音首字母与国际顶级域名“.net”的组合。 ©2025 标准下载网 www.bzxz.net 本站邮件:bzxznet@163.com
网站备案号:湘ICP备2025141790号-2
网站备案号:湘ICP备2025141790号-2