- 您的位置:
- 标准下载网 >>
- 标准分类 >>
- 机械行业标准(JB) >>
- JB/T 6658-1993 气动用O形橡胶密封圈沟槽尺寸和公差
标准号:
JB/T 6658-1993
标准名称:
气动用O形橡胶密封圈沟槽尺寸和公差
标准类别:
机械行业标准(JB)
英文名称:
Pneumatic O-ring rubber seal groove dimensions and tolerances标准状态:
已作废-
发布日期:
1993-05-07 -
实施日期:
1994-01-01 -
作废日期:
2007-09-01 出版语种:
简体中文下载格式:
.rar.pdf下载大小:
1.16 MB
替代情况:
被JB/T 6658-2007替代
点击下载
标准简介:
标准下载解压密码:www.bzxz.net
本标准规定了工作压力不大于1.6MPa的气动用O形橡胶密封圈(以下简称O形圈)的沟槽尺寸和公差。 JB/T 6658-1993 气动用O形橡胶密封圈沟槽尺寸和公差 JB/T6658-1993
部分标准内容:
中华人民共和国机械行业标准
JB/T 6658-1993
气动用O形橡胶密封圈
沟槽尺寸和公差
1993-05-07发布
中华人民共和国机械电子工业部标准下载网(www.bzxzw.com)www.bzxz.net
1994-01-01实施
中华人民共和国机械行业标准
气动用形橡胶密封圈
沟槽尺寸和公差
主题内容与适用范围
JB/T 6658-1993
本标准规定了工作压力不大于1.6MPa的气动用O形橡胶密封圈(以下简称O形圈)的沟槽尺寸和公差。
本标准适用于JB/T6659规定的O形圈,O形圈使用的合成橡胶材料硬度为70土5IRHD)。注:1)IRHD为国际橡胶硬度标度。引用标准
JB/T6659
:字母代号
液压气动用O形橡胶密封圈
沟槽尺寸和设计计算
气动用0形橡胶密封圈尺寸系列和公差本标准采用下列字母代号:
O形圈内径;
O形圈截面直径;
活塞密封时的沟槽槽底直径;
缸内径;
活塞杆直径;
活塞杆密封时的沟槽槽底直径;轴向密封时的沟槽外径(受内压);轴向密封时的沟槽内径(受外压);活塞直径(活塞密封);
活塞杆配合孔直径(活塞杆密封);O形圈沟槽宽度(无挡圈);
轴向密封时的O形圈沟槽深度;
径向密封时的O形圈沟槽深度;
导角长度;
槽底圆角半径;
槽棱圆角半径;
单边径向间隙。
O形圈沟槽型式
根据O形圈压缩方向,分为径向密封和轴向密封两种。4.1
径向密封
中华人民共和国机械工业部1993-05-07批准标准下载网(www.bzxzw.com)
1994-01-01实施
活塞密封沟槽
活塞密封沟槽型式应符合图1规定15*20
4.1.2活塞杆密封沟槽
活塞杆密封沟槽型式应符合图2规定。4.2轴向密封
4.2.1受内部压力的沟槽
JB/T 66581993
受内部压力的沟槽型式应符合图3的规定。e
4.2.2受外部压力的沟槽
JB/T6658-1993
受外部压力的沟槽型式应符合图4的规定。dt
50形圈沟槽尺寸与公差
5.1径向密封
5.1.1径向密封(见图1、图2)沟槽尺寸应符合表1的规定。表1
O形圈截面直径d
沟槽宽度b
活塞密封
沟槽深度!
(计算d,用)
活塞杆密封
(计算d用)
最小导角长度2mi
槽底圆角半径
槽棱因角半径
动密封
静密封
动密封
静密封
5.1.2径向密封沟槽槽底直径d.和ds的计算(动密封和静密封)5.1.2.1活塞密封沟槽(见图1)按式(1)计算d的最大值:
dimus = d4min - 2t
式中:d3max
d,的基本尺寸加上偏差,mm;
d4mind的基本尺寸加下偏差,mm。5.1.2.2活塞杆密封沟槽(见图2)按式(2)计算d的最小直径:
domin = dsmas + 2t
式中:dmin
d.的基本尺寸加下偏差,mm;
ds的基本尺寸加上偏差,mm。
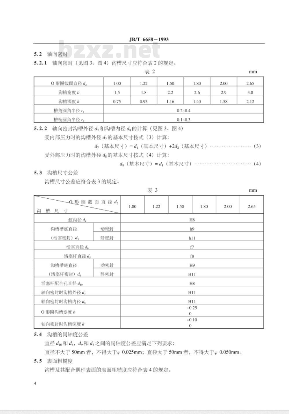
5.2轴向密封
JB/T 66581993
轴向密封(见图3、图4)沟槽尺寸应符合表2的规定。表2
O形圈截面直径d
沟槽宽度b
沟槽深度
槽角圆角半径下,
槽校圆角半径产
5.2.2轴向密封沟槽外径d,和沟槽内径dg的计算(见图3、图4)受内部压力时的沟槽外径d的基本尺寸按式(3)计算:1.80
d(基本尺寸)=d,(基本尺寸)+2d(基本尺寸)受外部压力时的沟槽外径d的基本尺寸按式(4)计算:ds(基本尺寸)=d,(基本尺寸)沟槽尺寸公差
沟槽尺寸公差应符合表3的规定。表3
Q形圈截面直径d
沟槽尺寸
缸内径d
沟槽槽底直径
(活塞密封)d
活塞直径d
活塞杆直径d
沟槽槽底直径
(活塞杆密封)d
活塞杆配合孔直径d
轴向密封时沟槽外径d
轴向密封时沟槽内径d
O形圈沟槽宽度b
轴向密封时沟槽深度h
5.4沟槽的同轴度公差
动密封
静密封
动密封
静密封
直径dio和de,d和d,之间的同轴度公差应满足下列要求:1.50
直径不大于50mm者,不得大于0.025mm;直径大于50mm者,不得大于0.050mm。5.5表面粗糙度
沟槽及其配合偶件表面的表面粗糙度应符合表4的规定。4
沟槽的底面和侧面
配合表面
应用情况
静密封
动密封
静密封
动密封
导角表面
JB/T66581993
压力状况
无交变,无脉冲
交变或脉冲
无交变,无脉冲
交变或脉冲
注:括号内的数值为要求精度较高的场合应用。0形圈规格适用范围的选择
3.2 (1.6)
1.6 (0.8)
1.6 (0.8)
在可以选用几种截面O形圈的情况下,应优先选用较大截面的O形圈。表面粗糙度
表5列出按JB/T6659选择的O形圈用于径向静密封和动密封的使用范围,表5
O形圈规格
3.75~4.50
5.00-13.2
14.0~50.0
7.10~22.4
注:“”
为推荐使用密封型式。
附加说明:
动密封
活塞密封
静密封
本标准由全国液压气动标委会气动分技术委员会提出并归口。本标准由无锡气动技术研究所、无锡气动元件总厂负责起草。本标准主要起草人高琳琳、卢娟。用
12.5 (6.3)
6.3 (3.2)
6.3 (3.2)
活塞杆密封
动密封
静密封
中华人民共和国
机械行业标准
气动用O形橡胶密封圈
沟槽尺寸和公差
JB/T66581993
机械科学研究院出版发行
机械科学研究院印刷
(北京首体南路2号
邮编100044)
印张1/2
开本880×1230
字数10,000
1994年1月第一版
1994年1月第一次印刷
印数1-500
定价5.00元
机械工业标准服务网:http://www.JB.ac.cn661_8599
小提示:此标准内容仅展示完整标准里的部分截取内容,若需要完整标准请到上方自行免费下载完整标准文档。
JB/T 6658-1993
气动用O形橡胶密封圈
沟槽尺寸和公差
1993-05-07发布
中华人民共和国机械电子工业部标准下载网(www.bzxzw.com)www.bzxz.net
1994-01-01实施
中华人民共和国机械行业标准
气动用形橡胶密封圈
沟槽尺寸和公差
主题内容与适用范围
JB/T 6658-1993
本标准规定了工作压力不大于1.6MPa的气动用O形橡胶密封圈(以下简称O形圈)的沟槽尺寸和公差。
本标准适用于JB/T6659规定的O形圈,O形圈使用的合成橡胶材料硬度为70土5IRHD)。注:1)IRHD为国际橡胶硬度标度。引用标准
JB/T6659
:字母代号
液压气动用O形橡胶密封圈
沟槽尺寸和设计计算
气动用0形橡胶密封圈尺寸系列和公差本标准采用下列字母代号:
O形圈内径;
O形圈截面直径;
活塞密封时的沟槽槽底直径;
缸内径;
活塞杆直径;
活塞杆密封时的沟槽槽底直径;轴向密封时的沟槽外径(受内压);轴向密封时的沟槽内径(受外压);活塞直径(活塞密封);
活塞杆配合孔直径(活塞杆密封);O形圈沟槽宽度(无挡圈);
轴向密封时的O形圈沟槽深度;
径向密封时的O形圈沟槽深度;
导角长度;
槽底圆角半径;
槽棱圆角半径;
单边径向间隙。
O形圈沟槽型式
根据O形圈压缩方向,分为径向密封和轴向密封两种。4.1
径向密封
中华人民共和国机械工业部1993-05-07批准标准下载网(www.bzxzw.com)
1994-01-01实施
活塞密封沟槽
活塞密封沟槽型式应符合图1规定15*20
4.1.2活塞杆密封沟槽
活塞杆密封沟槽型式应符合图2规定。4.2轴向密封
4.2.1受内部压力的沟槽
JB/T 66581993
受内部压力的沟槽型式应符合图3的规定。e
4.2.2受外部压力的沟槽
JB/T6658-1993
受外部压力的沟槽型式应符合图4的规定。dt
50形圈沟槽尺寸与公差
5.1径向密封
5.1.1径向密封(见图1、图2)沟槽尺寸应符合表1的规定。表1
O形圈截面直径d
沟槽宽度b
活塞密封
沟槽深度!
(计算d,用)
活塞杆密封
(计算d用)
最小导角长度2mi
槽底圆角半径
槽棱因角半径
动密封
静密封
动密封
静密封
5.1.2径向密封沟槽槽底直径d.和ds的计算(动密封和静密封)5.1.2.1活塞密封沟槽(见图1)按式(1)计算d的最大值:
dimus = d4min - 2t
式中:d3max
d,的基本尺寸加上偏差,mm;
d4mind的基本尺寸加下偏差,mm。5.1.2.2活塞杆密封沟槽(见图2)按式(2)计算d的最小直径:
domin = dsmas + 2t
式中:dmin
d.的基本尺寸加下偏差,mm;
ds的基本尺寸加上偏差,mm。
5.2轴向密封
JB/T 66581993
轴向密封(见图3、图4)沟槽尺寸应符合表2的规定。表2
O形圈截面直径d
沟槽宽度b
沟槽深度
槽角圆角半径下,
槽校圆角半径产
5.2.2轴向密封沟槽外径d,和沟槽内径dg的计算(见图3、图4)受内部压力时的沟槽外径d的基本尺寸按式(3)计算:1.80
d(基本尺寸)=d,(基本尺寸)+2d(基本尺寸)受外部压力时的沟槽外径d的基本尺寸按式(4)计算:ds(基本尺寸)=d,(基本尺寸)沟槽尺寸公差
沟槽尺寸公差应符合表3的规定。表3
Q形圈截面直径d
沟槽尺寸
缸内径d
沟槽槽底直径
(活塞密封)d
活塞直径d
活塞杆直径d
沟槽槽底直径
(活塞杆密封)d
活塞杆配合孔直径d
轴向密封时沟槽外径d
轴向密封时沟槽内径d
O形圈沟槽宽度b
轴向密封时沟槽深度h
5.4沟槽的同轴度公差
动密封
静密封
动密封
静密封
直径dio和de,d和d,之间的同轴度公差应满足下列要求:1.50
直径不大于50mm者,不得大于0.025mm;直径大于50mm者,不得大于0.050mm。5.5表面粗糙度
沟槽及其配合偶件表面的表面粗糙度应符合表4的规定。4
沟槽的底面和侧面
配合表面
应用情况
静密封
动密封
静密封
动密封
导角表面
JB/T66581993
压力状况
无交变,无脉冲
交变或脉冲
无交变,无脉冲
交变或脉冲
注:括号内的数值为要求精度较高的场合应用。0形圈规格适用范围的选择
3.2 (1.6)
1.6 (0.8)
1.6 (0.8)
在可以选用几种截面O形圈的情况下,应优先选用较大截面的O形圈。表面粗糙度
表5列出按JB/T6659选择的O形圈用于径向静密封和动密封的使用范围,表5
O形圈规格
3.75~4.50
5.00-13.2
14.0~50.0
7.10~22.4
注:“”
为推荐使用密封型式。
附加说明:
动密封
活塞密封
静密封
本标准由全国液压气动标委会气动分技术委员会提出并归口。本标准由无锡气动技术研究所、无锡气动元件总厂负责起草。本标准主要起草人高琳琳、卢娟。用
12.5 (6.3)
6.3 (3.2)
6.3 (3.2)
活塞杆密封
动密封
静密封
中华人民共和国
机械行业标准
气动用O形橡胶密封圈
沟槽尺寸和公差
JB/T66581993
机械科学研究院出版发行
机械科学研究院印刷
(北京首体南路2号
邮编100044)
印张1/2
开本880×1230
字数10,000
1994年1月第一版
1994年1月第一次印刷
印数1-500
定价5.00元
机械工业标准服务网:http://www.JB.ac.cn661_8599
小提示:此标准内容仅展示完整标准里的部分截取内容,若需要完整标准请到上方自行免费下载完整标准文档。
标准图片预览:





- 其它标准
- 热门标准
- 机械行业标准(JB)
- JB/T2756-2006 无轨电车用炭滑块
- JB/T10056-1999 直流电流互感器 技术条件
- JB/T11340.3-2012 阀控式铅酸蓄电池安全阀 第3部分:橡胶帽、阀芯
- JB/T8679-2008 炭弧气刨炭棒 物理及使用性能试验方法
- JB/T6316-2006 Z4系列直流电动机技术条件(机座号100~450)
- JB/T7895-2008 永磁筒式磁选机
- JB/T10930-2010 200级耐电晕漆包铜圆线
- JB∕T12675-2016 拖拉机液压系统清洁度限值及测量方法
- JB/T10573-2006 工具显微镜
- JB3704-1984 特种调压器用碳电阻片柱电气机械性能试验方法
- JB2664-1980 自动电压调整器用碳电阻片柱
- JB/T8674-2007 YB2系列高压隔爆型三相异步电动机 技术条件(机座号355~560)
- JB/T8511-2011 空气绝缘母线干线系统(空气绝缘母线槽)
- JB/T5425-2013 印刷机械 真空压力复合气泵
- JB/T20086-2006 药用容器 料斗
- 行业新闻
请牢记:“bzxz.net”即是“标准下载”四个汉字汉语拼音首字母与国际顶级域名“.net”的组合。 ©2025 标准下载网 www.bzxz.net 本站邮件:bzxznet@163.com
网站备案号:湘ICP备2025141790号-2
网站备案号:湘ICP备2025141790号-2