- 您的位置:
- 标准下载网 >>
- 标准分类 >>
- 机械行业标准(JB) >>
- JB/T 6656-1993 气缸用密封圈安装沟槽型式、尺寸和公差
标准号:
JB/T 6656-1993
标准名称:
气缸用密封圈安装沟槽型式、尺寸和公差
标准类别:
机械行业标准(JB)
标准状态:
现行-
发布日期:
1993-05-07 -
实施日期:
1994-01-01 出版语种:
简体中文下载格式:
.rar.pdf下载大小:
1.90 MB
点击下载
标准简介:
标准下载解压密码:www.bzxz.net
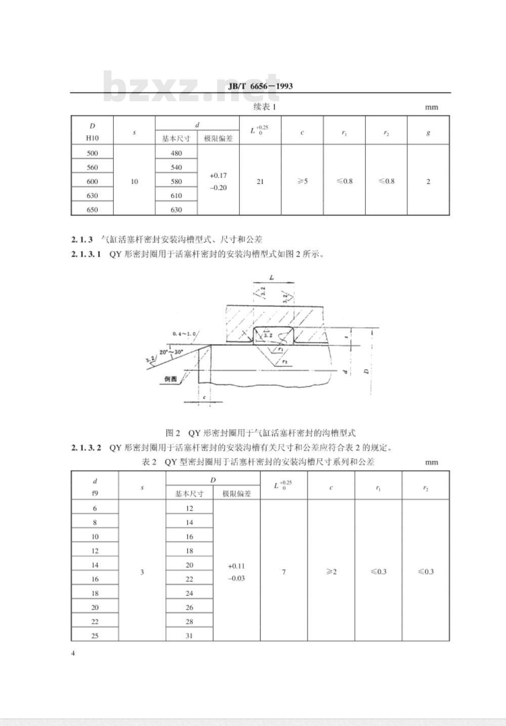
本标准规定了气缸用QY形、C形、CK形、J形、ZHM形及QH形密封圈的安装沟槽型式、尺寸和公差。本标准适用于安装符合JB/T 6657《气缸用密封圈尺寸系列和公差》标准中所规定的密封圈的安装沟槽型式、尺寸和公差。 JB/T 6656-1993 气缸用密封圈安装沟槽型式、尺寸和公差 JB/T6656-1993
标准图片预览:





- 其它标准
- 热门标准
- 机械行业标准(JB)
- JB/T7938-1999 液压泵站油箱公称容量系列
- JB/T1625-2002 工业锅炉焊接管孔
- JB/T8009.4-1999 机床夹具零件及部件 弧形压块
- JB/T7936-1999 直廓环面蜗杆减速器
- JB/T7850-1995 手夹快换接头
- JB/T7939-1999 单活塞杆液压缸两腔面积比
- JB/T7941.2-1995 旋入式圆形油杯
- JB/T7925.2-1995 滑动轴承 多层轴承减摩合金硬度检验方法
- JB/T7945-1999 灰铸铁机械性能试验方法
- JB/T6375-1992 气动阀用橡胶密封圈 尺寸系列和公差
- JB/T7966.3-1999 模具铣刀 第 3 部分:莫氏锥柄圆柱形球头立铣刀
- JB/T7946.3-1999 铸造铝合金针孔
- JB/T8010.16-1999 机床夹具零件及部件 双向压板
- JB/T7944-2000 圆柱螺旋弹簧抽样检查
- JB/T7956.2-1999 1:50锥度销子铰刀 第 2 部分:手用长刃铰刀
- 行业新闻
请牢记:“bzxz.net”即是“标准下载”四个汉字汉语拼音首字母与国际顶级域名“.net”的组合。 ©2025 标准下载网 www.bzxz.net 本站邮件:bzxznet@163.com
网站备案号:湘ICP备2025141790号-2
网站备案号:湘ICP备2025141790号-2