- 您的位置:
- 标准下载网 >>
- 标准分类 >>
- 商业行业标准(SB) >>
- SB 10022-2001 抛光糖果
标准号:
SB 10022-2001
标准名称:
抛光糖果
标准类别:
商业行业标准(SB)
标准状态:
已作废-
发布日期:
2001-12-26 -
实施日期:
2002-07-01 -
作废日期:
2008-12-01 出版语种:
简体中文下载格式:
.rar.pdf下载大小:
67.38 KB
部分标准内容:
备案号:9858--2002
本标准的第4章、第5.3条、第5.4条、第8.2条为强制性的,其余为推荐性的。其中第8.2条可分步实施:“应符合GB7718的规定”按本标准的实施日期实施:其余内容可推迟到2004年1月1日起实施。
本标准是对SB/T10022-1992地光糖果》的修订,主要修订内容有:1:“水分”改为“干燥失重”;指标由不得超过2.0%,调整为不得超过7.0%(糖心型)、9.0%(其他型)。
2、净含量:由限制正、负偏差改为只限制负偏差。本标准自实施之日起代替SB/T10022—1992。本标准由中国商业联合会提出并归口。本标准由上海市糖业烟酒(集团)有限公司、中国食品工业协会糖果专业委员会负责起草:爱芬食品(北京)有限公司、上海应用技术学院、华纳(广州)有限公司糖果厂、上海市食品协会、佳口食品(中国)有限公司参加起草,
本标准主要起草人:汪国钧、陈国兴、主燕京、蔡云升、周洁、刘珠云、程湘东。本标准所代替标的历次版本发布情况为:SB/T10022—1992。
SB10022—2001
1范围
抛光糖果
本标准规定了抛光糖果的产品分类、技术要求、试验方法、检验规则和标志、标签、包装、运输、贮存要求。
本标准适用于SB10346—2001第3.5条所指的糖果。2规范性引用文件
下列文件中的条款通过本标准的引用而成为本标准的条款。凡是注日期的引川文件,其随所所有的修改单(不包括勘误的内容)或修订版均不适用丁本标准,然而,鼓刷根据本标准达成协议的各方码究是否可使用这些文件的最新版本。凡是不注日期的引用文件,其最新版本适川丁本标推。SB10018—2001硬质糖果
糖果分类
SB 103462001
术语和定义
同SB10018—2001 第3章。
4产品类型
SB10346一2001第3.5条所指的类型适用于本标雅。5技术要求
5.1主要原料和辅料
同 SB 10018--2001 第 5. 1 条。5.2感官要求
感官要求应符合表1的规定。
滋珠气味
均勾一致,符合品种应有的色泽要
块形完整,表面光滑,边缘整齐,大小一致,无缺角、裂缝,光明显变形,光粘,厚薄均勾一致糖体涂层坚实,不粘牙
符合品种应有的滋味及气味,无异味无肉眼可见杂质
5.3理化指标
5. 3.1净含量负偏差
同SB10018--2001第5.3.1条。
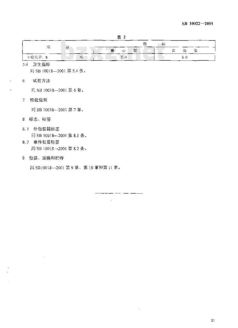
5. 3. 2干燥失重
于燥失重应符合表2的规定。此内容来自标准下载网
十燥尖下,器
5.4卫生指标
同SB10018—2001第5.4条。
试验方法
匠 SB 10018—2001 第 6 章。
检验规则
间 SB 10018--2001 第 7章。
8标志、标签
8.1外包装箱标志
间 SB 10018-2001 第 8.1 条。单件包装标签
同SB10018---2001第8.2条。
9包装、运输和贮存
同 SB10018一2001 第 9 章,第 10 章利第 11 章。型
SB 10022—2001
小提示:此标准内容仅展示完整标准里的部分截取内容,若需要完整标准请到上方自行免费下载完整标准文档。
本标准的第4章、第5.3条、第5.4条、第8.2条为强制性的,其余为推荐性的。其中第8.2条可分步实施:“应符合GB7718的规定”按本标准的实施日期实施:其余内容可推迟到2004年1月1日起实施。
本标准是对SB/T10022-1992地光糖果》的修订,主要修订内容有:1:“水分”改为“干燥失重”;指标由不得超过2.0%,调整为不得超过7.0%(糖心型)、9.0%(其他型)。
2、净含量:由限制正、负偏差改为只限制负偏差。本标准自实施之日起代替SB/T10022—1992。本标准由中国商业联合会提出并归口。本标准由上海市糖业烟酒(集团)有限公司、中国食品工业协会糖果专业委员会负责起草:爱芬食品(北京)有限公司、上海应用技术学院、华纳(广州)有限公司糖果厂、上海市食品协会、佳口食品(中国)有限公司参加起草,
本标准主要起草人:汪国钧、陈国兴、主燕京、蔡云升、周洁、刘珠云、程湘东。本标准所代替标的历次版本发布情况为:SB/T10022—1992。
SB10022—2001
1范围
抛光糖果
本标准规定了抛光糖果的产品分类、技术要求、试验方法、检验规则和标志、标签、包装、运输、贮存要求。
本标准适用于SB10346—2001第3.5条所指的糖果。2规范性引用文件
下列文件中的条款通过本标准的引用而成为本标准的条款。凡是注日期的引川文件,其随所所有的修改单(不包括勘误的内容)或修订版均不适用丁本标准,然而,鼓刷根据本标准达成协议的各方码究是否可使用这些文件的最新版本。凡是不注日期的引用文件,其最新版本适川丁本标推。SB10018—2001硬质糖果
糖果分类
SB 103462001
术语和定义
同SB10018—2001 第3章。
4产品类型
SB10346一2001第3.5条所指的类型适用于本标雅。5技术要求
5.1主要原料和辅料
同 SB 10018--2001 第 5. 1 条。5.2感官要求
感官要求应符合表1的规定。
滋珠气味
均勾一致,符合品种应有的色泽要
块形完整,表面光滑,边缘整齐,大小一致,无缺角、裂缝,光明显变形,光粘,厚薄均勾一致糖体涂层坚实,不粘牙
符合品种应有的滋味及气味,无异味无肉眼可见杂质
5.3理化指标
5. 3.1净含量负偏差
同SB10018--2001第5.3.1条。
5. 3. 2干燥失重
于燥失重应符合表2的规定。此内容来自标准下载网
十燥尖下,器
5.4卫生指标
同SB10018—2001第5.4条。
试验方法
匠 SB 10018—2001 第 6 章。
检验规则
间 SB 10018--2001 第 7章。
8标志、标签
8.1外包装箱标志
间 SB 10018-2001 第 8.1 条。单件包装标签
同SB10018---2001第8.2条。
9包装、运输和贮存
同 SB10018一2001 第 9 章,第 10 章利第 11 章。型
SB 10022—2001
小提示:此标准内容仅展示完整标准里的部分截取内容,若需要完整标准请到上方自行免费下载完整标准文档。
标准图片预览:



- 其它标准
- 上一篇: SB 10021-2001 凝胶糖果
- 下一篇: SB 10020-2001 乳脂糖果
- 热门标准
- 商业行业标准(SB)
- SB/T10383-2004 商用木材及其制品标志
- SB/T10525-2009 虾酱
- SB/T238-2008 切菜机技术条件
- SB/T10650-2012 冰淇淋筒
- SB/T10879-2012 大白菜流通规范
- SB/T10401-2006 商品售后服务评价体系
- SB/T10148.13-1993 粮油加工机械通用技术条件产品的标志、运输与贮存
- SB/T10390-2004 成品油零售企业管理技术规范
- SB/T10337-2012 配制食醋
- SBJ01-1988 商业仓库设计规范(不全:电气部分)
- SB/T10554-2009 熟制南瓜籽和仁
- SB/T10005-2007 蚝油
- SB/T10375-2004 零售业信息化指标
- SB/T10262-1996 生长鸭、产蛋鸭、肉用仔鸭配合饲料
- SB/T10397-2005 招商制建材家居市场建设及管理技术规范
- 行业新闻
请牢记:“bzxz.net”即是“标准下载”四个汉字汉语拼音首字母与国际顶级域名“.net”的组合。 ©2025 标准下载网 www.bzxz.net 本站邮件:bzxznet@163.com
网站备案号:湘ICP备2025141790号-2
网站备案号:湘ICP备2025141790号-2