- 您的位置:
- 标准下载网 >>
- 标准分类 >>
- 机械行业标准(JB) >>
- JB/T 5554-1991 组合开关
标准号:
JB/T 5554-1991
标准名称:
组合开关
标准类别:
机械行业标准(JB)
英文名称:
Combination switch标准状态:
已作废-
发布日期:
1991-07-09 -
实施日期:
1992-07-01 -
作废日期:
2004-08-01 出版语种:
简体中文下载格式:
.rar.pdf下载大小:
3.59 MB
替代情况:
被JB/T 5554-2004代替采标情况:
IEC 408-1972 NEQ
部分标准内容:
JB/T5554-1991
组合开关
1991-07-09发布
中华人民共和国机械电子工业部1992-07-01实施
中华人民共和国机械行业标准
合开关
JB/T5554-1991
本标准参照采用国际电工委员会标准IEC408(1972),IEC408、修正第1号(1979)和第2号(1989)《低压空气式开关离器,隔离开关及熔断器组合电器》。主题内容与适用范围
本标准规定了组合开关的基本参数、技术要求、试验方法、检验规则等本标准适用于在交流50Hz额定电压至660V或直流额定电压至660V,额定电流至100A的电路中接通或分断电路、换接电路,电动机的启动、换接停止和变速的组台开关(以下简称开关)。2引用标准
GB1497
GB2828
GB2900.18
JB4012
GB4207
GB5226
低压电器基本试验方法
低压电器基本标准
电工电子产品基本环境试验规程试验Db:交变湿热试验方法逐批检查计数抽样程序及抽样表电工名词术语基本名调术语
电工名调术语
低压电器
低压空气式隔离器隔离开关及熔断器组合电器固定绝缘材料在潮湿条件下相比漏电起痕指数和耐漏电起痕指数的测定方法低压电器外壳防护等级
电工电子产品者火危险试验灼热丝试验方法和导则机床电气设备通用技术条件
3术语、符号、代号
本标准果用的术语、符号、代号均符合GB1497,GB2900.1和GB2900.18有关规定。4产品分类
4.1分类
4.1.1按用途分:
电源通断开关;
两种电源式电路转换开关;
交直流电动机控制开关。
按安装方式分:
板前安装
板后安装;
其它。
4.2开关的参数与尺寸
机械电子工业部1991-07-09批准1992-07-01实施
额定电压
额定工作电压(U.);
额定绝缘电压(U)。
4.2.2电流
约定发热电流(la),
约定封闭发热电流(1);
额定工作电流(1.)。
4.2.3外形尺寸与安装尺寸
JB/T5554-1991
开关的外形尺寸与安装尺寸应符合具体产品标准规定。5技术要求
5.1正常工作条件和安装条件
5.1.1周围空气温度
周围空气温度上限值不超过十40℃,a.
b。周围空气温度24h的平均值不超过+35℃;c.周围空气溢度下限一般不低于一5℃。5.1.2海拔
安装地点的海拔不超过2000m。
对用于更高海拔的开关,用户应与制造厂协商。5.1.3大气条件
大气的相对湿度在周围空气温度为十40℃时不超过50%,在较低温度下可以有较高的相对湿度,最湿月的月平均最大相对湿度为90%,同时该月的月平均最低温度为十25,并考虑到因温度变化发生在产品表面上的凝露。
5.1.4污染等级
除非产品标准另有规定,污染等级为3级。5.1.5安装条件
正常安装条件应根据制造厂的安装说明书,对安装方位有规定或开关性能受安装条件有显著影响的开关,应在具体产品标准中明确规定安装条件。5.1.6安装类别
开关的安装类别为Ⅱ类或Ⅱ类。5.1.7工作制
长期工作制;
八小时工作制;
断续周期工作制,
5.1.8冲击和振动
有关冲击振动条件在具体产品标准中规定或由用户与制造厂协商。5.2结构要求
5.2.1开关的结构材料应满足应用上的有关要求,并能在构成产品后,在产品上通过相应的试验。例如,接线端子机被强度试验,着火危险试验,绝缘材料相比滞电起痕指数(CTI)测定等。5.2.2一般要求
a。开关的所有黑色金属均应有可靠防护层;塑料零件表面应光滑不得有变形、开裂、严重划伤、气泡等现象;b.
开关的接线端子应有清楚和水久性的标志,以便识别;c
开关的金属外壳要有保护性的接线端子,并应采用图形符号或字母符号加以标志;d.
JB/T5554-1991
保护性接线端子应安置在易于接线的地方,并且当外壳或其它可移动部件移去时,仍能使开关保持接地连接;
标志;
用做电源开关时,带电源电压的所有零件必须有遮盖,以防触电,遮盖罩上必须有带电的警告手柄的指示角度、连接线、触头的开闭状态必须符合产品图样要求。5.2.3电气间
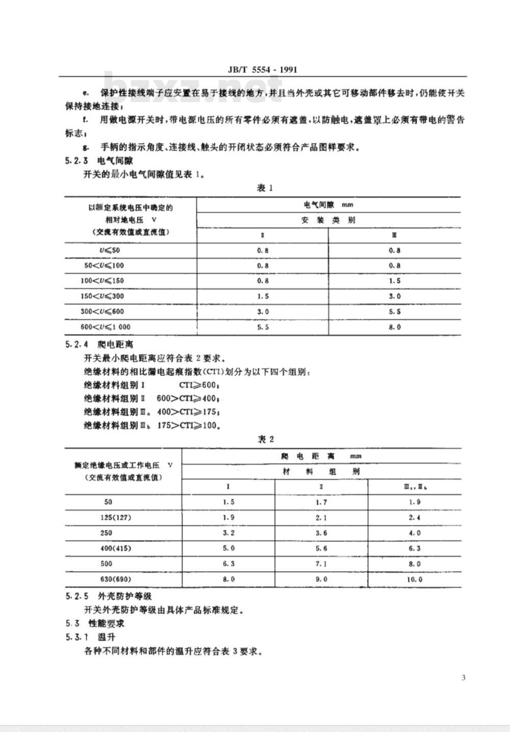
开关的最小电气间像值见表1。
以额定系统电压中碳定的
相对地电压
(交流有效值或直流值)
100150
150300600<1000
5.2.4肥电距离
开关最小限电距离应符合表2要求,-
电气间欧
绝缘材料的相比滞电起痕指数(CTI)划分为以下四个组别:绝缘材料组别1
绝缘材料组别Ⅱ
绝缘材料组别Ⅱ。
CTI≥600
600>CTI≥400;
400>CTI≥175;
绝缘材料组别Ⅱ。
175>CTI≥100
额定绝缘电压或工作电压
(交流有效值或直流值)
125(127)
400(415)
630(690)
外壳防护等级
开关外壳防护等级由具体产品标准规定。性能要求
5.3.1温升
各种不同材料和部件的温升应符合表3要求。爬
JB/T 5554 - 1991
材料类型和部件名称
触头部件(主触头和辅助触头)
钢|长期工作制
八小时工作制
镊或银表面
所有其他金属或陶冶合金
裸导体
起弹簧作用的金属部件
与绝缘材料接触金属都件
铜(或黄铜)键银或镶的接线端子裸铜接线端子
操黄铜的接线端子
铜(或黄铜)键锡的接线端子
手操作部件(手柄杠杆手轮等):金属部件
绝缘材料部件
注:①以不损坏相邻部件为限。②根据所用的金具性质来确定,同时以不引起相邻部件任何损害为限,③以不损客材料弹性为限。
介电性能
溢升极限
当开关的电气间隙小于表1数值时,则必须进行冲击耐压试验,其冲击耐压值应符合表1规表
相对地电压U
(交流有效值或直流电压值)
100≤150
150300
300<≤600
安装类别
注:表4所列冲击耐受电压值是在海技2000m处试验值,冲击耐压试验若在不同于海技2000m处进行时,则冲击耐压峰值需乘以海拔修正系数,详见GB1497中8.2.2.3.1条冲击耐压试验。b.
开关应在表5所列条件下进行历时1min的工矮耐压试验。表5
300660
试验电压值(交流有效值)
5.3.3耐湿热性能
JB/T5554-1991
开关应能承受GB2423.4中试验严酷等级为最高温度值+40℃,试验周期为6d的D交变湿热试验。
5.3.4额定接通和分断能力
开关按额定工作电压、额定工作电流和不同的使用类别所确定的接通能力和分断能力应符合表6规定。
使用类别
额定工作
全部值
17l100
全部值
5.3.5额定熔断短路电流
开关的额定熔断短路电流是当限流电器为熔断器时的额定限制短路电流,额定熔断短路电流值应在具体产品标准中规定,并应说明熔断器的型号规格。5.3.6机械寿命
开关的机械寿命以开关不需要维修或更换任何机械零件所能承受的无载(即主触头无电流)操作循环次数来表示,但正常维护是允许的,机概操作性能由具体产品标准规定,推荐的无载操作循环次数为(用百万分次表示):
0.01,0.03,0.1、0.3,0.6,1,3.机械寿命试验的操作频率根据GB1497中5.3.4.3条表3,操作频率分级由具体产品标准规定。5.3.7电寿命
开关的电寿命以相应于表7所列使用条件下,无需修理或更换零件的负载操作次数表示。电
使用类别
额定工作
电流值
全部值
全部值
JB/T5554-1991
除非另有规定,所有使用类别的电寿命次数应不少于机械寿命的1/20。5.3.8高低温性能
开关在低温和(或》高温环境条件下,应能经受一25C的低温和()+55℃的高温贮存试验,在试品温度达到稳定后,尚须持续进行低温或高温试验,时间为16h,经试验恢复后塑料油漆件等不得有凸起,开裂现象。
6试验方法
6.1验证结构要求
6.1.1绝缘材料的相比漏电起痕指数(CTI)测定试验,绝缘材料试样经受50滴标准电解液(氟化铵)面没有滞电痕迹出现的最大电压值(用伏表示).即为绝缘材料的CTI值,CTI值的试验方法见GB4207,6.1.2绝缘材料的着火危险试验
除非另有规定,一般可采用灼热丝试验法。灼热丝的顶端温度以及它施加在试样上的持续时间见表8。
绝缘材料状况
不承载载流、接地零部件
承载载流、接地零部件
灼热丝顶端温度℃
650±10
960±15
持续时间s
对于必须承载载流部件和接地部件的绝缘材料,灼热丝顶端的试验温度为960℃,对于不承载载流部件和接地部件的绝缘材料一股可按650C考核。上述规定中陶瓷件除外。有关灼热丝试验的方法与规则见GB5169.4。6.1.3接线端子
试验采用最大允许截面的适当型号的导线进行,导线接上并拆下各5次,对于螺丝型接线端子JB/T5554-1991
的拧紧力矩应按表9或根据制造厂所规定紧力矩的110%进行试验。本试验应在两个接线端子上分别进行。
2.8<≤3.0
3.0<≤3.2
3.2<≤3.6
3.6<≤4. 1
4.1
4.7<≤5.3
5.3<≤6.0
6.0<≤8.0
注:表9中的第1栏适用于无头螺钉,第Ⅱ栏适用于螺丝刀拧紫的螺钉、螺母,第Ⅲ栏适用于其它更好的工具来疗紧的螺钉与螺母。
试验方法按GB1497中8.1.3条规定。6.1.4电气间隙与爬电距离免费标准下载网bzxz
电气间与电距离按GB1497附录A检查。6.2
验证性能要求
6.2.1溢升试验
试验电压为额定电压值;
开关按正常使用条件安装;
温升试验应在周围空气温度10~40℃的范围内进行,试验时周围空气温度变化不超过10K,试验方法按GB998中5.1条规定。6.2.2介电性能
6.2.2.1冲击耐压试验
脉冲电压的波形如图所示。
标准冲击电压波形(1.2/50)
冲击耐压施加部位:
触头和框架(或底座)之间;
JB/T5554-1991
b、触头每一根与连接在底座上的其它各极之间,c.触头打开位置,电源侧与实际负载侧之间。冲击耐压试验时,正极性冲击电压和负极性冲击电压各施加3次,每次之间的时间间隔至少1s,试验过程中无击穿或闪络现象,则认为合格。6.2.2.2工频耐压试验
试验电压施加部位:
,触头闭合情况下,所有连接在一起的各级的带电部分与开关支架之间,每极与接至开关支架的所有其它各极之间;
b。触头断开情况下,所有连接在一起的带电部分与开关支架之间,连接在一起的同一侧的接线端子与接在一起的另一侧接线端子之间;c.试验结果的判定:在试验过程中无击穿或闪络现象,且泄漏电流不大于50mA,6.2.3耐湿热试验
6.2.3.1试验条件
试验时开关按正常位置安装在试验箱内的金属板上,降温阶段相对湿度下限值应不低于95%。6.2.3.2试验的测量
试验的测量,应在“低温高湿”阶段最后1~2h中测量,此时试验箱中的温度为25士3℃,相对湿度控制在95%~98%,并避免在产品上有凝露出现。测量工作应先从测量绝缘电阻开始,然后进行工频耐压试验。6.2.3.3试验结果的判定:
a,绝缘电阻值应不低于1.5Ma;b.耐压试验值应按表5规定值的80%施加,历时1min,在试验过程中无击穿或闪络现象。6.2.4额定接通和分断能力试验
6.2.4.1被试开关的条件
应将完整的被试开关安装在试验支架上。有防护外尧的开关,应完整地装在本身的外壳中。6.2.4.2试验参数
试验参数按5.3.4条表6的规定。除AC-3、DC-3、AC-4、DC-5使用类别外,其它使用类别闭合、断开各5次,每次操作间隔时间30s额定工作电流100A的开关,间隔时间可增至3min。AC-3、AC-4、DC-3、DC-5接通操作20次,每次操作间隔时间5~10s,分断操作25次,每次通电时间不超过0.5s,两次相继的分断操作间隔时间5~10s。每次通断操作循环后恢复电压至少应保持0.1s。6.2.4.3试验电路
按GB998中7.3条图3、图4、图5规定,6.2.4.4试验结果的判定:
极间未发生飞弧,检测飞弧的熔丝未熔断,飞弧的测量按GB998有关规定;a.
b.交流额定通断能力试验的燃弧时间不大于0.1s;直流额定通断能力试验的燃弧时间不大于0.15s或电路时间常数的4倍;
c.任何一极触头未发生熔焊,机械部件和绝缘件应无损伤,无需维修仍能按6.2.2条的试验方法承受两倍额定绝缘电压的介电性能试验:d,试后立即进行两次无载合分,开关应能可靠动作,e,试后温升值不超过允许值10K或符合“不伤害相邻部件为限”的要求。6.2.5额定熔断短路电流
6.2.5.1试验电路
按GB998中8.2.2条规定。
6.2.5.2试验程序
JB/T 5554 -1991
试验前开关在无载的情况下操作数次,开关置于闭合位置,将熔断器串入开关的电路中,施加一个相应于开关额定熔断短路电流的预期电流。而后更换新的熔断体,使试验电路在开关断开时带电,开关闭合--个相应于开关额定熔断短路电流的预期电流。
6.2.5.3试验量值
对于交流开关,试验频率允许在45~62Hz之间。工频恢复电压的平均值,应等于开关额定工作电压的110%~115%。对于交流试验,试验电路的功率因数、应符合表10中相应于开关额定熔断短路电流的数值。对于直流试验.除非制造厂与用户另有协议,电路的时间常数为15ms。对于交流,任一相预期电流的交流分量有效值等于规定值,其允许误差为0~十15%.对于直流预期电流的稳定值其允许误差为0~十15%。表10
电流有效值A
1≤10000
100001≤20000
2000050000
1>50 000
6-2.5.4试验结果的判定
试验过程中和试验后应满足以下要求:a.
不发生熔焊、自动弹开或位移;功率因数
峰值系数
无需维修就能按6.2.2条的试验方法承受两倍额定绝缘电压的介电性能试验;试后立即进行两次无载合分操作,应能可靠闭合、断开,6.2.6机械寿命试验
6.2.6.1为了缩短试验时间,允许提高试验操作频率,但必须保证被试开关动作清晰,可动部分在每次分断后至下一次动作前的间歇时间中保持静止状态。6.2.6.2试验结果的判定:
,在机械寿命期间,不得对试品进行维护、修理或更改零件,触头的廉损不做机械磨损考虑.但如果触头发生塑性变形或断裂等故障,则必须按机械故障考患;b。机械寿命试验期间不得有任何部件发生机械故障以致影响控制开关的正常操作。6.2.7电寿命试验
被试开关按正常使用情况安装和操作。6.2.7.1试验电路
按GB998中的图3、图4和图5规定。6.2.7.2试验参数
按5.3.7条表7的规定。
6.2.7.3试验结果判定:
8,开关零部件应无破坏性损伤,连接导线及其零部件不应松动。不经维修按6.2.2条试验方法承受两倍的额定绝缘电压的介电性能试验:b.试后立即进行两次无载合分,开关应能可靠闭合与断开。然后通以约定发热电流进行温升试验,温升值应不超过允许值10K或符合\不伤害相邻部件为限”的要求。6.2.8高低温性能试验
按GB1497中7.2.14条规定,并应符合5.3.8条要求。9
6.2.9外壳防护等级试验
按GB4942.2的规定。
6.2.10其它
JB/T 5554 - 1991
开关的试验方法,除按本标准和具体产品标准规定外,其余均按GB1497和GB998的有关条文进行。
7试验规则
7.1检查和试验分类
7.1.1型式试验
7.1.2定期试验
7.1.3出厂试验
常规试验:
b.出厂抽样试验。
7.1.4特殊试验
7.2型式试验
型式试验的目的在于验证开关的设计和性能是否符合本标准的要求。型式试验是新产品研制单位或重新试制投产单位所必须进行的试验。通常型式试验只需进行次,但当产品在设计、工艺、材料和结构的更改可能影响其性能时,则需重新进行有关项目的型式试验。7.2.1型式试验项目
-般要求(见5.2.2、6.2.10条);绝缘件的着火危险试验(见5.2.1、6.1.2条);绝缘材料的相比漏电起痕指数(CTI)的测定试验(见5.2.J、6.1.1条):接线端子的机械强度试验(见5.2.1、6.1.3条);温升试验(见5.3.1、6.2.1条):介电性能试验(见5.3.2、6.2.2条);额定接通与分断能力试验(见5.3.4、6.2.4条);额定熔断短路电流试验(见5.3.5、6.2.5条);机械寿命试验(见5.3.6、6.2.6条);电寿命试验(见5.3.7、6.2.7条);耐湿热性能试验(见5.3.3、6.2.3条);.
耐高低温性能试验(见5.3.8、6.2.8条),外壳防护等级试验(见5.2.5、6.2.9条);电气间与肥电距离(见5.2.3、5.2.4、6.1.4条):o.
外形尺寸与安装尺寸(见4.2.3、6.2.10条)。型式试验的规则
做型式试验的开关必须是正式试制的样品,每个试验项目应不少于2台,所有规定的型式试验项目均应合格,才能认为开关的型式试验合格,在型式试验中涉及安全、重大性能指标的试验项目不允许不合格,如有不合格必须分析原因,采取技术措施,改进设计、工艺、工装等,再重新进行试验,直到合格为止。在型式试验中不构成威协安全或严重降低性能指标的缺陷,只要有充分证据说明该缺陷并不是设计上的固有缺陷.而是由于个别试品的缺陷所致,则允许复试,复试合格仍认为型式试验合格。7.3定期试验
对正式投入生产的开关应进行定期试验,定期试验期限为35年,寿命试验固期允许延长1年。7.3.1定期试验项目
小提示:此标准内容仅展示完整标准里的部分截取内容,若需要完整标准请到上方自行免费下载完整标准文档。
标准图片预览:





- 其它标准
- 上一篇: JB/T 5553-1991 行程开关
- 下一篇: JB/T 5554-2004 机床组合开关
- 热门标准
- 机械行业标准(JB)
- JB/T9396-1999 环块磨损试验机 技术条件
- JB/T5660-1991 电器附件、家用和类似用途的控制器、保护器的包装和标志
- JB/T6664.2-1993 自吸泵 技术条件
- JB/T7732.1-1995 地膜覆盖机 技术条件
- JB/T2257.2-1999 板料折弯机 型式与基本参数
- JB/T5467.2-2002 机电式交流有功和无功电能表 第2部分:长寿命电能表的特殊要求
- JB/T7422.2-1999 立式内圆珩磨机 精度检验
- JB/T8022.1-1999 机床夹具零件及部件 内涨器
- JB/T9161.1-1999 外圆磨床顶尖 尺寸
- JB/T82.2-1994 凹凸面对焊钢制管法兰
- JB/T6619.1-1999 轻型机械密封 技术条件
- JB/T5106-1991 铸件模样型芯头 基本尺寸
- JB/T5166-1991 方草捆压捆机 试验方法
- JB/T7707-1995 离子镀硬膜厚度试验方法 球磨法
- JB/T8556-1997 选用联轴器的技术资料
- 行业新闻
网站备案号:湘ICP备2025141790号-2