- 您的位置:
- 标准下载网 >>
- 标准分类 >>
- 医药行业标准(YY) >>
- YY/T 0170.1-1994 牙挺
标准号:
YY/T 0170.1-1994
标准名称:
牙挺
标准类别:
医药行业标准(YY)
标准状态:
现行-
发布日期:
1994-07-02 -
实施日期:
1994-11-01 出版语种:
简体中文下载格式:
.rar.pdf下载大小:
120.10 KB
中标分类号:
医药、卫生、劳动保护>>医疗器械>>C33口腔科器械、设备与材料
替代情况:
替代WS 2-117-83

点击下载
标准简介:
标准下载解压密码:www.bzxz.net
本标准规定了牙挺的产品分类、技术要求、试验方法、检验规则和标志、包装、运输、贮存等要求。本标准适用于连体式的牙挺,不适用于一柄多头牙挺。该产品供拔牙前作撬松牙齿或剔除牙根等用。 YY/T 0170.1-1994 牙挺 YY/T0170.1-1994

部分标准内容:
中华人民共和国医药行业标准
1主题内容与适用范围
YY/T 0170.1—94
代替 WS 2-117—83
本标准规定了牙挺的产品分类、技术要求、试验方法、检验规则和标志、包装、运输、贮存等要求。本标准适用于连体式的牙挺,不适用于一柄多头牙挺。该产品供拔牙前作撬松牙齿或剔除牙根等用。
2引用标准
包装储运图示标志
不锈钢棒
GB1220
GB2041
GB 2828
GB4342
GB6463
黄铜板
逐批检查计数抽样程序及抽样表(适用于连续批的检查)金麒显微维氏硬度试验方法
金属和其他无机覆盖层厚度测量方法评述YY 0076
金属制件的镀层分类、技术条件YY/T 0149
ZB C30 001
ZB C30 022
不锈钢医用器械耐腐蚀试验方法手术器械标志
医疗器械铬镀层厚度测试计时点滴方法空心八角柄、六角柄尺寸和技术要求ZB C31 006
3产品分类
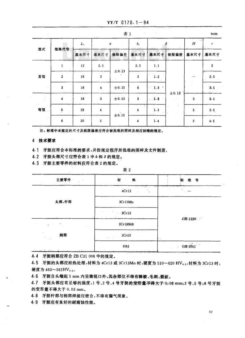
牙挺的型式、基本尺寸和极限偏差应符合图1、图2及表1的规定。国家医药管理局1994-07-02批准1994-11-01实施
YY/T 0170. 1---94
150 ±2
A-A旋转
图1直型
图2弯型
B-B转
规格代号
基本尺寸
YY/T 0170.1—94
基本尺寸
极限偏差
基本尺寸
基本尺寸
注:标准中未规定的尺寸及极限偏差应符合被批准的图样及相应标准的规定。技术要求
4.1牙挺应符合本标准的要求,并按规定程序所批准的图样及文件制造,4.2牙挺头部尺寸应符合表1中b和3的规定。4.3牙挺主要零件的材料应符合表2的规定。表2
主要零件
头部,杆部
4.4牙挺柄部应符合ZBC31006中的规定。材
3Cr13Mo
1Cr18Ni9
极限偷差
基本尺寸
标推号
GB-1220
GB2641
基本尺寸
4.5牙挺的头部应经热处理,材料为4Cr13或3Cr13Mo时,硬度为510~620HVb.3,材料为3Cr13时,硬度为463561HVo.3 。
4.6牙挺自头端起5mm内呈微锐口外,其余部位不得有蜂、毛刺、裂纹。4.7牙挺头部应有足够的强度,1号、2号、4号牙挺的变形量不得大于=0:08mmz3号、5号:6号牙挺的变形量不得大于 0. 03 mm。
4.8牙挺杆部与柄部焊接应密合,不得有漏气现象。4.9牙挺应有良好的耐腐蚀性能。57
YY/T 0170.1—94
4.10黄铜制成的柄部应镀镍铬,其镀层要求应符合YY0076中规定的D·L2Ni4/Cr0.3,2级外观,R,0.2μm的要求。
4.11牙挺头部型槽和柄部的表面粗糙度参数R。的最大值为 1.6 um,其余部位表面粗髓度参数R.的最大值为0.2μm。
5试验方法
5.1外观检验:以目力观察,应符合4.4、4.6、4.10条规定。5.2尺寸检验:以通用或专用量具进行测量,应符合4.2条规定。5.3硬度试验:按GB4342中规定的方法进行试验,在牙挺的头部处测定三点,取其三点的算术平均值,应符合第4.5条规定。
5.4强度试验:按图3所示,将牙挺柄固定在专用夹具上,在距头端槽背7mm处固定头部,再在槽背(头端加压部位)放置一百分表。然后在距头端2~3mm处,平稳加压100N的径向静载荷,5s后卸荷,然后把百分表校正到零位,再平稳加压290N的径向静载荷,5s后卸荷,观察头部变形量应符合4.7条的规定。
固定柄部
固定头部
图3牙挺头部强度试验示意图
加压力
百分囊
5.5漏气试验:将牙挺浸入不高于120℃的油液内,液面上应无气泡发生,应符合第4.8条规定。5.6耐腐蚀性试验:按 YY/T 0149 中规定的沸水试验法(A法)进行试验,试验结果应符合 b级的规定。
5.7镀层厚度测试:镶层按GB6463中规定的方法进行,铬镀层按ZBC30 022中规定的方法进行,应符合第4.10条规定。
5.8表面粗糙度试验:与标准表面粗糙度样块进行比对,或用电测法进行测试,仲裁时采用电测法,应符合4.11条规定。
6检验规则
6.1牙挺应由制造厂技术检验部门进行检验,合格后方可提交验收。6.2牙挺必须成批提交检查,检查为逐批检查(出厂检查)。6.3逐批检查
6.3.1逐批检查应按GB2828的规定进行。6.3.2抽样方案采用一次抽样,抽样方案严格性从正常抽查抽样方案开始,其不合格品分类、检查项58
YY/T 0170. 1--94
目、检查水平和合格质量水平(AQL)按表3的规定。表3
不合格品分类
不合格品分类组
检查项目
检查水平
合格质量水平(AQL)
7标志、包装、运输、贮存
7.1每把牙挺按ZBC30001中的规定,应有下列标志:制造厂代号或商标,
b.出品年代(最后两字)
c、规格代号;
d. 材料标志 Cr。
7.2牙挺应有良好的小包装、中包装和大包装。7.2.1小包装应符合下列要求,
每把牙挺应装人放有中性防锈剂的中性塑料袋,袋内应有检验合格证,并须密封检验合格证上应有下列标志:
制造厂名称,
检验员代号。
7.2.2中包装应符合下列要求:
7.2. 2. 1
每10把同一型式、同一代号或成套的牙挺应装人一盒内,盒上应有下列标志,制造厂名称和商标,
产品名称和标准号:
型式、代号:
数量,
质量(毛、净重),
体积(长×宽×高);
出厂日期,
广址,bzxZ.net
“怕显\等字体或标志,应符合GB 191中的有关规定。箱上的字样和标志应保证不因历时较久而模糊不清。
7.3运输要求按订货合同规定。
7. 4包装后的牙挺应贮存在相对湿度不超过 80%,无膀蚀性气体和通风良好的室内。8其他
牙挺经包装后,在遵守贮存规则的条件下,应保证在一年半内不生锈。39
附加说明:
本标准由国家医药管理局提出。YY/T 0170.1--94
本标准由国家医疗器械质量监督检验中心归口。本标准由上海齿科医械厂负贵起草。本标准主要起草人陈锦城、何毓萍。(60)
小提示:此标准内容仅展示完整标准里的部分截取内容,若需要完整标准请到上方自行免费下载完整标准文档。
1主题内容与适用范围
YY/T 0170.1—94
代替 WS 2-117—83
本标准规定了牙挺的产品分类、技术要求、试验方法、检验规则和标志、包装、运输、贮存等要求。本标准适用于连体式的牙挺,不适用于一柄多头牙挺。该产品供拔牙前作撬松牙齿或剔除牙根等用。
2引用标准
包装储运图示标志
不锈钢棒
GB1220
GB2041
GB 2828
GB4342
GB6463
黄铜板
逐批检查计数抽样程序及抽样表(适用于连续批的检查)金麒显微维氏硬度试验方法
金属和其他无机覆盖层厚度测量方法评述YY 0076
金属制件的镀层分类、技术条件YY/T 0149
ZB C30 001
ZB C30 022
不锈钢医用器械耐腐蚀试验方法手术器械标志
医疗器械铬镀层厚度测试计时点滴方法空心八角柄、六角柄尺寸和技术要求ZB C31 006
3产品分类
牙挺的型式、基本尺寸和极限偏差应符合图1、图2及表1的规定。国家医药管理局1994-07-02批准1994-11-01实施
YY/T 0170. 1---94
150 ±2
A-A旋转
图1直型
图2弯型
B-B转
规格代号
基本尺寸
YY/T 0170.1—94
基本尺寸
极限偏差
基本尺寸
基本尺寸
注:标准中未规定的尺寸及极限偏差应符合被批准的图样及相应标准的规定。技术要求
4.1牙挺应符合本标准的要求,并按规定程序所批准的图样及文件制造,4.2牙挺头部尺寸应符合表1中b和3的规定。4.3牙挺主要零件的材料应符合表2的规定。表2
主要零件
头部,杆部
4.4牙挺柄部应符合ZBC31006中的规定。材
3Cr13Mo
1Cr18Ni9
极限偷差
基本尺寸
标推号
GB-1220
GB2641
基本尺寸
4.5牙挺的头部应经热处理,材料为4Cr13或3Cr13Mo时,硬度为510~620HVb.3,材料为3Cr13时,硬度为463561HVo.3 。
4.6牙挺自头端起5mm内呈微锐口外,其余部位不得有蜂、毛刺、裂纹。4.7牙挺头部应有足够的强度,1号、2号、4号牙挺的变形量不得大于=0:08mmz3号、5号:6号牙挺的变形量不得大于 0. 03 mm。
4.8牙挺杆部与柄部焊接应密合,不得有漏气现象。4.9牙挺应有良好的耐腐蚀性能。57
YY/T 0170.1—94
4.10黄铜制成的柄部应镀镍铬,其镀层要求应符合YY0076中规定的D·L2Ni4/Cr0.3,2级外观,R,0.2μm的要求。
4.11牙挺头部型槽和柄部的表面粗糙度参数R。的最大值为 1.6 um,其余部位表面粗髓度参数R.的最大值为0.2μm。
5试验方法
5.1外观检验:以目力观察,应符合4.4、4.6、4.10条规定。5.2尺寸检验:以通用或专用量具进行测量,应符合4.2条规定。5.3硬度试验:按GB4342中规定的方法进行试验,在牙挺的头部处测定三点,取其三点的算术平均值,应符合第4.5条规定。
5.4强度试验:按图3所示,将牙挺柄固定在专用夹具上,在距头端槽背7mm处固定头部,再在槽背(头端加压部位)放置一百分表。然后在距头端2~3mm处,平稳加压100N的径向静载荷,5s后卸荷,然后把百分表校正到零位,再平稳加压290N的径向静载荷,5s后卸荷,观察头部变形量应符合4.7条的规定。
固定柄部
固定头部
图3牙挺头部强度试验示意图
加压力
百分囊
5.5漏气试验:将牙挺浸入不高于120℃的油液内,液面上应无气泡发生,应符合第4.8条规定。5.6耐腐蚀性试验:按 YY/T 0149 中规定的沸水试验法(A法)进行试验,试验结果应符合 b级的规定。
5.7镀层厚度测试:镶层按GB6463中规定的方法进行,铬镀层按ZBC30 022中规定的方法进行,应符合第4.10条规定。
5.8表面粗糙度试验:与标准表面粗糙度样块进行比对,或用电测法进行测试,仲裁时采用电测法,应符合4.11条规定。
6检验规则
6.1牙挺应由制造厂技术检验部门进行检验,合格后方可提交验收。6.2牙挺必须成批提交检查,检查为逐批检查(出厂检查)。6.3逐批检查
6.3.1逐批检查应按GB2828的规定进行。6.3.2抽样方案采用一次抽样,抽样方案严格性从正常抽查抽样方案开始,其不合格品分类、检查项58
YY/T 0170. 1--94
目、检查水平和合格质量水平(AQL)按表3的规定。表3
不合格品分类
不合格品分类组
检查项目
检查水平
合格质量水平(AQL)
7标志、包装、运输、贮存
7.1每把牙挺按ZBC30001中的规定,应有下列标志:制造厂代号或商标,
b.出品年代(最后两字)
c、规格代号;
d. 材料标志 Cr。
7.2牙挺应有良好的小包装、中包装和大包装。7.2.1小包装应符合下列要求,
每把牙挺应装人放有中性防锈剂的中性塑料袋,袋内应有检验合格证,并须密封检验合格证上应有下列标志:
制造厂名称,
检验员代号。
7.2.2中包装应符合下列要求:
7.2. 2. 1
每10把同一型式、同一代号或成套的牙挺应装人一盒内,盒上应有下列标志,制造厂名称和商标,
产品名称和标准号:
型式、代号:
数量,
质量(毛、净重),
体积(长×宽×高);
出厂日期,
广址,bzxZ.net
“怕显\等字体或标志,应符合GB 191中的有关规定。箱上的字样和标志应保证不因历时较久而模糊不清。
7.3运输要求按订货合同规定。
7. 4包装后的牙挺应贮存在相对湿度不超过 80%,无膀蚀性气体和通风良好的室内。8其他
牙挺经包装后,在遵守贮存规则的条件下,应保证在一年半内不生锈。39
附加说明:
本标准由国家医药管理局提出。YY/T 0170.1--94
本标准由国家医疗器械质量监督检验中心归口。本标准由上海齿科医械厂负贵起草。本标准主要起草人陈锦城、何毓萍。(60)
小提示:此标准内容仅展示完整标准里的部分截取内容,若需要完整标准请到上方自行免费下载完整标准文档。

标准图片预览:





- 其它标准
- 热门标准
- 医药行业标准(YY)
- YY0002-1990 一次性使用输液器用药液过滤器
- YY/T1145-2003 人工心肺机术语
- YY/T0729.4-2009 组织粘合剂粘接性能试验方法 第4部分:伤口闭合强度
- YY0580-2011 心血管植入物及人工器官心肺转流系统动脉管路血液过滤器
- YY/T1286.1-2015 血小板贮存袋性能 第1部分:膜材透气性能测定压差法
- YY0831.2-2015 Y射束立体定向放射治疗系统 第2部分:体部多源Y射束立体定向放射治疗系统
- YY0832.2-2015 X辐射放射治疗立体定向及计划系统 第2部分:体部X辐射放射治疗立体定向及计划系统
- YY/T0870.3-2013 医疗器械遗传毒性试验 第3部分:用小鼠淋巴瘤细胞进行的体外哺乳动物细胞基因突变试验
- YY0032-1990 血红蛋白计
- YY/T0454-2008 无菌塑柄手术刀
- YY/T0014-2005 半自动生化分析仪
- YY/T0873.3-2014 ISO 6360-3: 2005 牙科旋转器械的数字编码系统 第3部分:车针和刃具的特征
- YY/T1232-2014 Y-谷氨酰基转移酶测定试剂(盒)(GPNA底物法)
- YY/T1586-2018 肿瘤个体化治疗相关基因突变检测试剂盒(荧光PCR法)
- YY/T1256-2015 解脲脲原体核酸扩增检测试剂盒
- 行业新闻
请牢记:“bzxz.net”即是“标准下载”四个汉字汉语拼音首字母与国际顶级域名“.net”的组合。 ©2025 标准下载网 www.bzxz.net 本站邮件:bzxznet@163.com
网站备案号:湘ICP备2025141790号-2
网站备案号:湘ICP备2025141790号-2