- 您的位置:
- 标准下载网 >>
- 标准分类 >>
- 医药行业标准(YY) >>
- YY 0302-1998 高速牙科车针
标准号:
YY 0302-1998
标准名称:
高速牙科车针
标准类别:
医药行业标准(YY)
标准状态:
现行-
发布日期:
1998-04-08 -
实施日期:
1998-10-01 出版语种:
简体中文下载格式:
.rar.pdf下载大小:
132.48 KB
替代情况:
原标准号GB 12134-89采标情况:
ISO 2157-84 MOD ISO 1797-85 MOD ISO 3823-1-86 NEQ ISO 8325-85 NEQ
点击下载
标准简介:
标准下载解压密码:www.bzxz.net
本标准规定了高速牙科车针的产品分类、技术要求、试验方法、检验规则、标志、包装、运输、贮存的要求。本标准适用于高速车针,该产品供口腔科治疗室钻削牙用。 YY 0302-1998 高速牙科车针 YY0302-1998
部分标准内容:
YY0302-1998
本标准等效采用国际标准ISO2157:1984《齿科旋转器械公称尺寸及其标示》和ISO1797:1985《齿科旋转器械——柄部》,参照采用国际标准ISO3823-1:1986《齿科旋转器械—一第一部分:钢和硬质合金牙科钻头》和ISO8325:1985《齿科旋转器械—-试验方法》。本标准在GB12134-—89《高速牙科车针》的基础上进行修订。本标准从生效之日起,同时代替GB12134—89。本标准由国家医药管理局提出。本标准由全国口腔材料和器械设备标准化委员会提出并归口。本标准起草单位:北京手术器械厂。本标准主要起草人:刘惠芬、习其君。131
1范围
中华人民共和国医药行业标准
高速牙科车针
High steed dental drill
YY 0302 -- 1998
本标准规定了高速牙科车针的产品分类、技术要求、试验方法、检验规则及标志、包装、运输和贮存的要求。
本标准适用于高速车针(以下简称车针),该产品供口腔科治疗室钻削牙用。2引用标准
下列标准所包含的条文,通过在本标准中引用而构成为本标准的条文。本标准出版时,所示版本均为有效。所有标准都会被修订,使用本标准的各方应探讨使用下列标准最新版本的可能性。GB2828—87逐批检查计数抽样程序及抽样表(适用于连续批的检查)GB5046.1-85牙科旋转器械配合尺寸GB5046.2—85牙科旋转器基本尺寸和标号ZBC33001-84牙科旋转器械钢和硬质合金牙钻技术条件3产品分类
3.1车针的型式、头部直径和标号应按GB5046.2的规定,并应符合表1的规定。表1车针的型式、头部直径和标号型
圆柱形、圆柱裂沟形
裁维裂沟形、裁锥形
倒截锥形
头部直径d
注:表中所规定的型式除六种外,允许增加符合国际标准中规定的型式规格3.2车针按长度分类,基本尺寸应符合表2的规定。3.3车针的材料
3.3.1车针的工作部分材料可用钢或碳化钨制成,3.3.2车针的柄部材料可以用钢或其他合适的材料制成。国家医药管理局1998-04-08批准132
1998-10-01实施
长度分类
标准型
超长型
4技术要求
YY 0302—1998
表2车针长度分类、基本尺寸
柄部配合长度11
车针长度
4.1车针的基本尺寸应符合表1中d及表2中的11.lz、d1。4.2柄部硬度不低于250HV5。
4.3车针柄部表面粗糙度R。之数值应不大于0.4um。4.4车针颈部强度应符合下列规定:柄部直径d
4.4.1车针颈部强度试验后,不应有断裂现象,其永久变形量钢针应不大于0.08mm,碳化钨车针应不大于 0.05 mm
4.4.2车针颈部强度试验载荷按表3~表6的规定。表3球形
头部直径,mm
教祐,N
头部直径,mm
头部直径,mm
头部直径,mm
载荷,N
表 4倒截锥形
圆柱形、圆柱裂沟形
表6截锥形、截锥裂沟形
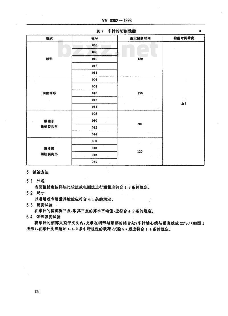
4.5车针的径向圆跳动值钢车针应不大于0.08mm,碳化钨车针应不大于0.05mm。4.6车针的切削性能用钻削所用的时间表示,并应符合表7的规定。1.4
倒敲锥形
敲雄裂沟形
圆柱形
圆柱裂沟形
5试验方法
5.1外观
YY 0302-- 1998
表7车针的切削性能
最大钻阐时间
表面粗糙度按样块比较法或电测法进行测量应符合4.3条的规定。5.2尺寸
以通用或专用量具检验应符合4.1条的规定。5.3硬度试验
在车针的柄部测三点,取其三点的算术平均值,应符合 4.2 条的规定。5.43
颈部强度试验
钻测时间精度
将车针的柄部夹紧于夹头内,支承在柄部与颈部的结合处,车针轴心线与垂直线成22°30(如图1所示),在车针头部施加4. 4. 2 条中所规定的载荷,试验 5 s后应符合 4. 4 条的规定。134
5.5径向圆跳动试验
YY 0302-1998
径向圆跳动试验,应在颈部强度试验后进行。5. 5. 1 试验仪器;应用 V 形槽座和干分表来测量径向圆跳动。5.5.2试验部位:在倒截锥形、截锥形、截锥裂沟形车针头部的最大直径或球形、圆柱形、圆柱裂沟形中部进行测量。
5.5.3试验方法:将车针放置V形槽内,以千分表的测头接触头部刃口部分最高点,慢慢将车针旋转360°,计算刃口的最大值与最小值之差,即为车针的径向圆跳动值,应符合4.5条的规定。5.6切削性能试验
5.6.1试验仪器:采用天平式专用仪器。5.6.2试验方法:将车针装夹于台钻床或类似设备,将被切削试件置于台面一端,经调整水平后,载荷施加台面的另一端,车针垂直方向钻孔,直至钻透为止,其转速、载荷和切削试件的材料规格等按表8的规定。试验时不用润滑剂,记录钻削的时间,应不大于4.6条中表7的规定。表8车针切削的试验方法
倒截维形
圆柱形
圆柱裂沟形
截雄形
截锥裂沟形
6检验规则
006008
010012
010012
012014
008010
012014
被切削试件
厚度,mm
转速,r/min
4350±50
6.1车针应由制造厂技术检验部门进行检验,合格后方可提交验收。6.2车针必须成批提交检验,检查是逐批检查。6.3逐批检查
截荷、N
学.4
6.3.1车针的抽样应符合GB2828的有关规定。6.3.2车针的逐批检查采用一次抽样方式,最初检查为正常检查,其检查分类、合格质量水平和检查水135Www.bzxZ.net
平按表9的规定。
检查分类
检查分类组
检查项目
检查水平
合格质最水平
7标志、包装、运输、贮存
YY 0302--1998
表9逐批检查
7.1同一型式、规格的车针装入盒内,盒上应有下列标志:a)制造厂名称及商标;
b)产品名称,
c)规格、数量:
d)厂址。
7.2每10盒或100盒同一一型式、规格的车针装入一盒内,盒内应有检验合格证,检验合格证上应有下列标志:
a)制造厂名称,
b)产品名称及型号,
c)检验日期,
:d)检验员代号。
7.3盒上应有下列标志:
a)制造厂名称及商标,
b)产品名称;
c)规格、数量无
d)厂址。
7.4盒上应贴有封签,封签上应有下列标志:a)封贴日期:
b)包装员代号。
7.5特殊包装形式按订货合同规定。7.6装箱和运输要求按订货合同规定,7.7车针经包装后,应贮存在相对应湿度本超过80%,无腐蚀性气体和通风良好的室内。7.8车针经包装后遵守贮存规则的条件下,应保证在一年半内不生锈。136
小提示:此标准内容仅展示完整标准里的部分截取内容,若需要完整标准请到上方自行免费下载完整标准文档。
本标准等效采用国际标准ISO2157:1984《齿科旋转器械公称尺寸及其标示》和ISO1797:1985《齿科旋转器械——柄部》,参照采用国际标准ISO3823-1:1986《齿科旋转器械—一第一部分:钢和硬质合金牙科钻头》和ISO8325:1985《齿科旋转器械—-试验方法》。本标准在GB12134-—89《高速牙科车针》的基础上进行修订。本标准从生效之日起,同时代替GB12134—89。本标准由国家医药管理局提出。本标准由全国口腔材料和器械设备标准化委员会提出并归口。本标准起草单位:北京手术器械厂。本标准主要起草人:刘惠芬、习其君。131
1范围
中华人民共和国医药行业标准
高速牙科车针
High steed dental drill
YY 0302 -- 1998
本标准规定了高速牙科车针的产品分类、技术要求、试验方法、检验规则及标志、包装、运输和贮存的要求。
本标准适用于高速车针(以下简称车针),该产品供口腔科治疗室钻削牙用。2引用标准
下列标准所包含的条文,通过在本标准中引用而构成为本标准的条文。本标准出版时,所示版本均为有效。所有标准都会被修订,使用本标准的各方应探讨使用下列标准最新版本的可能性。GB2828—87逐批检查计数抽样程序及抽样表(适用于连续批的检查)GB5046.1-85牙科旋转器械配合尺寸GB5046.2—85牙科旋转器基本尺寸和标号ZBC33001-84牙科旋转器械钢和硬质合金牙钻技术条件3产品分类
3.1车针的型式、头部直径和标号应按GB5046.2的规定,并应符合表1的规定。表1车针的型式、头部直径和标号型
圆柱形、圆柱裂沟形
裁维裂沟形、裁锥形
倒截锥形
头部直径d
注:表中所规定的型式除六种外,允许增加符合国际标准中规定的型式规格3.2车针按长度分类,基本尺寸应符合表2的规定。3.3车针的材料
3.3.1车针的工作部分材料可用钢或碳化钨制成,3.3.2车针的柄部材料可以用钢或其他合适的材料制成。国家医药管理局1998-04-08批准132
1998-10-01实施
长度分类
标准型
超长型
4技术要求
YY 0302—1998
表2车针长度分类、基本尺寸
柄部配合长度11
车针长度
4.1车针的基本尺寸应符合表1中d及表2中的11.lz、d1。4.2柄部硬度不低于250HV5。
4.3车针柄部表面粗糙度R。之数值应不大于0.4um。4.4车针颈部强度应符合下列规定:柄部直径d
4.4.1车针颈部强度试验后,不应有断裂现象,其永久变形量钢针应不大于0.08mm,碳化钨车针应不大于 0.05 mm
4.4.2车针颈部强度试验载荷按表3~表6的规定。表3球形
头部直径,mm
教祐,N
头部直径,mm
头部直径,mm
头部直径,mm
载荷,N
表 4倒截锥形
圆柱形、圆柱裂沟形
表6截锥形、截锥裂沟形
4.5车针的径向圆跳动值钢车针应不大于0.08mm,碳化钨车针应不大于0.05mm。4.6车针的切削性能用钻削所用的时间表示,并应符合表7的规定。1.4
倒敲锥形
敲雄裂沟形
圆柱形
圆柱裂沟形
5试验方法
5.1外观
YY 0302-- 1998
表7车针的切削性能
最大钻阐时间
表面粗糙度按样块比较法或电测法进行测量应符合4.3条的规定。5.2尺寸
以通用或专用量具检验应符合4.1条的规定。5.3硬度试验
在车针的柄部测三点,取其三点的算术平均值,应符合 4.2 条的规定。5.43
颈部强度试验
钻测时间精度
将车针的柄部夹紧于夹头内,支承在柄部与颈部的结合处,车针轴心线与垂直线成22°30(如图1所示),在车针头部施加4. 4. 2 条中所规定的载荷,试验 5 s后应符合 4. 4 条的规定。134
5.5径向圆跳动试验
YY 0302-1998
径向圆跳动试验,应在颈部强度试验后进行。5. 5. 1 试验仪器;应用 V 形槽座和干分表来测量径向圆跳动。5.5.2试验部位:在倒截锥形、截锥形、截锥裂沟形车针头部的最大直径或球形、圆柱形、圆柱裂沟形中部进行测量。
5.5.3试验方法:将车针放置V形槽内,以千分表的测头接触头部刃口部分最高点,慢慢将车针旋转360°,计算刃口的最大值与最小值之差,即为车针的径向圆跳动值,应符合4.5条的规定。5.6切削性能试验
5.6.1试验仪器:采用天平式专用仪器。5.6.2试验方法:将车针装夹于台钻床或类似设备,将被切削试件置于台面一端,经调整水平后,载荷施加台面的另一端,车针垂直方向钻孔,直至钻透为止,其转速、载荷和切削试件的材料规格等按表8的规定。试验时不用润滑剂,记录钻削的时间,应不大于4.6条中表7的规定。表8车针切削的试验方法
倒截维形
圆柱形
圆柱裂沟形
截雄形
截锥裂沟形
6检验规则
006008
010012
010012
012014
008010
012014
被切削试件
厚度,mm
转速,r/min
4350±50
6.1车针应由制造厂技术检验部门进行检验,合格后方可提交验收。6.2车针必须成批提交检验,检查是逐批检查。6.3逐批检查
截荷、N
学.4
6.3.1车针的抽样应符合GB2828的有关规定。6.3.2车针的逐批检查采用一次抽样方式,最初检查为正常检查,其检查分类、合格质量水平和检查水135Www.bzxZ.net
平按表9的规定。
检查分类
检查分类组
检查项目
检查水平
合格质最水平
7标志、包装、运输、贮存
YY 0302--1998
表9逐批检查
7.1同一型式、规格的车针装入盒内,盒上应有下列标志:a)制造厂名称及商标;
b)产品名称,
c)规格、数量:
d)厂址。
7.2每10盒或100盒同一一型式、规格的车针装入一盒内,盒内应有检验合格证,检验合格证上应有下列标志:
a)制造厂名称,
b)产品名称及型号,
c)检验日期,
:d)检验员代号。
7.3盒上应有下列标志:
a)制造厂名称及商标,
b)产品名称;
c)规格、数量无
d)厂址。
7.4盒上应贴有封签,封签上应有下列标志:a)封贴日期:
b)包装员代号。
7.5特殊包装形式按订货合同规定。7.6装箱和运输要求按订货合同规定,7.7车针经包装后,应贮存在相对应湿度本超过80%,无腐蚀性气体和通风良好的室内。7.8车针经包装后遵守贮存规则的条件下,应保证在一年半内不生锈。136
小提示:此标准内容仅展示完整标准里的部分截取内容,若需要完整标准请到上方自行免费下载完整标准文档。
标准图片预览:





- 其它标准
- 上一篇: YY 0301-1998 牙科学 陶瓷牙
- 下一篇: YY 0303-1998 医用羟基磷灰石粉料
- 热门标准
- 医药行业标准(YY)
- YY0345-2002 骨接合植入物金属骨针
- YY/T0452-2003 止血钳
- YY1007-2010 立式蒸汽灭菌器
- YY0062-1991 X射线管组件固有滤过
- YY/T0178-1994 直肠、乙状结肠活体取样钳
- YY0240-1996 药用辅料 硅酸镁铝
- YY/T0184-1994 输精管分离钳
- YY/T0279-1995 口腔材料生物试验方法 口腔粘膜刺激试验
- YY0460-2003 超声洁牙设备
- YY0322-2000 高频电灼治疗仪
- YY0001-1990 体外冲击波碎石机通用技术条件
- YY0069-1992 气管窥镜
- YY0072-1992 眼科用刀通用技术条件
- YY0118-1993 髋关节假体
- YY0126-1993 滚压式搏动血泵
- 行业新闻
请牢记:“bzxz.net”即是“标准下载”四个汉字汉语拼音首字母与国际顶级域名“.net”的组合。 ©2025 标准下载网 www.bzxz.net 本站邮件:bzxznet@163.com
网站备案号:湘ICP备2025141790号-2
网站备案号:湘ICP备2025141790号-2